MICROSONIC

PICO+

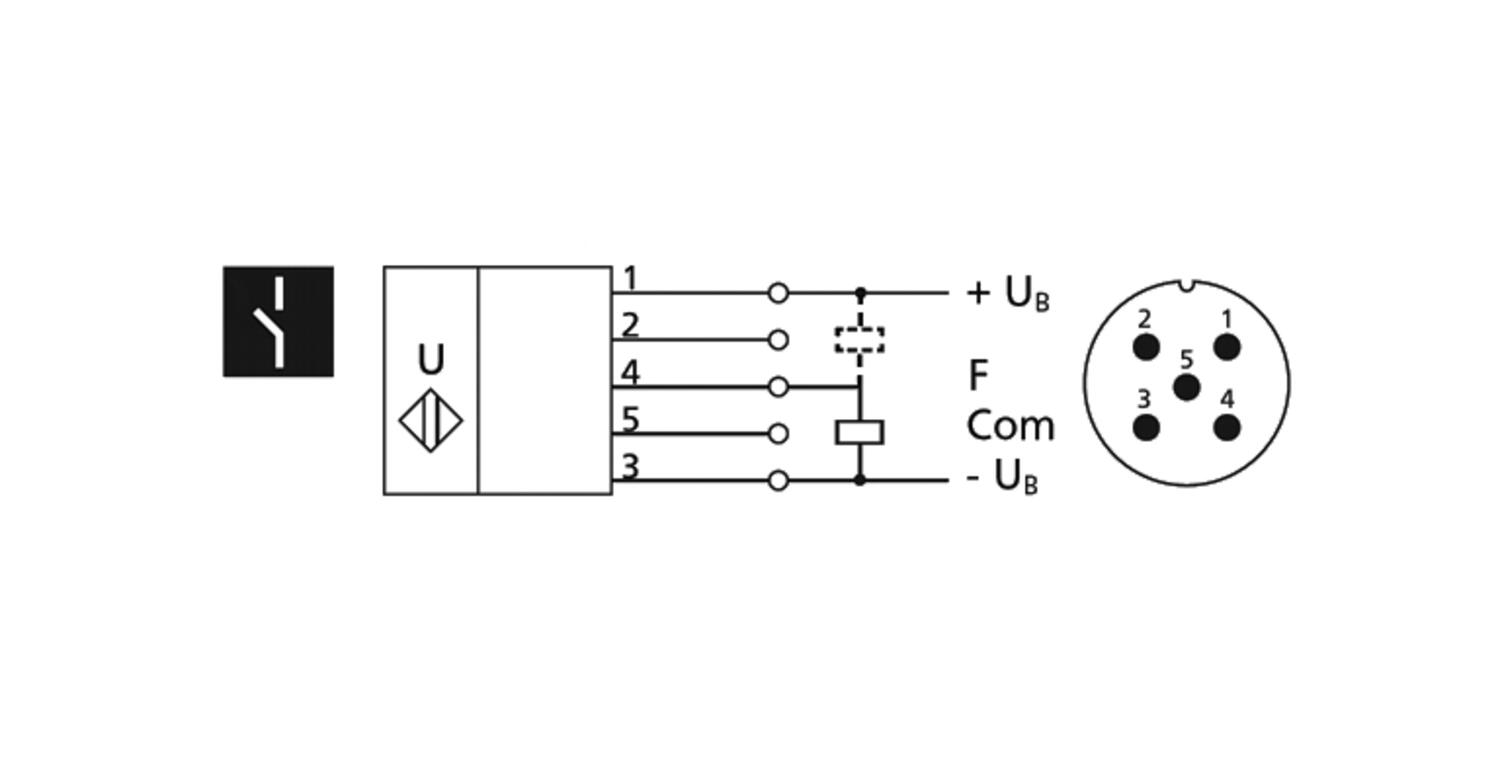
  • M18 fémház
  • Érzékelő hossza - 41mm
  • IO-Link interfész
  • Környezeti hőmérséklet kompenzáció
  • Oldalsó beolvasási verzió

Kiválasztott változat

izé

Kiválasztott változat

Műszaki adatok

Anyag Nikkelezett sárgaréz, PBT, Műanyag
Felbontás 0,1 mm
Ház M18
Holttér 20 mm
IO-LINK Igen
IP-osztály IP67
Kijelző Nem
Kilépés Push/Pull, IO-Link
Max. távolság 250 mm
Tápfeszültség 10-30 V DC
Üzemi tartomány 150 mm

Kiegészítők

Kapcsolódó termékek

Iparinapjai
Termékhírek

Ipar napjai 2025

Az OEM Automatic Kft. csapata sikeresen részt vett a 2025. május 13–16. között megrendezett IPAR NAPJAI Nemzetközi Ipari Szakkiállításon.

z
Termékhírek

A világ legkisebb biztonsági lézerszkennere a Hokuyo-tól

Az UAM-05 a világ legkisebb biztonsági lézerszkennere. A világ legintelligensebbje is. Mindössze 80x80x95 mm-es az építési mérete és kézfejtől a testpáncélig választható felbontással (30, 40, 50, 70 és 150 mm) rendelkezik.

SSP
Termékhírek

SSP - A biztonsági megoldások legújabb generációja

Az iparágak széles körét látjuk el gépbiztonsági termékekkel, például biztonsági vezérlőkkel, reteszelésekkel, fénysorompókkal, vezérlőegységekkel, biztonsági kerítésekkel, valamint biztonsági érzékelőkkel és vezeték nélküli biztonsági rendszerekkel.

aut
Termékhírek

Az Autonics hivatalos Magyarországi képviselői lettünk.

Az Autonics az automatizálási megoldások vezető szolgáltatója.
Termékeinket a mérnökök különböző ipari alkalmazásokban bíznak és alkalmazzák, beleértve az élelmiszer-gyártást és csomagolást, a műanyag- és gumifeldolgozást, a félvezető berendezéseket és a fémmegmunkáló gépeket.

j
Termékhírek

Tele Radio

A Tele Radio a biztonságos vezeték nélküli és rádiós távvezérlés szakértője. Fő tevékenységi területeik az ipari, ipari-, felvonó-, mobil-, ajtó-, kapu- és sorompó alkalmazások. Hidraulikus gépekhez is kínálnak távvezérlést.

Tudás

IIOT - Ha digitalizálni akarja vállalkozását

Speciális termékterületeinkkel élvonalbeli szakértelemmel és széles termékválasztékkal rendelkezünk, hogy megkönnyítsük Önnek a lépést a digitális világba. Itt megtudhatja, hogyan

Változatok Felbontás Holttér IO-LINK Kilépés Max. távolság Tápfeszültség Üzemi tartomány Ár
0,1 mm
20 mm
Igen
Push/Pull, IO-Link
250 mm
10-30 V DC
150 mm
0,1 mm
20 mm
Igen
Push/Pull, IO-Link
250 mm
10-30 V DC
150 mm
0,1 mm
30 mm
Igen
Push/Pull, IO-Link
350 mm
10-30 V DC
250 mm
0,1 mm
30 mm
Igen
Push/Pull, IO-Link
350 mm
10-30 V DC
250 mm
0,069 mm
30 mm
Nem
4-20 mA
350 mm
10-30 V DC
250 mm
0,069 mm
30 mm
Nem
0-10 V
350 mm
15-30 V DC
250 mm
0,069 mm
30 mm
Nem
4-20 mA
350 mm
10-30 V DC
250 mm
0,1 mm
65 mm
Igen
Push/Pull, IO-Link
600 mm
10-30 V DC
350 mm
0,069 mm
65 mm
Nem
0-10 V
600 mm
15-30 V DC
350 mm
0,1 mm
120 mm
Igen
Push/Pull, IO-Link
1300 mm
10-30 V DC
1000 mm
0,069 mm
120 mm
Nem
4-20 mA
1300 mm
10-30 V DC
1000 mm
0,069 mm
120 mm
Nem
0-10 V
1300 mm
15-30 V DC
1000 mm
0,1 mm
120 mm
Igen
Push/Pull, IO-Link
1300 mm
10-30 V DC
1000 mm
0,069 mm
120 mm
Igen
0-10 V
1300 mm
15-30 V DC
1000 mm

Kiválasztott változat

Válassza ki az egyik változatot a listából

Ügyfélszolgálat
Hívjon minket bátran ha kérdése van.
Segítségre van szüksége?
Logo

Süti beállítások oemautomatic.hu

A Sütik segítenek javítani az Ön élményét velünk, tehát a belépési adatok kezelésében, személyre szabott tartalom megjelenítésében és néhány alapvető funkcióban Sütiket használunk.

Sosem fogjuk az ön információit eladni.

Elfogadhatja az összes Sütit vagy személyre szabhatja a Süti beállításait, ezeket a beállításokat az elérhetőség oldalunkon tudja változtatni.

Szükséges Sütik

Ezek a Sütik szükségesek az oldal működéséhez ezért ezeket nem lehet kikapcsolni a rendszerünkben. Csak az Ön kéréseire/lépéseire adnak választ a szerverünkről például beállítások megadása, belépéskor és adatkitöltéskor.

Analízis és mérési Sütik

Ezek a Sütik engedik, hogy vizsgáljuk az oldal látogatottságát és javítsuk annak teljesítményét. Megmutatják, hogy melyik lapok a többet, illetve kevesebbet látogatottak, illetve miként használják a látogatók az oldalt. Az információ, amit a Sütik gyűjtenek összeadódnak ezért ez teljesen anonim módon történik. Ha nem fogadja el ezeket a Sütiket nem tudjuk járt az oldalon.

Marketing Sütik

Ezeket a Sütiket a partnereink adhatják hozzá. Ezeket a Sütiket arra használhatják, hogy egy önről mintázott profilt képezzenek mellyel személyre szabott információt jeleníthetnek meg Önnek. Önről személyes információt nem tárolunk, kizárólag a böngészőjéről és eszközéről. Ha nem fogadja el ezeket a Sütiket, egy általános tapasztalata lesz, nem személyre szabott.