DATASENSING

Vezérlő egység SG-BWS-T4

SG-BWS-T4

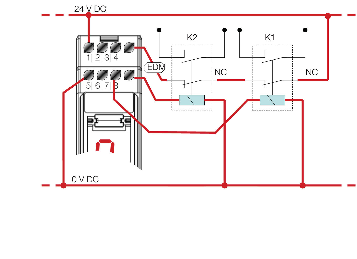
Működtetőegység, amelyhez négy pár biztonsági fotocella csatlakoztatható négy biztonságos fénysorompó létesítéséhez, így az adott terület védelme vagy két db dupla fénysorompóval vagy egy db négyszeres fénysorompóval oldható meg. A működtetőegység két PNP kimenettel és kiszerelhető, jelölt sorkapcsokkal rendelkezik. Az előlapon található hétszegmenses LED-kijelző szolgál az állapot vagy a diagnosztika kijelzésére. További információk a kézikönyvben.



Műszaki adatok

Biztonsági követelményektől függően

• Kimeneti érintkezők megkétszerezése

• Redundáns belső/külső

• Felügyelt visszaállítás

 

A felhasználó előnyei

• A legmagasabb biztonsági követelmények kielégítése

• 2 NO-kimenet

• Kapcsok terhelhetősége 0,5 A

• Külső kontaktorok figyelése

• Kis beépítési méret

• Kiszerelhető jelölt sorkapcsok

• Nemzetközi engedélyek

LED-es állapotkijelzés

 

Állapotkijelzés

LED

Teljesítmény

Green colormark

Tápfeszültség OK

Normál

Green colormark

Biztonsági kimenetek ide:

Biztonságos

Red colormark

Biztonsági kimenetek innen:

 

 

Bővebben
  • Akár 4 pár optikai érzékelő csatlakozás
  • Kompakt relé, csak 22.5 mm-es ház
  • 2 NO PNP Kimenet
  • Eltávolítható kódolt foglalat

Kiválasztott változat

221841_812.jpg

SG-BWS-T4 Biztonsági működtetőegység

Cikkszám

Kiválasztott változat

Műszaki adatok

Biztonságos kimenetek 2 PNP
Egyenáram (DC) 99 %
Felvett teljesítmény 2,1 W max
Feszültségtűrés ±15 %
IP-osztály IP20
Jóváhagyások CE, cULus, TÜV
Max. kábelhossz 50 m
Max. tárolási hőmérséklet 70 °C
Max. üzemi hőmérséklet 55 °C
Max. zárási áram 0,5 A
Megfelelés ezzel: EMC, LVD, MD
Min. tárolási hőmérséklet -25 °C
Min. üzemi hőmérséklet 0 °C
PL e (EN ISO 13849-1)
SIL 3 (EN IEC 62061)
T1 (élettartam években) 20
Tápfeszültség 24 V DC
További tulajdonságok EDM, visszaállítás, tesztbemenet
Veszélyes hiba kialakulásának átlagos várható időtartama (MTTFd) 201 year

Termékleírás

Működtetőegység, amelyhez négy pár biztonsági fotocella csatlakoztatható négy biztonságos fénysorompó létesítéséhez, így az adott terület védelme vagy két db dupla fénysorompóval vagy egy db négyszeres fénysorompóval oldható meg. A működtetőegység két PNP kimenettel és kiszerelhető, jelölt sorkapcsokkal rendelkezik. Az előlapon található hétszegmenses LED-kijelző szolgál az állapot vagy a diagnosztika kijelzésére. További információk a kézikönyvben.



Műszaki adatok

Biztonsági követelményektől függően

• Kimeneti érintkezők megkétszerezése

• Redundáns belső/külső

• Felügyelt visszaállítás

 

A felhasználó előnyei

• A legmagasabb biztonsági követelmények kielégítése

• 2 NO-kimenet

• Kapcsok terhelhetősége 0,5 A

• Külső kontaktorok figyelése

• Kis beépítési méret

• Kiszerelhető jelölt sorkapcsok

• Nemzetközi engedélyek

LED-es állapotkijelzés

 

Állapotkijelzés

LED

Teljesítmény

Green colormark

Tápfeszültség OK

Normál

Green colormark

Biztonsági kimenetek ide:

Biztonságos

Red colormark

Biztonsági kimenetek innen:

 

 

Kiegészítők

Kapcsolódó termékek

Iparinapjai
Termékhírek

Ipar napjai 2025

Az OEM Automatic Kft. csapata sikeresen részt vett a 2025. május 13–16. között megrendezett IPAR NAPJAI Nemzetközi Ipari Szakkiállításon.

z
Termékhírek

A világ legkisebb biztonsági lézerszkennere a Hokuyo-tól

Az UAM-05 a világ legkisebb biztonsági lézerszkennere. A világ legintelligensebbje is. Mindössze 80x80x95 mm-es az építési mérete és kézfejtől a testpáncélig választható felbontással (30, 40, 50, 70 és 150 mm) rendelkezik.

SSP
Termékhírek

SSP - A biztonsági megoldások legújabb generációja

Az iparágak széles körét látjuk el gépbiztonsági termékekkel, például biztonsági vezérlőkkel, reteszelésekkel, fénysorompókkal, vezérlőegységekkel, biztonsági kerítésekkel, valamint biztonsági érzékelőkkel és vezeték nélküli biztonsági rendszerekkel.

aut
Termékhírek

Az Autonics hivatalos Magyarországi képviselői lettünk.

Az Autonics az automatizálási megoldások vezető szolgáltatója.
Termékeinket a mérnökök különböző ipari alkalmazásokban bíznak és alkalmazzák, beleértve az élelmiszer-gyártást és csomagolást, a műanyag- és gumifeldolgozást, a félvezető berendezéseket és a fémmegmunkáló gépeket.

j
Termékhírek

Tele Radio

A Tele Radio a biztonságos vezeték nélküli és rádiós távvezérlés szakértője. Fő tevékenységi területeik az ipari, ipari-, felvonó-, mobil-, ajtó-, kapu- és sorompó alkalmazások. Hidraulikus gépekhez is kínálnak távvezérlést.

Tudás

IIOT - Ha digitalizálni akarja vállalkozását

Speciális termékterületeinkkel élvonalbeli szakértelemmel és széles termékválasztékkal rendelkezünk, hogy megkönnyítsük Önnek a lépést a digitális világba. Itt megtudhatja, hogyan

Ügyfélszolgálat
Hívjon minket bátran ha kérdése van.
Segítségre van szüksége?
Logo

Süti beállítások oemautomatic.hu

A Sütik segítenek javítani az Ön élményét velünk, tehát a belépési adatok kezelésében, személyre szabott tartalom megjelenítésében és néhány alapvető funkcióban Sütiket használunk.

Sosem fogjuk az ön információit eladni.

Elfogadhatja az összes Sütit vagy személyre szabhatja a Süti beállításait, ezeket a beállításokat az elérhetőség oldalunkon tudja változtatni.

Szükséges Sütik

Ezek a Sütik szükségesek az oldal működéséhez ezért ezeket nem lehet kikapcsolni a rendszerünkben. Csak az Ön kéréseire/lépéseire adnak választ a szerverünkről például beállítások megadása, belépéskor és adatkitöltéskor.

Analízis és mérési Sütik

Ezek a Sütik engedik, hogy vizsgáljuk az oldal látogatottságát és javítsuk annak teljesítményét. Megmutatják, hogy melyik lapok a többet, illetve kevesebbet látogatottak, illetve miként használják a látogatók az oldalt. Az információ, amit a Sütik gyűjtenek összeadódnak ezért ez teljesen anonim módon történik. Ha nem fogadja el ezeket a Sütiket nem tudjuk járt az oldalon.

Marketing Sütik

Ezeket a Sütiket a partnereink adhatják hozzá. Ezeket a Sütiket arra használhatják, hogy egy önről mintázott profilt képezzenek mellyel személyre szabott információt jeleníthetnek meg Önnek. Önről személyes információt nem tárolunk, kizárólag a böngészőjéről és eszközéről. Ha nem fogadja el ezeket a Sütiket, egy általános tapasztalata lesz, nem személyre szabott.