DATASENSING

Fénysugár SG Body Big

Az SG Body Big egy ideális testérzékelő fényfüggöny nagy, 60 m-ig terjedő távolságokhoz. 2, 3 vagy 4 sugárral és különböző, 500, 800, 900 és 1200 mm-es biztonságos magasságokkal kapható.

Nincsenek holtzónái, így a tokozat hossza minimális lehet. Rendelkezik még ezenkívül egy 7 szegmenses kijelzővel is (Beállítási mód), amely megkönnyíti a beállítást, valamint több különböző rögzítőelemmel, aminek köszönhetően a legtöbb ipari alkalmazásban használható.

A fényfüggöny 4. típusú, és kielégíti az EN ISO 13849-1 és EN 62061 biztonsági szabvány szerinti legújabb követelményeket.

Az SG Body Big beépítve tartalmaz felügyelt visszaállítást, bemenetet a külső kontaktorok felügyeletére, valamint két biztonságos, elektronikus rövidzárlat-érzékelő kimenetet.
Ez azt jelenti, hogy az SG Body Big „önállóan” is működik, tehát nincs szüksége külön működtetőegységre.



Alkalmazás

290102_812.tif

272416_566.tif

Testvédelem 2 sugárral (biztonságos magasság 500 mm)

Testvédelem 3 sugárral (biztonságos magasság 800 mm)

 

 

 

272440_566b.tif

 

 

Testvédelem 4 sugárral (biztonságos magasság 900–1200 mm)

 

 

 

 

 

 

  

  

 

 

 

Készítsd el a Bekötés részről szóló PDF-et / Markus

Bekötés

Az SG Body Big bekötése

Vevő

Adó

272652_566.tif

272796_566.tif

 

Vevő (Rx), 8 pólusú, M12-es érintkező

Adó (Tx), 5 pólusú, M12-es érintkező

1

= fehér

= Visszaállítás/üzemmód

1

= barna

= +24 V váltakozó áram (mérőfeszültség)

2

= barna

= +24 V váltakozó áram (mérőfeszültség)

2

= fehér

= Teszt

3

= zöld

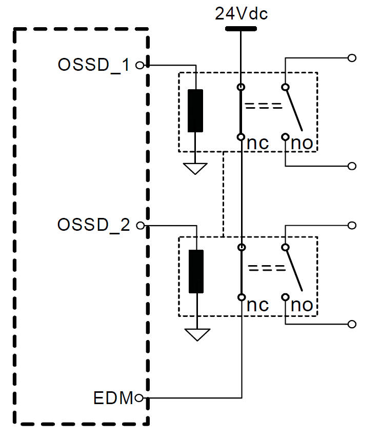
= EDM-aktiválás (lásd a lenti táblázatot)

3

= kék

= 0 V (mérőfeszültség)

4

= sárga

= EDM

4

= fekete

= föld

5

= szürke

= OSSD1 (PNP)

5

= szürke

= Nem használt

6

= rózsaszín

= OSSD2 (PNP)

 

 

 

7

= kék

= 0 V (mérőfeszültség)

 

 

 

8

= vörös

= föld

 

 

 




Az SG Body Big konfigurálása

Funkció

Csatlakozás

Állapot

Visszaállítás + visszaállítás módjának kiválasztása, 1. tű

272653_566.tif

Automatikus visszaállítás

272654_566.tif

Kézi visszaállítás

 

EDM engedélyezése, 3. tű

+24 V egyenáram

Az EDM aktiválva van

Nincs csatlakoztatva vagy 0 V

Az EDM aktiválva van

 

EDM, 4. tű

NC-érintkezés, pl. kontaktortól

 



EDM-csatlakoztatás

272613_566.tif

EDM (External Device Monitoring) – Külső kontaktorok figyelése.  

 

 

 

 

Bővebben
  • Hatótáv 60m-ig
  • 2, 3 vagy 4 fénysugár
  • Type 4 EN 61496-1-nek megfelelően

Kiválasztott változat

izé

Kiválasztott változat

Műszaki adatok

Biztonságos kimenetek 2 PNP
Felvett teljesítmény Adóegység, max. 1,6 W, vevőegység 4,2 W (terhelés nélkül)
Feszültségtűrés ±20 %
Funkció EDM, Manuális/automatikus újraindítás
Hatósugár 6-60 m
IP-osztály IP65
Jóváhagyások CE, cULus, TÜV
Kábelcsatlakozás, adó M12, 5 pólusú
Kábelcsatlakozás, vevő M12, 5 pólusú
Max. kábelhossz 70 m
Max. távolság 60 m
Max. üzemi hőmérséklet 55 °C
Max. zárási áram 0,5 A
Megfelelés ezzel: EMC, LVD, MD
Min. üzemi hőmérséklet 0 °C
PL e (EN ISO 13849-1)
SFF 98,93%
SIL 3 (EN IEC 61508)
Sugarak száma 2
Tápfeszültség 24 V DC
Test anyaga Alumínium
Típus 4
További tulajdonságok EDM, visszaállítás
Védett magasság 500 mm

Termékleírás

Az SG Body Big egy ideális testérzékelő fényfüggöny nagy, 60 m-ig terjedő távolságokhoz. 2, 3 vagy 4 sugárral és különböző, 500, 800, 900 és 1200 mm-es biztonságos magasságokkal kapható.

Nincsenek holtzónái, így a tokozat hossza minimális lehet. Rendelkezik még ezenkívül egy 7 szegmenses kijelzővel is (Beállítási mód), amely megkönnyíti a beállítást, valamint több különböző rögzítőelemmel, aminek köszönhetően a legtöbb ipari alkalmazásban használható.

A fényfüggöny 4. típusú, és kielégíti az EN ISO 13849-1 és EN 62061 biztonsági szabvány szerinti legújabb követelményeket.

Az SG Body Big beépítve tartalmaz felügyelt visszaállítást, bemenetet a külső kontaktorok felügyeletére, valamint két biztonságos, elektronikus rövidzárlat-érzékelő kimenetet.
Ez azt jelenti, hogy az SG Body Big „önállóan” is működik, tehát nincs szüksége külön működtetőegységre.



Alkalmazás

290102_812.tif

272416_566.tif

Testvédelem 2 sugárral (biztonságos magasság 500 mm)

Testvédelem 3 sugárral (biztonságos magasság 800 mm)

 

 

 

272440_566b.tif

 

 

Testvédelem 4 sugárral (biztonságos magasság 900–1200 mm)

 

 

 

 

 

 

  

  

 

 

 

Készítsd el a Bekötés részről szóló PDF-et / Markus

Bekötés

Az SG Body Big bekötése

Vevő

Adó

272652_566.tif

272796_566.tif

 

Vevő (Rx), 8 pólusú, M12-es érintkező

Adó (Tx), 5 pólusú, M12-es érintkező

1

= fehér

= Visszaállítás/üzemmód

1

= barna

= +24 V váltakozó áram (mérőfeszültség)

2

= barna

= +24 V váltakozó áram (mérőfeszültség)

2

= fehér

= Teszt

3

= zöld

= EDM-aktiválás (lásd a lenti táblázatot)

3

= kék

= 0 V (mérőfeszültség)

4

= sárga

= EDM

4

= fekete

= föld

5

= szürke

= OSSD1 (PNP)

5

= szürke

= Nem használt

6

= rózsaszín

= OSSD2 (PNP)

 

 

 

7

= kék

= 0 V (mérőfeszültség)

 

 

 

8

= vörös

= föld

 

 

 




Az SG Body Big konfigurálása

Funkció

Csatlakozás

Állapot

Visszaállítás + visszaállítás módjának kiválasztása, 1. tű

272653_566.tif

Automatikus visszaállítás

272654_566.tif

Kézi visszaállítás

 

EDM engedélyezése, 3. tű

+24 V egyenáram

Az EDM aktiválva van

Nincs csatlakoztatva vagy 0 V

Az EDM aktiválva van

 

EDM, 4. tű

NC-érintkezés, pl. kontaktortól

 



EDM-csatlakoztatás

272613_566.tif

EDM (External Device Monitoring) – Külső kontaktorok figyelése.  

 

 

 

 

Kiegészítők

Kapcsolódó termékek

Iparinapjai
Termékhírek

Ipar napjai 2025

Az OEM Automatic Kft. csapata sikeresen részt vett a 2025. május 13–16. között megrendezett IPAR NAPJAI Nemzetközi Ipari Szakkiállításon.

z
Termékhírek

A világ legkisebb biztonsági lézerszkennere a Hokuyo-tól

Az UAM-05 a világ legkisebb biztonsági lézerszkennere. A világ legintelligensebbje is. Mindössze 80x80x95 mm-es az építési mérete és kézfejtől a testpáncélig választható felbontással (30, 40, 50, 70 és 150 mm) rendelkezik.

SSP
Termékhírek

SSP - A biztonsági megoldások legújabb generációja

Az iparágak széles körét látjuk el gépbiztonsági termékekkel, például biztonsági vezérlőkkel, reteszelésekkel, fénysorompókkal, vezérlőegységekkel, biztonsági kerítésekkel, valamint biztonsági érzékelőkkel és vezeték nélküli biztonsági rendszerekkel.

aut
Termékhírek

Az Autonics hivatalos Magyarországi képviselői lettünk.

Az Autonics az automatizálási megoldások vezető szolgáltatója.
Termékeinket a mérnökök különböző ipari alkalmazásokban bíznak és alkalmazzák, beleértve az élelmiszer-gyártást és csomagolást, a műanyag- és gumifeldolgozást, a félvezető berendezéseket és a fémmegmunkáló gépeket.

j
Termékhírek

Tele Radio

A Tele Radio a biztonságos vezeték nélküli és rádiós távvezérlés szakértője. Fő tevékenységi területeik az ipari, ipari-, felvonó-, mobil-, ajtó-, kapu- és sorompó alkalmazások. Hidraulikus gépekhez is kínálnak távvezérlést.

Tudás

IIOT - Ha digitalizálni akarja vállalkozását

Speciális termékterületeinkkel élvonalbeli szakértelemmel és széles termékválasztékkal rendelkezünk, hogy megkönnyítsük Önnek a lépést a digitális világba. Itt megtudhatja, hogyan

Változatok Sugarak száma Védett magasság Ár
2
500 mm
3
800 mm
4
900 mm
4
1200 mm

Kiválasztott változat

Válassza ki az egyik változatot a listából

Ügyfélszolgálat
Hívjon minket bátran ha kérdése van.
Segítségre van szüksége?
Logo

Süti beállítások oemautomatic.hu

A Sütik segítenek javítani az Ön élményét velünk, tehát a belépési adatok kezelésében, személyre szabott tartalom megjelenítésében és néhány alapvető funkcióban Sütiket használunk.

Sosem fogjuk az ön információit eladni.

Elfogadhatja az összes Sütit vagy személyre szabhatja a Süti beállításait, ezeket a beállításokat az elérhetőség oldalunkon tudja változtatni.

Szükséges Sütik

Ezek a Sütik szükségesek az oldal működéséhez ezért ezeket nem lehet kikapcsolni a rendszerünkben. Csak az Ön kéréseire/lépéseire adnak választ a szerverünkről például beállítások megadása, belépéskor és adatkitöltéskor.

Analízis és mérési Sütik

Ezek a Sütik engedik, hogy vizsgáljuk az oldal látogatottságát és javítsuk annak teljesítményét. Megmutatják, hogy melyik lapok a többet, illetve kevesebbet látogatottak, illetve miként használják a látogatók az oldalt. Az információ, amit a Sütik gyűjtenek összeadódnak ezért ez teljesen anonim módon történik. Ha nem fogadja el ezeket a Sütiket nem tudjuk járt az oldalon.

Marketing Sütik

Ezeket a Sütiket a partnereink adhatják hozzá. Ezeket a Sütiket arra használhatják, hogy egy önről mintázott profilt képezzenek mellyel személyre szabott információt jeleníthetnek meg Önnek. Önről személyes információt nem tárolunk, kizárólag a böngészőjéről és eszközéről. Ha nem fogadja el ezeket a Sütiket, egy általános tapasztalata lesz, nem személyre szabott.