CROUZET SWITCHES

V3 Mikrokapcsoló

  • Kompakt kialakítás
  • IP67
  • Csatlakoztatás öntött kábellel vagy dugóval
  • Változatos magas és alacsony áramra

Kiválasztott változat

izé

Kiválasztott változat

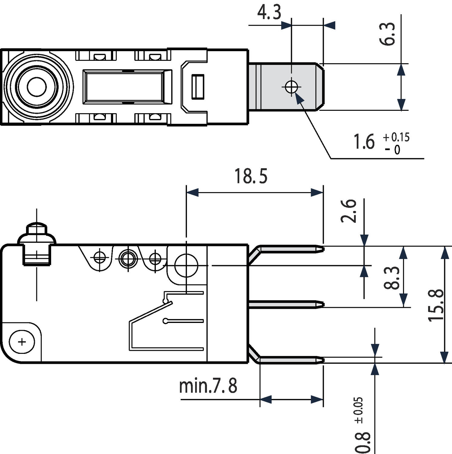
Műszaki adatok

A visszatérő mozgás min. ereje 0,2 N
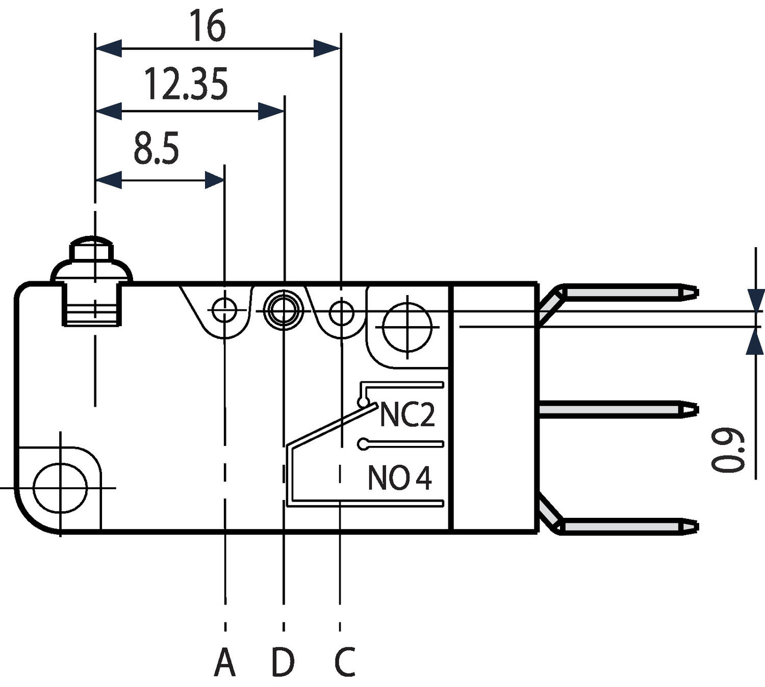
Csatlakozás W3
Érintkezés típusa Váltókapcsoló
IP-osztály IP67
Kapcsolópont 14,7±0,3 mm
Max. hiszterézis 0,5 mm
Max. készenlét 16,2 mm
Max. működési erő 2 N
Max. üzemi hőmérséklet 85 °C
Megengedett max. túlfeszültség 20 N
Min. túlszabályozás 1 mm
Min. üzemi hőmérséklet -40 °C
Névleges áramerősség, 250 V AC 5 A
Nyitási távolság 1 mm
Termikus áramerősség, 250 V AC 7,5 A
Várható mechanikai élettartam 10^6 ciklus terhelés nélkül, túlmozdulás 2/3-a mellett

Mérések és kapcsolatok

Kiegészítők

Iparinapjai
Termékhírek

Ipar napjai 2025

Az OEM Automatic Kft. csapata sikeresen részt vett a 2025. május 13–16. között megrendezett IPAR NAPJAI Nemzetközi Ipari Szakkiállításon.

z
Termékhírek

A világ legkisebb biztonsági lézerszkennere a Hokuyo-tól

Az UAM-05 a világ legkisebb biztonsági lézerszkennere. A világ legintelligensebbje is. Mindössze 80x80x95 mm-es az építési mérete és kézfejtől a testpáncélig választható felbontással (30, 40, 50, 70 és 150 mm) rendelkezik.

SSP
Termékhírek

SSP - A biztonsági megoldások legújabb generációja

Az iparágak széles körét látjuk el gépbiztonsági termékekkel, például biztonsági vezérlőkkel, reteszelésekkel, fénysorompókkal, vezérlőegységekkel, biztonsági kerítésekkel, valamint biztonsági érzékelőkkel és vezeték nélküli biztonsági rendszerekkel.

aut
Termékhírek

Az Autonics hivatalos Magyarországi képviselői lettünk.

Az Autonics az automatizálási megoldások vezető szolgáltatója.
Termékeinket a mérnökök különböző ipari alkalmazásokban bíznak és alkalmazzák, beleértve az élelmiszer-gyártást és csomagolást, a műanyag- és gumifeldolgozást, a félvezető berendezéseket és a fémmegmunkáló gépeket.

j
Termékhírek

Tele Radio

A Tele Radio a biztonságos vezeték nélküli és rádiós távvezérlés szakértője. Fő tevékenységi területeik az ipari, ipari-, felvonó-, mobil-, ajtó-, kapu- és sorompó alkalmazások. Hidraulikus gépekhez is kínálnak távvezérlést.

Tudás

IIOT - Ha digitalizálni akarja vállalkozását

Speciális termékterületeinkkel élvonalbeli szakértelemmel és széles termékválasztékkal rendelkezünk, hogy megkönnyítsük Önnek a lépést a digitális világba. Itt megtudhatja, hogyan

Változatok A visszatérő mozgás min. ereje Csatlakozás Kábelhossz Max. működési erő Névleges áramerősség, 250 V AC Termikus áramerősség, 250 V AC Ár
0,2 N
W3
2 N
5 A
7,5 A
0,2 N
Vezetékkimenet, jobb
300 mm
2 N
5 A
7,5 A
0,8 N
W3
4,5 N
10 A
10 A
0,8 N
Vezetékkimenet, jobb
300 mm
4,5 N
10 A
10 A
0,1 N
W3
1 N
3 A
6 A
0,1 N
Vezetékkimenet, jobb
300 mm
1 N
3 A
6 A

Kiválasztott változat

Válassza ki az egyik változatot a listából

Ügyfélszolgálat
Hívjon minket bátran ha kérdése van.
Segítségre van szüksége?
Logo

Süti beállítások oemautomatic.hu

A Sütik segítenek javítani az Ön élményét velünk, tehát a belépési adatok kezelésében, személyre szabott tartalom megjelenítésében és néhány alapvető funkcióban Sütiket használunk.

Sosem fogjuk az ön információit eladni.

Elfogadhatja az összes Sütit vagy személyre szabhatja a Süti beállításait, ezeket a beállításokat az elérhetőség oldalunkon tudja változtatni.

Szükséges Sütik

Ezek a Sütik szükségesek az oldal működéséhez ezért ezeket nem lehet kikapcsolni a rendszerünkben. Csak az Ön kéréseire/lépéseire adnak választ a szerverünkről például beállítások megadása, belépéskor és adatkitöltéskor.

Analízis és mérési Sütik

Ezek a Sütik engedik, hogy vizsgáljuk az oldal látogatottságát és javítsuk annak teljesítményét. Megmutatják, hogy melyik lapok a többet, illetve kevesebbet látogatottak, illetve miként használják a látogatók az oldalt. Az információ, amit a Sütik gyűjtenek összeadódnak ezért ez teljesen anonim módon történik. Ha nem fogadja el ezeket a Sütiket nem tudjuk járt az oldalon.

Marketing Sütik

Ezeket a Sütiket a partnereink adhatják hozzá. Ezeket a Sütiket arra használhatják, hogy egy önről mintázott profilt képezzenek mellyel személyre szabott információt jeleníthetnek meg Önnek. Önről személyes információt nem tárolunk, kizárólag a böngészőjéről és eszközéről. Ha nem fogadja el ezeket a Sütiket, egy általános tapasztalata lesz, nem személyre szabott.