DATALOGIC

DS2100N Ipari lézer scanner

Automatizált Raktározás

A DS2100N kifejlesztésével a cél a könnyű használhatóság és egyben a kiváló olvasási képesség volt. A DS2100N rendelkezik az innovatív X-PRESS™ interfésszel, amely megkönnyíti a telepítést és a karbantartást. A nagy teljesítményű optika és a beépített ACB™ kódhelyreállítási eljárás garantálja a nagy olvasási teljesítményt.

X-PRESS™ – A Datalogic innovatív X-PRESS™ interfésze egyszerűbbé és könnyebbé teszi a telepítést és a karbantartást. A készülék 5 LED-diódája jól áttekinthetően jeleníti meg az állapot- és diagnosztikai információkat. Az olvasó multifunkciós gombjával könnyen kalibrálható a leolvasási skála, a leolvasási távolság és az új kódok betanítása.

ACB™ (Advanced Code Builder – továbbfejlesztett kódfelépítés)
Ez a funkció a sérült kódok leolvasását teszi lehetővé úgy, hogy egy kód két részét összeilleszti. Az ACB™ segítségével hatékonyan leolvashatóak az alacsony, sérült vagy gyenge minőségben nyomtatott kódok.

Genius™
Windows-alapú konfiguráló program, amellyel egyszerűvé válik a leolvasó telepítése és a távirányítás, a szoftverfrissítés vagy a diagnosztizálás funkciók használata.

 

 

 

 

 

Bővebben
  • Olvasási távolság 310mm
  • X-PRESS™ interfész
  • ACB™
  • Genius™
  • Integrált Ethernet vagy Profinet interfészrel is kapható

Kiválasztott változat

izé

Kiválasztott változat

Műszaki adatok

1D Code types Code 2/5, Code 39, Code 93, Code 128, EAN128, Codabar, Pharmacode, Plessey, ISBT128, UPC/EAN
Digital Inputs 2
Digitális kimenetek 2
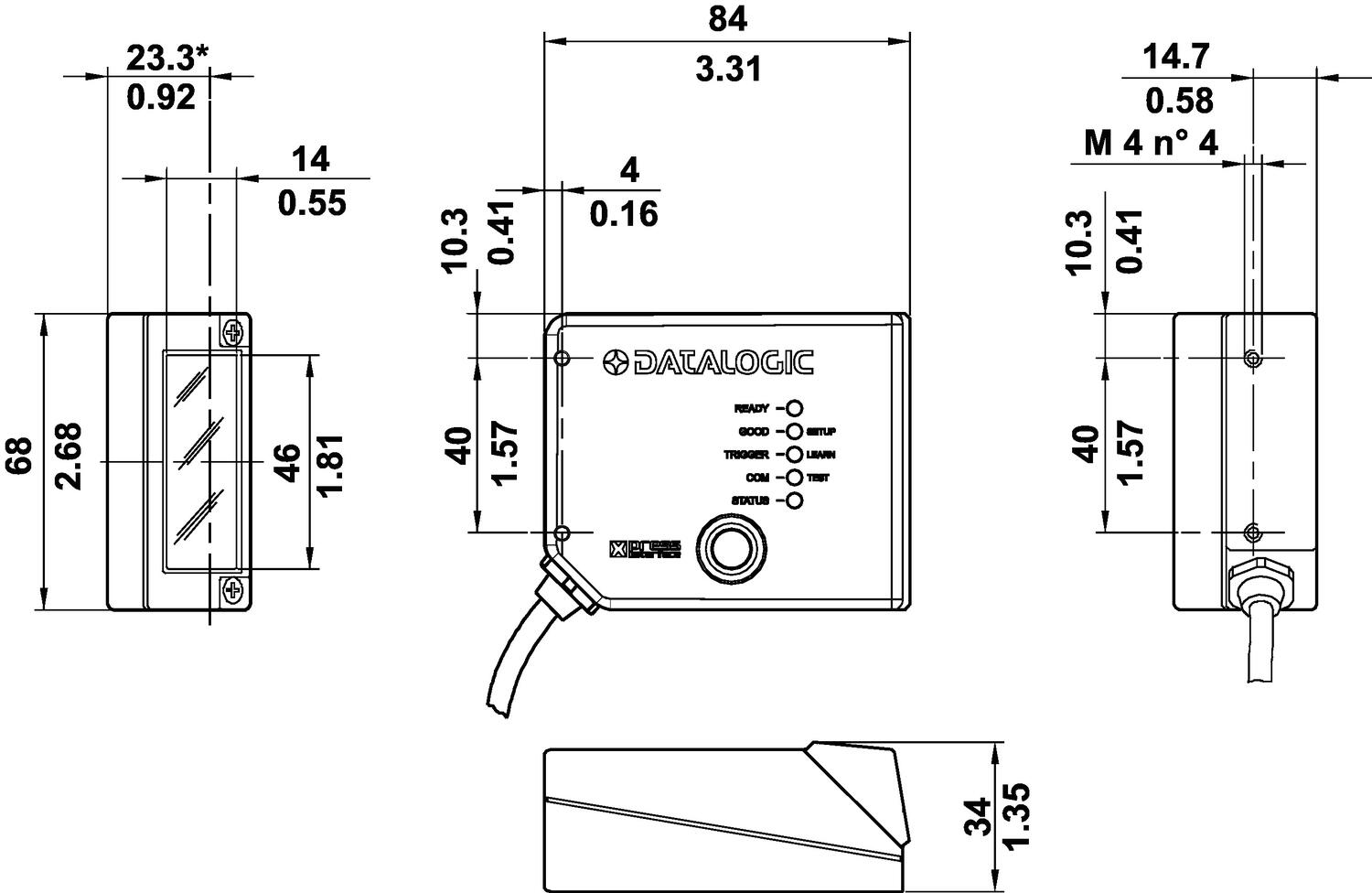
Dimension (mm) 84 x 68 x 34
Felbontás 0.12mm
Felvett teljesítmény 4 W
Integrált kommunikációs interfész RS232/RS422/RS485, Aux RS232, ID-NET RS485
IP-osztály IP65
Leolvasási sebesség 1000
Lézervezérlés A biztonsági rendszer kikapcsolja a lézert, ha a motor leáll vagy elromlik
Max. távolság 300 mm
Max. üzemi hőmérséklet 45 °C
Min. távolság 50 mm
Min. üzemi hőmérséklet 0 °C
Readable code types 1D / Linear Codes
Tápfeszültség 10-30 V DC
Test anyaga Alumínium
Többcímkés leolvasás Igen
Tömeg 330 g

Mérések és kapcsolatok

Műszaki illusztrációk

Termékleírás

A DS2100N kifejlesztésével a cél a könnyű használhatóság és egyben a kiváló olvasási képesség volt. A DS2100N rendelkezik az innovatív X-PRESS™ interfésszel, amely megkönnyíti a telepítést és a karbantartást. A nagy teljesítményű optika és a beépített ACB™ kódhelyreállítási eljárás garantálja a nagy olvasási teljesítményt.

X-PRESS™ – A Datalogic innovatív X-PRESS™ interfésze egyszerűbbé és könnyebbé teszi a telepítést és a karbantartást. A készülék 5 LED-diódája jól áttekinthetően jeleníti meg az állapot- és diagnosztikai információkat. Az olvasó multifunkciós gombjával könnyen kalibrálható a leolvasási skála, a leolvasási távolság és az új kódok betanítása.

ACB™ (Advanced Code Builder – továbbfejlesztett kódfelépítés)
Ez a funkció a sérült kódok leolvasását teszi lehetővé úgy, hogy egy kód két részét összeilleszti. Az ACB™ segítségével hatékonyan leolvashatóak az alacsony, sérült vagy gyenge minőségben nyomtatott kódok.

Genius™
Windows-alapú konfiguráló program, amellyel egyszerűvé válik a leolvasó telepítése és a távirányítás, a szoftverfrissítés vagy a diagnosztizálás funkciók használata.

 

 

 

 

 

Kiegészítők

Kapcsolódó termékek

Iparinapjai
Termékhírek

Ipar napjai 2025

Az OEM Automatic Kft. csapata sikeresen részt vett a 2025. május 13–16. között megrendezett IPAR NAPJAI Nemzetközi Ipari Szakkiállításon.

z
Termékhírek

A világ legkisebb biztonsági lézerszkennere a Hokuyo-tól

Az UAM-05 a világ legkisebb biztonsági lézerszkennere. A világ legintelligensebbje is. Mindössze 80x80x95 mm-es az építési mérete és kézfejtől a testpáncélig választható felbontással (30, 40, 50, 70 és 150 mm) rendelkezik.

SSP
Termékhírek

SSP - A biztonsági megoldások legújabb generációja

Az iparágak széles körét látjuk el gépbiztonsági termékekkel, például biztonsági vezérlőkkel, reteszelésekkel, fénysorompókkal, vezérlőegységekkel, biztonsági kerítésekkel, valamint biztonsági érzékelőkkel és vezeték nélküli biztonsági rendszerekkel.

aut
Termékhírek

Az Autonics hivatalos Magyarországi képviselői lettünk.

Az Autonics az automatizálási megoldások vezető szolgáltatója.
Termékeinket a mérnökök különböző ipari alkalmazásokban bíznak és alkalmazzák, beleértve az élelmiszer-gyártást és csomagolást, a műanyag- és gumifeldolgozást, a félvezető berendezéseket és a fémmegmunkáló gépeket.

j
Termékhírek

Tele Radio

A Tele Radio a biztonságos vezeték nélküli és rádiós távvezérlés szakértője. Fő tevékenységi területeik az ipari, ipari-, felvonó-, mobil-, ajtó-, kapu- és sorompó alkalmazások. Hidraulikus gépekhez is kínálnak távvezérlést.

Tudás

IIOT - Ha digitalizálni akarja vállalkozását

Speciális termékterületeinkkel élvonalbeli szakértelemmel és széles termékválasztékkal rendelkezünk, hogy megkönnyítsük Önnek a lépést a digitális világba. Itt megtudhatja, hogyan

Változatok Dimension (mm) Integrált kommunikációs interfész Tömeg Ár
84 x 68 x 34
RS232/RS422/RS485, Aux RS232, ID-NET RS485
330 g
84 x 68 x 34
RS232/RS422/RS485, Aux RS232, ID-NET RS485
330 g
84 x 68 x 34
RS232/RS422/RS485, Aux RS232, ID-NET RS485
330 g
84 x 68 x 34
RS232/RS422/RS485, Aux RS232, ID-NET RS485
330 g
84 x 68 x 34
RS232/RS422/RS485, Aux RS232, ID-NET RS485
330 g
84 x 68 x 34
RS232/RS422/RS485, Aux RS232, ID-NET RS485
330 g
84 x 68 x 34
RS232/RS422/RS485, Aux RS232, ID-NET RS485
330 g
84 x 68 x 34
RS232/RS422/RS485, Aux RS232, ID-NET RS485
330 g
104 x 69 x 38
EtherNet/IP, Ethernet TCP/IP, RS232/RS422/RS485, Aux RS232, ID-NET RS485
281 g
104 x 69 x 38
EtherNet/IP, Ethernet TCP/IP, RS232/RS422/RS485, Aux RS232, ID-NET RS485
281 g
104 x 69 x 38
EtherNet/IP, Ethernet TCP/IP, RS232/RS422/RS485, Aux RS232, ID-NET RS485
281 g
104 x 69 x 38
EtherNet/IP, Ethernet TCP/IP, RS232/RS422/RS485, Aux RS232, ID-NET RS485
281 g
104 x 86 x 38
PROFINET , Ethernet TC/PIP
308 g
104 x 86 x 38
PROFINET , Ethernet TC/PIP
308 g
104 x 86 x 38
PROFINET , Ethernet TC/PIP
308 g
104 x 86 x 38
PROFINET , Ethernet TC/PIP
308 g

Kiválasztott változat

Válassza ki az egyik változatot a listából

Ügyfélszolgálat
Hívjon minket bátran ha kérdése van.
Segítségre van szüksége?
Logo

Süti beállítások oemautomatic.hu

A Sütik segítenek javítani az Ön élményét velünk, tehát a belépési adatok kezelésében, személyre szabott tartalom megjelenítésében és néhány alapvető funkcióban Sütiket használunk.

Sosem fogjuk az ön információit eladni.

Elfogadhatja az összes Sütit vagy személyre szabhatja a Süti beállításait, ezeket a beállításokat az elérhetőség oldalunkon tudja változtatni.

Szükséges Sütik

Ezek a Sütik szükségesek az oldal működéséhez ezért ezeket nem lehet kikapcsolni a rendszerünkben. Csak az Ön kéréseire/lépéseire adnak választ a szerverünkről például beállítások megadása, belépéskor és adatkitöltéskor.

Analízis és mérési Sütik

Ezek a Sütik engedik, hogy vizsgáljuk az oldal látogatottságát és javítsuk annak teljesítményét. Megmutatják, hogy melyik lapok a többet, illetve kevesebbet látogatottak, illetve miként használják a látogatók az oldalt. Az információ, amit a Sütik gyűjtenek összeadódnak ezért ez teljesen anonim módon történik. Ha nem fogadja el ezeket a Sütiket nem tudjuk járt az oldalon.

Marketing Sütik

Ezeket a Sütiket a partnereink adhatják hozzá. Ezeket a Sütiket arra használhatják, hogy egy önről mintázott profilt képezzenek mellyel személyre szabott információt jeleníthetnek meg Önnek. Önről személyes információt nem tárolunk, kizárólag a böngészőjéről és eszközéről. Ha nem fogadja el ezeket a Sütiket, egy általános tapasztalata lesz, nem személyre szabott.