BEI SENSORS

TCW4 - nem érintkező analóg érzékelő

  • Robusztus konstrukció nagy rezgés- és ütésállósággal
  • 0-10 V, 0,5-4,5V, 4-20 mA
  • IP67, opcionális IP69K
  • 2m kábellel

Kiválasztott változat

266678_566.jpg

Cikkszám

Kiválasztott változat

Műszaki adatok

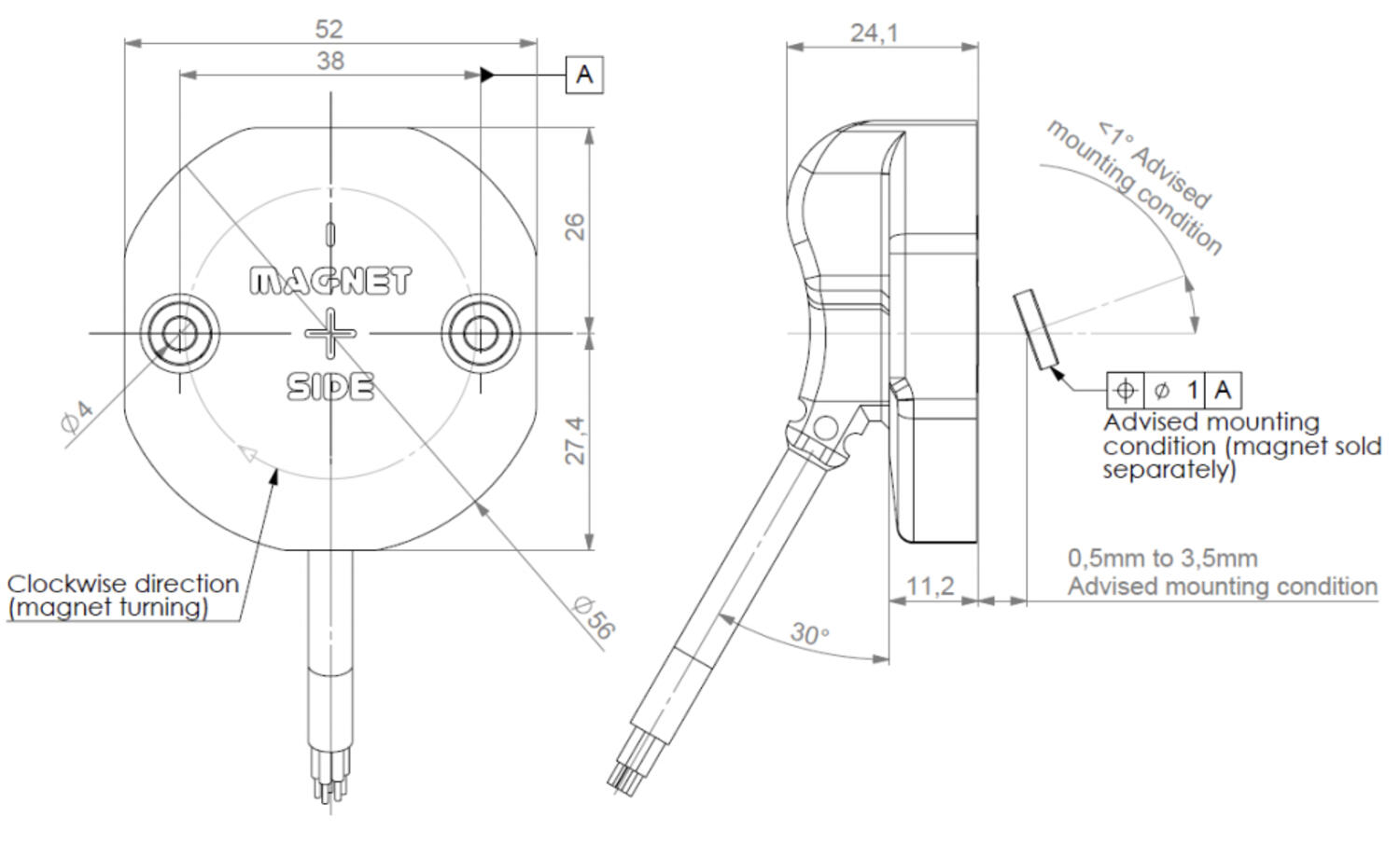
Befoglalási átmérő 52 mm
Csatlakozás Kábel
Érzékelő típusa Abszolút
Felbontás Max. 12 bit resoluutiolle ja 16 bit kierroksille
IP-osztály IP67
Kilépés 0,5-4,5 V, 0-10 V, 4-20 mA
Max. tápfeszültség, DC 30 V DC
Max. üzemi hőmérséklet 85 °C
Min. tápfeszültség, DC 5 V DC
Min. üzemi hőmérséklet -40 °C
Verzió Többmenetes

Mérések és kapcsolatok

Műszaki illusztrációk

Kiegészítők

Kapcsolódó termékek

Iparinapjai
Termékhírek

Ipar napjai 2025

Az OEM Automatic Kft. csapata sikeresen részt vett a 2025. május 13–16. között megrendezett IPAR NAPJAI Nemzetközi Ipari Szakkiállításon.

z
Termékhírek

A világ legkisebb biztonsági lézerszkennere a Hokuyo-tól

Az UAM-05 a világ legkisebb biztonsági lézerszkennere. A világ legintelligensebbje is. Mindössze 80x80x95 mm-es az építési mérete és kézfejtől a testpáncélig választható felbontással (30, 40, 50, 70 és 150 mm) rendelkezik.

SSP
Termékhírek

SSP - A biztonsági megoldások legújabb generációja

Az iparágak széles körét látjuk el gépbiztonsági termékekkel, például biztonsági vezérlőkkel, reteszelésekkel, fénysorompókkal, vezérlőegységekkel, biztonsági kerítésekkel, valamint biztonsági érzékelőkkel és vezeték nélküli biztonsági rendszerekkel.

aut
Termékhírek

Az Autonics hivatalos Magyarországi képviselői lettünk.

Az Autonics az automatizálási megoldások vezető szolgáltatója.
Termékeinket a mérnökök különböző ipari alkalmazásokban bíznak és alkalmazzák, beleértve az élelmiszer-gyártást és csomagolást, a műanyag- és gumifeldolgozást, a félvezető berendezéseket és a fémmegmunkáló gépeket.

j
Termékhírek

Tele Radio

A Tele Radio a biztonságos vezeték nélküli és rádiós távvezérlés szakértője. Fő tevékenységi területeik az ipari, ipari-, felvonó-, mobil-, ajtó-, kapu- és sorompó alkalmazások. Hidraulikus gépekhez is kínálnak távvezérlést.

Tudás

IIOT - Ha digitalizálni akarja vállalkozását

Speciális termékterületeinkkel élvonalbeli szakértelemmel és széles termékválasztékkal rendelkezünk, hogy megkönnyítsük Önnek a lépést a digitális világba. Itt megtudhatja, hogyan

Ügyfélszolgálat
Hívjon minket bátran ha kérdése van.
Segítségre van szüksége?
Logo

Süti beállítások oemautomatic.hu

A Sütik segítenek javítani az Ön élményét velünk, tehát a belépési adatok kezelésében, személyre szabott tartalom megjelenítésében és néhány alapvető funkcióban Sütiket használunk.

Sosem fogjuk az ön információit eladni.

Elfogadhatja az összes Sütit vagy személyre szabhatja a Süti beállításait, ezeket a beállításokat az elérhetőség oldalunkon tudja változtatni.

Szükséges Sütik

Ezek a Sütik szükségesek az oldal működéséhez ezért ezeket nem lehet kikapcsolni a rendszerünkben. Csak az Ön kéréseire/lépéseire adnak választ a szerverünkről például beállítások megadása, belépéskor és adatkitöltéskor.

Analízis és mérési Sütik

Ezek a Sütik engedik, hogy vizsgáljuk az oldal látogatottságát és javítsuk annak teljesítményét. Megmutatják, hogy melyik lapok a többet, illetve kevesebbet látogatottak, illetve miként használják a látogatók az oldalt. Az információ, amit a Sütik gyűjtenek összeadódnak ezért ez teljesen anonim módon történik. Ha nem fogadja el ezeket a Sütiket nem tudjuk járt az oldalon.

Marketing Sütik

Ezeket a Sütiket a partnereink adhatják hozzá. Ezeket a Sütiket arra használhatják, hogy egy önről mintázott profilt képezzenek mellyel személyre szabott információt jeleníthetnek meg Önnek. Önről személyes információt nem tárolunk, kizárólag a böngészőjéről és eszközéről. Ha nem fogadja el ezeket a Sütiket, egy általános tapasztalata lesz, nem személyre szabott.