MOLEX
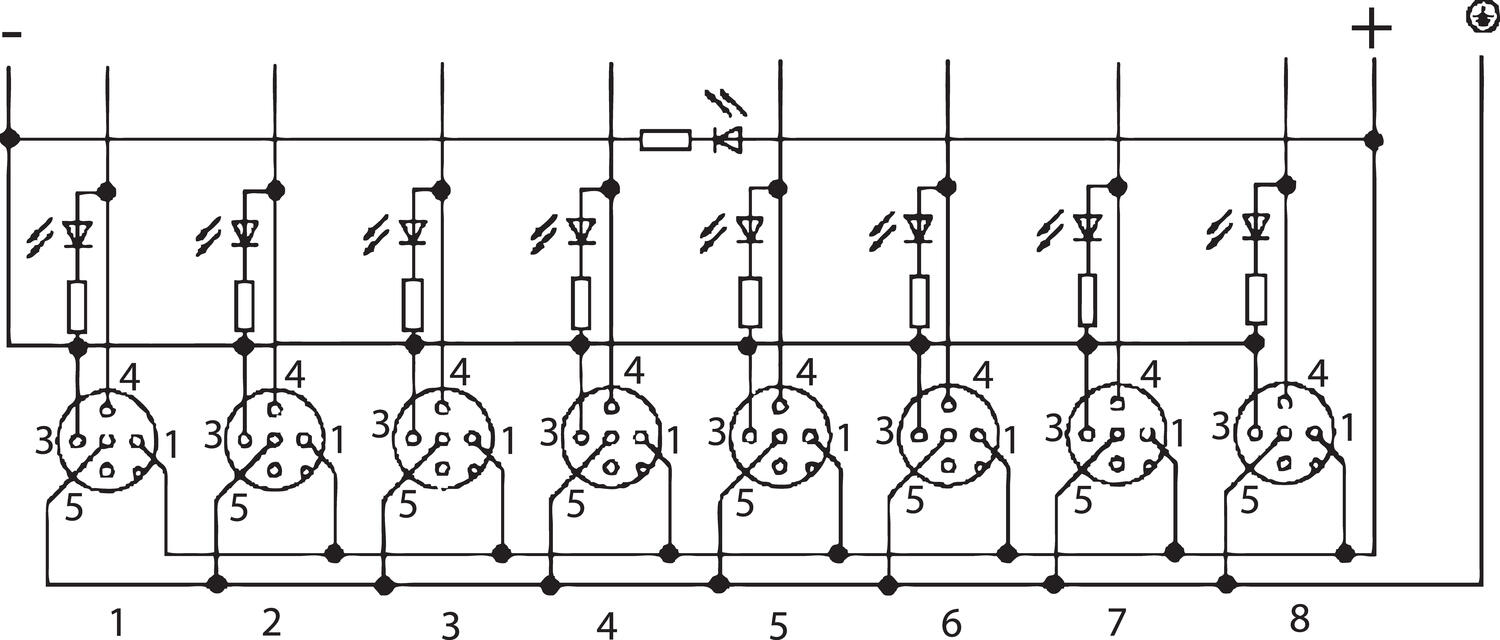
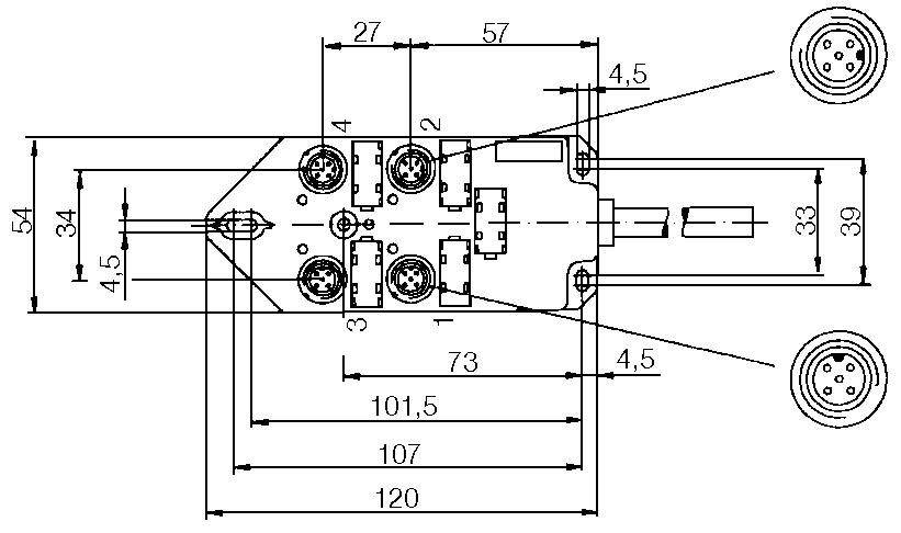
A Brad Harrison elosztódoboz egyszerűbbé teszi az induktív érzékelők, optikai érzékelők, mágnesszelepek, nyomáskapcsolók, határhelyzet-kapcsolók stb. csatlakoztatását és kezelését. A LED-kijelzőnek és a nagy jelölőtáblának köszönhetően a funkciók gyorsan kezelhetők, üzemzavar esetén pedig rövidebb lesz a hibakeresés ideje.
UltraLock™ csatlakozórendszer – Elosztók és érintkezők új sorozata, amely a „csatlakoztatás lenyomással” elvre épül. A felhasználónak a csatlakoztatáshoz egyszerűen le kell nyomnia, a leválasztáshoz pedig fel kell húznia az adott csatlakozást. Menet nélküli kivitelének köszönhetően az UltraLock™ gyorsabban és egyszerűbben szerelhető, mint a hagyományos, menetes készülékek. Ennek köszönhetően javul a termelékenység és csökkennek a munkaerőköltségek.

Hibamentes bekötés – Az UltraLock™ rendszer még nehéz körülmények, pl. mozgó alkalmazások, mechanikai ütések és gépi rezgések esetében is hibamentes bekötést biztosít. A bekötés módja nagyrészt kizárja a laza csatlakozásokat, amelyeket mindig nehéz megtalálni és diagnosztizálni. Az ilyen hibák miatt kieső termelési idők jelentős pénzveszteséggel járnak. Ergonomikus kivitel – Az egyszerű „csatlakoztatás lenyomással” mozdulat kiváltja a menetes csatlakozások létesítéséhez szükséges monoton mozgást, és csökkenti a kopás miatti károsodások kockázatát is. Radiális tömítés – Az elosztódobozból, kábelezésből és érzékelőből álló UltraLock™ rendszer forradalmian új, radiális tömítése vízzáró csatlakozást (IP69) biztosít, még gyakori be- és kikapcsolás esetén is.

A hagyományos, menetes bekötések szerelésekor mindig forgatni kell az anyát. Ez sokszor nehéz művelet, például ha az érzékelő szűk helyen található, vagy több érintkezőt kell szorosan szerelni. Az UltraLock™ kábelek, az elosztódoboz és a kompatibilis érzékelő összeszereléséhez egyetlen anyát sem kell becsavarni. Egyszerűen meg kell fogni az érintkező „testét”, le kell nyomni, és ezzel már létre is jött és reteszelődve marad a csatlakozás.


Beöntött kábellel (szimpla I/O) | ||
Kábel színe | Portszám | Tű |
Barna(+) | 1–8 | (1) |
Kék (-) | 1–8 | (3) |
Sárga-zöld | 1–8 | (5) |
Fehér | 1 | (4) |
Zöld | 2 | (4) |
Sárga | 3 | (4) |
Szürke | 4 | (4) |
Rózsaszín | 5 | (4) |
Vörös | 6 | (4) |
Fekete | 7 | (4) |
Ibolya | 8 | (4) |
Beöntött kábellel (iker I/O) | ||
Kábel színe | Portszám | Tű |
Barna (+) | 1–8 | (1) |
Kék (-) | 1–8 | (3) |
Sárga-zöld ( ) | 1–8 | (5) |
Szürke-rózsaszín | 1 | (2) |
Fehér | 1 | (4) |
Vörös-kék | 2 | (2) |
Zöld | 2 | (4) |
Fehér-zöld | 3 | (2) |
Sárga | 3 | (4) |
Barna-zöld | 4 | (2) |
Szürke | 4 | (4) |
Fehér-sárga | 5 | (2) |
Rózsaszín | 5 | (4) |
Sárga-barna | 6 | (2) |
Vörös | 6 | (4) |
Fehér-szürke | 7 | (2) |
Fekete | 7 | (4) |
Szürke-barna | 8 | (2) |
Ibolya | 8 | (4) |
Kapoccsal (iker I/O) | ||
Kapocs | Portszám | Tű |
17 (+) | 1–8 | (1) |
18 (-) | 1–8 | (3) |
19 ( ) | 1–8 | (5) |
9 | 1 | (2) |
1 | 1 | (4) |
10 | 2 | (2) |
2 | 2 | (4) |
11 | 3 | (2) |
3 | 3 | (4) |
12 | 4 | (2) |
4 | 4 | (4) |
13 | 5 | (2) |
5 | 5 | (4) |
14 | 6 | (2) |
6 | 6 | (4) |
15 | 7 | (2) |
7 | 7 | (4) |
16 | 8 | (2) |
8 | 8 | (4) |
| Csatlakozó anyaga | Fém |
|---|---|
| Hajtólánc tesztelve | Nem |
| Kábelhossz | 10 m |
| Kódolás | A |
| LED-kijelzés | Igen |
| Max. tápfeszültség, DC | 30 V DC |
| Max. üzemi hőmérséklet | 85 °C |
| Min. tápfeszültség, DC | 10 V DC |
| Min. üzemi hőmérséklet | -25 °C |
| Portok száma | 4 pc |
| Színes ház | Sárga |
| Színes vezeték | Fekete |
A Brad Harrison elosztódoboz egyszerűbbé teszi az induktív érzékelők, optikai érzékelők, mágnesszelepek, nyomáskapcsolók, határhelyzet-kapcsolók stb. csatlakoztatását és kezelését. A LED-kijelzőnek és a nagy jelölőtáblának köszönhetően a funkciók gyorsan kezelhetők, üzemzavar esetén pedig rövidebb lesz a hibakeresés ideje.
UltraLock™ csatlakozórendszer – Elosztók és érintkezők új sorozata, amely a „csatlakoztatás lenyomással” elvre épül. A felhasználónak a csatlakoztatáshoz egyszerűen le kell nyomnia, a leválasztáshoz pedig fel kell húznia az adott csatlakozást. Menet nélküli kivitelének köszönhetően az UltraLock™ gyorsabban és egyszerűbben szerelhető, mint a hagyományos, menetes készülékek. Ennek köszönhetően javul a termelékenység és csökkennek a munkaerőköltségek.

Hibamentes bekötés – Az UltraLock™ rendszer még nehéz körülmények, pl. mozgó alkalmazások, mechanikai ütések és gépi rezgések esetében is hibamentes bekötést biztosít. A bekötés módja nagyrészt kizárja a laza csatlakozásokat, amelyeket mindig nehéz megtalálni és diagnosztizálni. Az ilyen hibák miatt kieső termelési idők jelentős pénzveszteséggel járnak. Ergonomikus kivitel – Az egyszerű „csatlakoztatás lenyomással” mozdulat kiváltja a menetes csatlakozások létesítéséhez szükséges monoton mozgást, és csökkenti a kopás miatti károsodások kockázatát is. Radiális tömítés – Az elosztódobozból, kábelezésből és érzékelőből álló UltraLock™ rendszer forradalmian új, radiális tömítése vízzáró csatlakozást (IP69) biztosít, még gyakori be- és kikapcsolás esetén is.

A hagyományos, menetes bekötések szerelésekor mindig forgatni kell az anyát. Ez sokszor nehéz művelet, például ha az érzékelő szűk helyen található, vagy több érintkezőt kell szorosan szerelni. Az UltraLock™ kábelek, az elosztódoboz és a kompatibilis érzékelő összeszereléséhez egyetlen anyát sem kell becsavarni. Egyszerűen meg kell fogni az érintkező „testét”, le kell nyomni, és ezzel már létre is jött és reteszelődve marad a csatlakozás.


Beöntött kábellel (szimpla I/O) | ||
Kábel színe | Portszám | Tű |
Barna(+) | 1–8 | (1) |
Kék (-) | 1–8 | (3) |
Sárga-zöld | 1–8 | (5) |
Fehér | 1 | (4) |
Zöld | 2 | (4) |
Sárga | 3 | (4) |
Szürke | 4 | (4) |
Rózsaszín | 5 | (4) |
Vörös | 6 | (4) |
Fekete | 7 | (4) |
Ibolya | 8 | (4) |
Beöntött kábellel (iker I/O) | ||
Kábel színe | Portszám | Tű |
Barna (+) | 1–8 | (1) |
Kék (-) | 1–8 | (3) |
Sárga-zöld ( ) | 1–8 | (5) |
Szürke-rózsaszín | 1 | (2) |
Fehér | 1 | (4) |
Vörös-kék | 2 | (2) |
Zöld | 2 | (4) |
Fehér-zöld | 3 | (2) |
Sárga | 3 | (4) |
Barna-zöld | 4 | (2) |
Szürke | 4 | (4) |
Fehér-sárga | 5 | (2) |
Rózsaszín | 5 | (4) |
Sárga-barna | 6 | (2) |
Vörös | 6 | (4) |
Fehér-szürke | 7 | (2) |
Fekete | 7 | (4) |
Szürke-barna | 8 | (2) |
Ibolya | 8 | (4) |
Kapoccsal (iker I/O) | ||
Kapocs | Portszám | Tű |
17 (+) | 1–8 | (1) |
18 (-) | 1–8 | (3) |
19 ( ) | 1–8 | (5) |
9 | 1 | (2) |
1 | 1 | (4) |
10 | 2 | (2) |
2 | 2 | (4) |
11 | 3 | (2) |
3 | 3 | (4) |
12 | 4 | (2) |
4 | 4 | (4) |
13 | 5 | (2) |
5 | 5 | (4) |
14 | 6 | (2) |
6 | 6 | (4) |
15 | 7 | (2) |
7 | 7 | (4) |
16 | 8 | (2) |
8 | 8 | (4) |
Az OEM Automatic Kft. csapata sikeresen részt vett a 2025. május 13–16. között megrendezett IPAR NAPJAI Nemzetközi Ipari Szakkiállításon.
Az UAM-05 a világ legkisebb biztonsági lézerszkennere. A világ legintelligensebbje is. Mindössze 80x80x95 mm-es az építési mérete és kézfejtől a testpáncélig választható felbontással (30, 40, 50, 70 és 150 mm) rendelkezik.
Az iparágak széles körét látjuk el gépbiztonsági termékekkel, például biztonsági vezérlőkkel, reteszelésekkel, fénysorompókkal, vezérlőegységekkel, biztonsági kerítésekkel, valamint biztonsági érzékelőkkel és vezeték nélküli biztonsági rendszerekkel.
Az Autonics az automatizálási megoldások vezető szolgáltatója.
Termékeinket a mérnökök különböző ipari alkalmazásokban bíznak és alkalmazzák, beleértve az élelmiszer-gyártást és csomagolást, a műanyag- és gumifeldolgozást, a félvezető berendezéseket és a fémmegmunkáló gépeket.
A Tele Radio a biztonságos vezeték nélküli és rádiós távvezérlés szakértője. Fő tevékenységi területeik az ipari, ipari-, felvonó-, mobil-, ajtó-, kapu- és sorompó alkalmazások. Hidraulikus gépekhez is kínálnak távvezérlést.
Speciális termékterületeinkkel élvonalbeli szakértelemmel és széles termékválasztékkal rendelkezünk, hogy megkönnyítsük Önnek a lépést a digitális világba. Itt megtudhatja, hogyan
|
|
|
|
|
|
||
|---|---|---|---|---|---|---|
|
|
|
|
|
|
||
|
|
|
|
|
|
||
|
|
|
|
|
|
||
|
|
|
|
|
|
||
|
|
|
|
|
|
||
|
|
|
|
|
|
| Változatok | Csatlakozás | Hajtólánc tesztelve | IP-osztály | Kábelcsatlakozás | Kábelhossz | Max. teljesítmény/port | Max. teljesítmény/tot. | Portok száma | Színes vezeték | Ár | ||
|---|---|---|---|---|---|---|---|---|---|---|---|---|
|
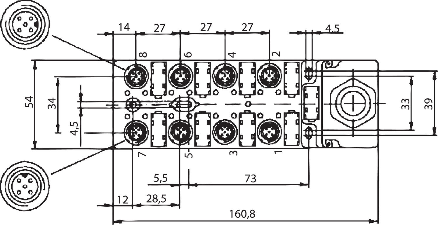
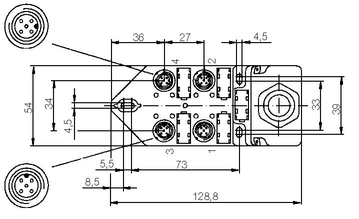
Elágazódoboz, M12, 4 port, 10 m, PUR
Cikkszám
BKY400PFBP10
Másolva
|
|
Nem
|
|
|
10 m
|
|
|
4 pc
|
Fekete
|
| ||
|
Elágazódoboz, M12, 4 port, dupla, 10 m, PUR
Cikkszám
BKY405PFBP10
Másolva
|
M12, Ultra-Lock
|
Nem
|
IP67, IP68, IP69K
|
|
10 m
|
2 A
|
12 A
|
4 pc
|
Fekete
|
| ||
|
Elágazódoboz, M12, 8 port, 10 m, PUR
Cikkszám
BKY800PFBP10
Másolva
|
M12, Ultra-Lock
|
Nem
|
IP67, IP68, IP69K
|
|
10 m
|
2 A
|
12 A
|
8 pc
|
Fekete
|
| ||
|
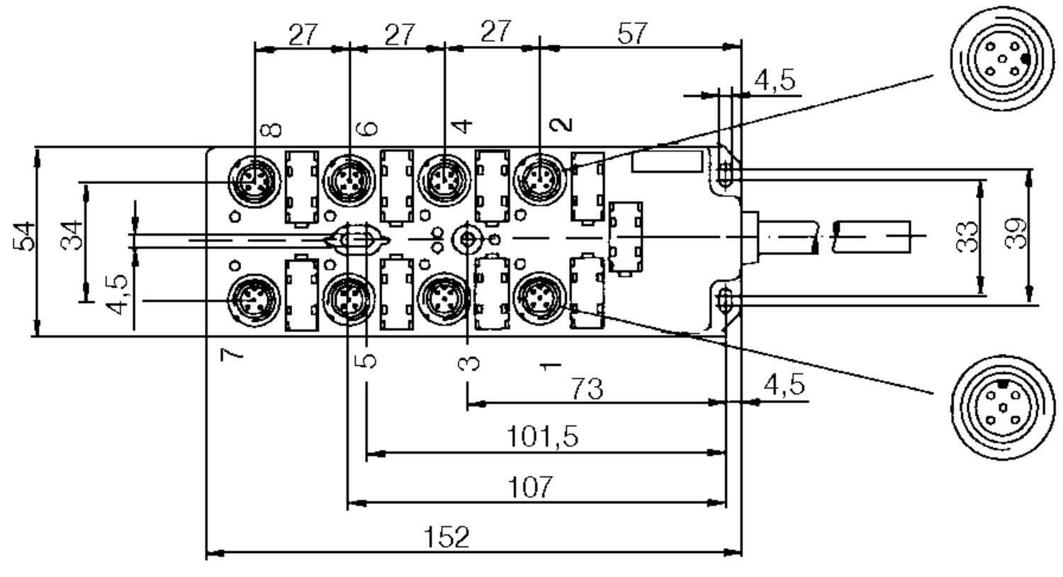
Elágazódoboz, M12, 8 port, dupla, 10 m, PUR
Cikkszám
BKY805PFBP10
Másolva
|
M12, Ultra-Lock
|
Nem
|
IP67, IP68, IP69K
|
|
10 m
|
2 A
|
12 A
|
8 pc
|
Fekete
|
| ||
|
ULTRA-F/SZER-4V-8I/O-PNP-FA
Cikkszám
BKY403PFBA
Másolva
|
M12, Ultra-Lock
|
|
IP67
|
Huzalvégződés
|
|
2 A
|
12 A
|
4 pc
|
|
| ||
|
ULTRA-F/SZER-8V-16I/O-PNP-FA
Cikkszám
BKY803PFBA
Másolva
|
M12, Ultra-Lock
|
|
IP67
|
Huzalvégződés
|
|
2 A
|
12 A
|
8 pc
|
|
|
Válassza ki az egyik változatot a listából