LOVATO

Megszakítók P2MB

A megszakítókat elsősorban a kábelek és vezetékek túlterhelésének és rövidzárlatának védelmére használják. A biztosíték két külön kioldólehetőséggel működik, a hőkioldóval a túlterhelés elleni védelem érdekében, a mágneses pedig rövidzárlat ellen. A B-jellemző alkalmas könnyű induktív terheléseknél való használatra, ahol a csatlakozási csúcs alacsony, például hőterhelés, valamint olyan alkalmazásokban, ahol hosszabb kábelek vannak a trigger feltételének való megfelelés érdekében. Elsősorban kábel- és vezetékvédelemre használják a világító- és vezérlőáramkörökben. A pillanatnyi 3-5xIn.C karakterisztika alkalmas általánosabb terhelések, például világítás, fali aljzatok és kis motorok esetén történő használatra. Kábel- és vezetékvédelemre használják, kevesebb kapcsolási árammal rendelkező készülékekkel. Az azonnali váltó 5-10xIn.D jellemző alkalmas olyan terheléseknél való használatra, amelyek nagy kapcsolási tüskéket biztosítanak, mint például transzformátor hegesztőberendezések, kisülési lámpák és nagyobb motorok. Pillanatnyi magömlés 10-14xIn. A Lovato megszakítók 1, 1 + N, 2, 3 és 4 pólusban kaphatók, cURus - E359585, IEC / EN 60947-2UL 1077, CSA C22.2 no 235 fájl. A megszakítók is lezárhatók, és jelzővel jelezhetik az állapotot. A tartozékok kiegészítő csatlakozóként, alulfeszültség-kioldóként és söntkioldóként kaphatók.
Bővebben
  • 80 A-tól 125-ig
  • Max. rövidzárlati áram 10 kA
  • Vizuális jelzés

Kiválasztott változat

izé

Kiválasztott változat

Műszaki adatok

Characteristic (CVL) C
Cross section 2,5-50 mm²
IP-osztály IP20
Isolation Voltage Max 400
Jóváhagyások CE, IEC, RoHS, UL
Kiszerelés 9 pc
Max. meghúzási nyomaték 3
Max. tárolási hőmérséklet 80 °C
Min. tárolási hőmérséklet -40 °C
Momentary release 5-10 x In
Névleges áramerősség 80 A
Number Of Cycles 10000
Operating temperature from -35 °C
Operating temperature to 75 °C
Oszlopok száma 1
Rated voltage 1, 1 + N 230 V 50/60 Hz <60 V DC
Rated voltage 2-4 poles 230/400
Surge 6000 V
Tömeg 0,166 kg

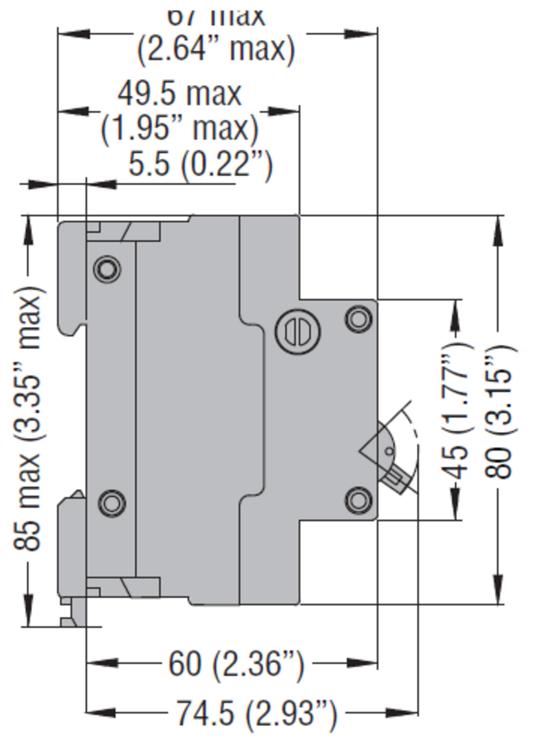
Mérések és kapcsolatok

Termékleírás

A megszakítókat elsősorban a kábelek és vezetékek túlterhelésének és rövidzárlatának védelmére használják. A biztosíték két külön kioldólehetőséggel működik, a hőkioldóval a túlterhelés elleni védelem érdekében, a mágneses pedig rövidzárlat ellen. A B-jellemző alkalmas könnyű induktív terheléseknél való használatra, ahol a csatlakozási csúcs alacsony, például hőterhelés, valamint olyan alkalmazásokban, ahol hosszabb kábelek vannak a trigger feltételének való megfelelés érdekében. Elsősorban kábel- és vezetékvédelemre használják a világító- és vezérlőáramkörökben. A pillanatnyi 3-5xIn.C karakterisztika alkalmas általánosabb terhelések, például világítás, fali aljzatok és kis motorok esetén történő használatra. Kábel- és vezetékvédelemre használják, kevesebb kapcsolási árammal rendelkező készülékekkel. Az azonnali váltó 5-10xIn.D jellemző alkalmas olyan terheléseknél való használatra, amelyek nagy kapcsolási tüskéket biztosítanak, mint például transzformátor hegesztőberendezések, kisülési lámpák és nagyobb motorok. Pillanatnyi magömlés 10-14xIn. A Lovato megszakítók 1, 1 + N, 2, 3 és 4 pólusban kaphatók, cURus - E359585, IEC / EN 60947-2UL 1077, CSA C22.2 no 235 fájl. A megszakítók is lezárhatók, és jelzővel jelezhetik az állapotot. A tartozékok kiegészítő csatlakozóként, alulfeszültség-kioldóként és söntkioldóként kaphatók.

Kiegészítők

Iparinapjai
Termékhírek

Ipar napjai 2025

Az OEM Automatic Kft. csapata sikeresen részt vett a 2025. május 13–16. között megrendezett IPAR NAPJAI Nemzetközi Ipari Szakkiállításon.

s
Termékhírek

Seifert Systems

A Seifert Systems több mint fél évszázada élen jár az innovatív hűtési megoldások kifejlesztésében, amelyek a világ különböző iparágainak különféle igényeit elégítik ki.

SSP
Termékhírek

SSP - A biztonsági megoldások legújabb generációja

Az iparágak széles körét látjuk el gépbiztonsági termékekkel, például biztonsági vezérlőkkel, reteszelésekkel, fénysorompókkal, vezérlőegységekkel, biztonsági kerítésekkel, valamint biztonsági érzékelőkkel és vezeték nélküli biztonsági rendszerekkel.

aut
Termékhírek

Az Autonics hivatalos Magyarországi képviselői lettünk.

Az Autonics az automatizálási megoldások vezető szolgáltatója.
Termékeinket a mérnökök különböző ipari alkalmazásokban bíznak és alkalmazzák, beleértve az élelmiszer-gyártást és csomagolást, a műanyag- és gumifeldolgozást, a félvezető berendezéseket és a fémmegmunkáló gépeket.

puls
Termékhírek

PULS több fázisú tápegységek

A PULS a DIN-sínes tápegységek fejlesztésére és gyártására specializálódott. A magántulajdonban lévő és irányított vállalat úttörő szelleméről ismert, a tökéletesség és az innovatív ötletek iránt elkötelezett.

Tudás

IIOT - Ha digitalizálni akarja vállalkozását

Speciális termékterületeinkkel élvonalbeli szakértelemmel és széles termékválasztékkal rendelkezünk, hogy megkönnyítsük Önnek a lépést a digitális világba. Itt megtudhatja, hogyan

Változatok Characteristic (CVL) Kiszerelés Max. tápfeszültség, DC Max. üzemi hőmérséklet Min. üzemi hőmérséklet Momentary release Névleges áramerősség Operating temperature from Operating temperature to Oszlopok száma Rated voltage 1, 1 + N Rated voltage 2-4 poles Tömeg Ár
C
9 pc
5-10 x In
80 A
-35 °C
75 °C
1
230 V 50/60 Hz <60 V DC
230/400
0,166 kg
C
9 pc
5-10 x In
100 A
-35 °C
75 °C
1
230 V 50/60 Hz <60 V DC
230/400
0,166 kg
C
9 pc
5-10 x In
125 A
-35 °C
75 °C
1
230 V 50/60 Hz <60 V DC
230/400
0,166 kg
C
4 pc
60 V DC
5-10 x In
80 A
-35 °C
75 °C
2
230 V 50/60 Hz <60 V DC
230/400
0,34 kg
C
4 pc
60 V DC
5-10 x In
100 A
-35 °C
75 °C
2
230 V 50/60 Hz <60 V DC
230/400
0,34 kg
C
4 pc
60 V DC
5-10 x In
125 A
2
230/400
0,34 kg
C
3 pc
60 V DC
5-10 x In
80 A
-35 °C
75 °C
3
230 V 50/60 Hz <60 V DC
230/400
0,51 kg
C
3 pc
60 V DC
5-10 x In
100 A
-35 °C
75 °C
3
230 V 50/60 Hz <60 V DC
230/400
0,51 kg
C
3 pc
75 °C
-35 °C
5-10 x In
125 A
3
230/400 V 50/60 Hz
0,51 kg
D
3 pc
60 V DC
10-14xIn
80 A
-35 °C
75 °C
3
230 V 50/60 Hz <60 V DC
230/400
0,51 kg
D
3 pc
60 V DC
10-14xIn
100 A
-35 °C
75 °C
3
230 V 50/60 Hz <60 V DC
230/400
0,51 kg
D
3 pc
60 V DC
10-14xIn
125 A
-35 °C
75 °C
3
230 V 50/60 Hz <60 V DC
230/400
0,51 kg
C
2 pc
60 V DC
5-10 x In
80 A
-35 °C
75 °C
4
230 V 50/60 Hz <60 V DC
230/400
0,68 kg
C
2 pc
60 V DC
5-10 x In
100 A
-35 °C
75 °C
4
230 V 50/60 Hz <60 V DC
230/400
0,68 kg
C
2 pc
60 V DC
5-10 x In
125 A
-35 °C
75 °C
4
230 V 50/60 Hz <60 V DC
230/400
0,68 kg
D
2 pc
60 V DC
10-14xIn
80 A
-35 °C
75 °C
4
230 V 50/60 Hz <60 V DC
230/400
0,68 kg
D
2 pc
60 V DC
10-14xIn
100 A
-35 °C
75 °C
4
230 V 50/60 Hz <60 V DC
230/400
0,68 kg
D
2 pc
60 V DC
10-14xIn
125 A
-35 °C
75 °C
4
230 V 50/60 Hz <60 V DC
230/400
0,68 kg

Kiválasztott változat

Válassza ki az egyik változatot a listából

Ügyfélszolgálat
Hívjon minket bátran ha kérdése van.
Segítségre van szüksége?
Logo

Süti beállítások oemautomatic.hu

A Sütik segítenek javítani az Ön élményét velünk, tehát a belépési adatok kezelésében, személyre szabott tartalom megjelenítésében és néhány alapvető funkcióban Sütiket használunk.

Sosem fogjuk az ön információit eladni.

Elfogadhatja az összes Sütit vagy személyre szabhatja a Süti beállításait, ezeket a beállításokat az elérhetőség oldalunkon tudja változtatni.

Szükséges Sütik

Ezek a Sütik szükségesek az oldal működéséhez ezért ezeket nem lehet kikapcsolni a rendszerünkben. Csak az Ön kéréseire/lépéseire adnak választ a szerverünkről például beállítások megadása, belépéskor és adatkitöltéskor.

Analízis és mérési Sütik

Ezek a Sütik engedik, hogy vizsgáljuk az oldal látogatottságát és javítsuk annak teljesítményét. Megmutatják, hogy melyik lapok a többet, illetve kevesebbet látogatottak, illetve miként használják a látogatók az oldalt. Az információ, amit a Sütik gyűjtenek összeadódnak ezért ez teljesen anonim módon történik. Ha nem fogadja el ezeket a Sütiket nem tudjuk járt az oldalon.

Marketing Sütik

Ezeket a Sütiket a partnereink adhatják hozzá. Ezeket a Sütiket arra használhatják, hogy egy önről mintázott profilt képezzenek mellyel személyre szabott információt jeleníthetnek meg Önnek. Önről személyes információt nem tárolunk, kizárólag a böngészőjéről és eszközéről. Ha nem fogadja el ezeket a Sütiket, egy általános tapasztalata lesz, nem személyre szabott.