CROUZET CONTROL

Plug in időzítő 11 Pin

Chronos 2 Széria

Crouzet időrelék négy különböző funkcióváltozatban, amelyekből a PU2R1 egy többfunkciós relé A, B, C, D, Di, H, At, Ht, Ac és Bw funkciókkal. A D/Di és Ac funkciók be- és kikapcsolási ideje megegyezik (kezelőszervvel állítható). Az L/Li funkció idői választhatók. Kétpólusú relékimenet, amelyekből az egyik késleltetéssel vagy azonnali érintkezéssel választható (csak a többfunkciós változat, U), vagyis az R2 a tápfeszültség bekapcsolásakor azonnal meghúz. Az R2 választókapcsolója a relé alsó szélén található. A vezérlőbemenettel (Y1) párhuzamosan lehetőség van külső terhelés csatlakoztatására. Az idő két választható skálán közvetlenül olvasható le. A zöld LED jelzi, ha a készülék feszültség alatt áll: időszámlálás közben villog. Sárga fény jelzi, ha a relé aktív. 11 pólusú foglalattal szerelhető. Nincs áthidalás más feszültségekhez.

A funkció
Késleltetett bekapcsolás

Ac funkció
Késleltetett be- és kikapcsolás

Ad funkció
Késleltetett bekapcsolás, külső jel

Function drawing

Function drawing

Function drawing

Ah funkció
Késleltetett bekapcsolás állítható üzemidővel

At funkció
Késleltetett bekapcsolás, összesített idő (blokkolás)

B funkció
Késleltetett kikapcsolás (beállítható impulzushossz)

Function drawing

Function drawing

Function drawing

Bw funkció
Késleltetett kikapcsolás (állítható impulzushossz/wisch)

C funkció
Késleltetett kikapcsolás

D funkció
Szünet- és üzemidő (azonos hosszúságú be- és kikapcsolási idő)

Function drawing

Function drawing

Function drawing

Di funkció
Szünet- és üzemidő (azonos hosszúságú be- és kikapcsolási idő)

H funkció
Fordított bekapcsolás

Ht funkció
Fordított bekapcsolás, összesített idő (blokkolás)

Function drawing D/Di

Function drawing H

Function drawing

L funkció
Szünet- és üzemidő (különböző hosszúságú be- és kikapcsolási idő)

Li funkció
Szünet- és üzemidő (különböző hosszúságú be- és kikapcsolási idő)

N funkció
Késleltetett kikapcsolás, biztonsági (safe-guard)

Function drawing

Function drawing D/Di

Function drawing

O
Késleltetett bekapcsolás, biztonsági (safe-guard)

P funkció
Késleltetett kikapcsolás állandó impulzussal (0,5 s)

Pt funkció
Késleltetett kikapcsolás, összesített idő állandó
impulzussal (0,5 s)

Function drawing

Function drawing

Function drawing

Tl funkció
Műszakrelé

Tt funkció
Késleltetett kikapcsolású műszakrelé

W funkció
Késleltetett kikapcsolás, impulzusvezérelt

Function drawing

Function drawing

Function drawing

 

 

 

 

 

Bővebben
  • Egy vagy több funkciós
  • Több időtartomány: 0.1 sec – 10 hr
  • Széles tartományú tápfeszültség opciók
  • 2 x 8A névleges relé érintkező

Kiválasztott változat

izé

Kiválasztott változat

Műszaki adatok

Felszerelés 11 tűs foglalat
Felvett teljesítmény 0,6 W
Funkció A – Késleltetés bekapcsolás közben, Ac – A vezérlőérintkező zárását és nyitását követő idő, At – Memóriával együtt történő bekapcsolás időzítése, B – Impulzus szerinti időzítés (monostabil), Bw – Impulzus kimenőteljesítménye (beállítható), C – Impulzust követő idő, D – Szimmetrikus villódzás, Di – Szimmetrikus villódzás, H – Bekapcsolás időzítése – impulzus kimenőteljesítménye, Ht – Memóriával együtt történő bekapcsolás késleltetése
Időtáv 0,1-1s, 1-10s, 6-60s, 1-10min, 6-60min, 1-10h, 10-100h
IP-osztály, csatlakozás IP20
IP-osztály, elülső oldal IP50
Jóváhagyások CE, Lloyd´s, RoHS, UL
Kábelkeresztmetszet hüvellyel együtt 2 x 1,5 mm²
Kábelkeresztmetszet hüvely nélkül 2 x 2,5 mm²
Kilépés Relé 2-polt vekslende
Max. kapcsolási áramerősség 8 A
Max. tárolási hőmérséklet 60 °C
Max. üzemi hőmérséklet 60 °C
Megismételhetőség 0,5 %
Megszakítókapacitás 2000 VA / 80W
Min. tárolási hőmérséklet -30 °C
Min. üzemi hőmérséklet -20 °C
Multi-function Igen
Relés kimenet 2 pólusú átváltós
Tápfeszültség 12-240V AC/DC
Válaszidő ki 120 ms
Várható mechanikai élettartam 10 x 10⁶ csatlakozó
Villamos élettartam 10⁵ csatlakozó 8 A 250 V (rezisztív terhelés) mellett
Zárás késleltetése 30 ms

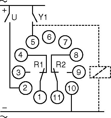
Mérések és kapcsolatok

Termékleírás

Crouzet időrelék négy különböző funkcióváltozatban, amelyekből a PU2R1 egy többfunkciós relé A, B, C, D, Di, H, At, Ht, Ac és Bw funkciókkal. A D/Di és Ac funkciók be- és kikapcsolási ideje megegyezik (kezelőszervvel állítható). Az L/Li funkció idői választhatók. Kétpólusú relékimenet, amelyekből az egyik késleltetéssel vagy azonnali érintkezéssel választható (csak a többfunkciós változat, U), vagyis az R2 a tápfeszültség bekapcsolásakor azonnal meghúz. Az R2 választókapcsolója a relé alsó szélén található. A vezérlőbemenettel (Y1) párhuzamosan lehetőség van külső terhelés csatlakoztatására. Az idő két választható skálán közvetlenül olvasható le. A zöld LED jelzi, ha a készülék feszültség alatt áll: időszámlálás közben villog. Sárga fény jelzi, ha a relé aktív. 11 pólusú foglalattal szerelhető. Nincs áthidalás más feszültségekhez.

A funkció
Késleltetett bekapcsolás

Ac funkció
Késleltetett be- és kikapcsolás

Ad funkció
Késleltetett bekapcsolás, külső jel

Function drawing

Function drawing

Function drawing

Ah funkció
Késleltetett bekapcsolás állítható üzemidővel

At funkció
Késleltetett bekapcsolás, összesített idő (blokkolás)

B funkció
Késleltetett kikapcsolás (beállítható impulzushossz)

Function drawing

Function drawing

Function drawing

Bw funkció
Késleltetett kikapcsolás (állítható impulzushossz/wisch)

C funkció
Késleltetett kikapcsolás

D funkció
Szünet- és üzemidő (azonos hosszúságú be- és kikapcsolási idő)

Function drawing

Function drawing

Function drawing

Di funkció
Szünet- és üzemidő (azonos hosszúságú be- és kikapcsolási idő)

H funkció
Fordított bekapcsolás

Ht funkció
Fordított bekapcsolás, összesített idő (blokkolás)

Function drawing D/Di

Function drawing H

Function drawing

L funkció
Szünet- és üzemidő (különböző hosszúságú be- és kikapcsolási idő)

Li funkció
Szünet- és üzemidő (különböző hosszúságú be- és kikapcsolási idő)

N funkció
Késleltetett kikapcsolás, biztonsági (safe-guard)

Function drawing

Function drawing D/Di

Function drawing

O
Késleltetett bekapcsolás, biztonsági (safe-guard)

P funkció
Késleltetett kikapcsolás állandó impulzussal (0,5 s)

Pt funkció
Késleltetett kikapcsolás, összesített idő állandó
impulzussal (0,5 s)

Function drawing

Function drawing

Function drawing

Tl funkció
Műszakrelé

Tt funkció
Késleltetett kikapcsolású műszakrelé

W funkció
Késleltetett kikapcsolás, impulzusvezérelt

Function drawing

Function drawing

Function drawing

 

 

 

 

 

Kiegészítők

Iparinapjai
Termékhírek

Ipar napjai 2025

Az OEM Automatic Kft. csapata sikeresen részt vett a 2025. május 13–16. között megrendezett IPAR NAPJAI Nemzetközi Ipari Szakkiállításon.

s
Termékhírek

Seifert Systems

A Seifert Systems több mint fél évszázada élen jár az innovatív hűtési megoldások kifejlesztésében, amelyek a világ különböző iparágainak különféle igényeit elégítik ki.

SSP
Termékhírek

SSP - A biztonsági megoldások legújabb generációja

Az iparágak széles körét látjuk el gépbiztonsági termékekkel, például biztonsági vezérlőkkel, reteszelésekkel, fénysorompókkal, vezérlőegységekkel, biztonsági kerítésekkel, valamint biztonsági érzékelőkkel és vezeték nélküli biztonsági rendszerekkel.

aut
Termékhírek

Az Autonics hivatalos Magyarországi képviselői lettünk.

Az Autonics az automatizálási megoldások vezető szolgáltatója.
Termékeinket a mérnökök különböző ipari alkalmazásokban bíznak és alkalmazzák, beleértve az élelmiszer-gyártást és csomagolást, a műanyag- és gumifeldolgozást, a félvezető berendezéseket és a fémmegmunkáló gépeket.

puls
Termékhírek

PULS több fázisú tápegységek

A PULS a DIN-sínes tápegységek fejlesztésére és gyártására specializálódott. A magántulajdonban lévő és irányított vállalat úttörő szelleméről ismert, a tökéletesség és az innovatív ötletek iránt elkötelezett.

Tudás

IIOT - Ha digitalizálni akarja vállalkozását

Speciális termékterületeinkkel élvonalbeli szakértelemmel és széles termékválasztékkal rendelkezünk, hogy megkönnyítsük Önnek a lépést a digitális világba. Itt megtudhatja, hogyan

Változatok Funkció Multi-function Tápfeszültség Ár
A – Késleltetés bekapcsolás közben, Ac – A vezérlőérintkező zárását és nyitását követő idő, At – Memóriával együtt történő bekapcsolás időzítése, B – Impulzus szerinti időzítés (monostabil), Bw – Impulzus kimenőteljesítménye (beállítható), C – Impulzust követő idő, D – Szimmetrikus villódzás, Di – Szimmetrikus villódzás, H – Bekapcsolás időzítése – impulzus kimenőteljesítménye, Ht – Memóriával együtt történő bekapcsolás késleltetése
Igen
12-240V AC/DC
A – Késleltetés bekapcsolás közben, Ac – A vezérlőérintkező zárását és nyitását követő idő, At – Memóriával együtt történő bekapcsolás időzítése, B – Impulzus szerinti időzítés (monostabil), Bw – Impulzus kimenőteljesítménye (beállítható), C – Impulzust követő idő, D – Szimmetrikus villódzás, Di – Szimmetrikus villódzás, H – Bekapcsolás időzítése – impulzus kimenőteljesítménye, Ht – Memóriával együtt történő bekapcsolás késleltetése
Igen
24V DC / 24-240V AC
Ad – Késleltetés bekapcsolás közben (nincs visszaállítás), Ah – Monostabil multivibrátor (nincs visszaállítás), N – Biztonsági megoldás, O – Késleltetett biztonsági megoldás, P – Impulzusszámláló (0,5 s késleltetéssel), Pt – Impulzusszámláló (összesen), TL – Impulzusrelé, Tt – Időzített impulzusrelé, W – A vezérlőérintkező-impulzust követő idő
Igen
24V dc / 24-240V ac
A – Késleltetés bekapcsolás közben, At – Memóriával együtt történő bekapcsolás időzítése
Nem
24V DC / 24-240V AC
C – Impulzust követő idő
Nem
24V DC / 24-240V AC
L – Aszimmetrikus villódzás, Li – Aszimmetrikus villódzás
Nem
24V DC / 24-240V AC

Kiválasztott változat

Válassza ki az egyik változatot a listából

Ügyfélszolgálat
Hívjon minket bátran ha kérdése van.
Segítségre van szüksége?
Logo

Süti beállítások oemautomatic.hu

A Sütik segítenek javítani az Ön élményét velünk, tehát a belépési adatok kezelésében, személyre szabott tartalom megjelenítésében és néhány alapvető funkcióban Sütiket használunk.

Sosem fogjuk az ön információit eladni.

Elfogadhatja az összes Sütit vagy személyre szabhatja a Süti beállításait, ezeket a beállításokat az elérhetőség oldalunkon tudja változtatni.

Szükséges Sütik

Ezek a Sütik szükségesek az oldal működéséhez ezért ezeket nem lehet kikapcsolni a rendszerünkben. Csak az Ön kéréseire/lépéseire adnak választ a szerverünkről például beállítások megadása, belépéskor és adatkitöltéskor.

Analízis és mérési Sütik

Ezek a Sütik engedik, hogy vizsgáljuk az oldal látogatottságát és javítsuk annak teljesítményét. Megmutatják, hogy melyik lapok a többet, illetve kevesebbet látogatottak, illetve miként használják a látogatók az oldalt. Az információ, amit a Sütik gyűjtenek összeadódnak ezért ez teljesen anonim módon történik. Ha nem fogadja el ezeket a Sütiket nem tudjuk járt az oldalon.

Marketing Sütik

Ezeket a Sütiket a partnereink adhatják hozzá. Ezeket a Sütiket arra használhatják, hogy egy önről mintázott profilt képezzenek mellyel személyre szabott információt jeleníthetnek meg Önnek. Önről személyes információt nem tárolunk, kizárólag a böngészőjéről és eszközéről. Ha nem fogadja el ezeket a Sütiket, egy általános tapasztalata lesz, nem személyre szabott.