COMATRELECO

Időzítő modul C3 reléhez

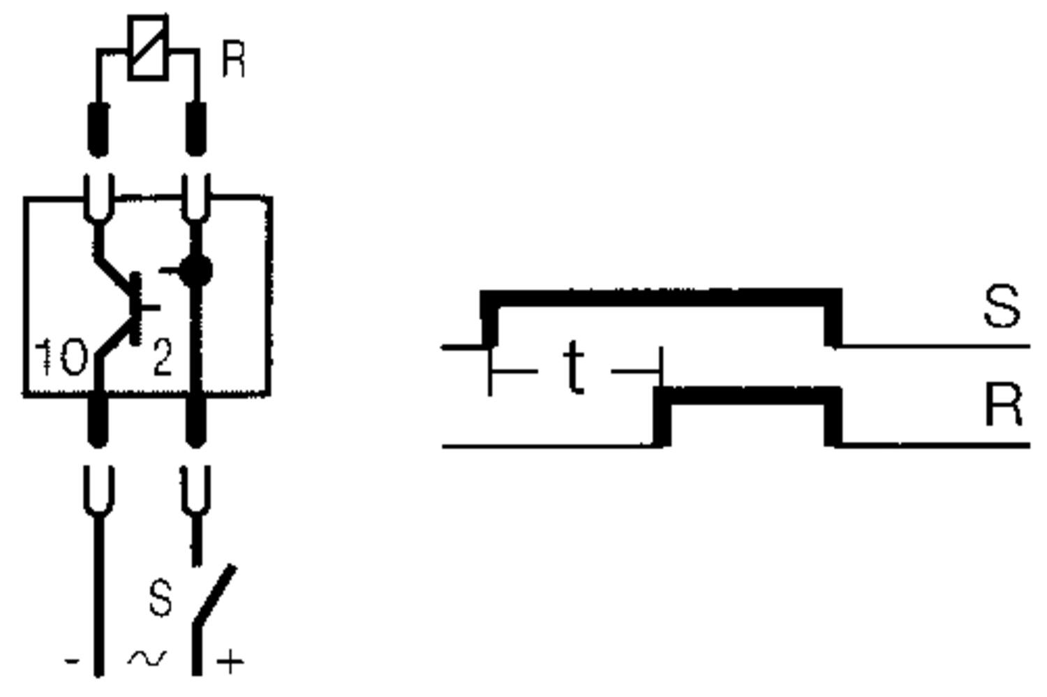
A C3 relé a 11 tűs relékhez való Timecube-bal és megfelelő foglalattal számos funkció ellátására képes.

Ezek egyike a bekapcsoláskésleltetés, ami azt jelenti, hogy a relé érintkezői a beállított idő (0,2 másodperctől 30 másodpercig) elteltével zárnak. Mindegyik időzítő 20–65 V, 90–150 V, 90–265 V és 180–265 V tartományban (váltakozó és egyenfeszültség) működik, a beállított funkciótól függően.

Bővebben
  • Provides 3 change-over contacts
  • Széles bemeneti feszültség tartomány, AC/DC
  • Multi-idő 0.2 s – 30 min.

Kiválasztott változat

izé

Kiválasztott változat

Műszaki adatok

Anyag Lexan
Bemeneti áramerősség névleges feszültségen, típus 6 mA
Helyreállítási idő 200 ms
Időtáv 0,2 s - 30 min
IP-osztály IP40
Jóváhagyások CE, CSA, RoHS, UL
Max. tárolási hőmérséklet 70 °C
Max. üzemi hőmérséklet 60 °C
Min. tárolási hőmérséklet -40 °C
Min. üzemi hőmérséklet -25 °C
Névleges feszültség 20-65 V AC/DC
Szivárgóáram ≤ 0.3 mA
Típus Késleltetett bekapcsolás
Tömeg 35 g
Válaszidő AC-80 ms / DC-50 ms

Letöltések

Mérések és kapcsolatok

Műszaki illusztrációk

Termékleírás

A C3 relé a 11 tűs relékhez való Timecube-bal és megfelelő foglalattal számos funkció ellátására képes.

Ezek egyike a bekapcsoláskésleltetés, ami azt jelenti, hogy a relé érintkezői a beállított idő (0,2 másodperctől 30 másodpercig) elteltével zárnak. Mindegyik időzítő 20–65 V, 90–150 V, 90–265 V és 180–265 V tartományban (váltakozó és egyenfeszültség) működik, a beállított funkciótól függően.

Kiegészítők

Iparinapjai
Termékhírek

Ipar napjai 2025

Az OEM Automatic Kft. csapata sikeresen részt vett a 2025. május 13–16. között megrendezett IPAR NAPJAI Nemzetközi Ipari Szakkiállításon.

s
Termékhírek

Seifert Systems

A Seifert Systems több mint fél évszázada élen jár az innovatív hűtési megoldások kifejlesztésében, amelyek a világ különböző iparágainak különféle igényeit elégítik ki.

SSP
Termékhírek

SSP - A biztonsági megoldások legújabb generációja

Az iparágak széles körét látjuk el gépbiztonsági termékekkel, például biztonsági vezérlőkkel, reteszelésekkel, fénysorompókkal, vezérlőegységekkel, biztonsági kerítésekkel, valamint biztonsági érzékelőkkel és vezeték nélküli biztonsági rendszerekkel.

aut
Termékhírek

Az Autonics hivatalos Magyarországi képviselői lettünk.

Az Autonics az automatizálási megoldások vezető szolgáltatója.
Termékeinket a mérnökök különböző ipari alkalmazásokban bíznak és alkalmazzák, beleértve az élelmiszer-gyártást és csomagolást, a műanyag- és gumifeldolgozást, a félvezető berendezéseket és a fémmegmunkáló gépeket.

puls
Termékhírek

PULS több fázisú tápegységek

A PULS a DIN-sínes tápegységek fejlesztésére és gyártására specializálódott. A magántulajdonban lévő és irányított vállalat úttörő szelleméről ismert, a tökéletesség és az innovatív ötletek iránt elkötelezett.

Tudás

IIOT - Ha digitalizálni akarja vállalkozását

Speciális termékterületeinkkel élvonalbeli szakértelemmel és széles termékválasztékkal rendelkezünk, hogy megkönnyítsük Önnek a lépést a digitális világba. Itt megtudhatja, hogyan

Változatok Bemeneti áramerősség névleges feszültségen, típus Névleges feszültség Szivárgóáram Típus Ár
6 mA
20-65 V AC/DC
≤ 0.3 mA
Késleltetett bekapcsolás
2 mA
90-265 V AC/DC
≤ 0.3 mA
késleltetett bekapcsolás
6 mA
20-65 V AC/DC
≤ 0.3 mA
Villogó funkció
2 mA
90-265 V AC/DC
≤ 0.3 mA
Villogó funkció
6 mA
20-65 V AC/DC
≤ 0.2 mA
Késleltetett kikapcsolás
2 mA
90-150 V AC/DC
≤ 0.2 mA
Késleltetett kikapcsolás
2 mA
180-265 V AC/DC
≤ 0.2 mA
Késleltetett kikapcsolás
6 mA
20-65 V AC/DC
≤ 0.2 mA
Késleltetett bekapcsolás, impulzusvezérelt
2 mA
90-150 V AC/DC
≤ 0.2 mA
Késleltetett bekapcsolás, impulzusvezérelt
6 mA
180-265 V AC/DC
≤ 0.2 mA
Késleltetett bekapcsolás, impulzusvezérelt

Kiválasztott változat

Válassza ki az egyik változatot a listából

Ügyfélszolgálat
Hívjon minket bátran ha kérdése van.
Segítségre van szüksége?
Logo

Süti beállítások oemautomatic.hu

A Sütik segítenek javítani az Ön élményét velünk, tehát a belépési adatok kezelésében, személyre szabott tartalom megjelenítésében és néhány alapvető funkcióban Sütiket használunk.

Sosem fogjuk az ön információit eladni.

Elfogadhatja az összes Sütit vagy személyre szabhatja a Süti beállításait, ezeket a beállításokat az elérhetőség oldalunkon tudja változtatni.

Szükséges Sütik

Ezek a Sütik szükségesek az oldal működéséhez ezért ezeket nem lehet kikapcsolni a rendszerünkben. Csak az Ön kéréseire/lépéseire adnak választ a szerverünkről például beállítások megadása, belépéskor és adatkitöltéskor.

Analízis és mérési Sütik

Ezek a Sütik engedik, hogy vizsgáljuk az oldal látogatottságát és javítsuk annak teljesítményét. Megmutatják, hogy melyik lapok a többet, illetve kevesebbet látogatottak, illetve miként használják a látogatók az oldalt. Az információ, amit a Sütik gyűjtenek összeadódnak ezért ez teljesen anonim módon történik. Ha nem fogadja el ezeket a Sütiket nem tudjuk járt az oldalon.

Marketing Sütik

Ezeket a Sütiket a partnereink adhatják hozzá. Ezeket a Sütiket arra használhatják, hogy egy önről mintázott profilt képezzenek mellyel személyre szabott információt jeleníthetnek meg Önnek. Önről személyes információt nem tárolunk, kizárólag a böngészőjéről és eszközéről. Ha nem fogadja el ezeket a Sütiket, egy általános tapasztalata lesz, nem személyre szabott.