CROUZET CONTROL
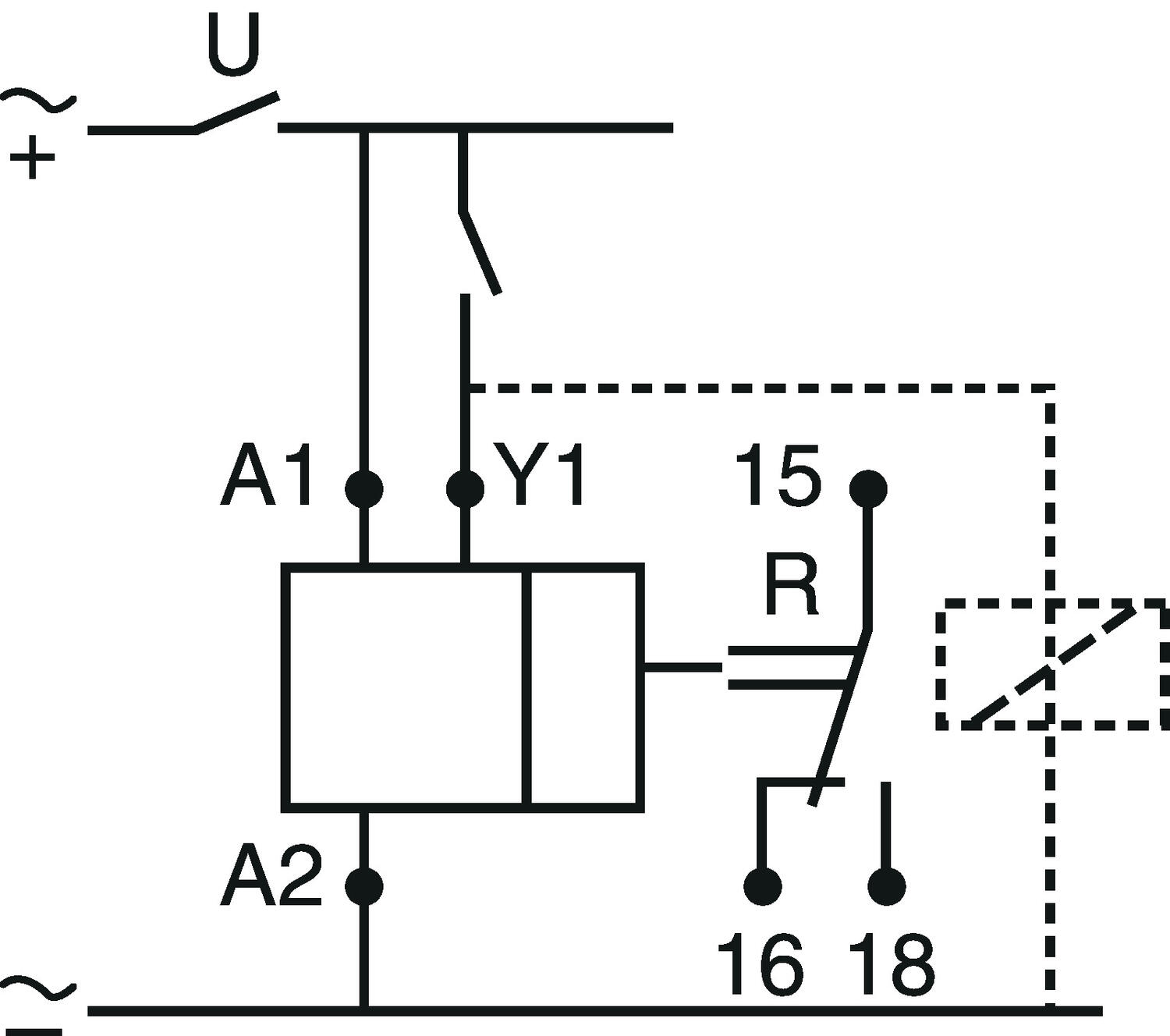
A Syr-Line a Crouzet új, kompakt időrelé-sorozata, amely illeszkedik a szabványos tokozatba. Az egypólusú időrelék végzik a megszakítást
16 A (AC1), és a kétpólusúak alkalmasak a 2 x 8 A-hez (AC1). Az egy- és kétpólusú modellek mindössze 17,5 mm szélesek.
A BM1R és a BM2R többfunkciós relé 12 különböző állítható funkcióval.
A BM2R-nél a 2 (R2) reléérintkező beállítható úgy, hogy kövesse az időzítést, vagy pedig az időrelé tápfeszültsége aktiválja.
A BL1R és a BL2R szünet/üzemidő funkcióval rendelkezik, a szünet és az üzemidő pedig külön beállítható.
A vezérlőbemenettel (Y1) párhuzamosan lehetőség van külső terhelés csatlakoztatására. A zöld LED jelzi, ha a készülék feszültség alatt áll (időszámlálás közben villog). A sárga dióda jelzi, ha a relé aktív. Minden modell többfeszültségű (12–240 V AC/DC).
A Syr-Line sorozat átlátszó védősapkával rendelkezik a beállítógombok fölött, hogy megakadályozza az akaratlan módosításokat.
A védősapka könnyen eltávolítható, ha gyakran módosítja a beállításokat, és könnyebb hozzáférést szeretne.
Az alábbi táblázatban megtalálja az egyes funkciók leírását.
A funkció | |
| Késleltetett bekapcsolás, rögzített jel |
Ac funkció | |
| Kombinált késleltetett be- és kikapcsolás Üzemi feszültség A1-A2 csatlakoztatva. Amikor az Y1 zár, akkor kezdődik az első időszámlálás. |
At funkció | |
| Bekapcsolási késleltetés összegzéssel, impulzusvezérelt |
B funkció | |
| Állítható impulzushossz |
C funkció | |
| Késleltetett kikapcsolás |
D funkció | |
| Villogó relé |
Di funkció | |
| Fordított villogó relé |
H funkció | |
| Fordított késleltetett bekapcsolás |
Ht funkció | |
| Fordított késleltetett bekapcsolás összegzéssel, impulzusvezérelt |
N funkció | |
| Safe-Guard kikapcsolási késleltetés |
TL funkció | |
| Műszakrelé (bistabil) |
Tt funkció | |
| Késleltetett kikapcsolású műszakrelé (bistabil) |
L funkció (A1-Y1 pántos) | |
| Szünet/üzemidő |
Li funkció | |
| Fordított szünet/üzemidő |
| Felszerelés | DIN sín |
|---|---|
| Felvett teljesítmény | 1,5 W |
| Funkció | A – Késleltetés bekapcsolás közben, Ac – A vezérlőérintkező zárását és nyitását követő idő, At – Memóriával együtt történő bekapcsolás időzítése, B – Impulzus szerinti időzítés (monostabil), C – Impulzust követő idő, D – Szimmetrikus villódzás, Di – Szimmetrikus villódzás, H – Bekapcsolás időzítése – impulzus kimenőteljesítménye, Ht – Memóriával együtt történő bekapcsolás késleltetése, N – Biztonsági megoldás, TL – Impulzusrelé, Tt – Időzített impulzusrelé |
| Időtáv | 0,5-10 s, 0,05-1 min, 0,5-10 min, 0,05-1 h, 0,5-10 h, 0,05-1 d, 0,5-10 d |
| IP-osztály, csatlakozás | IP20 |
| IP-osztály, ház | IP40 |
| Jóváhagyások | CCC, CE, REACH, RoHS, UL |
| Kábelkeresztmetszet hüvely nélkül | 1 x 0,5-3,3 mm², 2 x 0,5-1,5 mm² |
| Kilépés | Relé 1-polt vekslende |
| Max. kapcsolási áramerősség | 16 A |
| Max. tárolási hőmérséklet | 70 °C |
| Max. üzemi hőmérséklet | 60 °C |
|---|---|
| Megismételhetőség | 0,5 % |
| Megszakítókapacitás | 4000 VA / 90W @25°C |
| Min. tárolási hőmérséklet | -40 °C |
| Min. üzemi hőmérséklet | -20 °C |
| Multi-function | Igen |
| Tápfeszültség | 12-240V AC/DC |
| Tömeg | 70 g |
| Válaszidő ki | 120 ms |
| Zárás késleltetése | 30 ms |
A Syr-Line a Crouzet új, kompakt időrelé-sorozata, amely illeszkedik a szabványos tokozatba. Az egypólusú időrelék végzik a megszakítást
16 A (AC1), és a kétpólusúak alkalmasak a 2 x 8 A-hez (AC1). Az egy- és kétpólusú modellek mindössze 17,5 mm szélesek.
A BM1R és a BM2R többfunkciós relé 12 különböző állítható funkcióval.
A BM2R-nél a 2 (R2) reléérintkező beállítható úgy, hogy kövesse az időzítést, vagy pedig az időrelé tápfeszültsége aktiválja.
A BL1R és a BL2R szünet/üzemidő funkcióval rendelkezik, a szünet és az üzemidő pedig külön beállítható.
A vezérlőbemenettel (Y1) párhuzamosan lehetőség van külső terhelés csatlakoztatására. A zöld LED jelzi, ha a készülék feszültség alatt áll (időszámlálás közben villog). A sárga dióda jelzi, ha a relé aktív. Minden modell többfeszültségű (12–240 V AC/DC).
A Syr-Line sorozat átlátszó védősapkával rendelkezik a beállítógombok fölött, hogy megakadályozza az akaratlan módosításokat.
A védősapka könnyen eltávolítható, ha gyakran módosítja a beállításokat, és könnyebb hozzáférést szeretne.
Az alábbi táblázatban megtalálja az egyes funkciók leírását.
A funkció | |
| Késleltetett bekapcsolás, rögzített jel |
Ac funkció | |
| Kombinált késleltetett be- és kikapcsolás Üzemi feszültség A1-A2 csatlakoztatva. Amikor az Y1 zár, akkor kezdődik az első időszámlálás. |
At funkció | |
| Bekapcsolási késleltetés összegzéssel, impulzusvezérelt |
B funkció | |
| Állítható impulzushossz |
C funkció | |
| Késleltetett kikapcsolás |
D funkció | |
| Villogó relé |
Di funkció | |
| Fordított villogó relé |
H funkció | |
| Fordított késleltetett bekapcsolás |
Ht funkció | |
| Fordított késleltetett bekapcsolás összegzéssel, impulzusvezérelt |
N funkció | |
| Safe-Guard kikapcsolási késleltetés |
TL funkció | |
| Műszakrelé (bistabil) |
Tt funkció | |
| Késleltetett kikapcsolású műszakrelé (bistabil) |
L funkció (A1-Y1 pántos) | |
| Szünet/üzemidő |
Li funkció | |
| Fordított szünet/üzemidő |
Az OEM Automatic Kft. csapata sikeresen részt vett a 2025. május 13–16. között megrendezett IPAR NAPJAI Nemzetközi Ipari Szakkiállításon.
A Seifert Systems több mint fél évszázada élen jár az innovatív hűtési megoldások kifejlesztésében, amelyek a világ különböző iparágainak különféle igényeit elégítik ki.
Az iparágak széles körét látjuk el gépbiztonsági termékekkel, például biztonsági vezérlőkkel, reteszelésekkel, fénysorompókkal, vezérlőegységekkel, biztonsági kerítésekkel, valamint biztonsági érzékelőkkel és vezeték nélküli biztonsági rendszerekkel.
Az Autonics az automatizálási megoldások vezető szolgáltatója.
Termékeinket a mérnökök különböző ipari alkalmazásokban bíznak és alkalmazzák, beleértve az élelmiszer-gyártást és csomagolást, a műanyag- és gumifeldolgozást, a félvezető berendezéseket és a fémmegmunkáló gépeket.
A PULS a DIN-sínes tápegységek fejlesztésére és gyártására specializálódott. A magántulajdonban lévő és irányított vállalat úttörő szelleméről ismert, a tökéletesség és az innovatív ötletek iránt elkötelezett.
Speciális termékterületeinkkel élvonalbeli szakértelemmel és széles termékválasztékkal rendelkezünk, hogy megkönnyítsük Önnek a lépést a digitális világba. Itt megtudhatja, hogyan
|
|
|
|
|
|
||
|---|---|---|---|---|---|---|
|
|
|
|
|
|
||
|
|
|
|
|
|
||
|
|
|
|
|
|
||
|
|
|
|
|
|
||
|
|
|
|
|
|
||
|
|
|
|
|
|
| Változatok | Funkció | Kilépés | Max. kapcsolási áramerősség | Megszakítókapacitás | Multi-function | Ár | ||
|---|---|---|---|---|---|---|---|---|
Syr-Line időzítő, BM1R, multifunkciós relé, 16 A, 12–240 V AC/DC
Cikkszám
BM1R16MV1
Másolva
|
A – Késleltetés bekapcsolás közben, Ac – A vezérlőérintkező zárását és nyitását követő idő, At – Memóriával együtt történő bekapcsolás időzítése, B – Impulzus szerinti időzítés (monostabil), C – Impulzust követő idő, D – Szimmetrikus villódzás, Di – Szimmetrikus villódzás, H – Bekapcsolás időzítése – impulzus kimenőteljesítménye, Ht – Memóriával együtt történő bekapcsolás késleltetése, N – Biztonsági megoldás, TL – Impulzusrelé, Tt – Időzített impulzusrelé
|
Relé 1-polt vekslende
|
16 A
|
4000 VA / 90W @25°C
|
Igen
|
|
||
|
Syr-Line időzítő, BM2R, multifunkciós relé, 2×8 A, 12–240 V AC/DC
Cikkszám
BM2R08MV1
Másolva
|
A – Késleltetés bekapcsolás közben, Ac – A vezérlőérintkező zárását és nyitását követő idő, At – Memóriával együtt történő bekapcsolás időzítése, B – Impulzus szerinti időzítés (monostabil), C – Impulzust követő idő, D – Szimmetrikus villódzás, Di – Szimmetrikus villódzás, H – Bekapcsolás időzítése – impulzus kimenőteljesítménye, Ht – Memóriával együtt történő bekapcsolás késleltetése, N – Biztonsági megoldás, TL – Impulzusrelé, Tt – Időzített impulzusrelé
|
Relé 2-polt vekslende
|
8 A
|
2000 VA / 80W @25°C
|
Igen
|
|
||
|
Syr-Line időzítő, BA1R, bekapcsoláskésleltető relé, 16 A, 12–240 V AC/DC
Cikkszám
BA1R16MV1
Másolva
|
A – Késleltetés bekapcsolás közben, At – Memóriával együtt történő bekapcsolás időzítése
|
Relé 1-polt vekslende
|
16 A
|
4000 VA / 90W @25°C
|
Nem
|
|
||
|
Syr-Line időzítő, BA2R, bekapcsoláskésleltető relé, 2×8 A, 12–240 V AC/DC
Cikkszám
BA2R08MV1
Másolva
|
A – Késleltetés bekapcsolás közben, At – Memóriával együtt történő bekapcsolás időzítése
|
Relé 2-polt vekslende
|
8 A
|
2000 VA / 80W @25°C
|
Nem
|
|
||
|
Syr-Line időzítő, BL1R, visszavezető relé, 16 A, 12–240 V AC/DC
Cikkszám
BL1R16MV1
Másolva
|
L – Aszimmetrikus villódzás, Li – Aszimmetrikus villódzás
|
Relé 1-polt vekslende
|
16 A
|
4000 VA / 90W @25°C
|
Nem
|
|
||
|
Syr-Line időzítő, BL2R, visszavezető relé, 2×8 A, 12–240 V AC/DC
Cikkszám
BL2R08MV1
Másolva
|
L – Aszimmetrikus villódzás, Li – Aszimmetrikus villódzás
|
Relé 2-polt vekslende
|
8 A
|
2000 VA / 80W @25°C
|
Nem
|
|
Válassza ki az egyik változatot a listából