CROUZET CONTROL

Crouzet - Sebesség megfigyelő HSV

A HSV sebességfigyelő relé különböző folyamatok, pl. szerelőszalagok, szállítószalagok stb. sebességét (pontosabban fordulatszámát/frekvenciáját) figyeli az alábbi digitális eszközökkel:

– határérték-érzékelő három PNP- vagy NPN-vezetékkel

– feszültségbemenet 0–30 V

– NAMUR határérték-érzékelő

– potenciálmentes érintkező

A relé használható a magas vagy alacsony fordulatszám figyelésére.

 

Mérés: A figyelt folyamat mért mennyisége egy kétállású (magas és alacsony) jelből álló impulzusokból jön létre. A sebességvezérlés ezen jel periódusidejének mérésére épül, az első érzékelhető helyzetváltozástól kezdve (emelkedő vagy süllyedő impulzushomlok). A digitális jelfeldolgozásnak köszönhetően a különböző jelek közötti különbségek nem okoznak problémát.

A feszültség bekapcsolásakor vagy az érzékelő jelének vételekor a jelfelismeréshez (karakterizálás) egy vagy több periódust kell feldolgozni (legfeljebb kettőt). Ezen idő alatt a vezérlés nem működik.

Az előlapi kapcsolóval négy állásból egy választható ki:

– Túl alacsony fordulatszám memória nélkül

– Túl alacsony fordulatszám memóriával

– Túl magas fordulatszám memória nélkül

– Túl magas fordulatszám memóriával

Ha a kapcsoló a feszültség bekapcsolásakor a három közbenső állás egyikében (az „túl alacsony fordulatszám memória nélkül” és a „túl magas fordulatszám memória nélkül” között) van, a relé készenléti üzemmódban marad („riasztás”), és a hiba jelzéseként a három világítódióda gyorsan villog. A feszültség bekapcsolásakor a funkciókapcsoló állását a rendszer regisztrálja. Az állás működés közbeni megváltoztatása nincs hatással a relé működésére. Előfordulhat, hogy az aktív mód nem egyezik meg azzal, amit a kapcsoló mutat. A relé ilyenkor a szokásos módon működik, de a változást jelzi a három világítódióda villogása.

 

Memória: Ha a kapcsoló „memóriával” állásban van, a relé hiba észlelésekor készenléti helyzetben reteszelődik. Ha a fordulatszám visszaáll az előírt értékre, a relé az S2 érintkező zárásával kioldható (legalább 50 ms ideig kell zárni).

Amíg az S2 zárt állapotban van, a relé reteszelve marad, a relékimenet pedig munkaállásban (normál állás) van, függetlenül a felügyelt folyamat fordulatszámától. Ha sebesség az S2 érintkező újbóli nyitásakor továbbra sem megfelelő, a relé készenléti módban (riasztási mód) ismét nyit (kikapcsol). A relé a tápfeszültség ki- és bekapcsolásával is kioldható (a megszakítás minimálisan szükséges ideje 1500 ms). Ha a folyamat sebessége nem megfelelő, ez a lehetőség ugyanúgy korlátozott, mint az S2 visszaállításakor.

 

Túl alacsony fordulatszám memória nélkül

Túl alacsony fordulatszám memóriával

 

 

1: Feszültség

1: Feszültség

2: Határérték

2: S2 érintkező

3: Reteszelést jelző LED

3: Határérték

4: Relé

4: Reteszelést jelző LED

5: Késleltetés (Ti)

5: Relé

6: Min. 1500 ms

6: Késleltetés (Ti)

7: Sebesség

7: Min 50 ms

 

8: Min. 1 s

 

9: Sebesség

 

 

Túl alacsony fordulatszám az S2-vel történő reteszeléssel

 

 

1: Feszültség

 

2: S2 érintkező

 

3: Határérték

 

4: Reteszelést jelző LED

 

5: Relé

 

6: Késleltetés (Ti)

 

7: Sebesség

 

 

 

Túl magas fordulatszám memória nélkül

Túl magas fordulatszám memóriával

1: Feszültség

1: Feszültség

2: Határérték

2: S2 érintkező

3: Reteszelést jelző LED

3: Határérték

4: Relé

4: Reteszelést jelző LED

5: Indítási késleltetés (Ti)

5: Relé

6: Min. 1 s

6: Késleltetés (Ti)

7: Sebesség

7: Min 50 ms

 

8: Min. 1 s

 

9: Sebesség

 

 

Túl magas fordulatszám az S2-vel történő reteszeléssel

 

 

1: Feszültség

 

2: S2 érintkező

 

3: Határérték

 

4: Reteszelést jelző LED

 

5: Relé

 

6: Késleltetés (Ti)

 

7: Sebesség

 

 

 

Bővebben
  • Megfigyeli a magas és alacsony sebességet
  • Állítható 0.05 és 10min között
  • Állítható indítás késleltetés 0.6-30 s
  • Jel 4 különböző szenzor alternatívából

Kiválasztott változat

Control relay

Sebességfigyelő relé, 24–240 V AC/DC

Cikkszám

Kiválasztott változat

Műszaki adatok

Beállítási tartomány 10–100% a választott időtartományon belül
Felszerelés 35 mm DIN-sín
Funkció Túl magas/alacsony fordulatszám esetén riaszt
Hiszterézis Rögzített, 5%
Időtáv 0,5s, 1s, 5s, 10s, 1min, 5min. och 10min
Indítás késleltetése 0,6-30s
IP-osztály, csatlakozás IP20
IP-osztály, ház IP30
Jóváhagyások CSA, GL, RoHS, UL
Kilépés Relé 1-polt vekslende
Max. tárolási hőmérséklet 70 °C
Max. üzemi hőmérséklet 50 °C
Megszakítókapacitás 5A, 250V AC/DC
Min. helyreállítási idő 50 ms
Min. tárolási hőmérséklet -40 °C
Min. üzemi hőmérséklet -20 °C
Relés kimenet 1 db átváltós kapcsoló
Tápfeszültség 24-240V AC/DC
Tömeg 120 g

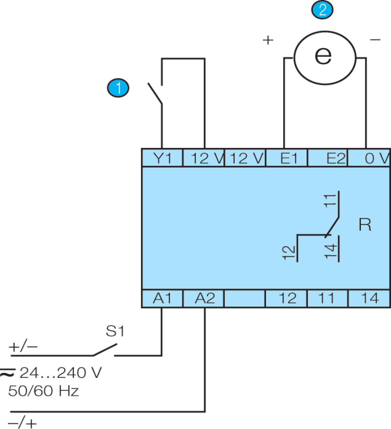
Mérések és kapcsolatok

Termékleírás

A HSV sebességfigyelő relé különböző folyamatok, pl. szerelőszalagok, szállítószalagok stb. sebességét (pontosabban fordulatszámát/frekvenciáját) figyeli az alábbi digitális eszközökkel:

– határérték-érzékelő három PNP- vagy NPN-vezetékkel

– feszültségbemenet 0–30 V

– NAMUR határérték-érzékelő

– potenciálmentes érintkező

A relé használható a magas vagy alacsony fordulatszám figyelésére.

 

Mérés: A figyelt folyamat mért mennyisége egy kétállású (magas és alacsony) jelből álló impulzusokból jön létre. A sebességvezérlés ezen jel periódusidejének mérésére épül, az első érzékelhető helyzetváltozástól kezdve (emelkedő vagy süllyedő impulzushomlok). A digitális jelfeldolgozásnak köszönhetően a különböző jelek közötti különbségek nem okoznak problémát.

A feszültség bekapcsolásakor vagy az érzékelő jelének vételekor a jelfelismeréshez (karakterizálás) egy vagy több periódust kell feldolgozni (legfeljebb kettőt). Ezen idő alatt a vezérlés nem működik.

Az előlapi kapcsolóval négy állásból egy választható ki:

– Túl alacsony fordulatszám memória nélkül

– Túl alacsony fordulatszám memóriával

– Túl magas fordulatszám memória nélkül

– Túl magas fordulatszám memóriával

Ha a kapcsoló a feszültség bekapcsolásakor a három közbenső állás egyikében (az „túl alacsony fordulatszám memória nélkül” és a „túl magas fordulatszám memória nélkül” között) van, a relé készenléti üzemmódban marad („riasztás”), és a hiba jelzéseként a három világítódióda gyorsan villog. A feszültség bekapcsolásakor a funkciókapcsoló állását a rendszer regisztrálja. Az állás működés közbeni megváltoztatása nincs hatással a relé működésére. Előfordulhat, hogy az aktív mód nem egyezik meg azzal, amit a kapcsoló mutat. A relé ilyenkor a szokásos módon működik, de a változást jelzi a három világítódióda villogása.

 

Memória: Ha a kapcsoló „memóriával” állásban van, a relé hiba észlelésekor készenléti helyzetben reteszelődik. Ha a fordulatszám visszaáll az előírt értékre, a relé az S2 érintkező zárásával kioldható (legalább 50 ms ideig kell zárni).

Amíg az S2 zárt állapotban van, a relé reteszelve marad, a relékimenet pedig munkaállásban (normál állás) van, függetlenül a felügyelt folyamat fordulatszámától. Ha sebesség az S2 érintkező újbóli nyitásakor továbbra sem megfelelő, a relé készenléti módban (riasztási mód) ismét nyit (kikapcsol). A relé a tápfeszültség ki- és bekapcsolásával is kioldható (a megszakítás minimálisan szükséges ideje 1500 ms). Ha a folyamat sebessége nem megfelelő, ez a lehetőség ugyanúgy korlátozott, mint az S2 visszaállításakor.

 

Túl alacsony fordulatszám memória nélkül

Túl alacsony fordulatszám memóriával

 

 

1: Feszültség

1: Feszültség

2: Határérték

2: S2 érintkező

3: Reteszelést jelző LED

3: Határérték

4: Relé

4: Reteszelést jelző LED

5: Késleltetés (Ti)

5: Relé

6: Min. 1500 ms

6: Késleltetés (Ti)

7: Sebesség

7: Min 50 ms

 

8: Min. 1 s

 

9: Sebesség

 

 

Túl alacsony fordulatszám az S2-vel történő reteszeléssel

 

 

1: Feszültség

 

2: S2 érintkező

 

3: Határérték

 

4: Reteszelést jelző LED

 

5: Relé

 

6: Késleltetés (Ti)

 

7: Sebesség

 

 

 

Túl magas fordulatszám memória nélkül

Túl magas fordulatszám memóriával

1: Feszültség

1: Feszültség

2: Határérték

2: S2 érintkező

3: Reteszelést jelző LED

3: Határérték

4: Relé

4: Reteszelést jelző LED

5: Indítási késleltetés (Ti)

5: Relé

6: Min. 1 s

6: Késleltetés (Ti)

7: Sebesség

7: Min 50 ms

 

8: Min. 1 s

 

9: Sebesség

 

 

Túl magas fordulatszám az S2-vel történő reteszeléssel

 

 

1: Feszültség

 

2: S2 érintkező

 

3: Határérték

 

4: Reteszelést jelző LED

 

5: Relé

 

6: Késleltetés (Ti)

 

7: Sebesség

 

 

 

Kiegészítők

Iparinapjai
Termékhírek

Ipar napjai 2025

Az OEM Automatic Kft. csapata sikeresen részt vett a 2025. május 13–16. között megrendezett IPAR NAPJAI Nemzetközi Ipari Szakkiállításon.

s
Termékhírek

Seifert Systems

A Seifert Systems több mint fél évszázada élen jár az innovatív hűtési megoldások kifejlesztésében, amelyek a világ különböző iparágainak különféle igényeit elégítik ki.

SSP
Termékhírek

SSP - A biztonsági megoldások legújabb generációja

Az iparágak széles körét látjuk el gépbiztonsági termékekkel, például biztonsági vezérlőkkel, reteszelésekkel, fénysorompókkal, vezérlőegységekkel, biztonsági kerítésekkel, valamint biztonsági érzékelőkkel és vezeték nélküli biztonsági rendszerekkel.

aut
Termékhírek

Az Autonics hivatalos Magyarországi képviselői lettünk.

Az Autonics az automatizálási megoldások vezető szolgáltatója.
Termékeinket a mérnökök különböző ipari alkalmazásokban bíznak és alkalmazzák, beleértve az élelmiszer-gyártást és csomagolást, a műanyag- és gumifeldolgozást, a félvezető berendezéseket és a fémmegmunkáló gépeket.

puls
Termékhírek

PULS több fázisú tápegységek

A PULS a DIN-sínes tápegységek fejlesztésére és gyártására specializálódott. A magántulajdonban lévő és irányított vállalat úttörő szelleméről ismert, a tökéletesség és az innovatív ötletek iránt elkötelezett.

Tudás

IIOT - Ha digitalizálni akarja vállalkozását

Speciális termékterületeinkkel élvonalbeli szakértelemmel és széles termékválasztékkal rendelkezünk, hogy megkönnyítsük Önnek a lépést a digitális világba. Itt megtudhatja, hogyan

Ügyfélszolgálat
Hívjon minket bátran ha kérdése van.
Segítségre van szüksége?
Logo

Süti beállítások oemautomatic.hu

A Sütik segítenek javítani az Ön élményét velünk, tehát a belépési adatok kezelésében, személyre szabott tartalom megjelenítésében és néhány alapvető funkcióban Sütiket használunk.

Sosem fogjuk az ön információit eladni.

Elfogadhatja az összes Sütit vagy személyre szabhatja a Süti beállításait, ezeket a beállításokat az elérhetőség oldalunkon tudja változtatni.

Szükséges Sütik

Ezek a Sütik szükségesek az oldal működéséhez ezért ezeket nem lehet kikapcsolni a rendszerünkben. Csak az Ön kéréseire/lépéseire adnak választ a szerverünkről például beállítások megadása, belépéskor és adatkitöltéskor.

Analízis és mérési Sütik

Ezek a Sütik engedik, hogy vizsgáljuk az oldal látogatottságát és javítsuk annak teljesítményét. Megmutatják, hogy melyik lapok a többet, illetve kevesebbet látogatottak, illetve miként használják a látogatók az oldalt. Az információ, amit a Sütik gyűjtenek összeadódnak ezért ez teljesen anonim módon történik. Ha nem fogadja el ezeket a Sütiket nem tudjuk járt az oldalon.

Marketing Sütik

Ezeket a Sütiket a partnereink adhatják hozzá. Ezeket a Sütiket arra használhatják, hogy egy önről mintázott profilt képezzenek mellyel személyre szabott információt jeleníthetnek meg Önnek. Önről személyes információt nem tárolunk, kizárólag a böngészőjéről és eszközéről. Ha nem fogadja el ezeket a Sütiket, egy általános tapasztalata lesz, nem személyre szabott.