CROUZET CONTROL

AC hálózati relé

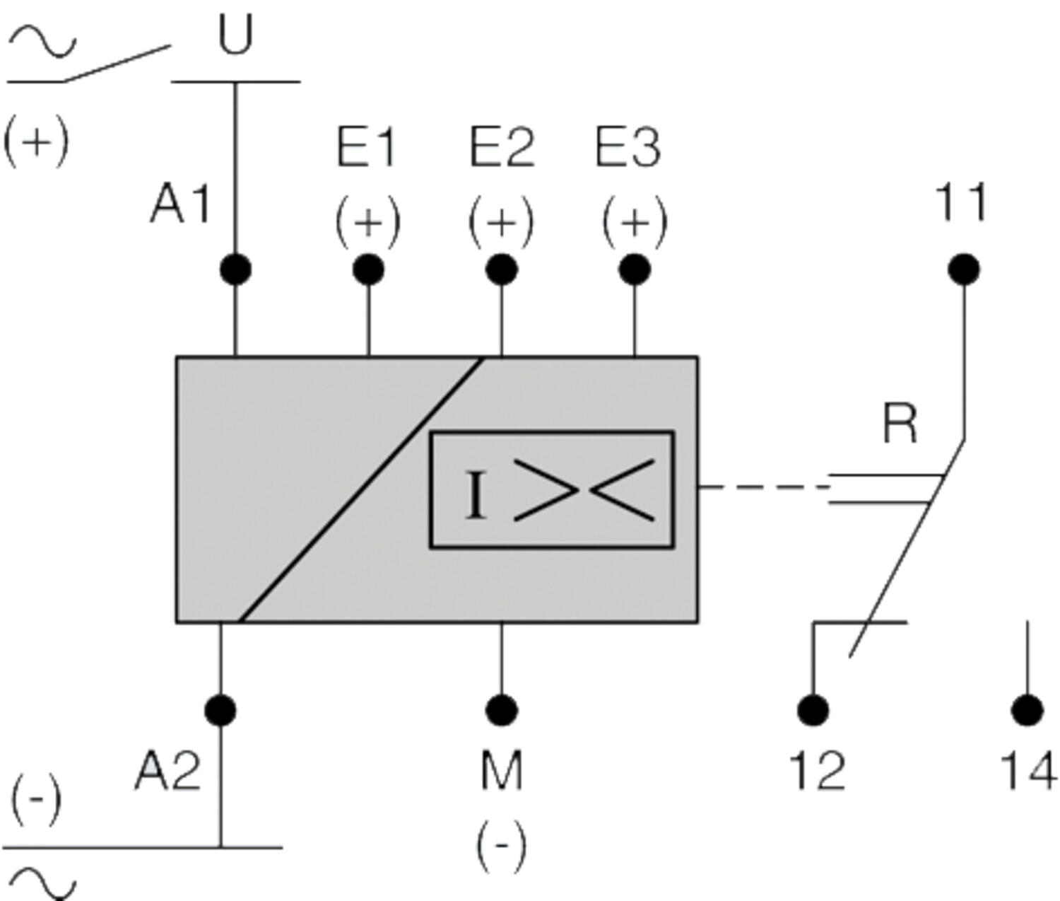
Túláram és áramerősség-csökkenés figyelése váltakozó áramú hálózatokban A termék tápfeszültséget igényel. Ha a mért áramerősség eléri a beállított határértéket, a kimeneti relé állapota a T1 késleltetési idő után megváltozik (a relé elenged = hibabiztos). A kimenet akkor áll vissza, ha az áramerősség értéke átmegy a hiszterézishatáron, ami a határérték plusz vagy mínusz a beállított hiszterézis. Az áramerősség-csökkenés mérésekor a határérték + hiszterézis értéke nem lehet nagyobb, mint a maximális mérési tartomány. Memória használata esetén a kimeneti relé „riasztás” állapotban marad a tápfeszültség kikapcsolásáig. A határérték és a hiszterézis értéke az előlapon állítható be. A T2 a kimeneti relé stb. átváltásának késleltetési ideje, amely bekapcsoláskor megakadályozza a téves riasztást. A T2 csak a tápfeszültség bekapcsolásakor aktív. A T1 késleltetés a mérés teljes ideje alatt aktív, és megakadályozza, hogy a relé állapota az áramerősség átmeneti változásai hatására is váltson. A készülék alsó szélén található kapcsolóval lehet választani a túláram vagy áramerősség-csökkenés, valamint a memóriával vagy memória nélkül funkciók között. Az átkapcsolást mindig feszültségmentes állapotban kell végezni. Az ennek megfelelő modellben három különböző mérésitartomány-bemenet található. A zöld LED (Un) azt jelzi, hogy a tápfeszültség rendben van. A sárga LED (R) azt jelzi, hogy a relékimenet aktív.

 

Memóriával

Memória nélkül

Function diagram (with memory)

Function diagram (without memory)

 

 

Bekötés

EIL/EIH

Funkcióválasztás

Connection sketch

Function drawing



Áramerősség-figyelő relé bekötése (példa)

Alkalmazási terület

• Ha a relé váltakozó feszültséggel működik (230, 110, 48, 24 V), a terhelés „a másik irányba is rákapcsolható”, vagyis az N az E1, E2, E3 körökre és a motorra M és a fázis között.
• Ne feledje, hogy az A1-A2 pontoknak feszültség alatt kell állniuk a terhelés megkezdésekor. Ellenkező esetben nem kezdődik el a T2 indításkésleltetés számolása.
Ezeknek az áramerősség-figyelő reléknek a bekötése a Crouzet rendszerébe hasonló egy ampermérőéhez; az E1, E2 és E3-M mérőkörök sorba vannak kötve a figyelt terheléssel. A különbség az, hogy ezeknek a reléknek A1-A2-n különböző a tápfeszültsége.

A. 1 fázisú váltakozó áramú terhelés

B. A 3 fázisú motor (vagy más szimmetrikus
terhelés) egyik fázisa keresztülmegy az áramrelén
(max. 10 A).

Connection example

C. A 3 fázisú motor (vagy más szimmetrikus terhelés) egyik
fázisa keresztülmegy az áramátalakítón, amely
az áramrelé mérőkörébe van bekötve. A szekunder áram erősségét
a relén kell beállítani.

 

 

  

Bővebben
  • Két különböző áramkörrel rendelkező modell: EIL, EIH
  • Kapcsolható felső vagy alsó áram
  • A relé kimenet állítható késleltetése

Kiválasztott változat

izé

Kiválasztott változat

Műszaki adatok

Termékleírás

Túláram és áramerősség-csökkenés figyelése váltakozó áramú hálózatokban A termék tápfeszültséget igényel. Ha a mért áramerősség eléri a beállított határértéket, a kimeneti relé állapota a T1 késleltetési idő után megváltozik (a relé elenged = hibabiztos). A kimenet akkor áll vissza, ha az áramerősség értéke átmegy a hiszterézishatáron, ami a határérték plusz vagy mínusz a beállított hiszterézis. Az áramerősség-csökkenés mérésekor a határérték + hiszterézis értéke nem lehet nagyobb, mint a maximális mérési tartomány. Memória használata esetén a kimeneti relé „riasztás” állapotban marad a tápfeszültség kikapcsolásáig. A határérték és a hiszterézis értéke az előlapon állítható be. A T2 a kimeneti relé stb. átváltásának késleltetési ideje, amely bekapcsoláskor megakadályozza a téves riasztást. A T2 csak a tápfeszültség bekapcsolásakor aktív. A T1 késleltetés a mérés teljes ideje alatt aktív, és megakadályozza, hogy a relé állapota az áramerősség átmeneti változásai hatására is váltson. A készülék alsó szélén található kapcsolóval lehet választani a túláram vagy áramerősség-csökkenés, valamint a memóriával vagy memória nélkül funkciók között. Az átkapcsolást mindig feszültségmentes állapotban kell végezni. Az ennek megfelelő modellben három különböző mérésitartomány-bemenet található. A zöld LED (Un) azt jelzi, hogy a tápfeszültség rendben van. A sárga LED (R) azt jelzi, hogy a relékimenet aktív.

 

Memóriával

Memória nélkül

Function diagram (with memory)

Function diagram (without memory)

 

 

Bekötés

EIL/EIH

Funkcióválasztás

Connection sketch

Function drawing



Áramerősség-figyelő relé bekötése (példa)

Alkalmazási terület

• Ha a relé váltakozó feszültséggel működik (230, 110, 48, 24 V), a terhelés „a másik irányba is rákapcsolható”, vagyis az N az E1, E2, E3 körökre és a motorra M és a fázis között.
• Ne feledje, hogy az A1-A2 pontoknak feszültség alatt kell állniuk a terhelés megkezdésekor. Ellenkező esetben nem kezdődik el a T2 indításkésleltetés számolása.
Ezeknek az áramerősség-figyelő reléknek a bekötése a Crouzet rendszerébe hasonló egy ampermérőéhez; az E1, E2 és E3-M mérőkörök sorba vannak kötve a figyelt terheléssel. A különbség az, hogy ezeknek a reléknek A1-A2-n különböző a tápfeszültsége.

A. 1 fázisú váltakozó áramú terhelés

B. A 3 fázisú motor (vagy más szimmetrikus
terhelés) egyik fázisa keresztülmegy az áramrelén
(max. 10 A).

Connection example

C. A 3 fázisú motor (vagy más szimmetrikus terhelés) egyik
fázisa keresztülmegy az áramátalakítón, amely
az áramrelé mérőkörébe van bekötve. A szekunder áram erősségét
a relén kell beállítani.

 

 

  

Kiegészítők

Iparinapjai
Termékhírek

Ipar napjai 2025

Az OEM Automatic Kft. csapata sikeresen részt vett a 2025. május 13–16. között megrendezett IPAR NAPJAI Nemzetközi Ipari Szakkiállításon.

s
Termékhírek

Seifert Systems

A Seifert Systems több mint fél évszázada élen jár az innovatív hűtési megoldások kifejlesztésében, amelyek a világ különböző iparágainak különféle igényeit elégítik ki.

SSP
Termékhírek

SSP - A biztonsági megoldások legújabb generációja

Az iparágak széles körét látjuk el gépbiztonsági termékekkel, például biztonsági vezérlőkkel, reteszelésekkel, fénysorompókkal, vezérlőegységekkel, biztonsági kerítésekkel, valamint biztonsági érzékelőkkel és vezeték nélküli biztonsági rendszerekkel.

aut
Termékhírek

Az Autonics hivatalos Magyarországi képviselői lettünk.

Az Autonics az automatizálási megoldások vezető szolgáltatója.
Termékeinket a mérnökök különböző ipari alkalmazásokban bíznak és alkalmazzák, beleértve az élelmiszer-gyártást és csomagolást, a műanyag- és gumifeldolgozást, a félvezető berendezéseket és a fémmegmunkáló gépeket.

puls
Termékhírek

PULS több fázisú tápegységek

A PULS a DIN-sínes tápegységek fejlesztésére és gyártására specializálódott. A magántulajdonban lévő és irányított vállalat úttörő szelleméről ismert, a tökéletesség és az innovatív ötletek iránt elkötelezett.

Tudás

IIOT - Ha digitalizálni akarja vállalkozását

Speciális termékterületeinkkel élvonalbeli szakértelemmel és széles termékválasztékkal rendelkezünk, hogy megkönnyítsük Önnek a lépést a digitális világba. Itt megtudhatja, hogyan

Változatok Áramtranszformátor átmérője Beállítható kezdő határérték Beállítható záró határérték E1-M mérési tartomány E2-M mérési tartomány E3-M mérési tartomány Felszerelés Funkció Hiszterézis Indítás késleltetése IP-osztály, csatlakozás IP-osztály, ház Jóváhagyások Késleltetés a határérték átlépése esetén Max. tápfeszültség, AC Max. tápfeszültség, DC Max. tárolási hőmérséklet Max. üzemi hőmérséklet Megszakítókapacitás Min. tápfeszültség, AC Min. tápfeszültség, DC Min. tárolási hőmérséklet Min. üzemi hőmérséklet Tömeg Ár
10 %
100 %
2-20mA
10-100mA
50-500mA
35 mm DIN-sín
Túláram vagy áramcsökkenés esetén riaszt
Állítható 5–50%
1-20s
IP20
IP50
CE, CSA, RoHS, UL
0,1-3s
27,6 V AC
70 °C
50 °C
8A, 250V AC
20,4 V AC
-30 °C
-20 °C
140 g
10 %
100 %
2-20mA
10-100mA
50-500mA
35 mm DIN-sín
Túláram vagy áramcsökkenés esetén riaszt
Állítható 5–50%
1-20s
IP20
IP50
CE, CSA, RoHS, UL
0,1-3s
264 V AC
70 °C
50 °C
8A, 250V AC
196 V AC
-30 °C
-20 °C
140 g
10 %
100 %
0,1-1A
0,5-5A
1-10A
35 mm DIN-sín
Túláram vagy áramcsökkenés esetén riaszt
Állítható 5–50%
1-20s
IP20
IP50
CE, CSA, RoHS, UL
0,1-3s
27,6 V DC
70 °C
50 °C
8A, 250V AC
20,4 V DC
-30 °C
-20 °C
140 g
10 %
100 %
0,1-1A
0,5-5A
1-10A
35 mm DIN-sín
Túláram vagy áramcsökkenés esetén riaszt
Állítható 5–50%
1-20s
IP20
IP50
CE, CSA, RoHS, UL
0,1-3s
27,6 V AC
70 °C
50 °C
8A, 250V AC
20,4 V AC
-30 °C
-20 °C
140 g
10 %
100 %
0,1-1A
0,5-5A
1-10A
35 mm DIN-sín
Túláram vagy áramcsökkenés esetén riaszt
Állítható 5–50%
1-20s
IP20
IP50
CE, CSA, RoHS, UL
0,1-3s
264 V AC
70 °C
50 °C
8A, 250V AC
196 V AC
-30 °C
-20 °C
140 g
10 %
100 %
10-100A (Via strömtransformator)
35 mm DIN-sín
Túláram vagy áramcsökkenés esetén riaszt
Állítható 5–50%
1-20s
IP20
IP50
CE, CSA, RoHS, UL
0,1-3s
264 V AC
70 °C
50 °C
8A, 250V AC
196 V AC
-30 °C
-20 °C
140 g
13 mm

Kiválasztott változat

Válassza ki az egyik változatot a listából

Ügyfélszolgálat
Hívjon minket bátran ha kérdése van.
Segítségre van szüksége?
Logo

Süti beállítások oemautomatic.hu

A Sütik segítenek javítani az Ön élményét velünk, tehát a belépési adatok kezelésében, személyre szabott tartalom megjelenítésében és néhány alapvető funkcióban Sütiket használunk.

Sosem fogjuk az ön információit eladni.

Elfogadhatja az összes Sütit vagy személyre szabhatja a Süti beállításait, ezeket a beállításokat az elérhetőség oldalunkon tudja változtatni.

Szükséges Sütik

Ezek a Sütik szükségesek az oldal működéséhez ezért ezeket nem lehet kikapcsolni a rendszerünkben. Csak az Ön kéréseire/lépéseire adnak választ a szerverünkről például beállítások megadása, belépéskor és adatkitöltéskor.

Analízis és mérési Sütik

Ezek a Sütik engedik, hogy vizsgáljuk az oldal látogatottságát és javítsuk annak teljesítményét. Megmutatják, hogy melyik lapok a többet, illetve kevesebbet látogatottak, illetve miként használják a látogatók az oldalt. Az információ, amit a Sütik gyűjtenek összeadódnak ezért ez teljesen anonim módon történik. Ha nem fogadja el ezeket a Sütiket nem tudjuk járt az oldalon.

Marketing Sütik

Ezeket a Sütiket a partnereink adhatják hozzá. Ezeket a Sütiket arra használhatják, hogy egy önről mintázott profilt képezzenek mellyel személyre szabott információt jeleníthetnek meg Önnek. Önről személyes információt nem tárolunk, kizárólag a böngészőjéről és eszközéről. Ha nem fogadja el ezeket a Sütiket, egy általános tapasztalata lesz, nem személyre szabott.