CROUZET CONTROL

3 és 1 fázisú szivattyú felügyelet

HPC

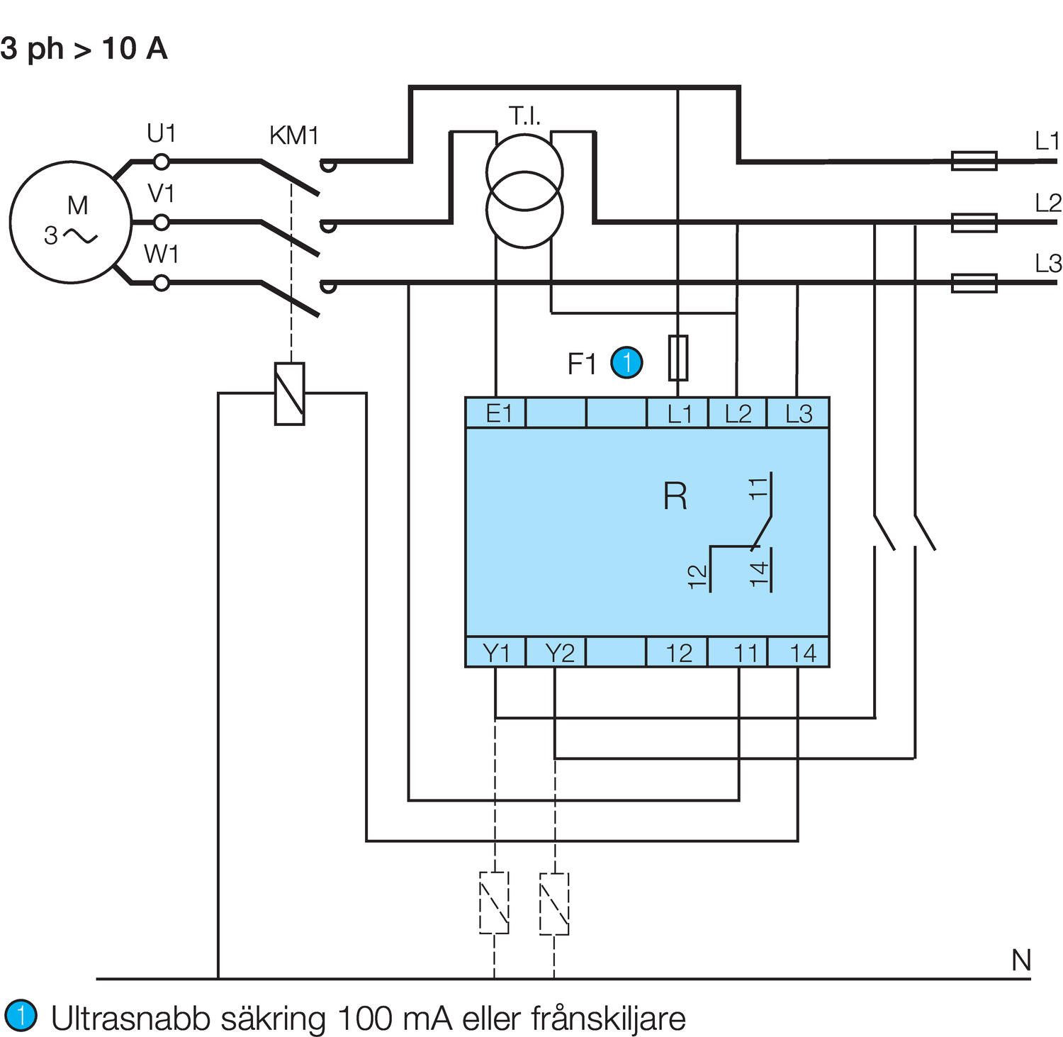
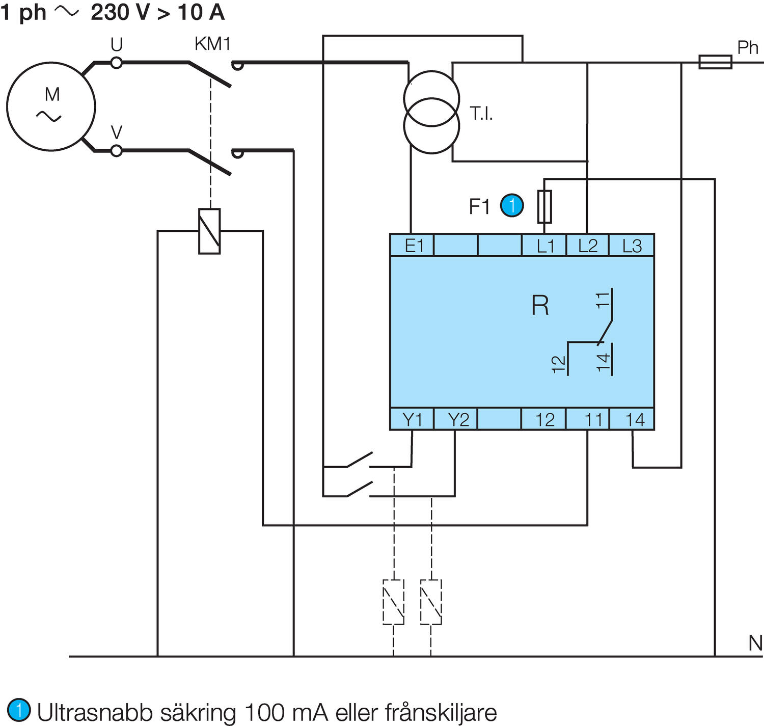
A szivattyúfelügyeleti relé egy- és háromfázisú hálózatokban alkalmazható. Ez az egy egység három funkciót lát el:

– Áramerősség figyelése

– Fáziskimaradás figyelése (3 fázisú hálózatok)

– Fázissorrend figyelése (3 fázisú hálózatok)

 

A relének két funkcióállása van, amelyek két külső jelbemenettel (Y1 és Y2) szabályozzák a szivattyút. Ezt a két jelet feszültségmentes érintkezők vezérlik. A hibákat világítódiódák jelzik, amelyek meg is különböztetik az egyes hibákat. A zöld LED (Un) azt jelzi, hogy a tápfeszültség rendben van. A sárga LED (R) azt jelzi, hogy a relékimenet aktív.

 

Az előlapon található forgókapcsolóval az alábbi funkciók választhatók ki:

– Egyszeres vezérlés

– Kétszeres vezérlés

– 1 fázisú vagy 3 fázisú

 

A forgókapcsoló állása csak akkor érvényesül, ha az üzemi feszültség be van kapcsolva. Ha a kapcsolót működés közben átállítják, az összes világítódióda villogni kezd, a termék azonban továbbra is rendesen működik azon állásnak megfelelő funkcióban, amely állásban a kapcsoló a legutolsó bekapcsoláskor állt. A világítódiódák visszaállnak normál működésre, ha a kapcsolót visszaállítják az eredeti állásba, abba, amelyben az előző bekapcsoláskor állt.

 

A túláram és az áramerősség-csökkenés értékét két külön 1–10 A skálájú potenciométerrel lehet beállítani. Hibás beállítás (az alsó határérték nagyobb, mint a felső) esetén a relé kikapcsol, és a hiba jelzéseként az összes világítódióda villog. Túláram vagy áramcsökkenés esetén a relé akkor old ki, ha a hiba a beállított késleltetés Tt értéke után is fennáll. Ha az áramerősség ismét normál értékű lesz, a relé nem lép működésbe, amíg meg nem szakítják a tápfeszültséget vagy nem zárják az Y2 külső érintkezőt (egyszeres vezérlés esetében).

 

HPC egyszeres vezérlés

HPC kettős vezérlés

Control relay

Control relay

1: Áramerősség-hiba

1: Áramerősség-hiba

2: Relé

2: Relé

3: A hibavezérlés késleltetett csatlakoztatása a szivattyú indításakor (Ti)

3: A hibavezérlés késleltetett csatlakoztatása a szivattyú indításakor (Ti)

4: Késleltetés (Tt)

4: Késleltetés (Tt)

Ebben az állásban a szivattyút egy külső jel vezérli (Y1).
A relékimenet zárva van, ha van jel az Y1-en (zárt érintkező).

Ebben az állásban a szivattyút két külső jel vezérli (Y1 és Y2).
A relé akkor van zárva, ha mindkét bemenő jel (Y1 és Y2) zárva van, és akkor kapcsol ki, ha a két jel közül az egyik megszűnik.

 

 

HPC túláramvezérlés

HPC áramerősségcsökkenés-vezérlés

Control relay

Control relay

1: Túláram

1: Áramerősség-csökkenés

2: Hiszterézis

2: Hiszterézis

3: Relé

3: Relé

4: A hibavezérlés késleltetett csatlakoztatása a szivattyú indításakor (Ti)

4: A hibavezérlés késleltetett csatlakoztatása a szivattyú indításakor (Ti)

5: Késleltetés (Tt)

5: Késleltetés (Tt)

  

 

 

 

Bővebben
  • Fázisszekvencia és fázisszakadás megfigyelés
  • Energiafogyasztás észlelés (túl / alul áram)
  • Digitális bemenetek
  • Aktuális mérés True RMS segítségével

Kiválasztott változat

Control relay

Szivattyúfigyelő relé, HPC, 208–480 V AC

Cikkszám

Kiválasztott változat

Műszaki adatok

Átmeneti túlterhelés <1s, +25 °C-on 50 A
Felszerelés 35 mm DIN-sín
Funkció Túláram vagy áramcsökkenés, hibás fázissorrend és fáziskimaradás esetén riaszt
Hiszterézis Rögzített, 5%
Indítás késleltetése 0,1-60s
IP-osztály, csatlakozás IP20
IP-osztály, ház IP30
Jóváhagyások CSA, GL, RoHS, UL
Késleltetés a határérték átlépése esetén 0,1-10s
Max. tápfeszültség, AC 528 V AC
Max. tárolási hőmérséklet 70 °C
Max. üzemi hőmérséklet 50 °C
Megszakítókapacitás 5A, 250V AC/DC
Mérési tartomány 1-10A
Min. tápfeszültség, AC 183 V AC
Min. tárolási hőmérséklet -40 °C
Min. üzemi hőmérséklet -20 °C
Relés kimenet 1 db átváltós kapcsoló
Tömeg 100 g

Letöltések

Mérések és kapcsolatok

Termékleírás

A szivattyúfelügyeleti relé egy- és háromfázisú hálózatokban alkalmazható. Ez az egy egység három funkciót lát el:

– Áramerősség figyelése

– Fáziskimaradás figyelése (3 fázisú hálózatok)

– Fázissorrend figyelése (3 fázisú hálózatok)

 

A relének két funkcióállása van, amelyek két külső jelbemenettel (Y1 és Y2) szabályozzák a szivattyút. Ezt a két jelet feszültségmentes érintkezők vezérlik. A hibákat világítódiódák jelzik, amelyek meg is különböztetik az egyes hibákat. A zöld LED (Un) azt jelzi, hogy a tápfeszültség rendben van. A sárga LED (R) azt jelzi, hogy a relékimenet aktív.

 

Az előlapon található forgókapcsolóval az alábbi funkciók választhatók ki:

– Egyszeres vezérlés

– Kétszeres vezérlés

– 1 fázisú vagy 3 fázisú

 

A forgókapcsoló állása csak akkor érvényesül, ha az üzemi feszültség be van kapcsolva. Ha a kapcsolót működés közben átállítják, az összes világítódióda villogni kezd, a termék azonban továbbra is rendesen működik azon állásnak megfelelő funkcióban, amely állásban a kapcsoló a legutolsó bekapcsoláskor állt. A világítódiódák visszaállnak normál működésre, ha a kapcsolót visszaállítják az eredeti állásba, abba, amelyben az előző bekapcsoláskor állt.

 

A túláram és az áramerősség-csökkenés értékét két külön 1–10 A skálájú potenciométerrel lehet beállítani. Hibás beállítás (az alsó határérték nagyobb, mint a felső) esetén a relé kikapcsol, és a hiba jelzéseként az összes világítódióda villog. Túláram vagy áramcsökkenés esetén a relé akkor old ki, ha a hiba a beállított késleltetés Tt értéke után is fennáll. Ha az áramerősség ismét normál értékű lesz, a relé nem lép működésbe, amíg meg nem szakítják a tápfeszültséget vagy nem zárják az Y2 külső érintkezőt (egyszeres vezérlés esetében).

 

HPC egyszeres vezérlés

HPC kettős vezérlés

Control relay

Control relay

1: Áramerősség-hiba

1: Áramerősség-hiba

2: Relé

2: Relé

3: A hibavezérlés késleltetett csatlakoztatása a szivattyú indításakor (Ti)

3: A hibavezérlés késleltetett csatlakoztatása a szivattyú indításakor (Ti)

4: Késleltetés (Tt)

4: Késleltetés (Tt)

Ebben az állásban a szivattyút egy külső jel vezérli (Y1).
A relékimenet zárva van, ha van jel az Y1-en (zárt érintkező).

Ebben az állásban a szivattyút két külső jel vezérli (Y1 és Y2).
A relé akkor van zárva, ha mindkét bemenő jel (Y1 és Y2) zárva van, és akkor kapcsol ki, ha a két jel közül az egyik megszűnik.

 

 

HPC túláramvezérlés

HPC áramerősségcsökkenés-vezérlés

Control relay

Control relay

1: Túláram

1: Áramerősség-csökkenés

2: Hiszterézis

2: Hiszterézis

3: Relé

3: Relé

4: A hibavezérlés késleltetett csatlakoztatása a szivattyú indításakor (Ti)

4: A hibavezérlés késleltetett csatlakoztatása a szivattyú indításakor (Ti)

5: Késleltetés (Tt)

5: Késleltetés (Tt)

  

 

 

 

Kiegészítők

Iparinapjai
Termékhírek

Ipar napjai 2025

Az OEM Automatic Kft. csapata sikeresen részt vett a 2025. május 13–16. között megrendezett IPAR NAPJAI Nemzetközi Ipari Szakkiállításon.

s
Termékhírek

Seifert Systems

A Seifert Systems több mint fél évszázada élen jár az innovatív hűtési megoldások kifejlesztésében, amelyek a világ különböző iparágainak különféle igényeit elégítik ki.

SSP
Termékhírek

SSP - A biztonsági megoldások legújabb generációja

Az iparágak széles körét látjuk el gépbiztonsági termékekkel, például biztonsági vezérlőkkel, reteszelésekkel, fénysorompókkal, vezérlőegységekkel, biztonsági kerítésekkel, valamint biztonsági érzékelőkkel és vezeték nélküli biztonsági rendszerekkel.

aut
Termékhírek

Az Autonics hivatalos Magyarországi képviselői lettünk.

Az Autonics az automatizálási megoldások vezető szolgáltatója.
Termékeinket a mérnökök különböző ipari alkalmazásokban bíznak és alkalmazzák, beleértve az élelmiszer-gyártást és csomagolást, a műanyag- és gumifeldolgozást, a félvezető berendezéseket és a fémmegmunkáló gépeket.

puls
Termékhírek

PULS több fázisú tápegységek

A PULS a DIN-sínes tápegységek fejlesztésére és gyártására specializálódott. A magántulajdonban lévő és irányított vállalat úttörő szelleméről ismert, a tökéletesség és az innovatív ötletek iránt elkötelezett.

Tudás

IIOT - Ha digitalizálni akarja vállalkozását

Speciális termékterületeinkkel élvonalbeli szakértelemmel és széles termékválasztékkal rendelkezünk, hogy megkönnyítsük Önnek a lépést a digitális világba. Itt megtudhatja, hogyan

Ügyfélszolgálat
Hívjon minket bátran ha kérdése van.
Segítségre van szüksége?
Logo

Süti beállítások oemautomatic.hu

A Sütik segítenek javítani az Ön élményét velünk, tehát a belépési adatok kezelésében, személyre szabott tartalom megjelenítésében és néhány alapvető funkcióban Sütiket használunk.

Sosem fogjuk az ön információit eladni.

Elfogadhatja az összes Sütit vagy személyre szabhatja a Süti beállításait, ezeket a beállításokat az elérhetőség oldalunkon tudja változtatni.

Szükséges Sütik

Ezek a Sütik szükségesek az oldal működéséhez ezért ezeket nem lehet kikapcsolni a rendszerünkben. Csak az Ön kéréseire/lépéseire adnak választ a szerverünkről például beállítások megadása, belépéskor és adatkitöltéskor.

Analízis és mérési Sütik

Ezek a Sütik engedik, hogy vizsgáljuk az oldal látogatottságát és javítsuk annak teljesítményét. Megmutatják, hogy melyik lapok a többet, illetve kevesebbet látogatottak, illetve miként használják a látogatók az oldalt. Az információ, amit a Sütik gyűjtenek összeadódnak ezért ez teljesen anonim módon történik. Ha nem fogadja el ezeket a Sütiket nem tudjuk járt az oldalon.

Marketing Sütik

Ezeket a Sütiket a partnereink adhatják hozzá. Ezeket a Sütiket arra használhatják, hogy egy önről mintázott profilt képezzenek mellyel személyre szabott információt jeleníthetnek meg Önnek. Önről személyes információt nem tárolunk, kizárólag a böngészőjéről és eszközéről. Ha nem fogadja el ezeket a Sütiket, egy általános tapasztalata lesz, nem személyre szabott.