CROUZET CONTROL

1 fázisú túl-/alulfeszültség relé MUS, MUSF

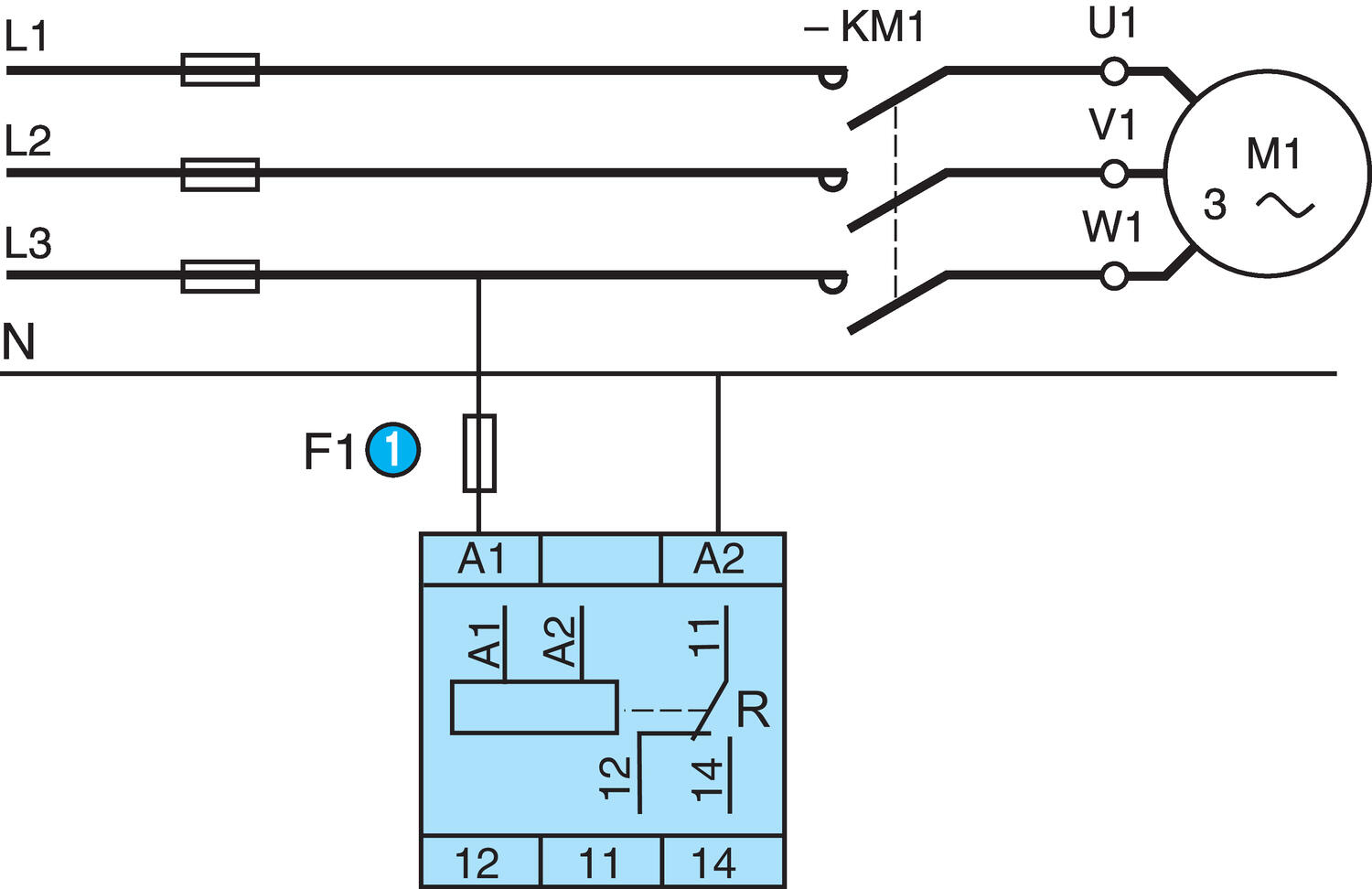
Egyfázisú, egyen- és váltakozó áramú feszültségeket figyelő relé. A relé nem igényel külön tápfeszültséget, hanem a mérőfeszültségről működik, amelyet ugyanakkor figyel is (az MUS12DC modell csak egyenfeszültséghez használható). A MUS relékkel több figyelőfunkció közül lehet választani: Túlfeszültség vagy feszültségcsökkenés, memóriával vagy anélkül (memória választása esetén a visszaállításhoz meg kell szakítani a relé áramellátását), és Tt késleltetés a rövid idejű (0,1–10 s) feszültségingadozások figyelmen kívül hagyására. A beállítható hiszterézis (H) a beállított érték 5–20%-a lehet (csak a MUS sorozat esetén). Minden beállítást az előlapon található kapcsolóval lehet végrehajtani. Ha a kapcsoló állását működés közben átállítják, az összes világítódióda (LED) villogni kezd, a készülék azonban továbbra is a szokásos módon működik, azzal a feszültséggel, amely a legutolsó bekapcsolásakor be volt állítva. Az MUSF reléknek van egy ún. „ablakfunkciójuk”, ami azt jelenti, hogy a relé figyeli, hogy a mért érték egy alsó és felső határérték között van-e. A túlfeszültség és a feszültségcsökkenés az előlapon található két potenciométerrel állítható be, amelyek beosztása a figyelt feszültségnek (Un) megfelelő. Az MUSF hiszterézise állandóan 3%, egyéb tekintetben a funkciói megegyeznek az MUS sorozatéival. A zöld LED (Un) azt jelzi, hogy a tápfeszültség rendben van. A sárga LED (R) azt jelzi, hogy a relékimenet aktív.

 

Bővebben
  • Három típus különböző feszültség tartománnyal
  • Újracsatlakoztatható túl vagy alulfeszültség
  • Automatizált AC vagy DC észlelés
  • 17.5mm foglalat DIN sínnel

Kiválasztott változat

izé

Kiválasztott változat

Műszaki adatok

Alsó határérték 9 V DC
Felszerelés 35 mm DIN-sín
Felső határérték 15 V DC
Funkció Túláram vagy feszültségcsökkenés esetén riaszt
Hiszterézis Határérték 5–20%-a
Indítás késleltetése 0,5 s
Késleltetés a határérték átlépése esetén 0,1-10s
Kilépés Relé 1-polt vekslende
Max. tárolási hőmérséklet 70 °C
Max. üzemi hőmérséklet 50 °C
Megszakítókapacitás 5A, 250V AC/DC
Min. tárolási hőmérséklet -40 °C
Min. üzemi hőmérséklet -20 °C
Tápfeszültség 12V dc
Tömeg 80 g

Mérések és kapcsolatok

Műszaki illusztrációk

Termékleírás

Egyfázisú, egyen- és váltakozó áramú feszültségeket figyelő relé. A relé nem igényel külön tápfeszültséget, hanem a mérőfeszültségről működik, amelyet ugyanakkor figyel is (az MUS12DC modell csak egyenfeszültséghez használható). A MUS relékkel több figyelőfunkció közül lehet választani: Túlfeszültség vagy feszültségcsökkenés, memóriával vagy anélkül (memória választása esetén a visszaállításhoz meg kell szakítani a relé áramellátását), és Tt késleltetés a rövid idejű (0,1–10 s) feszültségingadozások figyelmen kívül hagyására. A beállítható hiszterézis (H) a beállított érték 5–20%-a lehet (csak a MUS sorozat esetén). Minden beállítást az előlapon található kapcsolóval lehet végrehajtani. Ha a kapcsoló állását működés közben átállítják, az összes világítódióda (LED) villogni kezd, a készülék azonban továbbra is a szokásos módon működik, azzal a feszültséggel, amely a legutolsó bekapcsolásakor be volt állítva. Az MUSF reléknek van egy ún. „ablakfunkciójuk”, ami azt jelenti, hogy a relé figyeli, hogy a mért érték egy alsó és felső határérték között van-e. A túlfeszültség és a feszültségcsökkenés az előlapon található két potenciométerrel állítható be, amelyek beosztása a figyelt feszültségnek (Un) megfelelő. Az MUSF hiszterézise állandóan 3%, egyéb tekintetben a funkciói megegyeznek az MUS sorozatéival. A zöld LED (Un) azt jelzi, hogy a tápfeszültség rendben van. A sárga LED (R) azt jelzi, hogy a relékimenet aktív.

 

Kiegészítők

Iparinapjai
Termékhírek

Ipar napjai 2025

Az OEM Automatic Kft. csapata sikeresen részt vett a 2025. május 13–16. között megrendezett IPAR NAPJAI Nemzetközi Ipari Szakkiállításon.

s
Termékhírek

Seifert Systems

A Seifert Systems több mint fél évszázada élen jár az innovatív hűtési megoldások kifejlesztésében, amelyek a világ különböző iparágainak különféle igényeit elégítik ki.

SSP
Termékhírek

SSP - A biztonsági megoldások legújabb generációja

Az iparágak széles körét látjuk el gépbiztonsági termékekkel, például biztonsági vezérlőkkel, reteszelésekkel, fénysorompókkal, vezérlőegységekkel, biztonsági kerítésekkel, valamint biztonsági érzékelőkkel és vezeték nélküli biztonsági rendszerekkel.

aut
Termékhírek

Az Autonics hivatalos Magyarországi képviselői lettünk.

Az Autonics az automatizálási megoldások vezető szolgáltatója.
Termékeinket a mérnökök különböző ipari alkalmazásokban bíznak és alkalmazzák, beleértve az élelmiszer-gyártást és csomagolást, a műanyag- és gumifeldolgozást, a félvezető berendezéseket és a fémmegmunkáló gépeket.

puls
Termékhírek

PULS több fázisú tápegységek

A PULS a DIN-sínes tápegységek fejlesztésére és gyártására specializálódott. A magántulajdonban lévő és irányított vállalat úttörő szelleméről ismert, a tökéletesség és az innovatív ötletek iránt elkötelezett.

Tudás

IIOT - Ha digitalizálni akarja vállalkozását

Speciális termékterületeinkkel élvonalbeli szakértelemmel és széles termékválasztékkal rendelkezünk, hogy megkönnyítsük Önnek a lépést a digitális világba. Itt megtudhatja, hogyan

Változatok Alsó határérték Felső határérték Hiszterézis Tápfeszültség Ár
9 V DC
15 V DC
Határérték 5–20%-a
12V dc
20 V AC/DC
80 V AC/DC
Határérték 5–20%-a
24-48V ac/dc
20 V AC/DC
80 V AC/DC
Rögzített, határérték 3%-a
24-48V ac/dc
65 V AC/DC
260 V AC/DC
Határérték 5–20%-a
110-240V ac/dc
65 V AC/DC
260 V AC/DC
Rögzített, határérték 3%-a
110-240V ac/dc

Kiválasztott változat

Válassza ki az egyik változatot a listából

Ügyfélszolgálat
Hívjon minket bátran ha kérdése van.
Segítségre van szüksége?
Logo

Süti beállítások oemautomatic.hu

A Sütik segítenek javítani az Ön élményét velünk, tehát a belépési adatok kezelésében, személyre szabott tartalom megjelenítésében és néhány alapvető funkcióban Sütiket használunk.

Sosem fogjuk az ön információit eladni.

Elfogadhatja az összes Sütit vagy személyre szabhatja a Süti beállításait, ezeket a beállításokat az elérhetőség oldalunkon tudja változtatni.

Szükséges Sütik

Ezek a Sütik szükségesek az oldal működéséhez ezért ezeket nem lehet kikapcsolni a rendszerünkben. Csak az Ön kéréseire/lépéseire adnak választ a szerverünkről például beállítások megadása, belépéskor és adatkitöltéskor.

Analízis és mérési Sütik

Ezek a Sütik engedik, hogy vizsgáljuk az oldal látogatottságát és javítsuk annak teljesítményét. Megmutatják, hogy melyik lapok a többet, illetve kevesebbet látogatottak, illetve miként használják a látogatók az oldalt. Az információ, amit a Sütik gyűjtenek összeadódnak ezért ez teljesen anonim módon történik. Ha nem fogadja el ezeket a Sütiket nem tudjuk járt az oldalon.

Marketing Sütik

Ezeket a Sütiket a partnereink adhatják hozzá. Ezeket a Sütiket arra használhatják, hogy egy önről mintázott profilt képezzenek mellyel személyre szabott információt jeleníthetnek meg Önnek. Önről személyes információt nem tárolunk, kizárólag a böngészőjéről és eszközéről. Ha nem fogadja el ezeket a Sütiket, egy általános tapasztalata lesz, nem személyre szabott.