CROUZET CONTROL

1 fázisú túl-/aluláram vezérlő relé HIL, HIH

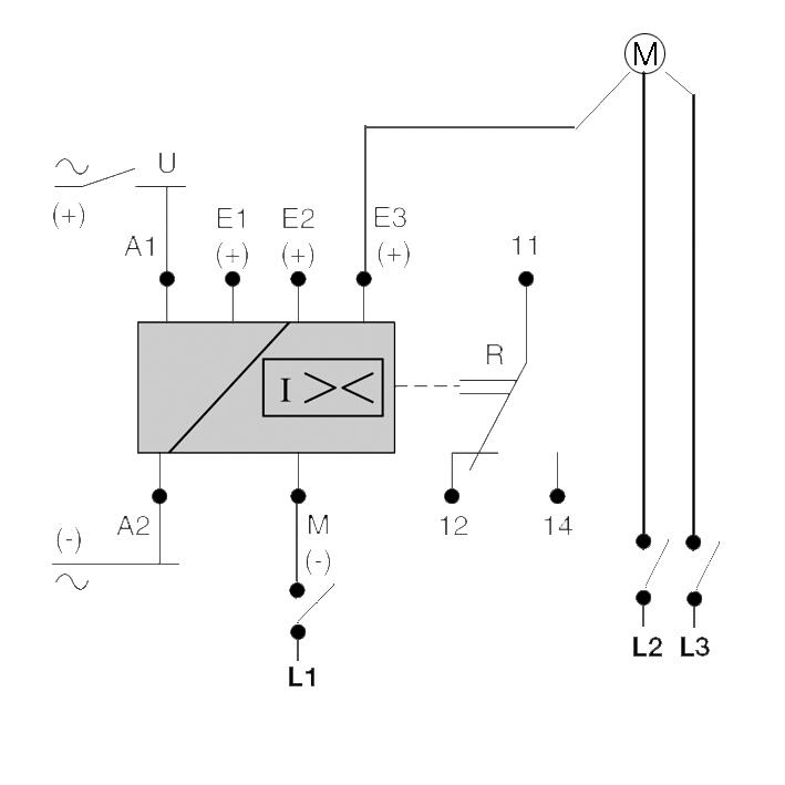
A HIL és HIH áramfigyelő relék 1 fázisú egyen- és váltakozó áramok figyelésére szolgálnak. A relé automatikusan felismeri, hogy milyen formájú áramot kell mérni. A relé tápfeszültséget igényel. Egy forgókapcsolóval lehet váltani a túláram és az áramcsökkenés között, memóriával vagy anélkül. A „memóriával” lehetőség választása esetén a relé újraindításához a tápfeszültséget le kell kapcsolni. A rendszer az üzemi feszültség bekapcsolásakor felismeri a kapcsoló állását és ezzel a relé üzemmódját. Ha a kapcsoló nem megfelelő állásban van, a relé nem működtethető, és villogó világítódiódák (LED) jelzik a hibás beállítást. Ha a kapcsolót működés közben átállítják, az összes világítódióda villogni kezd, a termék azonban továbbra is rendesen működik azzal a funkcióval, amely a legutolsó bekapcsoláskor be volt állítva. A világítódiódák visszaállnak normál működésre, ha a kapcsolót visszaállítják az eredeti helyzetbe, amely az első bekapcsolás előtt volt beállítva. A túláram és áramcsökkenés határértékei egy potenciométerrel állíthatók be, amelynek beosztása a figyelt áramerősség-tartomány százalékos értékeiből áll. A hiszterézis értékét ehhez hasonlóan lehet beállítani, ennek skálája a beállított határérték 5%-ától az 50%-áig terjed. A hiszterézis értéke nem lehet nagyobb a mérési tartomány határértékénél. A rövid idejű áramerősség-ingadozások figyelmen kívül hagyása érdekében mindkét relé késleltetéssel (Tt) működik. A HIL és HIH relében beállítható egy 1 és 20 másodperc közötti Ti indítási késleltetés is, amely az áramerősség csúcsainak és mélypontjainak figyelmen kívül hagyására szolgál indításkor. 10 A-nél nagyobb áramerősség esetében áramátalakítót lehet alkalmazni. A zöld LED (Un) azt jelzi, hogy a tápfeszültség rendben van. A sárga LED (R) azt jelzi, hogy a relékimenet aktív.

Az áramerősség-csökkenés funkció egyszerű üzemjelzőként használható annak figyelésére, hogy valami működik-e (áramot fogyaszt).

Bővebben
  • Két típus: HIL 2 mA-500 mA, HIH 0.1 A-10 A
  • Galvanikus szigetelés vezérlés/mérés
  • Automatizált AC vagy DC észlelés
  • 35 mm foglalat DIN sínnel

Kiválasztott változat

izé

Kiválasztott változat

Műszaki adatok

Beállítható kezdő határérték 10 %
Beállítható záró határérték 100 %
E1-M max. áramerősség <1s, 25 °C-on 17 A
E1-M max. egyenáram 25 °C-on 2 A
E1-M mérési tartomány 0,1-1A
E2-M max. áramerősség <1s, 25 °C-on 20 A
E2-M max. egyenáram 25 °C-on 11 A
E2-M mérési tartomány 0,5-5A
E3-M max. áramerősség <1s, 25 °C-on 50 A
E3-M max. egyenáram 25 °C-on 11 A
E3-M mérési tartomány 1-10A
Felszerelés DIN sín
Funkció Túláram vagy áramcsökkenés esetén riaszt
Hiszterézis Állítható 5–50%
Indítás késleltetése 1-20s
IP-osztály, csatlakozás IP20
IP-osztály, ház IP30
Jóváhagyások CE, CSA, RoHS, UL
Késleltetés a határérték átlépése esetén 0,1-3s
Kilépés Relé 2-polt vekslende
Max. tárolási hőmérséklet 70 °C
Max. üzemi hőmérséklet 50 °C
Megszakítókapacitás 5A, 250V AC/DC
Min. tárolási hőmérséklet -30 °C
Min. üzemi hőmérséklet -20 °C
Tápfeszültség 24-240V ac/dc
Tömeg 130 g

Mérések és kapcsolatok

Műszaki illusztrációk

Termékleírás

A HIL és HIH áramfigyelő relék 1 fázisú egyen- és váltakozó áramok figyelésére szolgálnak. A relé automatikusan felismeri, hogy milyen formájú áramot kell mérni. A relé tápfeszültséget igényel. Egy forgókapcsolóval lehet váltani a túláram és az áramcsökkenés között, memóriával vagy anélkül. A „memóriával” lehetőség választása esetén a relé újraindításához a tápfeszültséget le kell kapcsolni. A rendszer az üzemi feszültség bekapcsolásakor felismeri a kapcsoló állását és ezzel a relé üzemmódját. Ha a kapcsoló nem megfelelő állásban van, a relé nem működtethető, és villogó világítódiódák (LED) jelzik a hibás beállítást. Ha a kapcsolót működés közben átállítják, az összes világítódióda villogni kezd, a termék azonban továbbra is rendesen működik azzal a funkcióval, amely a legutolsó bekapcsoláskor be volt állítva. A világítódiódák visszaállnak normál működésre, ha a kapcsolót visszaállítják az eredeti helyzetbe, amely az első bekapcsolás előtt volt beállítva. A túláram és áramcsökkenés határértékei egy potenciométerrel állíthatók be, amelynek beosztása a figyelt áramerősség-tartomány százalékos értékeiből áll. A hiszterézis értékét ehhez hasonlóan lehet beállítani, ennek skálája a beállított határérték 5%-ától az 50%-áig terjed. A hiszterézis értéke nem lehet nagyobb a mérési tartomány határértékénél. A rövid idejű áramerősség-ingadozások figyelmen kívül hagyása érdekében mindkét relé késleltetéssel (Tt) működik. A HIL és HIH relében beállítható egy 1 és 20 másodperc közötti Ti indítási késleltetés is, amely az áramerősség csúcsainak és mélypontjainak figyelmen kívül hagyására szolgál indításkor. 10 A-nél nagyobb áramerősség esetében áramátalakítót lehet alkalmazni. A zöld LED (Un) azt jelzi, hogy a tápfeszültség rendben van. A sárga LED (R) azt jelzi, hogy a relékimenet aktív.

Az áramerősség-csökkenés funkció egyszerű üzemjelzőként használható annak figyelésére, hogy valami működik-e (áramot fogyaszt).

Kiegészítők

Iparinapjai
Termékhírek

Ipar napjai 2025

Az OEM Automatic Kft. csapata sikeresen részt vett a 2025. május 13–16. között megrendezett IPAR NAPJAI Nemzetközi Ipari Szakkiállításon.

s
Termékhírek

Seifert Systems

A Seifert Systems több mint fél évszázada élen jár az innovatív hűtési megoldások kifejlesztésében, amelyek a világ különböző iparágainak különféle igényeit elégítik ki.

SSP
Termékhírek

SSP - A biztonsági megoldások legújabb generációja

Az iparágak széles körét látjuk el gépbiztonsági termékekkel, például biztonsági vezérlőkkel, reteszelésekkel, fénysorompókkal, vezérlőegységekkel, biztonsági kerítésekkel, valamint biztonsági érzékelőkkel és vezeték nélküli biztonsági rendszerekkel.

aut
Termékhírek

Az Autonics hivatalos Magyarországi képviselői lettünk.

Az Autonics az automatizálási megoldások vezető szolgáltatója.
Termékeinket a mérnökök különböző ipari alkalmazásokban bíznak és alkalmazzák, beleértve az élelmiszer-gyártást és csomagolást, a műanyag- és gumifeldolgozást, a félvezető berendezéseket és a fémmegmunkáló gépeket.

puls
Termékhírek

PULS több fázisú tápegységek

A PULS a DIN-sínes tápegységek fejlesztésére és gyártására specializálódott. A magántulajdonban lévő és irányított vállalat úttörő szelleméről ismert, a tökéletesség és az innovatív ötletek iránt elkötelezett.

Tudás

IIOT - Ha digitalizálni akarja vállalkozását

Speciális termékterületeinkkel élvonalbeli szakértelemmel és széles termékválasztékkal rendelkezünk, hogy megkönnyítsük Önnek a lépést a digitális világba. Itt megtudhatja, hogyan

Változatok E1-M max. áramerősség <1s, 25 °C-on E1-M max. egyenáram 25 °C-on E1-M mérési tartomány E2-M max. áramerősség <1s, 25 °C-on E2-M max. egyenáram 25 °C-on E2-M mérési tartomány E3-M max. áramerősség <1s, 25 °C-on E3-M max. egyenáram 25 °C-on E3-M mérési tartomány Ár
17 A
2 A
0,1-1A
20 A
11 A
0,5-5A
50 A
11 A
1-10A
1 A
0,4 A
2-20mA
5 A
1 A
10-100mA
8 A
2 A
50-500mA

Kiválasztott változat

Válassza ki az egyik változatot a listából

Ügyfélszolgálat
Hívjon minket bátran ha kérdése van.
Segítségre van szüksége?
Logo

Süti beállítások oemautomatic.hu

A Sütik segítenek javítani az Ön élményét velünk, tehát a belépési adatok kezelésében, személyre szabott tartalom megjelenítésében és néhány alapvető funkcióban Sütiket használunk.

Sosem fogjuk az ön információit eladni.

Elfogadhatja az összes Sütit vagy személyre szabhatja a Süti beállításait, ezeket a beállításokat az elérhetőség oldalunkon tudja változtatni.

Szükséges Sütik

Ezek a Sütik szükségesek az oldal működéséhez ezért ezeket nem lehet kikapcsolni a rendszerünkben. Csak az Ön kéréseire/lépéseire adnak választ a szerverünkről például beállítások megadása, belépéskor és adatkitöltéskor.

Analízis és mérési Sütik

Ezek a Sütik engedik, hogy vizsgáljuk az oldal látogatottságát és javítsuk annak teljesítményét. Megmutatják, hogy melyik lapok a többet, illetve kevesebbet látogatottak, illetve miként használják a látogatók az oldalt. Az információ, amit a Sütik gyűjtenek összeadódnak ezért ez teljesen anonim módon történik. Ha nem fogadja el ezeket a Sütiket nem tudjuk járt az oldalon.

Marketing Sütik

Ezeket a Sütiket a partnereink adhatják hozzá. Ezeket a Sütiket arra használhatják, hogy egy önről mintázott profilt képezzenek mellyel személyre szabott információt jeleníthetnek meg Önnek. Önről személyes információt nem tárolunk, kizárólag a böngészőjéről és eszközéről. Ha nem fogadja el ezeket a Sütiket, egy általános tapasztalata lesz, nem személyre szabott.