DATASENSING

S7 - Száloptikai erősítő

DIN sínszál erősítő

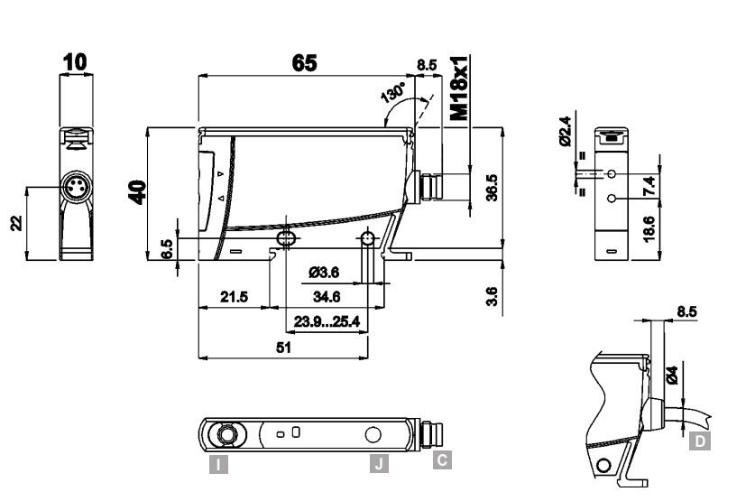
Az S7 erősítő jól látható kijelzője megkönnyíti a bejövő fény leolvasását. Az erősítőn választani lehet a nagy észlelési távolság és a gyors reakcióidő között. A betanítás a „Teach in” funkcióval történik , amely vagy a SET gombbal, vagy kívülről, kábelen keresztül működtethető.

Méretek

 

Bekötés

264260_812.eps

 

Adatlap

Adatlap

 

 

 

Megnevezés

Fájlformátum

 

Adatlap – S7

PDF

Letöltés

 

Bővebben
  • Az első optikai szál erősítő amit Európában gyártottak
  • Kis méret - csupán 10mm-es szélesség
  • Akár 50μs válaszidő
  • Egyszerű használat

Kiválasztott változat

izé

Kiválasztott változat

Műszaki adatok

Dimension (mm) 10 x 65 x 40
Elektromos csatlakozás Kábel, 2 m
Érzékenység beállítása Igen
Fotocellás technológia Erősített üvegszál
IP-osztály IP65
Jóváhagyások CE, UL
Kábelhossz 2000 mm
Kilépés PNP
LED-kijelzés Igen
Light type Fehér LED
Max. felvett teljesítmény 0,05 A
Max. kimeneti áram 0,1 A
Max. tárolási hőmérséklet 70 °C
Max. üzemi hőmérséklet 55 °C
Min. tárolási hőmérséklet -25 °C
Min. üzemi hőmérséklet -10 °C
Reakcióidő 0,05 ms
Tápfeszültség 12-24 V DC
Test anyaga ABS műanyag
Type of light LED
Tömeg 115 g

Termékleírás

Az S7 erősítő jól látható kijelzője megkönnyíti a bejövő fény leolvasását. Az erősítőn választani lehet a nagy észlelési távolság és a gyors reakcióidő között. A betanítás a „Teach in” funkcióval történik , amely vagy a SET gombbal, vagy kívülről, kábelen keresztül működtethető.

Méretek

 

Bekötés

264260_812.eps

 

Adatlap

Adatlap

 

 

 

Megnevezés

Fájlformátum

 

Adatlap – S7

PDF

Letöltés

 

Kiegészítők

Kapcsolódó termékek

Iparinapjai
Termékhírek

Ipar napjai 2025

Az OEM Automatic Kft. csapata sikeresen részt vett a 2025. május 13–16. között megrendezett IPAR NAPJAI Nemzetközi Ipari Szakkiállításon.

z
Termékhírek

A világ legkisebb biztonsági lézerszkennere a Hokuyo-tól

Az UAM-05 a világ legkisebb biztonsági lézerszkennere. A világ legintelligensebbje is. Mindössze 80x80x95 mm-es az építési mérete és kézfejtől a testpáncélig választható felbontással (30, 40, 50, 70 és 150 mm) rendelkezik.

SSP
Termékhírek

SSP - A biztonsági megoldások legújabb generációja

Az iparágak széles körét látjuk el gépbiztonsági termékekkel, például biztonsági vezérlőkkel, reteszelésekkel, fénysorompókkal, vezérlőegységekkel, biztonsági kerítésekkel, valamint biztonsági érzékelőkkel és vezeték nélküli biztonsági rendszerekkel.

aut
Termékhírek

Az Autonics hivatalos Magyarországi képviselői lettünk.

Az Autonics az automatizálási megoldások vezető szolgáltatója.
Termékeinket a mérnökök különböző ipari alkalmazásokban bíznak és alkalmazzák, beleértve az élelmiszer-gyártást és csomagolást, a műanyag- és gumifeldolgozást, a félvezető berendezéseket és a fémmegmunkáló gépeket.

j
Termékhírek

Tele Radio

A Tele Radio a biztonságos vezeték nélküli és rádiós távvezérlés szakértője. Fő tevékenységi területeik az ipari, ipari-, felvonó-, mobil-, ajtó-, kapu- és sorompó alkalmazások. Hidraulikus gépekhez is kínálnak távvezérlést.

Tudás

IIOT - Ha digitalizálni akarja vállalkozását

Speciális termékterületeinkkel élvonalbeli szakértelemmel és széles termékválasztékkal rendelkezünk, hogy megkönnyítsük Önnek a lépést a digitális világba. Itt megtudhatja, hogyan

Változatok Elektromos csatlakozás Érzékenység beállítása IP-osztály Kábelhossz Kilépés Light type Max. felvett teljesítmény Reakcióidő Tömeg Ár
M8, 4 pólusú csatlakozó
IP65
PNP
Fehér LED
0,05 A
0,05 ms
30 g
M8, 4 pólusú csatlakozó
IP65
NPN
Fehér LED
0,05 A
0,05 ms
30 g
Kábel, 2 m
IP65
2000 mm
PNP
Fehér LED
0,05 A
0,05 ms
115 g
Kábel, 2 m
IP65
2000 mm
NPN
Fehér LED
0,05 A
0,05 ms
115 g
Kábel, 2 m
IP60
2000 mm
PNP
Vörös LED
0,03 A
0,5 ms
115 g
Kábel, 2 m
IP60
2000 mm
NPN
Vörös LED
0,03 A
0,5 ms
115 g
M8, 4 pólusú csatlakozó
Teach In
IP65
PNP
Vörös LED
0,05 A
0,1 ms
30 g
M8, 4 pólusú csatlakozó
IP65
NPN
Vörös LED
0,05 A
0,1 ms
30 g
Kábel, 2 m
Teach In
IP65
2000 mm
PNP
Vörös LED
0,05 A
0,1 ms
115 g
Kábel, 2 m
IP65
2000 mm
NPN
Vörös LED
0,05 A
0,1 ms
115 g
M8, 4 pólusú csatlakozó
IP65
PNP
Vörös LED
0,04 A
0,5 ms
30 g
M8, 4 pólusú csatlakozó
IP65
NPN
Vörös LED
0,04 A
0,5 ms
30 g
M8, 4 pólusú csatlakozó
IP60
PNP
Vörös LED
0,03 A
0,5 ms
30 g
M8, 4 pólusú csatlakozó
IP60
NPN
Vörös LED
0,03 A
0,5 ms
30 g
Kábel, 2 m
IP65
2000 mm
PNP
Vörös LED
0,04 A
0,5 ms
115 g
Kábel, 2 m
IP65
2000 mm
NPN
Vörös LED
0,04 A
0,5 ms
115 g

Kiválasztott változat

Válassza ki az egyik változatot a listából

Ügyfélszolgálat
Hívjon minket bátran ha kérdése van.
Segítségre van szüksége?
Logo

Süti beállítások oemautomatic.hu

A Sütik segítenek javítani az Ön élményét velünk, tehát a belépési adatok kezelésében, személyre szabott tartalom megjelenítésében és néhány alapvető funkcióban Sütiket használunk.

Sosem fogjuk az ön információit eladni.

Elfogadhatja az összes Sütit vagy személyre szabhatja a Süti beállításait, ezeket a beállításokat az elérhetőség oldalunkon tudja változtatni.

Szükséges Sütik

Ezek a Sütik szükségesek az oldal működéséhez ezért ezeket nem lehet kikapcsolni a rendszerünkben. Csak az Ön kéréseire/lépéseire adnak választ a szerverünkről például beállítások megadása, belépéskor és adatkitöltéskor.

Analízis és mérési Sütik

Ezek a Sütik engedik, hogy vizsgáljuk az oldal látogatottságát és javítsuk annak teljesítményét. Megmutatják, hogy melyik lapok a többet, illetve kevesebbet látogatottak, illetve miként használják a látogatók az oldalt. Az információ, amit a Sütik gyűjtenek összeadódnak ezért ez teljesen anonim módon történik. Ha nem fogadja el ezeket a Sütiket nem tudjuk járt az oldalon.

Marketing Sütik

Ezeket a Sütiket a partnereink adhatják hozzá. Ezeket a Sütiket arra használhatják, hogy egy önről mintázott profilt képezzenek mellyel személyre szabott információt jeleníthetnek meg Önnek. Önről személyes információt nem tárolunk, kizárólag a böngészőjéről és eszközéről. Ha nem fogadja el ezeket a Sütiket, egy általános tapasztalata lesz, nem személyre szabott.