ELECTROMEN

EM-140A start/stop DC motor vezérlő

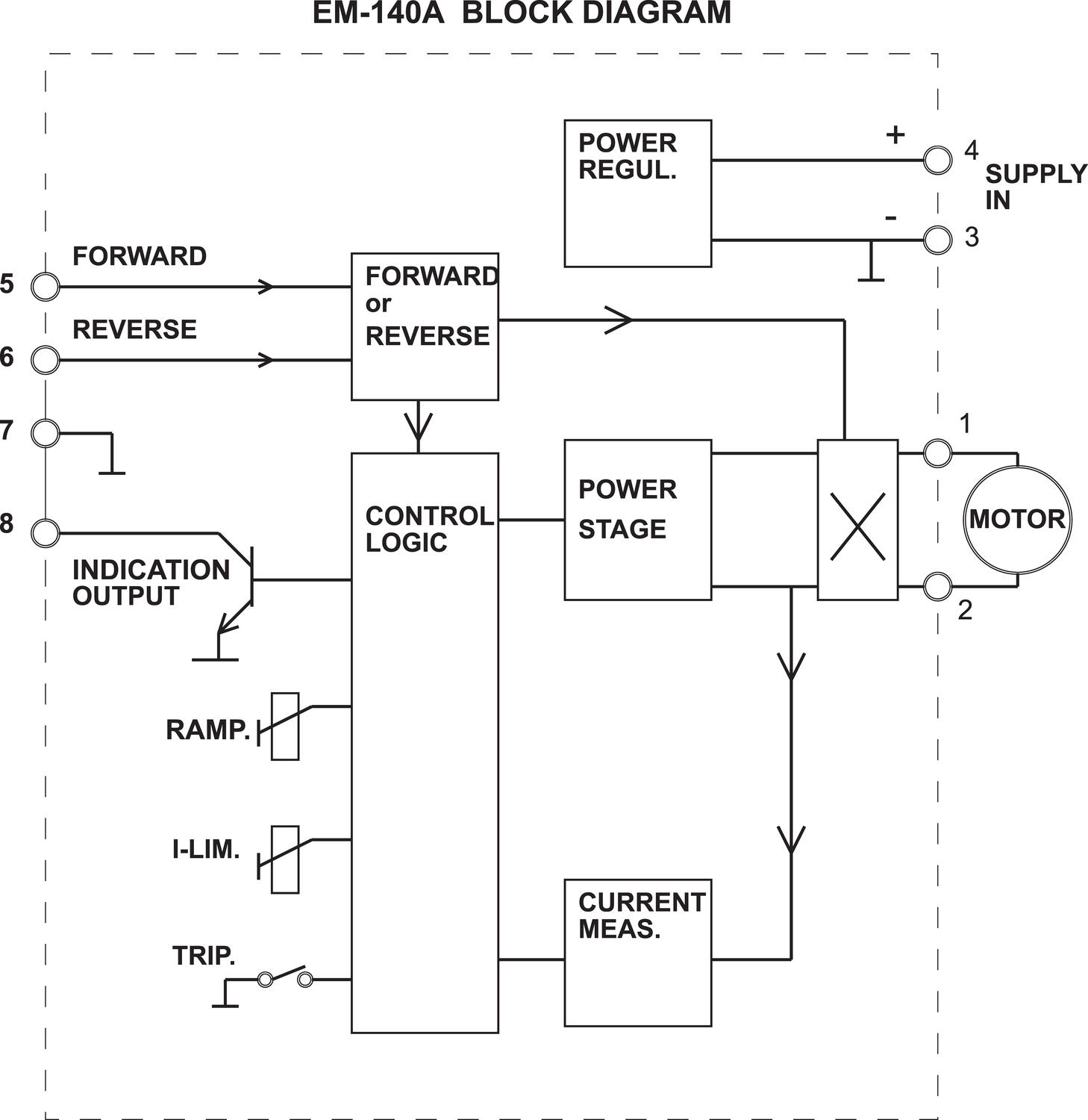
Az EM-140A egyenáramú motorvezérlés az egyenáramú motorok indítását/leállítását/rotációváltását szolgálja. Az eszköz fejlett áramerősség-korlátozással rendelkezik, amely védi a motort az indításkor és rögzítéskor.

Bővebben
  • 11-35 V/DC, 8 A (Speciális kivitel 30 A-ig)
  • Szabályozható irányváltás
  • Állítható áramfelvétel
  • DIN sín rögzítés elérhető

Kiválasztott változat

izé

Kiválasztott változat

Műszaki adatok

2053_Current limit (A) 1-20
2421_Peak current (A) 20
Áramerősség-beállítási tartomány 1-10 A
Felszerelés DIN sín
Impulzusszélesség-moduláció (PWM) frekvenciája 500Hz
Suitable engine DC
Supplier Electromen
Szabályozás típusa Irány, Forgatónyomaték, Fokozatos indítás/leállítás
Tápfeszültség 12 V DC, 24 V DC
Tömeg 70 g

Mérések és kapcsolatok

Termékleírás

Az EM-140A egyenáramú motorvezérlés az egyenáramú motorok indítását/leállítását/rotációváltását szolgálja. Az eszköz fejlett áramerősség-korlátozással rendelkezik, amely védi a motort az indításkor és rögzítéskor.

Kiegészítők

Inxpect Radar

Inxpect Radar

Az Inxpect Safety Studio egy hatékonyabb módot kínál a biztonsági radarok konfigurálására és kezelésére. Ez a szoftver gyorsabbá és intuitívabbá teszi a munkát, miközben csökkenti a tervezéstől a kész telepítésig eltelt időt – függetlenül attól, hogy már használod az Inxpect megoldásait, vagy egy új projekt előtt állsz.

Flexa vedelem

FLEXA Kábelvédelem járművekben

A járműipar folyamatos fejlődésen megy keresztül, ahol a járművek egyre inkább a kábelezéstől és gyakran összetett elektromos rendszerektől függenek.

Sustain3HU

Fenntarthatósági munkánk

Az OEM Automaticnál azt akarjuk tenni, ami helyes, és ez a fenntartható fejlődésre való törekvés. Fenntarthatósági munkánk középpontjában a pénzügyi stabilitás megteremtése a nyereséges növekedéssel, a negatív környezeti hatások csökkentése, a magas üzleti etika fenntartása, valamint a vonzó és egészséges munkahely megteremtése áll.

Brooksi

Precíz áramlászabályozás a tisztább jövőért

A Brooks Instrument a folyadék- és gázáramlás-mérés egyik legelismertebb gyártója. Termékeit évtizedek óta a legigényesebb ipari, gyártási és analitikai folyamatokban alkalmazzák világszerte.

VasutheadHU

Megbízható partner a vasúti szegmensben

A Vasút divízió már régóta nem csupán a klasszikus vonatokat foglalja magába. Ide soroljuk a villamosokat, autóbuszokat és más közlekedési eszközöket is, amelyeket naponta emberek milliói használnak világszerte.

z
Termékhírek

A világ legkisebb biztonsági lézerszkennere a Hokuyo-tól

Az UAM-05 a világ legkisebb biztonsági lézerszkennere. A világ legintelligensebbje is. Mindössze 80x80x95 mm-es az építési mérete és kézfejtől a testpáncélig választható felbontással (30, 40, 50, 70 és 150 mm) rendelkezik.

Változatok 2421_Peak current (A) Áramerősség-beállítási tartomány Felszerelés Impulzusszélesség-moduláció (PWM) frekvenciája Méretek Suitable engine Supplier Szabályozás típusa Tápfeszültség Ár
20
1-10 A
DIN sín
500Hz
DC
Electromen
Irány, Forgatónyomaték, Fokozatos indítás/leállítás
12 V DC, 24 V DC
43x73x35 mm

Kiválasztott változat

Válassza ki az egyik változatot a listából

Ügyfélszolgálat
Hívjon minket bátran ha kérdése van.
Segítségre van szüksége?