ASCO

Pillangószelep, 4/2

263 & 264 Sorozat

Beszállítónk, az Asco 263-as és 264-es sorozata pilotvezérelt csapószelepeket foglal magában.
Minden egyes szelep önálló termékként kapható, vagy könnyen nagyobb egységbe szerelhető össze.

A 263-as sorozat áramlási kapacitása 210 l/min, és lehetővé teszi a pneumatikus tömlő dugós csatlakozása vagy a G1/8" csatlakozása közötti választást.

A 264-es sorozat nagyobb áramlási kapacitása 840 l/min, és G1/4" csatlakozású.

Mindkét sorozathoz elérhetők azok az áramlásszabályozók, amelyeket közvetlenül a csatlakozásokra szerelnek fel.

A CNOMO 30 pilot csatlakozás és az ajánlott pilot sorozat a 189-es.

Bővebben
  • 210 & 840 l / perc térfogatáram
  • Önálló vagy blokk szerelés
  • A CNOMO 30 pilóta csatlakozása

Kiválasztott változat

izé

Kiválasztott változat

Műszaki adatok

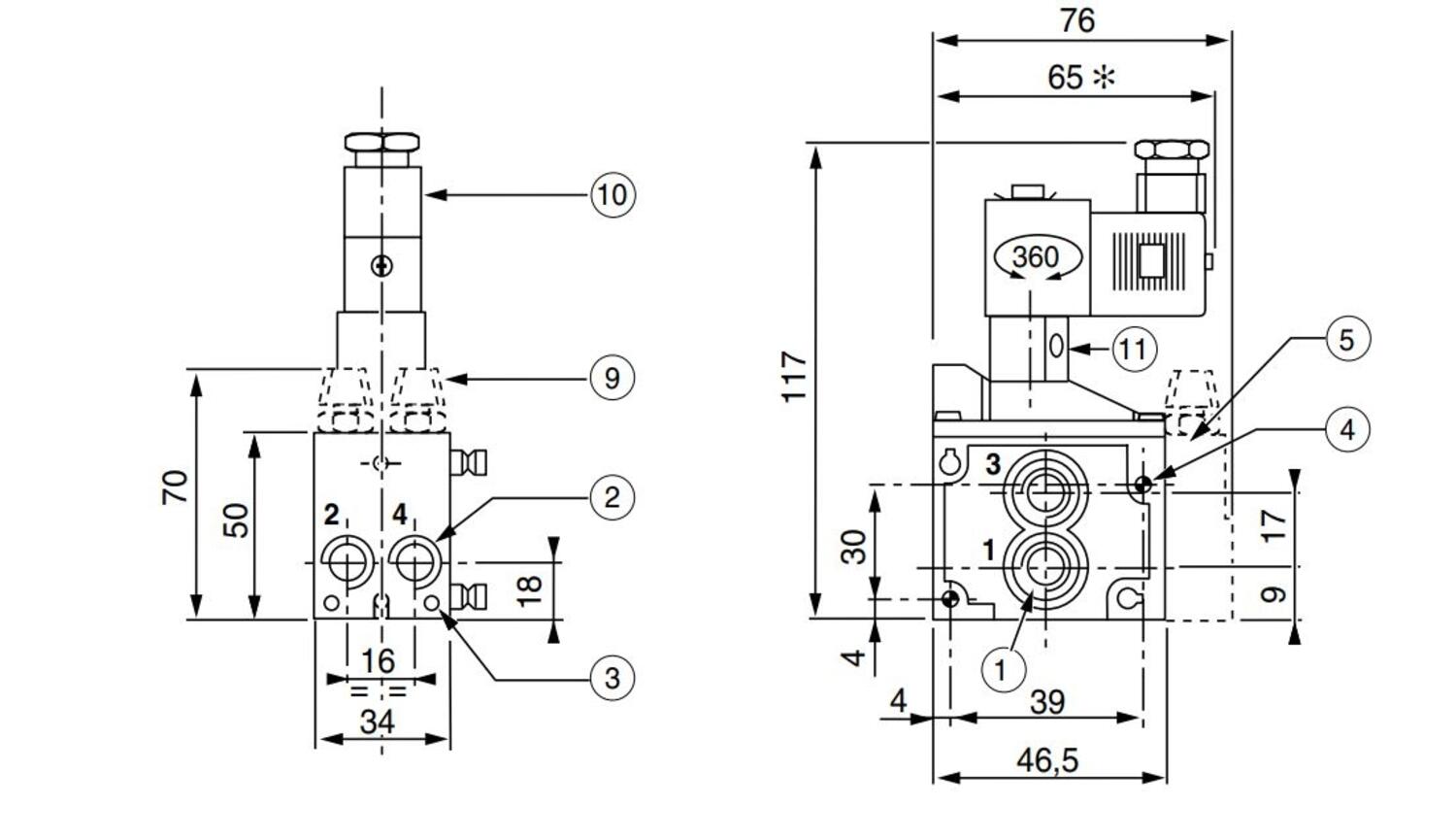
Mérések és kapcsolatok

Műszaki illusztrációk

Termékleírás

Beszállítónk, az Asco 263-as és 264-es sorozata pilotvezérelt csapószelepeket foglal magában.
Minden egyes szelep önálló termékként kapható, vagy könnyen nagyobb egységbe szerelhető össze.

A 263-as sorozat áramlási kapacitása 210 l/min, és lehetővé teszi a pneumatikus tömlő dugós csatlakozása vagy a G1/8" csatlakozása közötti választást.

A 264-es sorozat nagyobb áramlási kapacitása 840 l/min, és G1/4" csatlakozású.

Mindkét sorozathoz elérhetők azok az áramlásszabályozók, amelyeket közvetlenül a csatlakozásokra szerelnek fel.

A CNOMO 30 pilot csatlakozás és az ajánlott pilot sorozat a 189-es.

Kiegészítők

Kapcsolódó termékek

Változatok Ár

Kiválasztott változat

Válassza ki az egyik változatot a listából

Műszaki tanácsadás

TÓTH PÉTER

+36 20 576 32 33
E-mail küldése
Ügyfélszolgálat
Hívjon minket bátran ha kérdése van.
Segítségre van szüksége?
Logo

Süti beállítások oemautomatic.hu

A Sütik segítenek javítani az Ön élményét velünk, tehát a belépési adatok kezelésében, személyre szabott tartalom megjelenítésében és néhány alapvető funkcióban Sütiket használunk.

Sosem fogjuk az ön információit eladni.

Elfogadhatja az összes Sütit vagy személyre szabhatja a Süti beállításait, ezeket a beállításokat az elérhetőség oldalunkon tudja változtatni.

Szükséges Sütik

Ezek a Sütik szükségesek az oldal működéséhez ezért ezeket nem lehet kikapcsolni a rendszerünkben. Csak az Ön kéréseire/lépéseire adnak választ a szerverünkről például beállítások megadása, belépéskor és adatkitöltéskor.

Analízis és mérési Sütik

Ezek a Sütik engedik, hogy vizsgáljuk az oldal látogatottságát és javítsuk annak teljesítményét. Megmutatják, hogy melyik lapok a többet, illetve kevesebbet látogatottak, illetve miként használják a látogatók az oldalt. Az információ, amit a Sütik gyűjtenek összeadódnak ezért ez teljesen anonim módon történik. Ha nem fogadja el ezeket a Sütiket nem tudjuk járt az oldalon.

Marketing Sütik

Ezeket a Sütiket a partnereink adhatják hozzá. Ezeket a Sütiket arra használhatják, hogy egy önről mintázott profilt képezzenek mellyel személyre szabott információt jeleníthetnek meg Önnek. Önről személyes információt nem tárolunk, kizárólag a böngészőjéről és eszközéről. Ha nem fogadja el ezeket a Sütiket, egy általános tapasztalata lesz, nem személyre szabott.