ASCO

L133 széria

L133 Sorozat

  • Nincs szükség nyomáskülönbségre.
  • Zárt rendszerekhez vagy tartályok kiürítéséhez alkalmas.
  • Üzemi nyomás 0-10 bar. (0-8 bar DC tekercsekhez)
  • NBR, FPM (Viton) vagy EPDM tömítések lehetősége.

Kiválasztott változat

izé

Kiválasztott változat

Műszaki adatok

Áteresztőképesség 12,5 mm
Belső alkatrészek anyaga Rozsdamentes acél, PPS
Csatlakozás G3/8"
Elektromos csatlakozás DIN A 43650
Feszültség, AC 230 V
Funkció 1 2/2
Funkció 2 Rendszerint zárt
Illesztési felület anyaga Sárgaréz
IP-osztály IP67
Környezeti hőmérséklet ettől: -10 °C
Közegek Levegő, gáz, víz és olaj
Közeghőmérséklet eddig: 90 °C
Közeghőmérséklet ettől: -10 °C
Max. differenciálnyomás 10 bar
Max. nyomás 16 bar
Max. viszkozitás 37 cSt
Membrán anyaga NBR
Min. differenciálnyomás 0 bar
Nyomófej anyaga Rozsdamentes acél
Rugó anyaga Rozsdamentes acél
Rövidzárási gyűrű anyaga Réz
Szállítási tényező / szállítási együttható 2
Tekercs anyaga PPS
Test anyaga Sárgaréz
Tömeg 0,34 kg
Tömítések anyaga NBR
Válaszidő ki 400 ms
Zárás késleltetése 100 ms

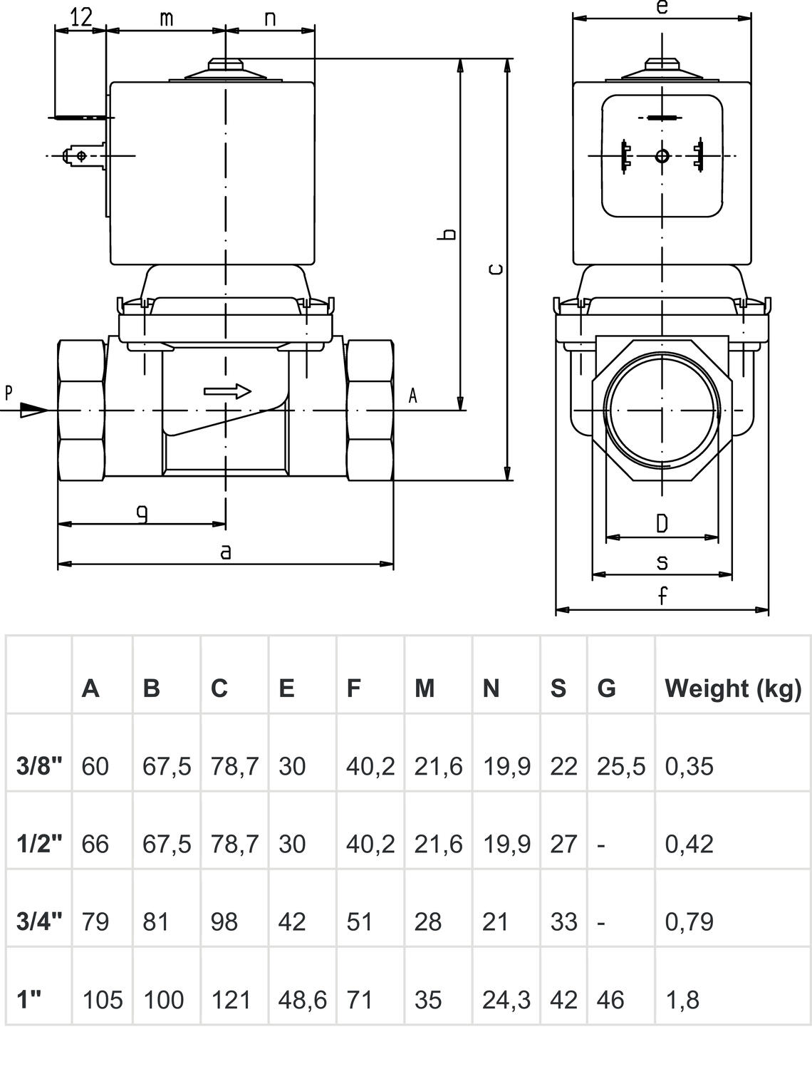
Mérések és kapcsolatok

Kiegészítők

Változatok Áteresztőképesség Belső alkatrészek anyaga Csatlakozás Feszültség, AC Feszültség, DC IP-osztály Közeghőmérséklet eddig: Max. differenciálnyomás Szállítási tényező / szállítási együttható Tekercs anyaga Teljesítmény Tömeg Ár
12,5 mm
Rozsdamentes acél, PPS
G3/8"
230 V
IP67
90 °C
10 bar
2
PPS
0,34 kg
12,5 mm
Rozsdamentes acél, PPS
G1/2"
230 V
IP67
90 °C
10 bar
2,2
PPS
0,41 kg
17 mm
Sárgaréz, Rozsdamentes acél
G3/4"
24 V
IP65
90 °C
3 bar
4,5
PET
13 W
0,79 kg
17 mm
Sárgaréz, Rozsdamentes acél
G3/4"
230 V
IP65
90 °C
10 bar
4,5
PET
0,79 kg
24 mm
Sárgaréz, Rozsdamentes acél
G1"
24 V
IP65
90 °C
3 bar
9
PPS
17 W
1,81 kg
24 mm
Sárgaréz, Rozsdamentes acél
G1"
230 V
IP65
80 °C
10 bar
9
PPS
1,81 kg

Kiválasztott változat

Válassza ki az egyik változatot a listából

Műszaki tanácsadás

TÓTH PÉTER

+36 20 576 32 33
E-mail küldése
Ügyfélszolgálat
Hívjon minket bátran ha kérdése van.
Segítségre van szüksége?
Logo

Süti beállítások oemautomatic.hu

A Sütik segítenek javítani az Ön élményét velünk, tehát a belépési adatok kezelésében, személyre szabott tartalom megjelenítésében és néhány alapvető funkcióban Sütiket használunk.

Sosem fogjuk az ön információit eladni.

Elfogadhatja az összes Sütit vagy személyre szabhatja a Süti beállításait, ezeket a beállításokat az elérhetőség oldalunkon tudja változtatni.

Szükséges Sütik

Ezek a Sütik szükségesek az oldal működéséhez ezért ezeket nem lehet kikapcsolni a rendszerünkben. Csak az Ön kéréseire/lépéseire adnak választ a szerverünkről például beállítások megadása, belépéskor és adatkitöltéskor.

Analízis és mérési Sütik

Ezek a Sütik engedik, hogy vizsgáljuk az oldal látogatottságát és javítsuk annak teljesítményét. Megmutatják, hogy melyik lapok a többet, illetve kevesebbet látogatottak, illetve miként használják a látogatók az oldalt. Az információ, amit a Sütik gyűjtenek összeadódnak ezért ez teljesen anonim módon történik. Ha nem fogadja el ezeket a Sütiket nem tudjuk járt az oldalon.

Marketing Sütik

Ezeket a Sütiket a partnereink adhatják hozzá. Ezeket a Sütiket arra használhatják, hogy egy önről mintázott profilt képezzenek mellyel személyre szabott információt jeleníthetnek meg Önnek. Önről személyes információt nem tárolunk, kizárólag a böngészőjéről és eszközéről. Ha nem fogadja el ezeket a Sütiket, egy általános tapasztalata lesz, nem személyre szabott.