ASCO

2/2 Gőzszelep 3/8"-2"

220 Sorozat

 

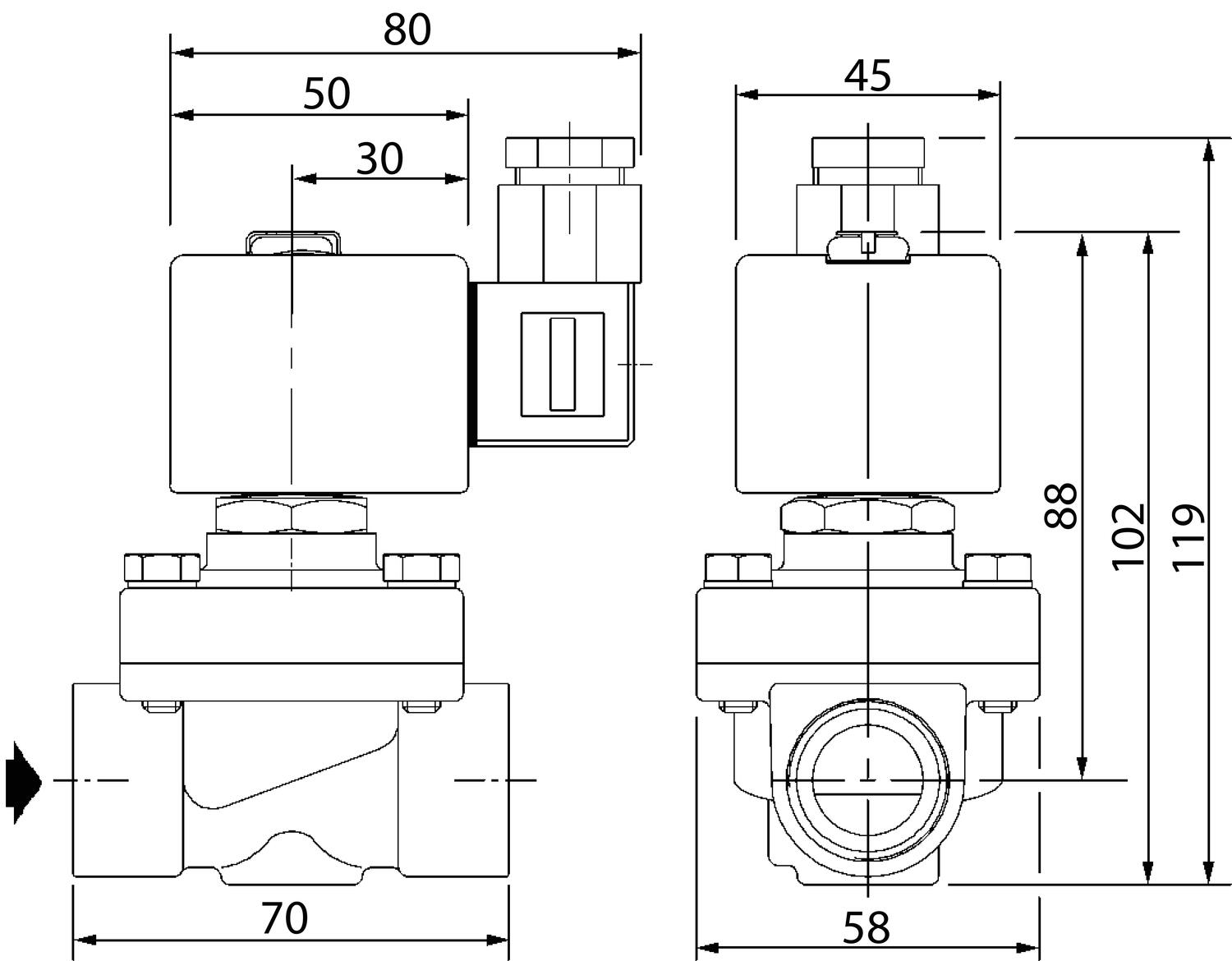
Méretek

1. ábra

Ábra 2. ábra

Szög

A

B

C

D

E

F

G

H

J

K

L

Tömeg (kg)

Irány

SCE220

 

 

 

 

 

 

 

 

 

 

 

 

 

A019

80

50

30

70

45

58

88

102

119

0,9

2. ábra 2

A021

80

50

30

70

45

58

88

102

119

0,9

2. ábra 2

A023

80

50

30

71

45

58

92

109

126

1,0

2. ábra 2

025

80

50

30

47

95

45

25

78

106

147

162

1,8

2. ábra 1

027

80

50

30

46

93

45

29

89

106

147

162

2,1

2. ábra 1

029

80

50

30

55

111

45

33

104

110

160

175

2,8

2. ábra 1

030

80

50

30

64

129

45

38

119

120

190

205

4,6

2. ábra 1

 

 

Speciális kivitel

  • További feszültségek
  • Robbanásbiztos kivitel

 

Bővebben
  • Alaphelyzetben zárt
  • Közeg hőmérséklet 185 °C-ig
  • Működésinyomás 0.35 - 10 bar, gőz
  • Sárgaréz ház
  • Sárgaréz test

Kiválasztott változat

izé

Kiválasztott változat

Műszaki adatok

Áteresztőképesség 16 mm
Csatlakozás 3/8 BSP
Felvett teljesítmény 10,5 W
Feszültség, AC 230 V
Funkció 1 2/2
Funkció 2 Rendszerint zárt
Illesztési felület anyaga Sárgaréz
Illesztési felület tömítésének anyaga PTFE
IP-osztály IP65
Közegek Forró víz vagy gőz
Közeghőmérséklet eddig: 184 °C
Közeghőmérséklet ettől: -20 °C
Max. differenciál levegőnyomás 10 bar
Max. differenciál víznyomás 10 bar
Max. differenciálnyomás 10 bar
Max. nyomás 10 bar
Max. szállítás 43 l/min
Max. üzemi hőmérséklet 40 °C
Min. differenciálnyomás 0,35 bar
Min. üzemi hőmérséklet -20 °C
Nyomófej anyaga Rozsdamentes acél
Rugó anyaga Rozsdamentes acél
Rövidzárási gyűrű anyaga Réz
Tekercs anyaga Epoxi
Test anyaga Sárgaréz
Type of valve Solenoid valve
Tömítések anyaga EPDM
Válaszidő ki 120 ms
Zárás késleltetése 40 ms

Termékleírás

 

Méretek

1. ábra

Ábra 2. ábra

Szög

A

B

C

D

E

F

G

H

J

K

L

Tömeg (kg)

Irány

SCE220

 

 

 

 

 

 

 

 

 

 

 

 

 

A019

80

50

30

70

45

58

88

102

119

0,9

2. ábra 2

A021

80

50

30

70

45

58

88

102

119

0,9

2. ábra 2

A023

80

50

30

71

45

58

92

109

126

1,0

2. ábra 2

025

80

50

30

47

95

45

25

78

106

147

162

1,8

2. ábra 1

027

80

50

30

46

93

45

29

89

106

147

162

2,1

2. ábra 1

029

80

50

30

55

111

45

33

104

110

160

175

2,8

2. ábra 1

030

80

50

30

64

129

45

38

119

120

190

205

4,6

2. ábra 1

 

 

Speciális kivitel

  • További feszültségek
  • Robbanásbiztos kivitel

 

Kiegészítők

Változatok Áteresztőképesség Csatlakozás Max. szállítás Ár
16 mm
3/8 BSP
43 l/min
16 mm
1/2 BSP
58 l/min
19 mm
3/4 BSP
72 l/min
25 mm
G1"
193 l/min
28 mm
1 1/4 BSP
213 l/min
32 mm
1 1/2 BSP
325 l/min
44 mm
G2
617 l/min

Kiválasztott változat

Válassza ki az egyik változatot a listából

Műszaki tanácsadás

TÓTH PÉTER

+36 20 576 32 33
E-mail küldése
Ügyfélszolgálat
Hívjon minket bátran ha kérdése van.
Segítségre van szüksége?
Logo

Süti beállítások oemautomatic.hu

A Sütik segítenek javítani az Ön élményét velünk, tehát a belépési adatok kezelésében, személyre szabott tartalom megjelenítésében és néhány alapvető funkcióban Sütiket használunk.

Sosem fogjuk az ön információit eladni.

Elfogadhatja az összes Sütit vagy személyre szabhatja a Süti beállításait, ezeket a beállításokat az elérhetőség oldalunkon tudja változtatni.

Szükséges Sütik

Ezek a Sütik szükségesek az oldal működéséhez ezért ezeket nem lehet kikapcsolni a rendszerünkben. Csak az Ön kéréseire/lépéseire adnak választ a szerverünkről például beállítások megadása, belépéskor és adatkitöltéskor.

Analízis és mérési Sütik

Ezek a Sütik engedik, hogy vizsgáljuk az oldal látogatottságát és javítsuk annak teljesítményét. Megmutatják, hogy melyik lapok a többet, illetve kevesebbet látogatottak, illetve miként használják a látogatók az oldalt. Az információ, amit a Sütik gyűjtenek összeadódnak ezért ez teljesen anonim módon történik. Ha nem fogadja el ezeket a Sütiket nem tudjuk járt az oldalon.

Marketing Sütik

Ezeket a Sütiket a partnereink adhatják hozzá. Ezeket a Sütiket arra használhatják, hogy egy önről mintázott profilt képezzenek mellyel személyre szabott információt jeleníthetnek meg Önnek. Önről személyes információt nem tárolunk, kizárólag a böngészőjéről és eszközéről. Ha nem fogadja el ezeket a Sütiket, egy általános tapasztalata lesz, nem személyre szabott.