ASCO
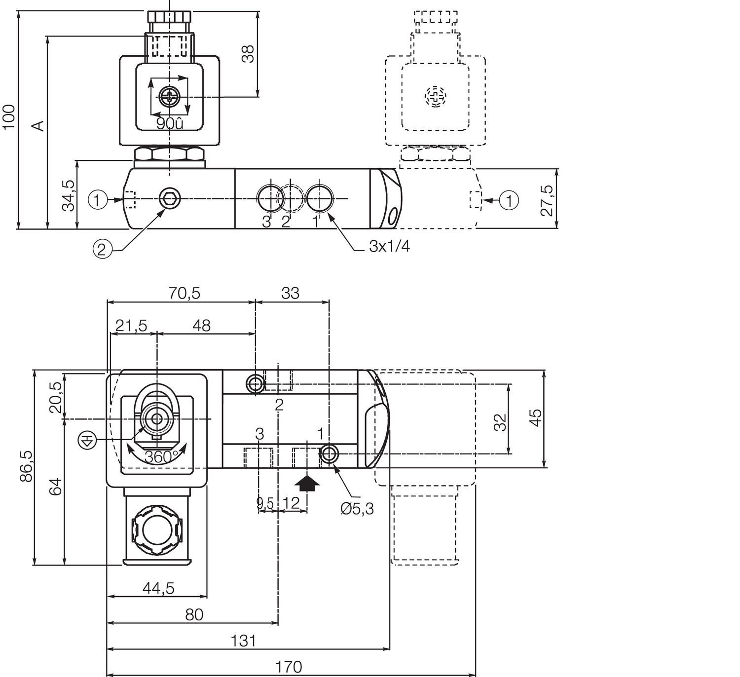
551-es szelep saválló acélból, AISI 316L, 3/2, 5/2 vagy 5/3-as funkcióval.
Részben inline változatban 860 l/min áramlásig, részben NAMUR-változatban 700 l/min teljesítményhez
A szelep TÜV-tanúsítvánnyal rendelkezik, és rendkívül alkalmas nehéz igénybevételű környezetekhez, mivel az egész sorozat környezeti védelemmel rendelkezik, vagyis mindennemű bemenő és kimenő levegő a portokon keresztül halad.
Ez azt jelenti, hogy a környezetben lévő szennyező anyagok nem juthatnak a szelep belsejébe, és nem károsíthatják azt.
A környezeti védelem azt is jelenti, hogy a szelep ideális tiszta helyiségekben, valamint egészségügyi és élelmiszeripari felhasználásra, mivel a szellőzés teljes egészében elvezethető.
A szelep hőmérséklet-tartománya -40 °C és +60 °C között van. Többféle tekercsváltozattal is kapható, standard és ATEX-besorolású kivitelben a legtöbb létező feszültséggel.
Ha a szelepet alacsony munkanyomás vezérlésére kell használni, a szelepben egész egyszerűen meg kell fordítani egy tömítést, és a pilot szelepet külön, az extra porton keresztül egészen a pilot szelepig kell nyomással ellátni.
| Áteresztőképesség | 6 mm |
|---|---|
| Belső alkatrészek anyaga | POM, Rozsdamentes acél |
| Csatlakozás | G1/4 |
| Felszerelés | Önálló |
| Felvett teljesítmény | 11,2 W |
| Feszültség, DC | 24 V |
| Funkció | 3/2, Elektromos, rugós visszaállással a kiindulási helyzetbe, Rendszerint zárt |
| Illesztési felület anyaga | Rozsdamentes acél |
| Illesztési felület tömítésének anyaga | POM |
| IP-osztály | IP65 |
| Jóváhagyások | IEC, TÜV |
| Kézi üzemeltetés | Igen |
| Közegek | Sűrített levegő és semleges gázok |
| Max. differenciálnyomás | 10 bar |
| Max. nyomás | 10 bar |
| Max. szállítás | 860 l/min |
|---|---|
| Max. üzemi hőmérséklet | 80 °C |
| Membrán anyaga | FPM |
| Min. differenciálnyomás | 0 bar |
| Min. üzemi hőmérséklet | -40 °C |
| Nyomófej anyaga | Rozsdamentes acél |
| Rövidzárási gyűrű anyaga | Ezüst |
| Rövidzárlat-védelem | Igen |
| Szállítási tényező / szállítási együttható | 12.5 |
| Tekercs anyaga | Epoxi |
| Test anyaga | Rozsdamentes acél 316L |
| Tömeg | 1,19 kg |
| Tömítések anyaga | NBR |
551-es szelep saválló acélból, AISI 316L, 3/2, 5/2 vagy 5/3-as funkcióval.
Részben inline változatban 860 l/min áramlásig, részben NAMUR-változatban 700 l/min teljesítményhez
A szelep TÜV-tanúsítvánnyal rendelkezik, és rendkívül alkalmas nehéz igénybevételű környezetekhez, mivel az egész sorozat környezeti védelemmel rendelkezik, vagyis mindennemű bemenő és kimenő levegő a portokon keresztül halad.
Ez azt jelenti, hogy a környezetben lévő szennyező anyagok nem juthatnak a szelep belsejébe, és nem károsíthatják azt.
A környezeti védelem azt is jelenti, hogy a szelep ideális tiszta helyiségekben, valamint egészségügyi és élelmiszeripari felhasználásra, mivel a szellőzés teljes egészében elvezethető.
A szelep hőmérséklet-tartománya -40 °C és +60 °C között van. Többféle tekercsváltozattal is kapható, standard és ATEX-besorolású kivitelben a legtöbb létező feszültséggel.
Ha a szelepet alacsony munkanyomás vezérlésére kell használni, a szelepben egész egyszerűen meg kell fordítani egy tömítést, és a pilot szelepet külön, az extra porton keresztül egészen a pilot szelepig kell nyomással ellátni.
Tapasztald meg az erőt a Wika csúcstechnológiás erőmérési megoldásaival
Optimalizálja a termelést, növelje a megbízhatóságot és csökkentse az üzemeltetési költségeket.
A Jabsco és a Flojet, a vezérelt szivattyúzási technológiák piacvezetői, olyan megoldásokat kínálnak, amelyek minden kritikus folyamatban garantálják a precíz és stabil teljesítményt
Az OEM Automatic Kft. csapata sikeresen részt vett a 2025. május 13–16. között megrendezett IPAR NAPJAI Nemzetközi Ipari Szakkiállításon.
Hatékonyság és egyszerűség – ezt a kombinációt tartalmazza a Brooks Instrument új SLA BIOTECH MFC sorozata.
Az L3 Neo a szint- és nyomásérzékelők új generációja – Nagyobb pontosság.Nagyobb megbízhatóság.Egyszerűbb használat
|
|
|
|
|
|
||
|---|---|---|---|---|---|---|
|
|
|
|
|
|
||
|
|
|
|
|
|
||
|
|
|
|
|
|
||
|
|
|
|
|
|
||
|
|
|
|
|
|
||
|
|
|
|
|
|
| Változatok | Felszerelés | Feszültség, AC | Feszültség, DC | Funkció | Kézi üzemeltetés | Max. szállítás | Ár | ||
|---|---|---|---|---|---|---|---|---|---|
|
Szelep, 3/2 NC Monost. 24 V DC SS316
Cikkszám
SCG551A413MOS3
Másolva
|
Önálló
|
|
24 V
|
3/2, Elektromos, rugós visszaállással a kiindulási helyzetbe, Rendszerint zárt
|
Igen
|
860 l/min
|
|
||
|
Szelep, 3/2 NC Monost. 230/50–60 SS316
Cikkszám
SCG551A413MO
Másolva
|
Önálló
|
230 V
|
|
3/2, Elektromos, rugós visszaállással a kiindulási helyzetbe, Rendszerint zárt
|
|
860 l/min
|
|
||
|
Szelep, 5/2 monost. 316 r.m. acél 24 V DC G1/4"
Cikkszám
SCG551A421MOS3
Másolva
|
Önálló
|
|
24 V
|
5/2, Elektromos, rugós visszaállással a kiindulási helyzetbe
|
|
860 l/min
|
|
||
|
Szelep, 5/2 monost. 316 r.m. acél 230 V AC. G1/4"
Cikkszám
SCG551A421MO
Másolva
|
Önálló
|
|
|
5/2, Elektromos, rugós visszaállással a kiindulási helyzetbe
|
|
860 l/min
|
|
||
|
Szelep, 5/2 bistabil. 316 r.m. acél 24 V DC. G1/4"
Cikkszám
SCG551A422MOS3
Másolva
|
Önálló
|
|
24 V
|
5/2, Elektromos
|
|
860 l/min
|
|
||
|
Szelep, 5/2 bistabil. 316 r.m. acél 230 V AC. G1/4"
Cikkszám
SCG551A422MO
Másolva
|
Önálló
|
230 V
|
|
5/2, Elektromos
|
|
860 l/min
|
|
||
|
Szelep, NAMUR. 316 r.m. acél, monost. 24 V DC.
Cikkszám
SCG551A409MOS3
Másolva
|
NAMUR szabvány
|
|
24 V
|
3/2-5/2, Elektromos, rugós visszaállással a kiindulási helyzetbe, NAMUR, Rendszerint zárt
|
|
700 l/min
|
|
||
|
Szelep, NAMUR. 316 r.m. acél, monost. 230/50–60
Cikkszám
SCG551A409MO
Másolva
|
NAMUR szabvány
|
230 V
|
|
3/2-5/2, Elektromos, rugós visszaállással a kiindulási helyzetbe, NAMUR, Rendszerint zárt
|
|
700 l/min
|
|
||
|
Szelep, 3/2–5/2 NAMUR. 316 r.m. acél, bist. 24 V DC.
Cikkszám
SCG551A410MOS3
Másolva
|
NAMUR szabvány
|
|
24 V
|
3/2-5/2, Elektromos, NAMUR, Rendszerint zárt
|
|
700 l/min
|
|
||
|
Szelep, 3/2–5/2 NAMUR. 316 r.m. acél, bist. 230V AC.
Cikkszám
SCG551A410MO
Másolva
|
NAMUR szabvány
|
230 V
|
|
3/2-5/2, Elektromos, NAMUR, Rendszerint zárt
|
|
700 l/min
|
|
Válassza ki az egyik változatot a listából
TÓTH PÉTER