ASCO

Pneumatikus szelep extrém környezetre, RG 3/8 \"

L23 Sorozat

Az L sorozatú szelepek az egyedülálló „orsó és hüvely” kialakításuknak köszönhetően jól használhatók, ha a por, a magas hőmérséklet, a magas működési frekvencia stb. gondot okoz.

A burkolat edzett rozsdamentes acélból készül, és teljesen szabadon fut egy azonos anyagból készült, perforált hüvelyben.

Ezeket együtt csiszolják be, és mivel a tűréshatár 1 µm, a belső szivárgás általában elhanyagolható.

A tolókán nincsenek O-gyűrűk vagy más tömítések, és ennek köszönhetően garantálható a 200 millió műszakos mechanikus élettartam.

Ezután megvásárolható a felújító készlet, amely könnyen cserélhető tolókából és csövekből áll, majd újra 200 millió műszakos használatot biztosít.

A szelep érzéketlen a porra és hasonlókra, mivel a részecskék nem tapadnak meg, hanem a légtelenítő nyílásokon keresztül gyorsan kiürülnek anélkül, hogy karcolásokat stb. okoznának.

Ha Viton® tömítésekkel szerelt szelepet rendel, a levegővezérelt kivitelben +150 °C-ig használható.

Elektromos hajtású kivitelben a tekercs korlátozza a maximális hőmérsékletet, de ez speciális kialakítás esetén 100 °C fölé is mehet.

A szelepen lévő tömítés elforgatásával könnyen át lehet váltani a belső és a külső pilotbetáplálás között.

 

Bővebben
  • 1700 l/min áramlás
  • Hőmérséklet tartomány -20 és +80 ° C között
  • 150 ° C hőmérsékletig rendelhető
  • Levegő, gáz közegekre
  • Az orsó élettartama> 200 millió ciklus

Kiválasztott változat

izé

Kiválasztott változat

Műszaki adatok

Belső alkatrészek anyaga Rozsdamentes acél
Csatlakozás 3/8 BSP
Felszerelés Nincs
Felvett teljesítmény 3,35 W
Feszültség, DC 24 V
Funkció 1 5/2
Funkció 2 Elektromos, rugós visszaállással a kiindulási helyzetbe
IP-osztály IP65
Közegek Sűrített levegő és semleges gázok
Max. differenciálnyomás 10 bar
Max. nyomás 10 bar
Max. szállítás 1700 l/min
Max. üzemi hőmérséklet 80 °C
Min. differenciálnyomás 0 bar
Min. üzemi hőmérséklet -20 °C
Nyomófej anyaga Rozsdamentes acél
Rövidzárási gyűrű anyaga Réz
Szállítási tényező / szállítási együttható 1,48
Tekercs anyaga Hőre lágyuló műanyag
Test anyaga Eloxált alumínium
Tömeg 0,39 kg

Letöltések

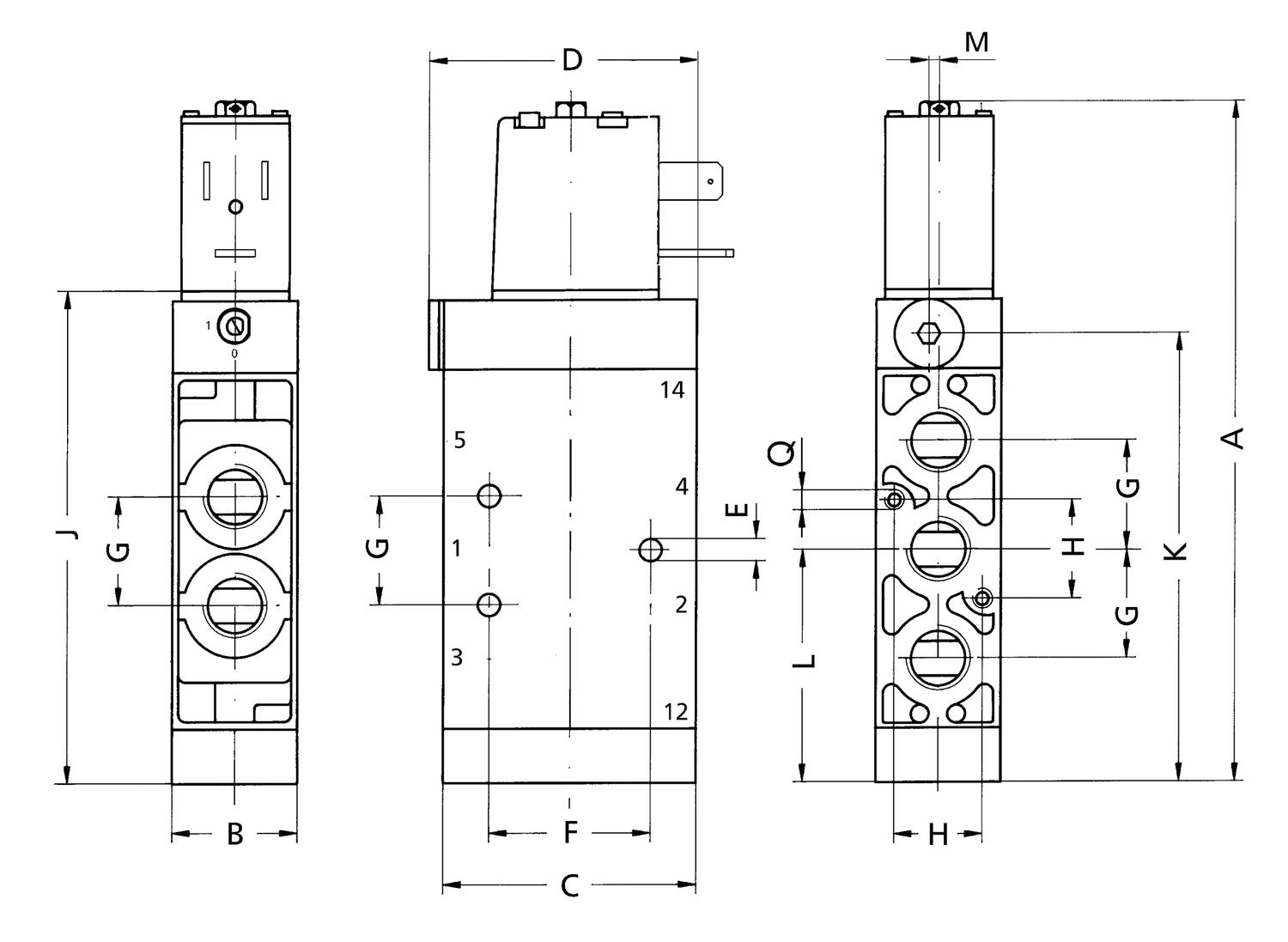
Mérések és kapcsolatok

Műszaki illusztrációk

Termékleírás

Az L sorozatú szelepek az egyedülálló „orsó és hüvely” kialakításuknak köszönhetően jól használhatók, ha a por, a magas hőmérséklet, a magas működési frekvencia stb. gondot okoz.

A burkolat edzett rozsdamentes acélból készül, és teljesen szabadon fut egy azonos anyagból készült, perforált hüvelyben.

Ezeket együtt csiszolják be, és mivel a tűréshatár 1 µm, a belső szivárgás általában elhanyagolható.

A tolókán nincsenek O-gyűrűk vagy más tömítések, és ennek köszönhetően garantálható a 200 millió műszakos mechanikus élettartam.

Ezután megvásárolható a felújító készlet, amely könnyen cserélhető tolókából és csövekből áll, majd újra 200 millió műszakos használatot biztosít.

A szelep érzéketlen a porra és hasonlókra, mivel a részecskék nem tapadnak meg, hanem a légtelenítő nyílásokon keresztül gyorsan kiürülnek anélkül, hogy karcolásokat stb. okoznának.

Ha Viton® tömítésekkel szerelt szelepet rendel, a levegővezérelt kivitelben +150 °C-ig használható.

Elektromos hajtású kivitelben a tekercs korlátozza a maximális hőmérsékletet, de ez speciális kialakítás esetén 100 °C fölé is mehet.

A szelepen lévő tömítés elforgatásával könnyen át lehet váltani a belső és a külső pilotbetáplálás között.

 

Kiegészítők

Változatok Funkció 1 Funkció 2 Tömeg Ár
5/2
Elektromos, rugós visszaállással a kiindulási helyzetbe
0,39 kg
5/2
Elektromos
0,55 kg
5/3
Szellőztetett középső rész, Elektromos
0,55 kg
5/3
Elektromos, Zárt középső rész
0,55 kg
5/3
Elektromos, Nyomás alatt lévő középső rész
0,55 kg

Kiválasztott változat

Válassza ki az egyik változatot a listából

Műszaki tanácsadás

TÓTH PÉTER

+36 20 576 32 33
E-mail küldése
Ügyfélszolgálat
Hívjon minket bátran ha kérdése van.
Segítségre van szüksége?
Logo

Süti beállítások oemautomatic.hu

A Sütik segítenek javítani az Ön élményét velünk, tehát a belépési adatok kezelésében, személyre szabott tartalom megjelenítésében és néhány alapvető funkcióban Sütiket használunk.

Sosem fogjuk az ön információit eladni.

Elfogadhatja az összes Sütit vagy személyre szabhatja a Süti beállításait, ezeket a beállításokat az elérhetőség oldalunkon tudja változtatni.

Szükséges Sütik

Ezek a Sütik szükségesek az oldal működéséhez ezért ezeket nem lehet kikapcsolni a rendszerünkben. Csak az Ön kéréseire/lépéseire adnak választ a szerverünkről például beállítások megadása, belépéskor és adatkitöltéskor.

Analízis és mérési Sütik

Ezek a Sütik engedik, hogy vizsgáljuk az oldal látogatottságát és javítsuk annak teljesítményét. Megmutatják, hogy melyik lapok a többet, illetve kevesebbet látogatottak, illetve miként használják a látogatók az oldalt. Az információ, amit a Sütik gyűjtenek összeadódnak ezért ez teljesen anonim módon történik. Ha nem fogadja el ezeket a Sütiket nem tudjuk járt az oldalon.

Marketing Sütik

Ezeket a Sütiket a partnereink adhatják hozzá. Ezeket a Sütiket arra használhatják, hogy egy önről mintázott profilt képezzenek mellyel személyre szabott információt jeleníthetnek meg Önnek. Önről személyes információt nem tárolunk, kizárólag a böngészőjéről és eszközéről. Ha nem fogadja el ezeket a Sütiket, egy általános tapasztalata lesz, nem személyre szabott.