ASCO

Levegővel működtetett szelep extrém környezetben, RG 3/8 \"

L23 Sorozat

Az L sorozatú szelepek az egyedülálló „orsó és hüvely” kialakításuknak köszönhetően jól használhatók, ha a por, a magas hőmérséklet, a magas működési frekvencia stb. gondot okoz. A burkolat edzett rozsdamentes acélból készül, és teljesen szabadon fut egy azonos anyagból készült, perforált hüvelyben. Ezeket együtt csiszolják be, és mivel a tűréshatár 1 µm, a belső szivárgás általában elhanyagolható. A tolókán nincsenek O-gyűrűk vagy más tömítések, és ennek köszönhetően garantálható a 200 millió műszakos mechanikus élettartam. Ezután megvásárolható a felújító készlet, amely könnyen cserélhető tolókából és csövekből áll, majd újra 200 millió műszakos használatot biztosít.

 

A szelep érzéketlen a porra és hasonlókra, mivel a részecskék nem tapadnak meg, hanem a légtelenítő nyílásokon keresztül gyorsan kiürülnek anélkül, hogy karcolásokat stb. okoznának. Ha Viton® tömítésekkel szerelt szelepet rendel, a levegővezérelt kivitelben +150 °C-ig használható. Elektromos hajtású kivitelben a tekercs korlátozza a maximális hőmérsékletet, de speciális kialakítás esetén 100 °C fölé is mehet. A szelepen lévő tömítés elforgatásával könnyen át lehet váltani a belső és a külső pilotbetáplálás között.

Műszaki adatok

Közeg

Levegő és semleges gázok, kenéssel vagy kenés nélkül, min. 50 μm szűrés

Üzemi nyomás

Vákuum 10 barig (opcionálisan akár 21 barig)

Áramlás

1700 Nl/min Cv 1,7

Környezeti hőmérséklet

-20-tól 80 °C-ig

Reakcióidő

Bekapcsolás 10 ms, kikapcsolás 35 ms

Védelmi fokozat

IP65

 

Szerkezet

Szelep

Típus

Tolószelep, orsó és hüvely (spool-and-sleeve)

Szelepház

Eloxált alumínium

Hengervégek

Eloxált alumínium

Belső alkatrészek

Edzett rozsdamentes acél, acetál (POM), alumíniumötvözet

Visszahúzó rugó

Rozsdamentes acél

Tömítések

Nitril (NBR)

Szerelés

Önállóan vagy elosztólécen

Csatlakozások

G3/8"

Ház

Alumíniumötvözet

Tömítések

Nitril (NBR)

Funkciószimbólumok

5/2 monostabil

5/2 bistabil

5/3 Zárt középső helyzet

5/3 Légtelenített középső helyzet

5/3 Nyomás alatti középső helyzet

Function symbol 5/2 Air-feather

Function symbol 5/2 Air-air

Function symbol 5/3 Air-feather closed centre

Function symbol 5/3 Air-feather venting centre

Function symbol 5/3 Air-feather, prepressurized centre

 

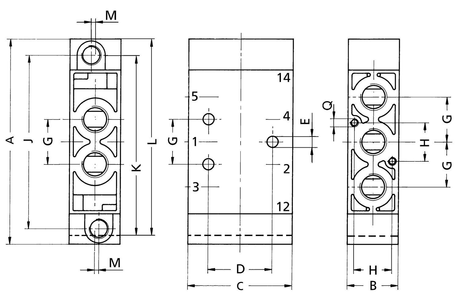
Méretek

 

L22PA dimension A

Funkció

A

B

C

D

E

F

G

H

Tömeg (g)

PA4

22,2

41,1

M3x12

3,3

24,4

18,0

18,0

0,270

PP4, 5, 6, 7

91,6

2,2

41,1

M3x12

3,3

24,4

18,0

18,0

0,440

 

Rendelési szám

Rendelési sz.

Megnevezés

 

 

L23PA4520G00000

Monostabil 5/2 szelep. Rugós visszahúzású, levegővezérlésű szelep

L23PP4520G00000

Bistabil 5/2 szelep. Levegővezérlésű, maradó

L23PP5520G00000

5/3 szelep légtelenített középső helyzettel

L23PP6520G00000

5/3 szelep zárt középső helyzettel

 

Speciális kivitel

• 15 bar üzemi nyomás

Csatlakozás G1/4"

• NPT-csatlakozás 1/4" vagy 3/8"

• Akár +150 °C hőmérsékletig

 

Tartozékok

• Szerelés elosztólécre, kattintson ide

Bővebben
  • Áramlás 1700 l / perc
  • -20 és +80 ° C közötti hőmérséklettartomány (kérésre +150 ° C-ig)
  • Az élettartam akár 20 millió ciklus
  • Ellenáll a pornak és a részecskéknek
  • Ellenáll a szennyeződésnek

Kiválasztott változat

izé

Kiválasztott változat

Műszaki adatok

Belső alkatrészek anyaga Alumínium, POM, Rozsdamentes acél
Csatlakozás 3/8 BSP
Csatlakozás, levegő 1/8 BSP
Felszerelés Önálló
Funkció 5/2, Pneumatikus, rugós visszaállás a kiindulási helyzetbe
IP-osztály IP65
Jóváhagyások IEC, TÜV
Kézi üzemeltetés Nem
Közegek Sűrített levegő és semleges gázok
Max. differenciálnyomás 10 bar
Max. ellenőrző nyomás 10 bar
Max. nyomás 10 bar
Max. szállítás 1700 l/min
Max. üzemi hőmérséklet 80 °C
Min. differenciálnyomás 0 bar
Min. ellenőrző nyomás 2 bar
Min. üzemi hőmérséklet -20 °C
Rövidzárlat-védelem Nem
Test anyaga Eloxált alumínium
Type of valve Air controlled
Tömeg 0,29 kg
Tömítések anyaga NBR

Mérések és kapcsolatok

Műszaki illusztrációk

Termékleírás

Az L sorozatú szelepek az egyedülálló „orsó és hüvely” kialakításuknak köszönhetően jól használhatók, ha a por, a magas hőmérséklet, a magas működési frekvencia stb. gondot okoz. A burkolat edzett rozsdamentes acélból készül, és teljesen szabadon fut egy azonos anyagból készült, perforált hüvelyben. Ezeket együtt csiszolják be, és mivel a tűréshatár 1 µm, a belső szivárgás általában elhanyagolható. A tolókán nincsenek O-gyűrűk vagy más tömítések, és ennek köszönhetően garantálható a 200 millió műszakos mechanikus élettartam. Ezután megvásárolható a felújító készlet, amely könnyen cserélhető tolókából és csövekből áll, majd újra 200 millió műszakos használatot biztosít.

 

A szelep érzéketlen a porra és hasonlókra, mivel a részecskék nem tapadnak meg, hanem a légtelenítő nyílásokon keresztül gyorsan kiürülnek anélkül, hogy karcolásokat stb. okoznának. Ha Viton® tömítésekkel szerelt szelepet rendel, a levegővezérelt kivitelben +150 °C-ig használható. Elektromos hajtású kivitelben a tekercs korlátozza a maximális hőmérsékletet, de speciális kialakítás esetén 100 °C fölé is mehet. A szelepen lévő tömítés elforgatásával könnyen át lehet váltani a belső és a külső pilotbetáplálás között.

Műszaki adatok

Közeg

Levegő és semleges gázok, kenéssel vagy kenés nélkül, min. 50 μm szűrés

Üzemi nyomás

Vákuum 10 barig (opcionálisan akár 21 barig)

Áramlás

1700 Nl/min Cv 1,7

Környezeti hőmérséklet

-20-tól 80 °C-ig

Reakcióidő

Bekapcsolás 10 ms, kikapcsolás 35 ms

Védelmi fokozat

IP65

 

Szerkezet

Szelep

Típus

Tolószelep, orsó és hüvely (spool-and-sleeve)

Szelepház

Eloxált alumínium

Hengervégek

Eloxált alumínium

Belső alkatrészek

Edzett rozsdamentes acél, acetál (POM), alumíniumötvözet

Visszahúzó rugó

Rozsdamentes acél

Tömítések

Nitril (NBR)

Szerelés

Önállóan vagy elosztólécen

Csatlakozások

G3/8"

Ház

Alumíniumötvözet

Tömítések

Nitril (NBR)

Funkciószimbólumok

5/2 monostabil

5/2 bistabil

5/3 Zárt középső helyzet

5/3 Légtelenített középső helyzet

5/3 Nyomás alatti középső helyzet

Function symbol 5/2 Air-feather

Function symbol 5/2 Air-air

Function symbol 5/3 Air-feather closed centre

Function symbol 5/3 Air-feather venting centre

Function symbol 5/3 Air-feather, prepressurized centre

 

Méretek

 

L22PA dimension A

Funkció

A

B

C

D

E

F

G

H

Tömeg (g)

PA4

22,2

41,1

M3x12

3,3

24,4

18,0

18,0

0,270

PP4, 5, 6, 7

91,6

2,2

41,1

M3x12

3,3

24,4

18,0

18,0

0,440

 

Rendelési szám

Rendelési sz.

Megnevezés

 

 

L23PA4520G00000

Monostabil 5/2 szelep. Rugós visszahúzású, levegővezérlésű szelep

L23PP4520G00000

Bistabil 5/2 szelep. Levegővezérlésű, maradó

L23PP5520G00000

5/3 szelep légtelenített középső helyzettel

L23PP6520G00000

5/3 szelep zárt középső helyzettel

 

Speciális kivitel

• 15 bar üzemi nyomás

Csatlakozás G1/4"

• NPT-csatlakozás 1/4" vagy 3/8"

• Akár +150 °C hőmérsékletig

 

Tartozékok

• Szerelés elosztólécre, kattintson ide

Kiegészítők

Változatok Funkció Tömeg Ár
5/2, Pneumatikus, rugós visszaállás a kiindulási helyzetbe
0,29 kg
5/2, Pneumatikus hajtású
0,31 kg
5/3, Szellőztetett középső rész, Pneumatikus hajtású
0,31 kg
5/3, Pneumatikus hajtású, Zárt középső rész
0,31 kg

Kiválasztott változat

Válassza ki az egyik változatot a listából

Műszaki tanácsadás

TÓTH PÉTER

+36 20 576 32 33
E-mail küldése
Ügyfélszolgálat
Hívjon minket bátran ha kérdése van.
Segítségre van szüksége?
Logo

Süti beállítások oemautomatic.hu

A Sütik segítenek javítani az Ön élményét velünk, tehát a belépési adatok kezelésében, személyre szabott tartalom megjelenítésében és néhány alapvető funkcióban Sütiket használunk.

Sosem fogjuk az ön információit eladni.

Elfogadhatja az összes Sütit vagy személyre szabhatja a Süti beállításait, ezeket a beállításokat az elérhetőség oldalunkon tudja változtatni.

Szükséges Sütik

Ezek a Sütik szükségesek az oldal működéséhez ezért ezeket nem lehet kikapcsolni a rendszerünkben. Csak az Ön kéréseire/lépéseire adnak választ a szerverünkről például beállítások megadása, belépéskor és adatkitöltéskor.

Analízis és mérési Sütik

Ezek a Sütik engedik, hogy vizsgáljuk az oldal látogatottságát és javítsuk annak teljesítményét. Megmutatják, hogy melyik lapok a többet, illetve kevesebbet látogatottak, illetve miként használják a látogatók az oldalt. Az információ, amit a Sütik gyűjtenek összeadódnak ezért ez teljesen anonim módon történik. Ha nem fogadja el ezeket a Sütiket nem tudjuk járt az oldalon.

Marketing Sütik

Ezeket a Sütiket a partnereink adhatják hozzá. Ezeket a Sütiket arra használhatják, hogy egy önről mintázott profilt képezzenek mellyel személyre szabott információt jeleníthetnek meg Önnek. Önről személyes információt nem tárolunk, kizárólag a böngészőjéről és eszközéről. Ha nem fogadja el ezeket a Sütiket, egy általános tapasztalata lesz, nem személyre szabott.