ASCO
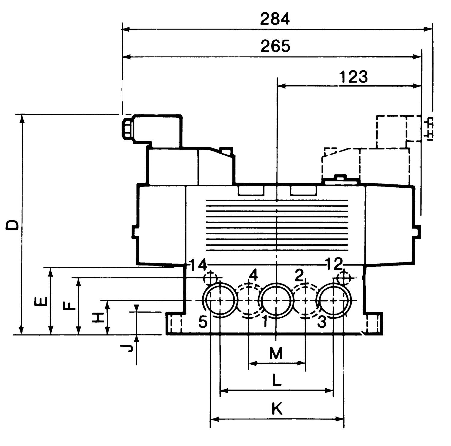
Az ISO-szelepek mérettől függően szabványos lyukakkal rendelkeznek az alaplemezhez, és olyan alkalmazásokban használják őket, ahol nagy áramlási kapacitás szükséges.
A szelep ún. többfunkciós szelep, felső részén ugyanis elforgatható tömítések ülnek, amelyekkel át lehet váltani a belső és a külső pilotbetáplálás között.
Egy adapterlemez felszerelésével ugyanakkor lehetőség van elektromos pilot szelep elhelyezésére is, ha levegővezérlésre van szükség. Az ISO-szelepek a pilot szelepek széles választékában kaphatók, és a leggyakoribb ATEX-besorolással is elérhetők.
| Belső alkatrészek anyaga | Alumínium, POM |
|---|---|
| Felszerelés | Alaplemez, CNOMO30, ISO 4 |
| Funkció 1 | 5/2 |
| Funkció 2 | Pillanatnyi |
| Közegek | Sűrített levegő és semleges gázok |
| Max. ellenőrző nyomás | 12 bar |
| Max. szállítás | 7000 l/min |
| Max. tápnyomás | 12 bar |
| Max. üzemi hőmérséklet | 60 °C |
| Min. ellenőrző nyomás | 2 bar |
| Min. tápnyomás | 0,99 bar |
| Min. üzemi hőmérséklet | -10 °C |
| Test anyaga | Acél |
| Tömeg | 1 kg |
| Tömítések anyaga | NBR, PUR |
Az ISO-szelepek mérettől függően szabványos lyukakkal rendelkeznek az alaplemezhez, és olyan alkalmazásokban használják őket, ahol nagy áramlási kapacitás szükséges.
A szelep ún. többfunkciós szelep, felső részén ugyanis elforgatható tömítések ülnek, amelyekkel át lehet váltani a belső és a külső pilotbetáplálás között.
Egy adapterlemez felszerelésével ugyanakkor lehetőség van elektromos pilot szelep elhelyezésére is, ha levegővezérlésre van szükség. Az ISO-szelepek a pilot szelepek széles választékában kaphatók, és a leggyakoribb ATEX-besorolással is elérhetők.
Tapasztald meg az erőt a Wika csúcstechnológiás erőmérési megoldásaival
Optimalizálja a termelést, növelje a megbízhatóságot és csökkentse az üzemeltetési költségeket.
A Jabsco és a Flojet, a vezérelt szivattyúzási technológiák piacvezetői, olyan megoldásokat kínálnak, amelyek minden kritikus folyamatban garantálják a precíz és stabil teljesítményt
Az OEM Automatic Kft. csapata sikeresen részt vett a 2025. május 13–16. között megrendezett IPAR NAPJAI Nemzetközi Ipari Szakkiállításon.
Hatékonyság és egyszerűség – ezt a kombinációt tartalmazza a Brooks Instrument új SLA BIOTECH MFC sorozata.
Az L3 Neo a szint- és nyomásérzékelők új generációja – Nagyobb pontosság.Nagyobb megbízhatóság.Egyszerűbb használat
|
|
|
|
|
|
||
|---|---|---|---|---|---|---|
|
|
|
|
|
|
||
|
|
|
|
|
|
||
|
|
|
|
|
|
||
|
|
|
|
|
|
||
|
|
|
|
|
|
||
|
|
|
|
|
|
| Változatok | Funkció 1 | Funkció 2 | Ár | ||
|---|---|---|---|---|---|
|
Szelep, 5/2, ISO 4. Monostabil, ellenőrzés nélkül
Cikkszám
54490017
Másolva
|
5/2
|
Pillanatnyi
|
|
||
|
Szelep, 5/2, ISO 4, monostabil, ellenőrzés nélkül
Cikkszám
54490018
Másolva
|
5/2
|
Elektromos, kiegyenlítődésalapú visszaállással a kiindulási helyzetbe
|
|
||
|
Szelep, 5/2, ISO 4, monostabil, levegős visszavezetés, ellenőrzés nélkül
Cikkszám
54490019
Másolva
|
5/2
|
Elektromos, Pneumatikus hajtású
|
|
||
|
SZELEP,5/2,ISO4,EL-EL,CNOMO
Cikkszám
54490021
Másolva
|
5/2
|
Elektromos, Pneumatikus hajtású
|
|
||
|
Szelep, 5/3, ISO 4. Középállásban zárt, ellenőrzés nélkül
Cikkszám
54490022
Másolva
|
5/3
|
Zárt középső rész
|
|
||
|
SZELEP,5/3W3,ISO4,EL-EL,CNOMO
Cikkszám
54490023
Másolva
|
5/3
|
Szellőztetett középső rész
|
|
Válassza ki az egyik változatot a listából
TÓTH PÉTER