ASCO
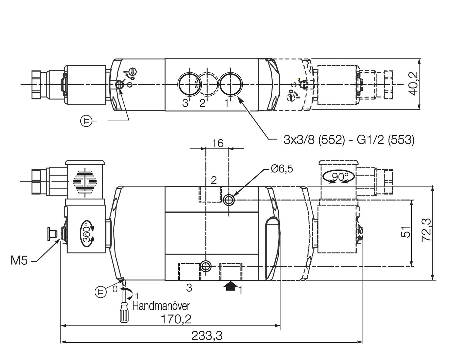
Ugyanolyan kivitelű szelep, mint az 551-es sorozat, de nagyobb, G1/2" méretű.
Az 553-as sorozat a nagy áramlást a letisztult formatervezéssel kombinálja, és számos kivitelben kapható, például a legtöbb feszültséghez, sőt robbanásbiztos tokozatban is.
Az összes szelep az alapkivitelben is védett a környezeti hatásokkal szemben, vagyis a belső részek el vannak szigetelve a külső környezettől.
A környezeti hatásokkal szembeni védelem nagyon előnyös a kültéri alkalmazásokban, valamint nedves vagy poros, továbbá olyan érzékeny környezetekben, amilyen például az élelmiszeripar.
| Áteresztőképesség | 13 mm |
|---|---|
| Belső alkatrészek anyaga | Alumínium, POM, Rozsdamentes acél |
| Csatlakozás | 1/2 BSP |
| Felszerelés | Nincs |
| Felvett teljesítmény | 6,9 W |
| Funkció 1 | 3/2 |
| Funkció 2 | Elektromos, rugós visszaállással a kiindulási helyzetbe, Rendszerint zárt |
| IP-osztály | IP65 |
| Jóváhagyások | IEC, TÜV |
| Kézi üzemeltetés | Igen |
| Közegek | Sűrített levegő és semleges gázok |
| Max. differenciálnyomás | 10 bar |
| Max. nyomás | 10 bar |
| Max. szállítás | 3800 l/min |
| Max. üzemi hőmérséklet | 60 °C |
|---|---|
| Min. differenciálnyomás | 2 bar |
| Min. üzemi hőmérséklet | -25 °C |
| Nyomófej anyaga | Rozsdamentes acél |
| Rövidzárási gyűrű anyaga | Réz |
| Rövidzárlat-védelem | Igen |
| Szállítási tényező / szállítási együttható | 52,5 |
| Tekercs típusa | 25 |
| Test anyaga | Eloxált alumínium |
| Tömeg | 0,84 kg |
| Tömítések anyaga | NBR, PUR |
| Válaszidő ki | 14 ms |
| Zárás késleltetése | 11 ms |
Ugyanolyan kivitelű szelep, mint az 551-es sorozat, de nagyobb, G1/2" méretű.
Az 553-as sorozat a nagy áramlást a letisztult formatervezéssel kombinálja, és számos kivitelben kapható, például a legtöbb feszültséghez, sőt robbanásbiztos tokozatban is.
Az összes szelep az alapkivitelben is védett a környezeti hatásokkal szemben, vagyis a belső részek el vannak szigetelve a külső környezettől.
A környezeti hatásokkal szembeni védelem nagyon előnyös a kültéri alkalmazásokban, valamint nedves vagy poros, továbbá olyan érzékeny környezetekben, amilyen például az élelmiszeripar.
Tapasztald meg az erőt a Wika csúcstechnológiás erőmérési megoldásaival
Optimalizálja a termelést, növelje a megbízhatóságot és csökkentse az üzemeltetési költségeket.
A Jabsco és a Flojet, a vezérelt szivattyúzási technológiák piacvezetői, olyan megoldásokat kínálnak, amelyek minden kritikus folyamatban garantálják a precíz és stabil teljesítményt
Az OEM Automatic Kft. csapata sikeresen részt vett a 2025. május 13–16. között megrendezett IPAR NAPJAI Nemzetközi Ipari Szakkiállításon.
Hatékonyság és egyszerűség – ezt a kombinációt tartalmazza a Brooks Instrument új SLA BIOTECH MFC sorozata.
Az L3 Neo a szint- és nyomásérzékelők új generációja – Nagyobb pontosság.Nagyobb megbízhatóság.Egyszerűbb használat
|
|
|
|
|
|
||
|---|---|---|---|---|---|---|
|
|
|
|
|
|
||
|
|
|
|
|
|
||
|
|
|
|
|
|
||
|
|
|
|
|
|
||
|
|
|
|
|
|
||
|
|
|
|
|
|
| Változatok | Feszültség, DC | Funkció 1 | Funkció 2 | Tekercs anyaga | Ár | ||
|---|---|---|---|---|---|---|---|
|
Szelep, 3/2 NC. Monostabil, tekercs nélkül. G1/2"
Cikkszám
G553A005MS
Másolva
|
|
3/2
|
Elektromos, rugós visszaállással a kiindulási helyzetbe, Rendszerint zárt
|
|
| ||
|
SZELEP, 3/2, G1/2", EL-FJ, 24 V DC
Cikkszám
SCG553A005MSS3
Másolva
|
24 V
|
3/2
|
Elektromos, rugós visszaállással a kiindulási helyzetbe, Rendszerint zárt
|
Epoxi
|
| ||
|
Szelep, 3/2 NC. Bistabil, tekercs nélkül. G1/2"
Cikkszám
G553A006MS
Másolva
|
|
3/2
|
Elektromos, Rendszerint zárt
|
|
| ||
|
Szelep, 3/2 NC. G1/2" bistabil, 24 V DC
Cikkszám
SCG553A006MSS3
Másolva
|
24 V
|
3/2
|
Elektromos, Rendszerint zárt
|
Epoxi
|
| ||
|
Szelep, 5/2, Monostabil, tekercs nélkül G1/2"
Cikkszám
G553A017MS
Másolva
|
|
5/2
|
Elektromos, rugós visszaállással a kiindulási helyzetbe
|
|
| ||
|
Szelep, 5/2, Monost. 24 V DC. G1/2"
Cikkszám
SCG553A017MSS3
Másolva
|
24 V
|
5/2
|
Elektromos, rugós visszaállással a kiindulási helyzetbe
|
Epoxi
|
| ||
|
Szelep, 5/2, Bistabil, tekercsek nélkül G1/2"
Cikkszám
G553A018MS
Másolva
|
|
5/2
|
Elektromos
|
|
| ||
|
Szelep, 5/2, Bist. 24 V DC. G1/2"
Cikkszám
SCG553A018MSS3
Másolva
|
24 V
|
5/2
|
Elektromos
|
Epoxi
|
| ||
|
Szelep, 5/3 zárt. G1/2"
Cikkszám
G553A067MS
Másolva
|
|
5/3
|
Elektromos, Zárt középső rész
|
|
| ||
|
Szelep, 5/3 zárt. G1/2" 24 V DC
Cikkszám
SCG553A067MSS3
Másolva
|
24 V
|
5/3
|
Elektromos, Zárt középső rész
|
Epoxi
|
| ||
|
Szelep, 5/3 zárt. G1/2"
Cikkszám
G553A068MS
Másolva
|
|
5/3
|
Elektromos, Szellőztetett középső rész
|
|
| ||
|
Szelep, 5/3 elmenő levegő. G1/2" 24 V DC
Cikkszám
SCG553A068MSS3
Másolva
|
24 V
|
5/3
|
Elektromos, Szellőztetett középső rész
|
Epoxi
|
|
Válassza ki az egyik változatot a listából
TÓTH PÉTER