ASCO
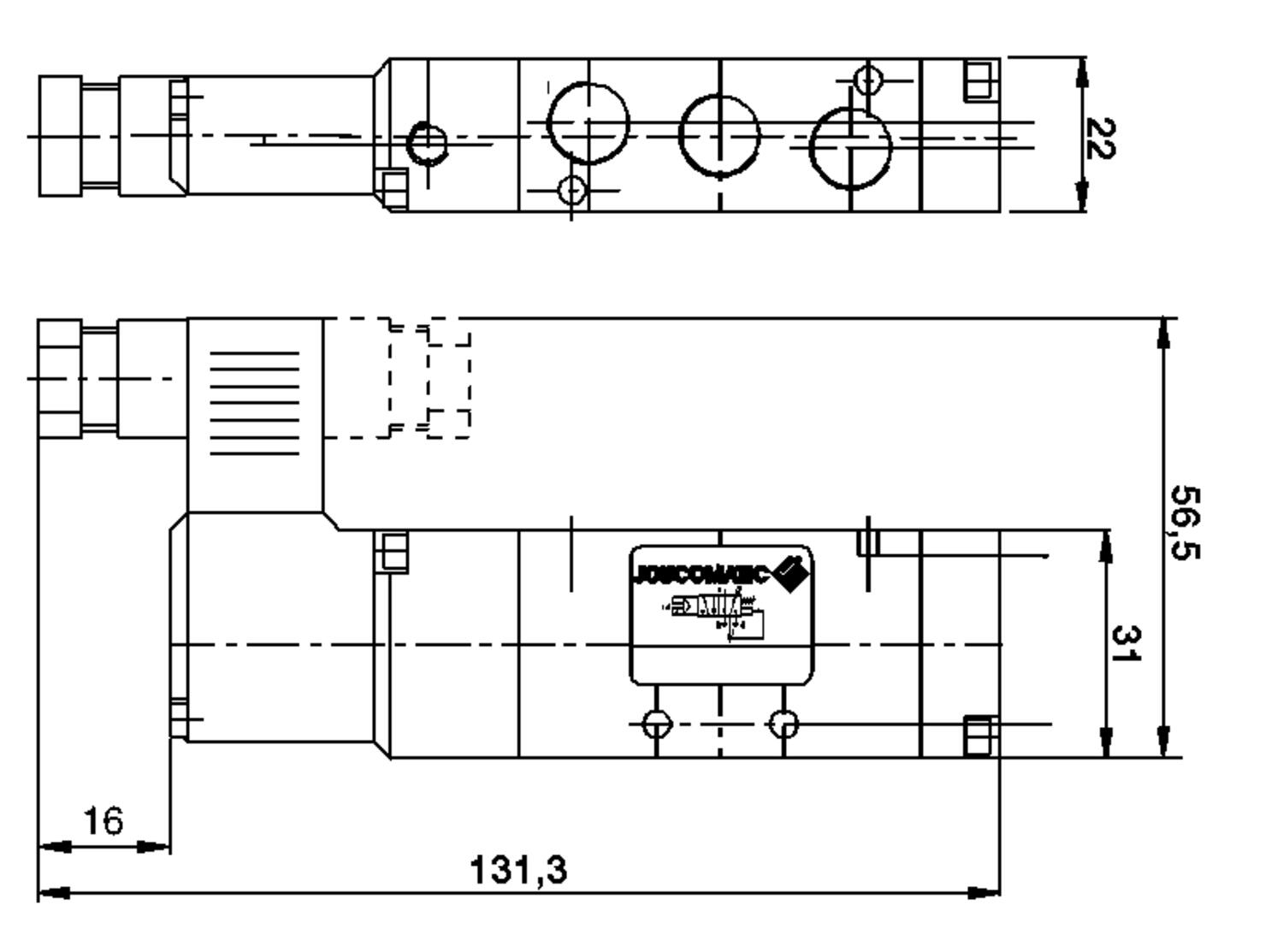
Kompakt szelep, amely alkalmas hengerek vezérlésére 100 mm-es átmérőig. Minden modell alaplemezre vagy különállóan szerelhető. A szelepet kompletten és 4–6 mm-es kábelátmérőhöz mikro 15 x 15 mm-es kábelfoglalattal szállítjuk. A kábelfoglalat az optimális kábelvezetés érdekében szükség esetén 90 vagy 180°-kal elfordítható.
Közeg | Levegő és semleges gázok, kenéssel vagy kenés nélkül, min. 50 μm szűrés |
Üzemi nyomás | 1,5–8 bar |
Átfolyás | 6 mm |
Áramlás | 1050 l/min (ANR) |
Környezeti hőmérséklet | +5-től +50 °C-ig |
Energiafogyasztás | 1,6 W |
Reakcióidő | 20 ms |
Védelmi fokozat | IP65 |
Elektromos csatlakozás | DIN-érintkező, mikro 15 x 15. Tűtávolság 9,4 mm (beleszámítva) |
| |
Szerkezet | |
Típus | Tolószelep |
Szelepház | Eloxált alumínium |
Hengervégek | Acetál (POM) |
Belső alkatrészek | Alumínium, rozsdamentes acél, acetál (POM) |
Tömítések | Nitril (NBR) |
Szerelés | Önálló vagy blokkra történő szerelés |
Csatlakozások | G1/4" |
| |
Pilot | |
Ház | Acetál (POM) |
Tömítések | Nitril (NBR) |
Tekercs | Poliamid (PA) |
Kézi működtetés | Acetál (POM), csavarhorony, zárható |
Csatlakozás | |
Monostabil szelep | Bistabil szelep |
|
|
Funkciószimbólumok | ||
5/2 El. differenciál | 5/2 El-el | 5/3 Zárt középső helyzet |
|
|
|
5/3 Nyomás alatti középső helyzet | 5/3 Légtelenített középső helyzet |
|
|
|
|
|
|
Rendelési szám |
|
| ||
24 V AC | 230 V AC | 24 V egyenáram | Funkció | Vezérlés/visszatérő |
52100002 | 52100004 | 52100001 | 5/2 | El. differenciál |
52100006 | 52100008 | 52100005 | 5/2 | El-el |
52100010 | 52100012 | 52100009 | 5/3 | El-rugó, zárt középső helyzet |
52100126 | 52100128 | 52100129 | 5/3 | El-rugó, nyomás alatti középső helyzet |
52100087 | 52100089 | 52100090 | 5/3 | El-rugó, légtelenített középső helyzet |
Speciális kivitel
• Feszültség 12 V egyenáram, 115 V váltakozó áram
Alaplemez az 521-es sorozathoz, kattintson ide.
| Áteresztőképesség | 6 mm |
|---|---|
| Belső alkatrészek anyaga | Sárgaréz, Poliamid |
| Csatlakozás | G1/4 |
| Felszerelés | Nincs |
| Felvett teljesítmény | 1,6 W |
| Feszültség, AC | 24 V |
| Funkció 1 | 5/2 |
| Funkció 2 | Légnyomás-kiegyenlítődés alapú visszaállás kiindulás helyzetbe |
| IP-osztály | IP65 |
| Közegek | Sűrített levegő és semleges gázok |
| Max. differenciálnyomás | 8 bar |
| Max. nyomás | 8 bar |
| Max. szállítás | 1050 l/min |
| Max. üzemi hőmérséklet | 50 °C |
| Min. differenciálnyomás | 1,5 bar |
|---|---|
| Min. üzemi hőmérséklet | 5 °C |
| Nyomófej anyaga | Rozsdamentes acél |
| Rövidzárási gyűrű anyaga | Réz |
| Szállítási tényező / szállítási együttható | 15 |
| Tekercs anyaga | Hőre lágyuló műanyag |
| Test anyaga | Eloxált alumínium |
| Test anyaga | Eloxált alumínium |
| Type of valve | Electrically controlled |
| Tömeg | 0,155 kg |
| Válaszidő ki | 20 ms |
| Zárás késleltetése | 30 ms |
Kompakt szelep, amely alkalmas hengerek vezérlésére 100 mm-es átmérőig. Minden modell alaplemezre vagy különállóan szerelhető. A szelepet kompletten és 4–6 mm-es kábelátmérőhöz mikro 15 x 15 mm-es kábelfoglalattal szállítjuk. A kábelfoglalat az optimális kábelvezetés érdekében szükség esetén 90 vagy 180°-kal elfordítható.
Közeg | Levegő és semleges gázok, kenéssel vagy kenés nélkül, min. 50 μm szűrés |
Üzemi nyomás | 1,5–8 bar |
Átfolyás | 6 mm |
Áramlás | 1050 l/min (ANR) |
Környezeti hőmérséklet | +5-től +50 °C-ig |
Energiafogyasztás | 1,6 W |
Reakcióidő | 20 ms |
Védelmi fokozat | IP65 |
Elektromos csatlakozás | DIN-érintkező, mikro 15 x 15. Tűtávolság 9,4 mm (beleszámítva) |
| |
Szerkezet | |
Típus | Tolószelep |
Szelepház | Eloxált alumínium |
Hengervégek | Acetál (POM) |
Belső alkatrészek | Alumínium, rozsdamentes acél, acetál (POM) |
Tömítések | Nitril (NBR) |
Szerelés | Önálló vagy blokkra történő szerelés |
Csatlakozások | G1/4" |
| |
Pilot | |
Ház | Acetál (POM) |
Tömítések | Nitril (NBR) |
Tekercs | Poliamid (PA) |
Kézi működtetés | Acetál (POM), csavarhorony, zárható |
Csatlakozás | |
Monostabil szelep | Bistabil szelep |
|
|
Funkciószimbólumok | ||
5/2 El. differenciál | 5/2 El-el | 5/3 Zárt középső helyzet |
|
|
|
5/3 Nyomás alatti középső helyzet | 5/3 Légtelenített középső helyzet |
|
|
|
|
|
|
Rendelési szám |
|
| ||
24 V AC | 230 V AC | 24 V egyenáram | Funkció | Vezérlés/visszatérő |
52100002 | 52100004 | 52100001 | 5/2 | El. differenciál |
52100006 | 52100008 | 52100005 | 5/2 | El-el |
52100010 | 52100012 | 52100009 | 5/3 | El-rugó, zárt középső helyzet |
52100126 | 52100128 | 52100129 | 5/3 | El-rugó, nyomás alatti középső helyzet |
52100087 | 52100089 | 52100090 | 5/3 | El-rugó, légtelenített középső helyzet |
Speciális kivitel
• Feszültség 12 V egyenáram, 115 V váltakozó áram
Alaplemez az 521-es sorozathoz, kattintson ide.
Tapasztald meg az erőt a Wika csúcstechnológiás erőmérési megoldásaival
Optimalizálja a termelést, növelje a megbízhatóságot és csökkentse az üzemeltetési költségeket.
A Jabsco és a Flojet, a vezérelt szivattyúzási technológiák piacvezetői, olyan megoldásokat kínálnak, amelyek minden kritikus folyamatban garantálják a precíz és stabil teljesítményt
Az OEM Automatic Kft. csapata sikeresen részt vett a 2025. május 13–16. között megrendezett IPAR NAPJAI Nemzetközi Ipari Szakkiállításon.
Hatékonyság és egyszerűség – ezt a kombinációt tartalmazza a Brooks Instrument új SLA BIOTECH MFC sorozata.
Az L3 Neo a szint- és nyomásérzékelők új generációja – Nagyobb pontosság.Nagyobb megbízhatóság.Egyszerűbb használat
|
|
|
|
|
|
||
|---|---|---|---|---|---|---|
|
|
|
|
|
|
||
|
|
|
|
|
|
||
|
|
|
|
|
|
||
|
|
|
|
|
|
||
|
|
|
|
|
|
||
|
|
|
|
|
|
| Változatok | Belső alkatrészek anyaga | Felszerelés | Felvett teljesítmény | Feszültség, AC | Feszültség, DC | Funkció 1 | Funkció 2 | IP-osztály | Közegek | Max. nyomás | Nyomófej anyaga | Rövidzárási gyűrű anyaga | Szállítási tényező / szállítási együttható | Tekercs anyaga | Test anyaga | Tömeg | Válaszidő ki | Zárás késleltetése | Ár | ||
|---|---|---|---|---|---|---|---|---|---|---|---|---|---|---|---|---|---|---|---|---|---|
|
Szelep, 5/2, Monostabil, 24 V AC. G1/4
Cikkszám
52100002
Másolva
|
Sárgaréz, Poliamid
|
Nincs
|
1,6 W
|
24 V
|
|
5/2
|
Légnyomás-kiegyenlítődés alapú visszaállás kiindulás helyzetbe
|
IP65
|
Sűrített levegő és semleges gázok
|
8 bar
|
Rozsdamentes acél
|
Réz
|
15
|
Hőre lágyuló műanyag
|
Eloxált alumínium
|
0,155 kg
|
20 ms
|
30 ms
|
| ||
|
SZELEP, 5/2, G1/4", EL-DIFF, 230 V AC
Cikkszám
52100004
Másolva
|
Sárgaréz, Poliamid
|
|
|
230 V
|
|
5/2
|
Légnyomás-kiegyenlítődés alapú visszaállás kiindulás helyzetbe
|
IP65
|
|
8 bar
|
Rozsdamentes acél
|
Réz
|
|
Hőre lágyuló műanyag
|
Eloxált alumínium
|
0,155 kg
|
|
|
| ||
|
"SZELEP, 5/2, G1/4"", EL-DIFF, 24 V DC"
Cikkszám
52100001
Másolva
|
|
|
|
|
24 V
|
5/2
|
Légnyomás-kiegyenlítődés alapú visszaállás kiindulás helyzetbe
|
|
|
|
|
|
|
|
|
|
|
|
| ||
|
Szelep, 5/2, Bistabil, 24 V AC. G1/4"
Cikkszám
52100006
Másolva
|
|
|
|
24 V
|
|
5/2
|
Elektromos
|
|
|
|
|
|
|
|
|
|
|
|
| ||
|
Szelep, 5/2, Bistabil, 230 V AC. G1/4"
Cikkszám
52100008
Másolva
|
|
|
|
230 V
|
|
5/2
|
Elektromos
|
|
|
|
|
|
|
|
|
|
|
|
| ||
|
"Szelep, 5/2. Bistabil, 24 V DC. G1/4"""
Cikkszám
52100005
Másolva
|
|
|
|
|
24 V
|
5/2
|
Elektromos
|
|
|
|
|
|
|
|
|
|
|
|
| ||
|
Szelep, 5/3. Középállásban zárt, 24 V AC. G1/4"
Cikkszám
52100010
Másolva
|
|
|
|
24 V
|
|
5/3
|
Elektromos, Zárt középső rész
|
|
|
|
|
|
|
|
|
|
|
|
| ||
|
"szelep, 5/3 G1/4"" 230 V AC"
Cikkszám
52100012
Másolva
|
|
|
|
|
24 V
|
5/3
|
Elektromos, Zárt középső rész
|
|
|
|
|
|
|
|
|
|
|
|
| ||
|
Szelep, 5/3. Középállásban zárt, 24 V DC. G1/4
Cikkszám
52100009
Másolva
|
|
|
|
|
24 V
|
5/3
|
Elektromos, Nyomás alatt lévő középső rész
|
|
|
|
|
|
|
|
|
|
|
|
| ||
|
Szelep, 5/3. Középállásban nyomás alatt, 230 V AC G1/4"
Cikkszám
52100126
Másolva
|
|
|
|
24 V
|
|
5/3
|
Elektromos, Nyomás alatt lévő középső rész
|
|
|
|
|
|
|
|
|
|
|
|
| ||
|
Szelep, 5/3. Nyomástartó, 230 V AC. G1/4
Cikkszám
52100128
Másolva
|
|
|
|
230 V
|
|
5/3
|
Elektromos, Nyomás alatt lévő középső rész
|
|
|
|
|
|
|
|
|
|
|
|
| ||
|
Szelep, 5/3. Nyomástartó, 24 V DC. G1/4
Cikkszám
52100129
Másolva
|
|
|
|
|
24 V
|
5/3
|
Elektromos, Nyomás alatt lévő középső rész
|
|
|
|
|
|
|
|
|
|
|
|
| ||
|
Szelep, 5/3. Középállásban nyitott, 24 V AC. G1/4
Cikkszám
52100087
Másolva
|
|
|
|
24 V
|
|
5/3
|
Elektromos, Szellőztetett középső rész
|
|
|
|
|
|
|
|
|
|
|
|
| ||
|
Szelep, 5/3. Középállásban nyitott, 230 V AC. G1/4
Cikkszám
52100089
Másolva
|
|
|
|
230 V
|
|
5/3
|
Elektromos, Szellőztetett középső rész
|
|
|
|
|
|
|
|
|
|
|
|
| ||
|
Szelep, 5/3. Középállásban nyitott, 230 V AC. G1/4"
Cikkszám
52100090
Másolva
|
|
|
|
|
24 V
|
5/3
|
Elektromos, Szellőztetett középső rész
|
|
|
|
|
|
|
|
|
|
|
|
|
Válassza ki az egyik változatot a listából
TÓTH PÉTER