ASCO

Levegő vezérelt 1/4\" vagy NAMUR

551 Sorozat

Légvezérelt tolószelep 1/4"-es csatlakozáshoz vagy NAMUR kivitelhez.

Az 1/4"-es szelep környezeti védelemmel ellátott kivitelben rendelhető, míg a NAMUR szelep ezt alapkivitelben is biztosítja. A környezeti védelemmel ellátott kialakítás azt jelenti, hogy a szelep belső részei a környezettől teljesen elszigeteltek, így például a részecskék vagy az agresszív folyadékok nem tudnak behatolni.

Az 1/4"-es szelep 3/2-es vagy 5/2-es változatban rendelhető, és felszerelhető önállóan vagy a közös betáplálás érdekében lécre is. A NAMUR-szelep alapkivitelben két adapterlemezzel rendelkezik.

Attól függően, hogy melyiket választja, ugyanazzal a szeleppel 3/2-es vagy 5/2-es funkció is elérhető.

Bővebben
  • Funkció 3/2-5/2
  • Környezetvédelmi kialakítás
  • Nagy áramlás tartomány
  • Robosztus kialakítás alumínium házza

Kiválasztott változat

izé

Kiválasztott változat

Műszaki adatok

Belső alkatrészek anyaga Alumínium, POM, Rozsdamentes acél
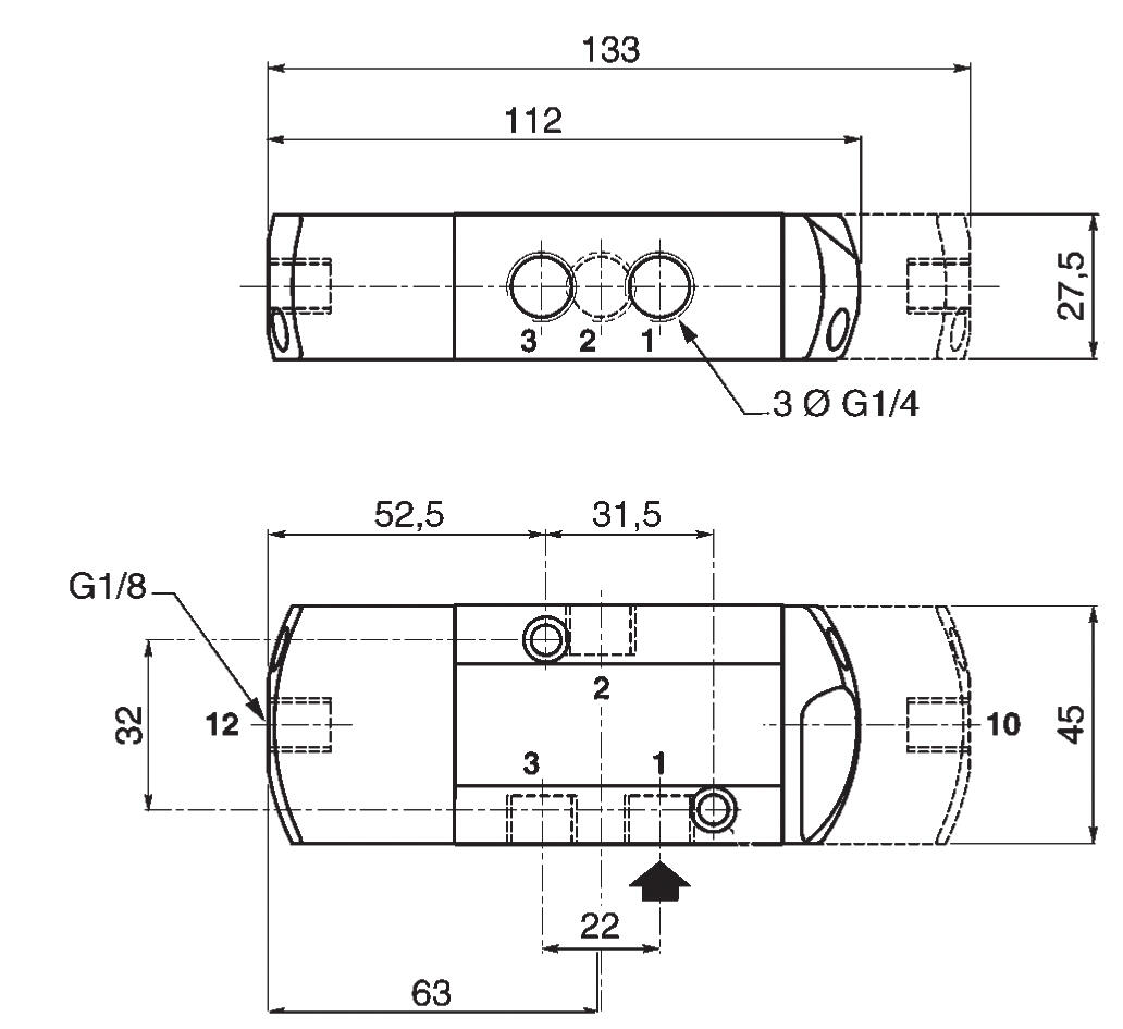
Csatlakozás G1/4
Csatlakozás, levegő G1/8
Felszerelés Önálló
Funkció 3/2, Pneumatikus, rugós visszaállás a kiindulási helyzetbe, Rendszerint zárt
IP-osztály IP65
Jóváhagyások IEC, TÜV
Kézi üzemeltetés Nem
Közegek Sűrített levegő és semleges gázok
Max. differenciálnyomás 10 bar
Max. ellenőrző nyomás 10 bar
Max. nyomás 10 bar
Max. szállítás 860 l/min
Max. üzemi hőmérséklet 60 °C
Min. differenciálnyomás 0 bar
Min. ellenőrző nyomás 2 bar
Min. üzemi hőmérséklet -25 °C
Rövidzárlat-védelem Nem
Test anyaga Eloxált alumínium
Tömeg 0,43 kg
Tömítések anyaga NBR, PUR

Mérések és kapcsolatok

Műszaki illusztrációk

Termékleírás

Légvezérelt tolószelep 1/4"-es csatlakozáshoz vagy NAMUR kivitelhez.

Az 1/4"-es szelep környezeti védelemmel ellátott kivitelben rendelhető, míg a NAMUR szelep ezt alapkivitelben is biztosítja. A környezeti védelemmel ellátott kialakítás azt jelenti, hogy a szelep belső részei a környezettől teljesen elszigeteltek, így például a részecskék vagy az agresszív folyadékok nem tudnak behatolni.

Az 1/4"-es szelep 3/2-es vagy 5/2-es változatban rendelhető, és felszerelhető önállóan vagy a közös betáplálás érdekében lécre is. A NAMUR-szelep alapkivitelben két adapterlemezzel rendelkezik.

Attól függően, hogy melyiket választja, ugyanazzal a szeleppel 3/2-es vagy 5/2-es funkció is elérhető.

Kiegészítők

Változatok Felszerelés Funkció Max. szállítás Ár
Önálló
3/2, Pneumatikus, rugós visszaállás a kiindulási helyzetbe, Rendszerint zárt
860 l/min
Önálló
3/2, Pneumatikus hajtású, Rendszerint zárt
860 l/min
NAMUR szabvány
3/2-5/2, Pneumatikus, rugós visszaállás a kiindulási helyzetbe, NAMUR, Rendszerint zárt
700 l/min
NAMUR szabvány
3/2-5/2, Pneumatikus hajtású, NAMUR
700 l/min

Kiválasztott változat

Válassza ki az egyik változatot a listából

Műszaki tanácsadás

TÓTH PÉTER

+36 20 576 32 33
E-mail küldése
Ügyfélszolgálat
Hívjon minket bátran ha kérdése van.
Segítségre van szüksége?
Logo

Süti beállítások oemautomatic.hu

A Sütik segítenek javítani az Ön élményét velünk, tehát a belépési adatok kezelésében, személyre szabott tartalom megjelenítésében és néhány alapvető funkcióban Sütiket használunk.

Sosem fogjuk az ön információit eladni.

Elfogadhatja az összes Sütit vagy személyre szabhatja a Süti beállításait, ezeket a beállításokat az elérhetőség oldalunkon tudja változtatni.

Szükséges Sütik

Ezek a Sütik szükségesek az oldal működéséhez ezért ezeket nem lehet kikapcsolni a rendszerünkben. Csak az Ön kéréseire/lépéseire adnak választ a szerverünkről például beállítások megadása, belépéskor és adatkitöltéskor.

Analízis és mérési Sütik

Ezek a Sütik engedik, hogy vizsgáljuk az oldal látogatottságát és javítsuk annak teljesítményét. Megmutatják, hogy melyik lapok a többet, illetve kevesebbet látogatottak, illetve miként használják a látogatók az oldalt. Az információ, amit a Sütik gyűjtenek összeadódnak ezért ez teljesen anonim módon történik. Ha nem fogadja el ezeket a Sütiket nem tudjuk járt az oldalon.

Marketing Sütik

Ezeket a Sütiket a partnereink adhatják hozzá. Ezeket a Sütiket arra használhatják, hogy egy önről mintázott profilt képezzenek mellyel személyre szabott információt jeleníthetnek meg Önnek. Önről személyes információt nem tárolunk, kizárólag a böngészőjéről és eszközéről. Ha nem fogadja el ezeket a Sütiket, egy általános tapasztalata lesz, nem személyre szabott.