CROUZET CONTROL

Kétkezes pneumatikus modul

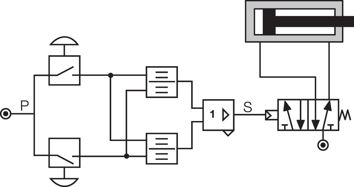
A pneumatikus kétkezes eszközt a gép veszélyes zónáján kívül kell elhelyezni, és elsősorban a beszorulás stb. veszélyének megelőzésére használják. A pneumatikus eszköz egyik előnye, hogy a működéséhez nincs szükség áramra.

Az eszközön két gomb van, amelyeket a pneumatikus kimeneti jelhez 200 ms-on belül egyszerre kell megnyomni. A gép mozgása során mindvégig nyomva kell őket tartani. Ha az egyik gombot elengedik, a jel eltűnik, és a másik gombot is el kell engedni ahhoz, hogy mindkét gomb benyomásával a működést újra lehessen indítani.

 

Az eszköz komplett, és megfelel a gépekről szóló irányelvnek és az EN 574 szabvány III. B. osztályának. Kettős áramkörű, ami azt jelenti, hogy ha az egy áramkör kiesik, akkor a másik továbbra is garantálja a biztonságot.

 

Bővebben
  • Elakadás elleni védelem
  • Nincs szükség áramra
  • Egy vagy két védelmi áramkör

Kiválasztott változat

176791_812.tif

KÉTKEZES PNEU BIZTONSÁGI MODUL

Cikkszám

Kiválasztott változat

Műszaki adatok

Áteresztőképesség 2,5 mm
Biztonsági osztály IIIB – EN574
Csatlakozás Push-in gyorscsatlakozó, Ø4 mm
Felszerelés 4 x 4,2 mm csavar
Közegek Sűrített levegő és semleges gázok
Max. üzemi hőmérséklet 50 °C
Min. üzemi hőmérséklet -5 °C
Nyomástartomány max. értéke 8 bar
Nyomástartomány min. értéke 2 bar
Test anyaga Alumínium
Tömeg 1410 g

Mérések és kapcsolatok

Műszaki illusztrációk

Termékleírás

A pneumatikus kétkezes eszközt a gép veszélyes zónáján kívül kell elhelyezni, és elsősorban a beszorulás stb. veszélyének megelőzésére használják. A pneumatikus eszköz egyik előnye, hogy a működéséhez nincs szükség áramra.

Az eszközön két gomb van, amelyeket a pneumatikus kimeneti jelhez 200 ms-on belül egyszerre kell megnyomni. A gép mozgása során mindvégig nyomva kell őket tartani. Ha az egyik gombot elengedik, a jel eltűnik, és a másik gombot is el kell engedni ahhoz, hogy mindkét gomb benyomásával a működést újra lehessen indítani.

 

Az eszköz komplett, és megfelel a gépekről szóló irányelvnek és az EN 574 szabvány III. B. osztályának. Kettős áramkörű, ami azt jelenti, hogy ha az egy áramkör kiesik, akkor a másik továbbra is garantálja a biztonságot.

 

Kiegészítők

Ügyfélszolgálat
Hívjon minket bátran ha kérdése van.
Segítségre van szüksége?
Logo

Süti beállítások oemautomatic.hu

A Sütik segítenek javítani az Ön élményét velünk, tehát a belépési adatok kezelésében, személyre szabott tartalom megjelenítésében és néhány alapvető funkcióban Sütiket használunk.

Sosem fogjuk az ön információit eladni.

Elfogadhatja az összes Sütit vagy személyre szabhatja a Süti beállításait, ezeket a beállításokat az elérhetőség oldalunkon tudja változtatni.

Szükséges Sütik

Ezek a Sütik szükségesek az oldal működéséhez ezért ezeket nem lehet kikapcsolni a rendszerünkben. Csak az Ön kéréseire/lépéseire adnak választ a szerverünkről például beállítások megadása, belépéskor és adatkitöltéskor.

Analízis és mérési Sütik

Ezek a Sütik engedik, hogy vizsgáljuk az oldal látogatottságát és javítsuk annak teljesítményét. Megmutatják, hogy melyik lapok a többet, illetve kevesebbet látogatottak, illetve miként használják a látogatók az oldalt. Az információ, amit a Sütik gyűjtenek összeadódnak ezért ez teljesen anonim módon történik. Ha nem fogadja el ezeket a Sütiket nem tudjuk járt az oldalon.

Marketing Sütik

Ezeket a Sütiket a partnereink adhatják hozzá. Ezeket a Sütiket arra használhatják, hogy egy önről mintázott profilt képezzenek mellyel személyre szabott információt jeleníthetnek meg Önnek. Önről személyes információt nem tárolunk, kizárólag a böngészőjéről és eszközéről. Ha nem fogadja el ezeket a Sütiket, egy általános tapasztalata lesz, nem személyre szabott.