CROUZET CONTROL

Alaplap logikai elemekhez

Egyéb pneumatikai tartozékok

A logikai, idő- és sorrendmodulokat az alaplemezre szerelték.

A modul szerelhető egyetlen alaplemezre (ez az ún. különálló szerelés), vagy több egység egybeépíthető, amelyek így közös táplevegőt kapnak.

Három különböző lemez közül lehet választani; A 81532104-et különálló szereléshez használják, vagy blokkra történő szerelés esetén az utolsó helyre szerelik, mivel nincs átmenő légcsatornája. Ebben az esetben a betáplált levegő csatlakoztatását meg kell lazítani, és a sorban az első lemezére kell áthelyezni.

A 81532102 egy összekötő lap, míg a 81532001-et előlapra szerelt egységekhez használják, mivel a csatlakozásai hátul vannak.

A DIN-sín alaplemezei mechanikus „felugró” üzenetekkel jelzik az állapotot.

Zöld gomb jelzi, ha a bemeneten van jel, és vörös, ha a kimeneten.

 

Bővebben
  • Forgatható csatlakozás
  • Gyors telepítés
  • Mechanikai jelzés

Kiválasztott változat

izé

Kiválasztott változat

Műszaki adatok

Csatlakozás Push-in gyorscsatlakozó, Ø4 mm
Közegek Sűrített levegő és semleges gázok
Tömeg 55 g

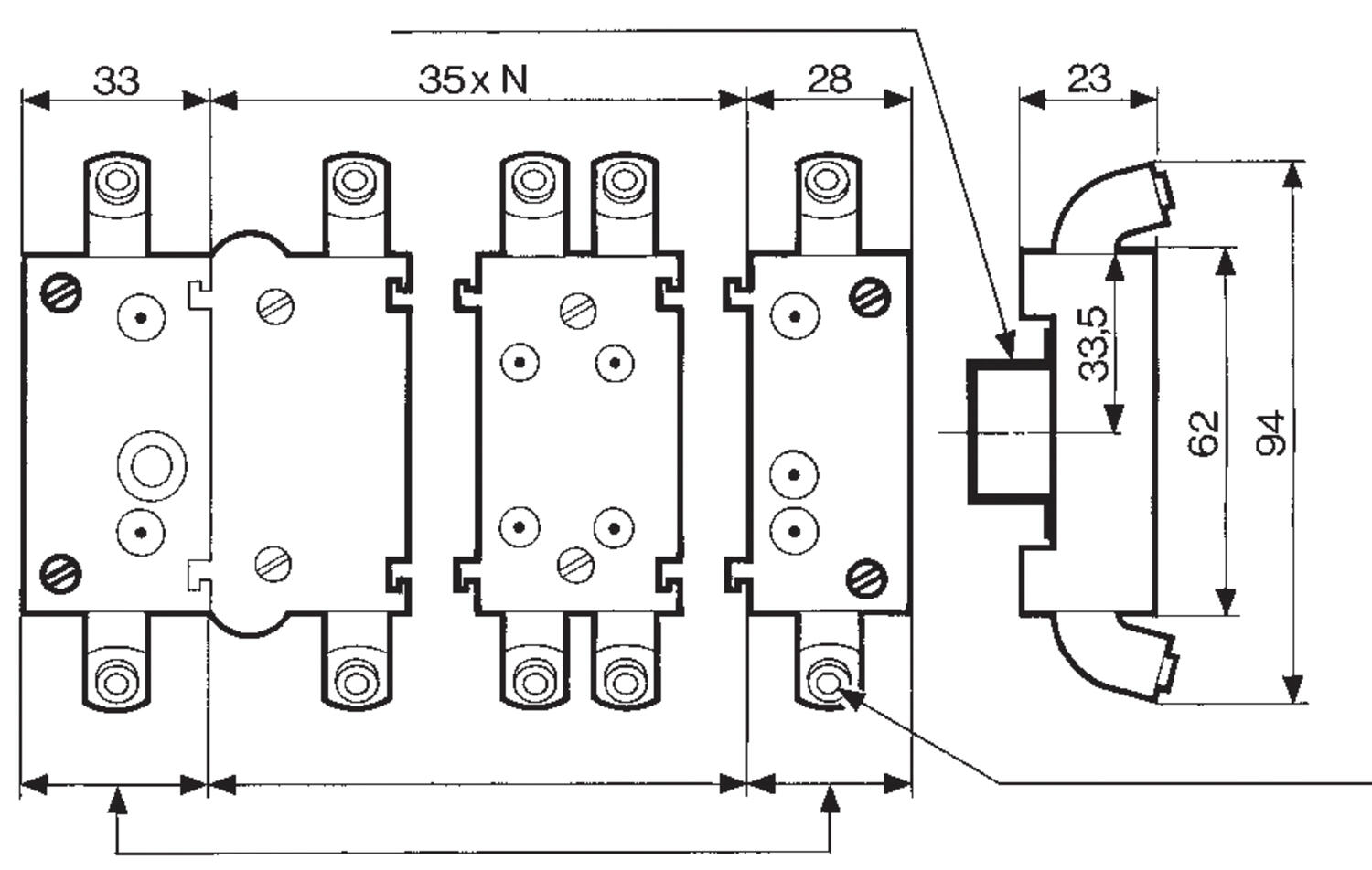
Mérések és kapcsolatok

Termékleírás

A logikai, idő- és sorrendmodulokat az alaplemezre szerelték.

A modul szerelhető egyetlen alaplemezre (ez az ún. különálló szerelés), vagy több egység egybeépíthető, amelyek így közös táplevegőt kapnak.

Három különböző lemez közül lehet választani; A 81532104-et különálló szereléshez használják, vagy blokkra történő szerelés esetén az utolsó helyre szerelik, mivel nincs átmenő légcsatornája. Ebben az esetben a betáplált levegő csatlakoztatását meg kell lazítani, és a sorban az első lemezére kell áthelyezni.

A 81532102 egy összekötő lap, míg a 81532001-et előlapra szerelt egységekhez használják, mivel a csatlakozásai hátul vannak.

A DIN-sín alaplemezei mechanikus „felugró” üzenetekkel jelzik az állapotot.

Zöld gomb jelzi, ha a bemeneten van jel, és vörös, ha a kimeneten.

 

Kiegészítők

Változatok Ár

Kiválasztott változat

Válassza ki az egyik változatot a listából

Ügyfélszolgálat
Hívjon minket bátran ha kérdése van.
Segítségre van szüksége?
Logo

Süti beállítások oemautomatic.hu

A Sütik segítenek javítani az Ön élményét velünk, tehát a belépési adatok kezelésében, személyre szabott tartalom megjelenítésében és néhány alapvető funkcióban Sütiket használunk.

Sosem fogjuk az ön információit eladni.

Elfogadhatja az összes Sütit vagy személyre szabhatja a Süti beállításait, ezeket a beállításokat az elérhetőség oldalunkon tudja változtatni.

Szükséges Sütik

Ezek a Sütik szükségesek az oldal működéséhez ezért ezeket nem lehet kikapcsolni a rendszerünkben. Csak az Ön kéréseire/lépéseire adnak választ a szerverünkről például beállítások megadása, belépéskor és adatkitöltéskor.

Analízis és mérési Sütik

Ezek a Sütik engedik, hogy vizsgáljuk az oldal látogatottságát és javítsuk annak teljesítményét. Megmutatják, hogy melyik lapok a többet, illetve kevesebbet látogatottak, illetve miként használják a látogatók az oldalt. Az információ, amit a Sütik gyűjtenek összeadódnak ezért ez teljesen anonim módon történik. Ha nem fogadja el ezeket a Sütiket nem tudjuk járt az oldalon.

Marketing Sütik

Ezeket a Sütiket a partnereink adhatják hozzá. Ezeket a Sütiket arra használhatják, hogy egy önről mintázott profilt képezzenek mellyel személyre szabott információt jeleníthetnek meg Önnek. Önről személyes információt nem tárolunk, kizárólag a böngészőjéről és eszközéről. Ha nem fogadja el ezeket a Sütiket, egy általános tapasztalata lesz, nem személyre szabott.