AIGNEP
| Anyag | Sárgaréz | 
| Közeg | Levegő, semleges gázok és vákuum | 
| Cső típusa | Réz, acél, vas, alumínium, sárgaréz stb.  | 
| Menet | Kúpos az ISO 7.1, BS21, DIN 2999 szerint  | 
| Átmérő | Ajánlott | 
| Ø 4 | 148 bar | 
| Ø 6 | 148 bar | 
| Ø 8 | 128 bar | 
| Ø 10 | 178 bar | 
| Ø 12 | 148 bar | 
| Ø 14 | 113 bar | 
| Ø 16 | 74 bar | 
| Ø 18 | 59 bar | 
| Ø 22 | 39 bar | 
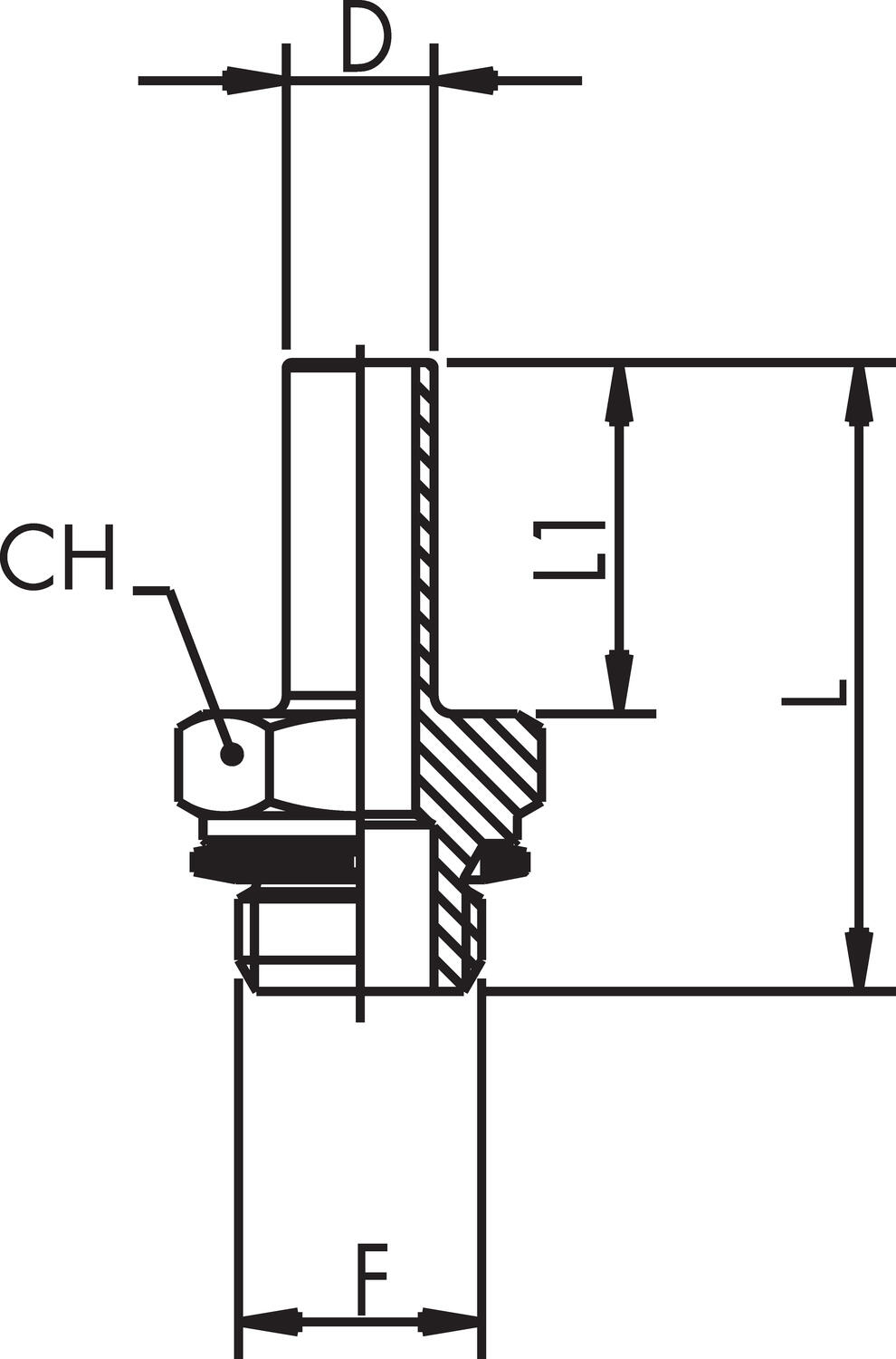
| 13530 Adapter, külső hengeres menet O-gyűrűvel | |
| 
 | 
 | 
| Rendelési szám | D | F | L | L1 | CH | Csom. | 
| 13530 6-1/8 | 6 | 1/8 | 27,5 | 16 | 13 | 50 | 
| 13530 6-1/4 | 6 | 1/4 | 31,0 | 16 | 17 | 50 | 
| 13530 8-1/8 | 8 | 1/8 | 31,5 | 19 | 13 | 25 | 
| 13530 8-1/4 | 8 | 1/4 | 34,0 | 19 | 17 | 25 | 
| 13530 8-3/8 | 8 | 3/8 | 38,0 | 19 | 22 | 25 | 
| 13530 10-1/4 | 10 | 1/4 | 35,0 | 20 | 17 | 25 | 
| 13530 10-3/8 | 10 | 3/8 | 39,0 | 20 | 22 | 25 | 
| 13530 1/4-3/8 | 14 | 3/8 | 40,0 | 21 | 22 | 25 | 
| 13530 14-1/2 | 14 | 1/2 | 42,0 | 21 | 27 | 25 | 
| 13540 Adapter, tömlő karmantyúja | |
| 
 | 
 | 
| Rendelési szám | D1 | D2 | L1 | L | Csom. | 
| 13540 6-7 | 6 | 7 | 22,5 | 40,5 | 50 | 
| 13540 8-7 | 8 | 7 | 22,5 | 43,5 | 50 | 
| 13540 8-10 | 8 | 10 | 22,5 | 43,5 | 50 | 
| 13540 10-7 | 10 | 7 | 22,5 | 44,5 | 25 | 
| 13540 10–10 | 10 | 10 | 22,5 | 44,5 | 25 | 
| 13540 12-10 | 12 | 10 | 22,5 | 45,0 | 25 | 
| 13540 12-13 | 12 | 13 | 29,5 | 52,0 | 25 | 
| 13540 14-13 | 14 | 13 | 29,5 | 52,5 | 25 | 
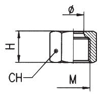
| 13680 Anya | |
| 
 | 
 | 
| Rendelési szám | Tömlő/cső | H | CH | M | Csom. | 
| 13680 4 | 4 | 10,5 | 10 | M8x1 | 50 | 
| 13680 6 | 6 | 10,5 | 13 | M10x1 | 50 | 
| 13680 8 | 8 | 12,5 | 14 | M12x1 | 50 | 
| 13680 10 | 10 | 15,0 | 19 | M16x1,5 | 50 | 
| 13680 12 | 12 | 15,0 | 22 | M18x1,5 | 50 | 
| 13680 14 | 14 | 15,0 | 24 | M20x1,5 | 25 | 
| 13680 15 | 15 | 15,0 | 24 | M20x1,5 | 25 | 
| 13680 16 | 16 | 17,0 | 27 | M22x1,5 | 25 | 
| 13680 18 | 18 | 18,0 | 30 | M24x1,5 | 25 | 
| 13680 22 | 22 | 19,0 | 36 | M30x1,5 | 10 | 
| 13740 Sárgaréz szorítógyűrű | |
| 
 | 
 | 
| Rendelési szám | Tömlő/cső | H | Csom. | 
| 13740 4 | 4 | 6,0 | 50 | 
| 13740 6 | 6 | 6,5 | 50 | 
| 13740 8 | 8 | 7,0 | 50 | 
| 13740 10 | 10 | 8,0 | 50 | 
| 13740 12 | 12 | 8,5 | 50 | 
| 13740 14 | 14 | 8,5 | 25 | 
| 13740 15 | 15 | 8,5 | 25 | 
| 13740 16 | 16 | 9,0 | 25 | 
| 13740 18 | 18 | 9,5 | 25 | 
| 13740 22 | 22 | 10,0 | 10 | 
| 10770 Sárgaréz támasztóhüvely | |
| 
 | 
 | 
| Rendelési szám | Tömlő/cső | A | B | C | L | Csom. | 
| 10770 4/2,7 | 4/2,7 | 2,7 | 1,5 | 3,8 | 13,0 | 50 | 
| 10770 6/4 | 6/4 | 4,0 | 3,0 | 5,0 | 13,0 | 50 | 
| 10770 8/6 | 8/6 | 6,0 | 5,0 | 7,0 | 16,5 | 50 | 
| 10770 10/8 | 10/8 | 8,0 | 7,0 | 9,0 | 17,0 | 50 | 
| 10770 12/9 | 12/9 | 9,0 | 8,0 | 11,0 | 19,0 | 50 | 
| 10770 12/10 | 12/10 | 10,0 | 9,0 | 11,0 | 19,0 | 50 | 
| 10770 14/12 | 14/12 | 12,0 | 11,0 | 13,5 | 21,0 | 50 | 
| 10770 15/12,5 | 15/12,5 | 12,5 | 11,5 | 14,0 | 21,0 | 50 | 
| 10770 16/13 | 16/13 | 13,0 | 12,0 | 15,0 | 22,0 | 50 | 
| 10770 18/15 | 18/15 | 15,0 | 14,0 | 17,5 | 23,0 | 50 | 
| 10770 18/16 | 18/16 | 16,0 | 15,0 | 17,5 | 23,0 | 50 | 
| 10770 22/18 | 22/18 | 18,0 | 16,5 | 19,0 | 25,0 | 50 | 
| 13780 Sárgaréz dugasz | |
| 
 | 
 | 
| Rendelési szám | A | L | Csom. | 
| 13780 4 | 4 | 10,0 | 50 | 
| 13780 6 | 6 | 10,5 | 50 | 
| 13780 8 | 8 | 10,5 | 50 | 
| 13780 10 | 10 | 11,5 | 50 | 
| 13780 12 | 12 | 12,0 | 50 | 
| 13780 14 | 14 | 14,0 | 25 | 
| 13780 15 | 15 | 14,0 | 25 | 
| 13780 16 | 16 | 14,0 | 25 | 
| 13780 18 | 18 | 16,0 | 25 | 
| 13780 22 | 22 | 15,0 | 25 | 
| Anyacsavar anyaga | Sárgaréz | 
|---|---|
| Belső tömlőátmérő | 6 mm | 
| Csatlakozás | G1/8 | 
| Kiszerelés | 10 pc | 
| Kivitel | I | 
| Közegek | Víz, olaj, sűrített levegő | 
| Max. üzemi hőmérséklet | 80 °C | 
| Min. üzemi hőmérséklet | -60 °C | 
| Nyomástartomány max. értéke | 148,4 bar | 
| Nyomástartomány min. értéke | 0 bar | 
| O-gyűrű anyaga | NBR | 
| Test anyaga | Sárgaréz | 
| Tömlőminőség | Rézcső, vascső, acélcső, alumíniumcső, sárgarézcső, PA-tömlő | 
| Anyag | Sárgaréz | 
| Közeg | Levegő, semleges gázok és vákuum | 
| Cső típusa | Réz, acél, vas, alumínium, sárgaréz stb.  | 
| Menet | Kúpos az ISO 7.1, BS21, DIN 2999 szerint  | 
| Átmérő | Ajánlott | 
| Ø 4 | 148 bar | 
| Ø 6 | 148 bar | 
| Ø 8 | 128 bar | 
| Ø 10 | 178 bar | 
| Ø 12 | 148 bar | 
| Ø 14 | 113 bar | 
| Ø 16 | 74 bar | 
| Ø 18 | 59 bar | 
| Ø 22 | 39 bar | 
| 13530 Adapter, külső hengeres menet O-gyűrűvel | |
| 
 | 
 | 
| Rendelési szám | D | F | L | L1 | CH | Csom. | 
| 13530 6-1/8 | 6 | 1/8 | 27,5 | 16 | 13 | 50 | 
| 13530 6-1/4 | 6 | 1/4 | 31,0 | 16 | 17 | 50 | 
| 13530 8-1/8 | 8 | 1/8 | 31,5 | 19 | 13 | 25 | 
| 13530 8-1/4 | 8 | 1/4 | 34,0 | 19 | 17 | 25 | 
| 13530 8-3/8 | 8 | 3/8 | 38,0 | 19 | 22 | 25 | 
| 13530 10-1/4 | 10 | 1/4 | 35,0 | 20 | 17 | 25 | 
| 13530 10-3/8 | 10 | 3/8 | 39,0 | 20 | 22 | 25 | 
| 13530 1/4-3/8 | 14 | 3/8 | 40,0 | 21 | 22 | 25 | 
| 13530 14-1/2 | 14 | 1/2 | 42,0 | 21 | 27 | 25 | 
| 13540 Adapter, tömlő karmantyúja | |
| 
 | 
 | 
| Rendelési szám | D1 | D2 | L1 | L | Csom. | 
| 13540 6-7 | 6 | 7 | 22,5 | 40,5 | 50 | 
| 13540 8-7 | 8 | 7 | 22,5 | 43,5 | 50 | 
| 13540 8-10 | 8 | 10 | 22,5 | 43,5 | 50 | 
| 13540 10-7 | 10 | 7 | 22,5 | 44,5 | 25 | 
| 13540 10–10 | 10 | 10 | 22,5 | 44,5 | 25 | 
| 13540 12-10 | 12 | 10 | 22,5 | 45,0 | 25 | 
| 13540 12-13 | 12 | 13 | 29,5 | 52,0 | 25 | 
| 13540 14-13 | 14 | 13 | 29,5 | 52,5 | 25 | 
| 13680 Anya | |
| 
 | 
 | 
| Rendelési szám | Tömlő/cső | H | CH | M | Csom. | 
| 13680 4 | 4 | 10,5 | 10 | M8x1 | 50 | 
| 13680 6 | 6 | 10,5 | 13 | M10x1 | 50 | 
| 13680 8 | 8 | 12,5 | 14 | M12x1 | 50 | 
| 13680 10 | 10 | 15,0 | 19 | M16x1,5 | 50 | 
| 13680 12 | 12 | 15,0 | 22 | M18x1,5 | 50 | 
| 13680 14 | 14 | 15,0 | 24 | M20x1,5 | 25 | 
| 13680 15 | 15 | 15,0 | 24 | M20x1,5 | 25 | 
| 13680 16 | 16 | 17,0 | 27 | M22x1,5 | 25 | 
| 13680 18 | 18 | 18,0 | 30 | M24x1,5 | 25 | 
| 13680 22 | 22 | 19,0 | 36 | M30x1,5 | 10 | 
| 13740 Sárgaréz szorítógyűrű | |
| 
 | 
 | 
| Rendelési szám | Tömlő/cső | H | Csom. | 
| 13740 4 | 4 | 6,0 | 50 | 
| 13740 6 | 6 | 6,5 | 50 | 
| 13740 8 | 8 | 7,0 | 50 | 
| 13740 10 | 10 | 8,0 | 50 | 
| 13740 12 | 12 | 8,5 | 50 | 
| 13740 14 | 14 | 8,5 | 25 | 
| 13740 15 | 15 | 8,5 | 25 | 
| 13740 16 | 16 | 9,0 | 25 | 
| 13740 18 | 18 | 9,5 | 25 | 
| 13740 22 | 22 | 10,0 | 10 | 
| 10770 Sárgaréz támasztóhüvely | |
| 
 | 
 | 
| Rendelési szám | Tömlő/cső | A | B | C | L | Csom. | 
| 10770 4/2,7 | 4/2,7 | 2,7 | 1,5 | 3,8 | 13,0 | 50 | 
| 10770 6/4 | 6/4 | 4,0 | 3,0 | 5,0 | 13,0 | 50 | 
| 10770 8/6 | 8/6 | 6,0 | 5,0 | 7,0 | 16,5 | 50 | 
| 10770 10/8 | 10/8 | 8,0 | 7,0 | 9,0 | 17,0 | 50 | 
| 10770 12/9 | 12/9 | 9,0 | 8,0 | 11,0 | 19,0 | 50 | 
| 10770 12/10 | 12/10 | 10,0 | 9,0 | 11,0 | 19,0 | 50 | 
| 10770 14/12 | 14/12 | 12,0 | 11,0 | 13,5 | 21,0 | 50 | 
| 10770 15/12,5 | 15/12,5 | 12,5 | 11,5 | 14,0 | 21,0 | 50 | 
| 10770 16/13 | 16/13 | 13,0 | 12,0 | 15,0 | 22,0 | 50 | 
| 10770 18/15 | 18/15 | 15,0 | 14,0 | 17,5 | 23,0 | 50 | 
| 10770 18/16 | 18/16 | 16,0 | 15,0 | 17,5 | 23,0 | 50 | 
| 10770 22/18 | 22/18 | 18,0 | 16,5 | 19,0 | 25,0 | 50 | 
| 13780 Sárgaréz dugasz | |
| 
 | 
 | 
| Rendelési szám | A | L | Csom. | 
| 13780 4 | 4 | 10,0 | 50 | 
| 13780 6 | 6 | 10,5 | 50 | 
| 13780 8 | 8 | 10,5 | 50 | 
| 13780 10 | 10 | 11,5 | 50 | 
| 13780 12 | 12 | 12,0 | 50 | 
| 13780 14 | 14 | 14,0 | 25 | 
| 13780 15 | 15 | 14,0 | 25 | 
| 13780 16 | 16 | 14,0 | 25 | 
| 13780 18 | 18 | 16,0 | 25 | 
| 13780 22 | 22 | 15,0 | 25 | 
 
              Tapasztald meg az erőt a Wika csúcstechnológiás erőmérési megoldásaival
 
              Optimalizálja a termelést, növelje a megbízhatóságot és csökkentse az üzemeltetési költségeket.
 
              A Jabsco és a Flojet, a vezérelt szivattyúzási technológiák piacvezetői, olyan megoldásokat kínálnak, amelyek minden kritikus folyamatban garantálják a precíz és stabil teljesítményt
 
              Az OEM Automatic Kft. csapata sikeresen részt vett a 2025. május 13–16. között megrendezett IPAR NAPJAI Nemzetközi Ipari Szakkiállításon.
 
              Hatékonyság és egyszerűség – ezt a kombinációt tartalmazza a Brooks Instrument új SLA BIOTECH MFC sorozata.
 
              Az L3 Neo a szint- és nyomásérzékelők új generációja – Nagyobb pontosság.Nagyobb megbízhatóság.Egyszerűbb használat
|  |  |  |  |  | ||
|---|---|---|---|---|---|---|
|  |  |  |  |  | ||
|  |  |  |  |  | ||
|  |  |  |  |  | ||
|  |  |  |  |  | ||
|  |  |  |  |  | ||
|  |  |  |  |  | 
| Változatok | Anyacsavar anyaga | Belső tömlőátmérő | Csatlakozás | Külső tömlőátmérő | Max. üzemi hőmérséklet | Nyomástartomány max. értéke | O-gyűrű anyaga | Ár | ||
|---|---|---|---|---|---|---|---|---|---|---|
|   
      
        Elforgatható külső menetes adapter, 6 mm cső, G1/8"
      
      
       
        Cikkszám
         
          
            13530 6-1/8
          
          Másolva
         | 
            Sárgaréz 
            
            
           | 
            6 mm
            
            
           | 
            G1/8 
            
            
           |  | 
            80 °C
            
            
           | 
            148,4 bar
            
            
           | 
            NBR 
            
            
           |  | ||
|   
      
        Elforgatható külső menetes adapter, 6 mm cső, G1/4"
      
      
       
        Cikkszám
         
          
            13530 6-1/4
          
          Másolva
         | 
            Sárgaréz 
            
            
           | 
            6 mm
            
            
           | 
            G1/4 
            
            
           |  | 
            80 °C
            
            
           | 
            148,4 bar
            
            
           | 
            NBR 
            
            
           |  | ||
|   
      
        Külső menetes adapter, 8 mm-es cső, G1/8"
      
      
       
        Cikkszám
         
          
            13530 8-1/8
          
          Másolva
         | 
            Sárgaréz 
            
            
           | 
            8 mm
            
            
           | 
            G1/8 
            
            
           |  | 
            80 °C
            
            
           | 
            133,6 bar
            
            
           | 
            NBR 
            
            
           |  | ||
|   
      
        Elforgatható külső menetes adapter, 8 mm cső, G1/4"
      
      
       
        Cikkszám
         
          
            13530 8-1/4
          
          Másolva
         | 
            Sárgaréz 
            
            
           | 
            8 mm
            
            
           | 
            G1/4 
            
            
           |  | 
            80 °C
            
            
           | 
            133,6 bar
            
            
           | 
            NBR 
            
            
           |  | ||
|   
      
        Elforgatható külső menetes adapter, 8 mm cső, G3/8"
      
      
       
        Cikkszám
         
          
            13530 8-3/8
          
          Másolva
         | 
            Sárgaréz 
            
            
           | 
            8 mm
            
            
           | 
            G3/8" 
            
            
           |  | 
            80 °C
            
            
           | 
            133,6 bar
            
            
           | 
            NBR 
            
            
           |  | ||
|   
      
        Külső menetes adapter, 10 mm-es cső, G1/4"
      
      
       
        Cikkszám
         
          
            13530 10-1/4
          
          Másolva
         | 
            Sárgaréz 
            
            
           | 
            10 mm
            
            
           | 
            G1/4 
            
            
           |  | 
            80 °C
            
            
           | 
            94 bar
            
            
           | 
            NBR 
            
            
           |  | ||
|   
      
        Külső menetes adapter, 10 mm-es cső, G3/8"
      
      
       
        Cikkszám
         
          
            13530 10-3/8
          
          Másolva
         | 
            Sárgaréz 
            
            
           | 
            10 mm
            
            
           | 
            G3/8" 
            
            
           |  | 
            80 °C
            
            
           | 
            94 bar
            
            
           | 
            NBR 
            
            
           |  | ||
|   
      
        Külső menetes adapter, 1/4" mm-es cső, G3/8"
      
      
       
        Cikkszám
         
          
            13530 1/4-3/8
          
          Másolva
         | 
            Sárgaréz 
            
            
           | 
            14 mm
            
            
           | 
            G1/4 
            
            
           |  | 
            80 °C
            
            
           |  | 
            NBR 
            
            
           |  | ||
|   
      
        Külső menetes adapter, 14 mm-es cső, G1/2"
      
      
       
        Cikkszám
         
          
            13530 14-1/2
          
          Másolva
         | 
            Sárgaréz 
            
            
           | 
            14 mm
            
            
           | 
            G1/2" 
            
            
           |  | 
            80 °C
            
            
           | 
            99 bar
            
            
           |  |  | ||
|   
      
        Adapter, 7 mm-es roppantógyuru, 6 mm-es tömlo
      
      
       
        Cikkszám
         
          
            13540 6-7
          
          Másolva
         |  | 
            7 mm
            
            
           | 
            Push-on önzáró csatlakozó, Ø6 mm 
            
            
           |  | 
            300 °C
            
            
           |  |  |  | ||
|   
      
        Tömlőcsőadapter, gumicső, 7–8 mm
      
      
       
        Cikkszám
         
          
            13540 8-7
          
          Másolva
         |  | 
            7 mm
            
            
           | 
            Push-on önzáró csatlakozó, Ø8 mm 
            
            
           |  | 
            300 °C
            
            
           |  |  |  | ||
|   
      
        Adapter, 10 mm-es roppantógyuru, 8 mm-es tömlo
      
      
       
        Cikkszám
         
          
            13540 8-10
          
          Másolva
         |  | 
            10 mm
            
            
           | 
            Push-on önzáró csatlakozó, Ø8 mm 
            
            
           |  | 
            300 °C
            
            
           | 
            94 bar
            
            
           |  |  | ||
|   
      
        Adapter, 7 mm-es roppantógyűrű, 10 mm-es tömlő
      
      
       
        Cikkszám
         
          
            13540 10-7
          
          Másolva
         |  | 
            7 mm
            
            
           | 
            Push-on önzáró csatlakozó, Ø10 mm 
            
            
           |  | 
            300 °C
            
            
           |  |  |  | ||
|   
      
        Adapter, roppantógyuru, 10 mm-es tömlo
      
      
       
        Cikkszám
         
          
            13540 10-10
          
          Másolva
         |  | 
            10 mm
            
            
           | 
            Push-on önzáró csatlakozó, Ø10 mm 
            
            
           |  | 
            300 °C
            
            
           | 
            94 bar
            
            
           |  |  | ||
|   
      
        Adapter, 10 mm-es roppantógyuru, 12 mm-es tömlo
      
      
       
        Cikkszám
         
          
            13540 12-10
          
          Másolva
         |  | 
            10 mm
            
            
           | 
            Push-on önzáró csatlakozó, Ø12 mm 
            
            
           |  | 
            300 °C
            
            
           | 
            94 bar
            
            
           |  |  | ||
|   
      
        Adapter, 13 mm-es roppantógyuru, 12 mm-es tömlo
      
      
       
        Cikkszám
         
          
            13540 12-13
          
          Másolva
         |  | 
            13 mm
            
            
           | 
            Push-on önzáró csatlakozó, Ø12 mm 
            
            
           |  | 
            300 °C
            
            
           |  |  |  | ||
|   
      
        Adapter, 13 mm-es roppantógyuru, 14 mm-es tömlo
      
      
       
        Cikkszám
         
          
            13540 14-13
          
          Másolva
         |  | 
            13 mm
            
            
           | 
            Push-on önzáró csatlakozó, Ø14 mm 
            
            
           |  | 
            300 °C
            
            
           |  |  |  | ||
|   
      
        M8 anya roppantógyűrűs csatlakozáshoz
      
      
       
        Cikkszám
         
          
            13680 4
          
          Másolva
         | 
            Sárgaréz 
            
            
           |  |  | 
            4 mm
            
            
           | 
            300 °C
            
            
           | 
            148,4 bar
            
            
           |  |  | ||
|   
      
        M10x1 anya roppantógyűrűs csatlakozáshoz
      
      
       
        Cikkszám
         
          
            13680 6
          
          Másolva
         | 
            Sárgaréz 
            
            
           |  |  | 
            6 mm
            
            
           | 
            300 °C
            
            
           | 
            148,4 bar
            
            
           |  |  | ||
|   
      
        M12x1 anya roppantógyűrűs csatlakozáshoz
      
      
       
        Cikkszám
         
          
            13680 8
          
          Másolva
         | 
            Sárgaréz 
            
            
           |  |  | 
            8 mm
            
            
           | 
            300 °C
            
            
           | 
            133,6 bar
            
            
           |  |  | ||
|   
      
        M16x1,5 anya roppantógyurus csatlakozáshoz
      
      
       
        Cikkszám
         
          
            13680 10
          
          Másolva
         | 
            Sárgaréz 
            
            
           |  |  | 
            10 mm
            
            
           | 
            300 °C
            
            
           | 
            94 bar
            
            
           |  |  | ||
|   
      
        Anya összekötőelemhez, 12 mm
      
      
       
        Cikkszám
         
          
            13680 12
          
          Másolva
         | 
            Sárgaréz 
            
            
           |  |  | 
            12 mm
            
            
           | 
            300 °C
            
            
           | 
            74,2 bar
            
            
           |  |  | ||
|   
      
        Anya összekötoelemhez, 14 mm
      
      
       
        Cikkszám
         
          
            13680 14
          
          Másolva
         | 
            Sárgaréz 
            
            
           |  |  | 
            14 mm
            
            
           | 
            300 °C
            
            
           | 
            99 bar
            
            
           |  |  | ||
|   
      
        Anya összekötoelemhez, 15 mm
      
      
       
        Cikkszám
         
          
            13680 15
          
          Másolva
         | 
            Sárgaréz 
            
            
           |  |  | 
            15 mm
            
            
           | 
            300 °C
            
            
           | 
            94 bar
            
            
           |  |  | ||
|   
      
        Anya összekötoelemhez, 16 mm
      
      
       
        Cikkszám
         
          
            13680 16
          
          Másolva
         | 
            Sárgaréz 
            
            
           |  |  | 
            16 mm
            
            
           | 
            300 °C
            
            
           | 
            94 bar
            
            
           |  |  | ||
|   
      
        Anya összekötőelemhez, 18 mm
      
      
       
        Cikkszám
         
          
            13680 18
          
          Másolva
         | 
            Sárgaréz 
            
            
           |  |  | 
            18 mm
            
            
           | 
            300 °C
            
            
           | 
            69,3 bar
            
            
           |  |  | ||
|   
      
        Anya összekötőelemhez, 22 mm
      
      
       
        Cikkszám
         
          
            13680 22
          
          Másolva
         | 
            Sárgaréz 
            
            
           |  |  | 
            22 mm
            
            
           | 
            300 °C
            
            
           | 
            69,3 bar
            
            
           |  |  | ||
|   
      
        Sárgaréz, olajzöld ehhez: 13000-es sorozat. Ø 4 mm
      
      
       
        Cikkszám
         
          
            13740 4
          
          Másolva
         |  |  |  | 
            4 mm
            
            
           | 
            300 °C
            
            
           | 
            148,4 bar
            
            
           |  |  | ||
|   
      
        ¤¤ROPPANTÓGYŰRŰ 6 mm 13000 SOROZAT
      
      
       
        Cikkszám
         
          
            13740 6
          
          Másolva
         |  |  |  | 
            6 mm
            
            
           | 
            300 °C
            
            
           | 
            148,4 bar
            
            
           |  |  | ||
|   
      
        ¤¤ROPPANTÓGYŰRŰ 8 mm 13000 SOROZAT
      
      
       
        Cikkszám
         
          
            13740 8
          
          Másolva
         |  |  |  | 
            8 mm
            
            
           | 
            300 °C
            
            
           | 
            133,6 bar
            
            
           |  |  | ||
|   
      
        Sárgaréz, olajzöld ehhez: 13000-es sorozat. Ø 10 mm
      
      
       
        Cikkszám
         
          
            13740 10
          
          Másolva
         |  |  |  | 
            10 mm
            
            
           | 
            300 °C
            
            
           | 
            94 bar
            
            
           |  |  | ||
|   
      
        ¤¤ROPPANTÓGYŰRŰ 12 mm 13000 SOROZAT
      
      
       
        Cikkszám
         
          
            13740 12
          
          Másolva
         |  |  |  | 
            12 mm
            
            
           | 
            300 °C
            
            
           | 
            74,2 bar
            
            
           |  |  | ||
|   
      
        Gyuru összekötoelemhez, 14 mm
      
      
       
        Cikkszám
         
          
            13740 14
          
          Másolva
         |  |  |  | 
            14 mm
            
            
           | 
            300 °C
            
            
           | 
            99 bar
            
            
           |  |  | ||
|   
      
        Sárgaréz, olajzöld ehhez: 13000-es sorozat. Ø 15 mm
      
      
       
        Cikkszám
         
          
            13740 15
          
          Másolva
         |  |  |  | 
            15 mm
            
            
           | 
            300 °C
            
            
           | 
            94 bar
            
            
           |  |  | ||
|   
      
        ¤¤ROPPANTÓGYURU 16 mm 13000 SOROZAT
      
      
       
        Cikkszám
         
          
            13740 16
          
          Másolva
         |  |  |  | 
            16 mm
            
            
           | 
            300 °C
            
            
           | 
            94 bar
            
            
           |  |  | ||
|   
      
        Gyűrű összekötőelemhez, 18 mm
      
      
       
        Cikkszám
         
          
            13740 18
          
          Másolva
         |  |  |  | 
            18 mm
            
            
           | 
            300 °C
            
            
           | 
            69,3 bar
            
            
           |  |  | ||
|   
      
        Gyűrű összekötőelemhez, 22 mm
      
      
       
        Cikkszám
         
          
            13740 22
          
          Másolva
         |  |  |  | 
            22 mm
            
            
           | 
            300 °C
            
            
           | 
            69,3 bar
            
            
           |  |  | ||
|   
      
        Belső biztosítópersely 4/2,7-es csőhöz
      
      
       
        Cikkszám
         
          
            10770 4/2.7
          
          Másolva
         |  | 
            2,7 mm
            
            
           |  |  | 
            300 °C
            
            
           |  |  |  | ||
|   
      
        Belso biztosítópersely 6/4-es csohöz
      
      
       
        Cikkszám
         
          
            10770 6/4
          
          Másolva
         |  | 
            4 mm
            
            
           |  |  | 
            300 °C
            
            
           |  |  |  | ||
|   
      
        Belso biztosítópersely 8/6-os csohöz
      
      
       
        Cikkszám
         
          
            10770 8/6
          
          Másolva
         |  | 
            6 mm
            
            
           |  |  | 
            300 °C
            
            
           |  |  |  | ||
|   
      
        Belső biztosítópersely 10/8-as csőhöz
      
      
       
        Cikkszám
         
          
            10770 10/8
          
          Másolva
         |  | 
            8 mm
            
            
           |  |  | 
            300 °C
            
            
           |  |  |  | ||
|   
      
        Belső biztosítópersely 12/9-es csőhöz
      
      
       
        Cikkszám
         
          
            10770 12/9
          
          Másolva
         |  | 
            9 mm
            
            
           |  |  | 
            300 °C
            
            
           |  |  |  | ||
|   
      
        Belső biztosítópersely 12/10-es csőhöz
      
      
       
        Cikkszám
         
          
            10770 12/10
          
          Másolva
         |  | 
            10 mm
            
            
           |  |  | 
            300 °C
            
            
           |  |  |  | ||
|   
      
        Belső biztosítópersely 14/12-es csőhöz
      
      
       
        Cikkszám
         
          
            10770 14/12
          
          Másolva
         |  | 
            12 mm
            
            
           |  |  | 
            300 °C
            
            
           |  |  |  | ||
|   
      
        Belső biztosítópersely, 15/12,5-es cső
      
      
       
        Cikkszám
         
          
            10770 15/12,5
          
          Másolva
         |  | 
            12,5 mm
            
            
           |  |  | 
            300 °C
            
            
           |  |  |  | ||
|   
      
        Belso biztosítópersely 16/13-as csohöz
      
      
       
        Cikkszám
         
          
            10770 16/13
          
          Másolva
         |  | 
            13 mm
            
            
           |  |  | 
            300 °C
            
            
           |  |  |  | ||
|   
      
        Belso biztosítópersely, 18/15-ös cso
      
      
       
        Cikkszám
         
          
            10770 18/15
          
          Másolva
         |  | 
            15 mm
            
            
           |  |  | 
            300 °C
            
            
           |  |  |  | ||
|   
      
        Belso biztosítópersely, 18/16-os cso
      
      
       
        Cikkszám
         
          
            10770 18/16
          
          Másolva
         |  | 
            16 mm
            
            
           |  |  | 
            300 °C
            
            
           |  |  |  | ||
|   
      
        Belso biztosítópersely, 22/18-as cso
      
      
       
        Cikkszám
         
          
            10770 22/18
          
          Másolva
         |  | 
            18 mm
            
            
           |  |  | 
            300 °C
            
            
           |  |  |  | ||
|   
      
        Dugasz összekötőelemhez, 4 mm
      
      
       
        Cikkszám
         
          
            13780 4
          
          Másolva
         |  |  |  | 
            4 mm
            
            
           | 
            300 °C
            
            
           | 
            148,4 bar
            
            
           |  |  | ||
|   
      
        ¤¤SÁRGARÉZ DUGÓ
      
      
       
        Cikkszám
         
          
            13780 6
          
          Másolva
         |  |  |  | 
            6 mm
            
            
           | 
            300 °C
            
            
           | 
            148,4 bar
            
            
           |  |  | ||
|   
      
        Dugasz összekötőelemhez, 8 mm
      
      
       
        Cikkszám
         
          
            13780 8
          
          Másolva
         |  |  |  | 
            8 mm
            
            
           | 
            300 °C
            
            
           | 
            133,6 bar
            
            
           |  |  | ||
|   
      
        Dugasz összekötoelemhez, 10 mm
      
      
       
        Cikkszám
         
          
            13780 10
          
          Másolva
         |  |  |  | 
            10 mm
            
            
           | 
            300 °C
            
            
           | 
            94 bar
            
            
           |  |  | ||
|   
      
        Dugasz összekötőelemhez, 12 mm
      
      
       
        Cikkszám
         
          
            13780 12
          
          Másolva
         |  |  |  | 
            12 mm
            
            
           | 
            300 °C
            
            
           | 
            74,2 bar
            
            
           |  |  | ||
|   
      
        Dugasz összekötoelemhez, 14 mm
      
      
       
        Cikkszám
         
          
            13780 14
          
          Másolva
         |  |  |  | 
            14 mm
            
            
           | 
            300 °C
            
            
           | 
            99 bar
            
            
           |  |  | ||
|   
      
        Dugasz összekötoelemhez, 15 mm
      
      
       
        Cikkszám
         
          
            13780 15
          
          Másolva
         |  |  |  | 
            15 mm
            
            
           | 
            300 °C
            
            
           | 
            94 bar
            
            
           |  |  | ||
|   
      
        Dugasz összekötoelemhez, 16 mm
      
      
       
        Cikkszám
         
          
            13780 16
          
          Másolva
         |  |  |  | 
            16 mm
            
            
           | 
            300 °C
            
            
           | 
            94 bar
            
            
           |  |  | ||
|   
      
        Dugasz összekötőelemhez, 18 mm
      
      
       
        Cikkszám
         
          
            13780 18
          
          Másolva
         |  |  |  | 
            18 mm
            
            
           | 
            300 °C
            
            
           | 
            69,3 bar
            
            
           |  |  | ||
|   
      
        Dugasz összekötőelemhez, 22 mm
      
      
       
        Cikkszám
         
          
            13780 22
          
          Másolva
         |  |  |  | 
            22 mm
            
            
           | 
            300 °C
            
            
           | 
            69,3 bar
            
            
           |  |  | 
Válassza ki az egyik változatot a listából
 
            
        TÓTH PÉTER