ASCO
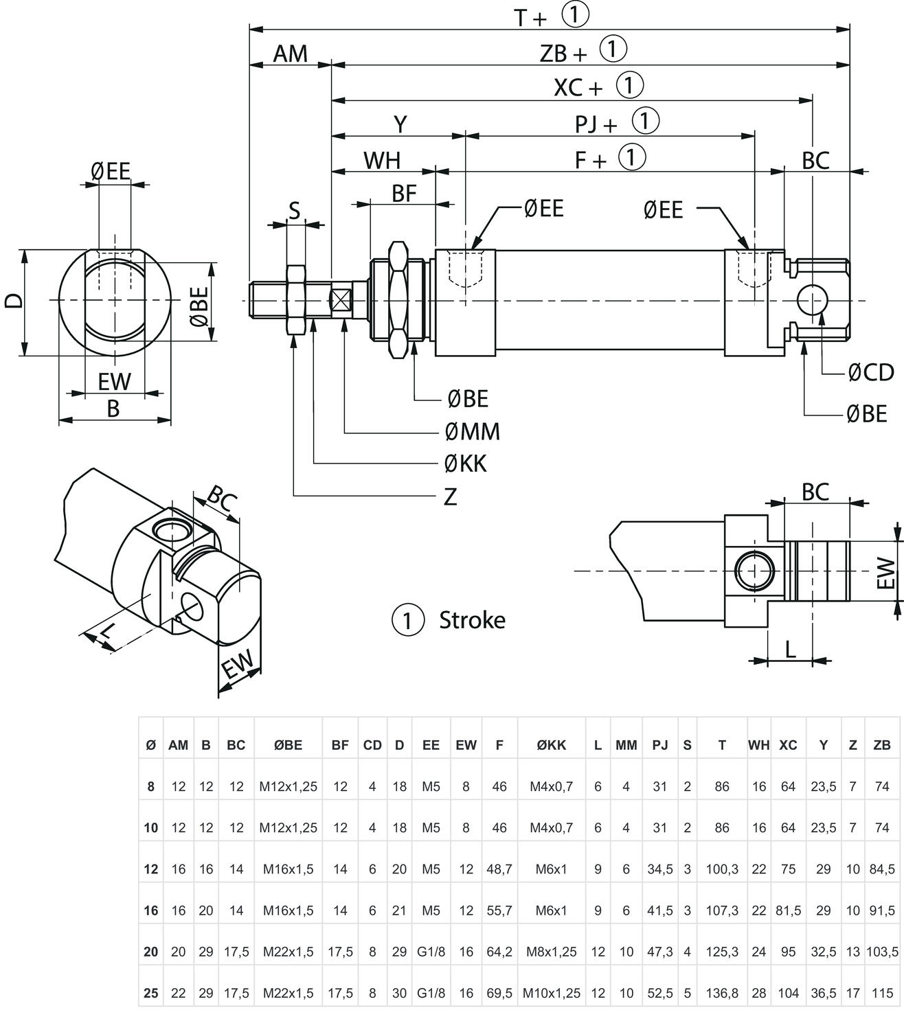
Az ISO munkahengerek egyszeres működésű hengerként kaphatók rugós visszatérítéssel a plusz vagy mínusz helyzetbe, illetve kettős működésű munkahengerként. A hengerpalást nem mágneses rozsdamentes acélból, a hengervégek pedig alumíniumötvözetből készülnek.
A 20 és 25 mm átmérőjű munkahengerek állítható pneumatikus csillapítással is kaphatók.
Ezek a munkahengerek teljesen rozsdamentes kivitelben is rendelkezésre állnak.
Belső alkatrészek anyaga | Alumínium, POM |
---|---|
Biztosított anyag | Alumínium |
Csatlakozás, levegő | M5 |
Dugattyúátmérő | 8 mm |
Dugattyúrúd anyaga | Edzett krómozott acél |
Dugattyúrúd-csavaranya anyaga | Galvanizált acél |
Dugattyúrúd-tömítés anyaga | PUR |
Dugattyútömítés anyaga | PUR |
Felszerelés | Önálló |
Funkció | Egyszeres működésű, Csillapítatlan |
Henger anyaga | Rozsdamentes acél |
Közegek | Sűrített levegő és semleges gázok |
---|---|
Löket | 25 mm |
Max. nyomás | 10 bar |
Max. üzemi hőmérséklet | 70 °C |
Max. üzemi nyomás, egyszeres működésű | 10 bar |
Min. üzemi hőmérséklet | -20 °C |
Min. üzemi nyomás, egyszeres működésű | 0 bar |
Palack anyaga | POM |
Szabványok | ISO 6432 |
Az ISO munkahengerek egyszeres működésű hengerként kaphatók rugós visszatérítéssel a plusz vagy mínusz helyzetbe, illetve kettős működésű munkahengerként. A hengerpalást nem mágneses rozsdamentes acélból, a hengervégek pedig alumíniumötvözetből készülnek.
A 20 és 25 mm átmérőjű munkahengerek állítható pneumatikus csillapítással is kaphatók.
Ezek a munkahengerek teljesen rozsdamentes kivitelben is rendelkezésre állnak.
Tapasztald meg az erőt a Wika csúcstechnológiás erőmérési megoldásaival
Optimalizálja a termelést, növelje a megbízhatóságot és csökkentse az üzemeltetési költségeket.
A Jabsco és a Flojet, a vezérelt szivattyúzási technológiák piacvezetői, olyan megoldásokat kínálnak, amelyek minden kritikus folyamatban garantálják a precíz és stabil teljesítményt
Az OEM Automatic Kft. csapata sikeresen részt vett a 2025. május 13–16. között megrendezett IPAR NAPJAI Nemzetközi Ipari Szakkiállításon.
Hatékonyság és egyszerűség – ezt a kombinációt tartalmazza a Brooks Instrument új SLA BIOTECH MFC sorozata.
Az L3 Neo a szint- és nyomásérzékelők új generációja – Nagyobb pontosság.Nagyobb megbízhatóság.Egyszerűbb használat
|
|
|
|
|
||
---|---|---|---|---|---|---|
|
|
|
|
|
||
|
|
|
|
|
||
|
|
|
|
|
||
|
|
|
|
|
||
|
|
|
|
|
||
|
|
|
|
|
Változatok | Csatlakozás, levegő | Dugattyúátmérő | Funkció | Löket | Max. üzemi nyomás, egyszeres működésű | Max. üzemi nyomás, kettős működésű | Min. üzemi nyomás, egyszeres működésű | Min. üzemi nyomás, kettős működésű | Ár | ||
---|---|---|---|---|---|---|---|---|---|---|---|
![]()
MUNKAHENGER 435, C8 AS 25-SER
Cikkszám
G435AG1N0025A00
Másolva
|
M5
|
8 mm
|
Egyszeres működésű, Csillapítatlan
|
25 mm
|
10 bar
|
|
0 bar
|
|
| ||
![]()
Munkahenger 435, C8 AS 50-SER
Cikkszám
G435AG1N0050A00
Másolva
|
M5
|
8 mm
|
Egyszeres működésű, Csillapítatlan
|
50 mm
|
10 bar
|
|
0 bar
|
|
| ||
![]()
ISO-henger, Ø 10 mm, egyenes 25 mm, egyszeres muködésu
Cikkszám
G435AH1N0025A00
Másolva
|
M5
|
10 mm
|
Egyszeres működésű, Csillapítatlan
|
25 mm
|
10 bar
|
|
0 bar
|
|
| ||
![]()
Munkahenger 435, C10 AS 50-SER
Cikkszám
G435AH1N0050A00
Másolva
|
M5
|
10 mm
|
Egyszeres működésű, Csillapítatlan
|
50 mm
|
10 bar
|
|
0 bar
|
|
| ||
![]()
Munkahenger 435, C12 AS 25-SER
Cikkszám
G435AJ1N0025A00
Másolva
|
M5
|
12 mm
|
Egyszeres működésű, Csillapítatlan
|
25 mm
|
10 bar
|
|
0 bar
|
|
| ||
![]()
ISO-henger, Ø 12 mm, egyenes 50 mm, egyszeres muködésu
Cikkszám
G435AJ1N0050A00
Másolva
|
M5
|
12 mm
|
Egyszeres működésű, Csillapítatlan
|
50 mm
|
10 bar
|
|
0 bar
|
|
| ||
![]()
MUNKAHENGER 435, C12 AS 50-SES
Cikkszám
G435AJ3N0050A00
Másolva
|
M5
|
12 mm
|
Egyszeres működésű, Csillapítatlan
|
50 mm
|
10 bar
|
|
0 bar
|
|
| ||
![]()
ISO-henger, Ø 16 mm, egyenes 25 mm, egyszeres működésű
Cikkszám
G435AK1N0025A00
Másolva
|
M5
|
16 mm
|
Egyszeres működésű, Csillapítatlan
|
25 mm
|
10 bar
|
|
0 bar
|
|
| ||
![]()
ISO-henger, Ø 16 mm, egyenes 50 mm, EGYSZERES MUKÖDÉSU
Cikkszám
G435AK1N0050A00
Másolva
|
M5
|
16 mm
|
Egyszeres működésű, Csillapítatlan
|
50 mm
|
10 bar
|
|
0 bar
|
|
| ||
![]()
ISO-henger, Ø 16 mm, egyenes 25 mm, egyszeres működésű
Cikkszám
G435AK3N0025A00
Másolva
|
M5
|
16 mm
|
Egyszeres működésű, Csillapítatlan
|
25 mm
|
10 bar
|
|
0 bar
|
|
| ||
![]()
ISO-henger, Ø 16 mm, egyenes 50 mm, egyszeres muködésu
Cikkszám
G435AK3N0050A00
Másolva
|
M5
|
16 mm
|
Egyszeres működésű, Csillapítatlan
|
50 mm
|
10 bar
|
|
0 bar
|
|
| ||
![]()
Henger ISO, Ø 20 mm, egyenes 25 mm, egyszeres működésű
Cikkszám
G435AL1N0025A00
Másolva
|
G1/8
|
20 mm
|
Egyszeres működésű, Csillapítatlan
|
25 mm
|
10 bar
|
|
0 bar
|
|
| ||
![]()
ISO-henger, Ø 20 mm, egyenes 50 mm, egyszeres muködésu
Cikkszám
G435AL1N0050A00
Másolva
|
G1/8
|
20 mm
|
Egyszeres működésű, Csillapítatlan
|
50 mm
|
10 bar
|
|
0 bar
|
|
| ||
![]()
Henger ISO, Ø 20 mm, egyenes 25 mm, egyszeres működésű
Cikkszám
G435AL3N0025A00
Másolva
|
G1/8
|
20 mm
|
Egyszeres működésű, Csillapítatlan
|
25 mm
|
10 bar
|
|
0 bar
|
|
| ||
![]()
Henger ISO, Ø 20 mm, egyenes 50 mm, egyszeres muködésu
Cikkszám
G435AL3N0050A00
Másolva
|
G1/8
|
20 mm
|
Egyszeres működésű, Csillapítatlan
|
50 mm
|
10 bar
|
|
0 bar
|
|
| ||
![]()
ISO-henger, Ø 25 mm, egyenes 25 mm, egyszeres muködésu
Cikkszám
G435AM1N0025A00
Másolva
|
G1/8
|
25 mm
|
Egyszeres működésű, Csillapítatlan
|
25 mm
|
10 bar
|
|
0 bar
|
|
| ||
![]()
ISO-henger, Ø 25 mm, egyenes 50 mm, egyszeres muködésu
Cikkszám
G435AM1N0050A00
Másolva
|
G1/8
|
25 mm
|
Egyszeres működésű, Csillapítatlan
|
50 mm
|
10 bar
|
|
0 bar
|
|
| ||
![]()
C25 AS25-SES-DM munkahenger
Cikkszám
G435AM3N0025A00
Másolva
|
G1/8
|
25 mm
|
Egyszeres működésű, Csillapítatlan
|
25 mm
|
10 bar
|
|
0 bar
|
|
| ||
![]()
ISO-henger, Ø 25 mm, egyenes 50 mm, egyszeres muködésu
Cikkszám
G435AM3N0050A00
Másolva
|
G1/8
|
25 mm
|
Egyszeres működésű, Csillapítatlan
|
50 mm
|
10 bar
|
|
0 bar
|
|
| ||
![]()
ISO-henger, Ø 8 mm, egyenes 25 mm,
Cikkszám
G435AGSN0025A00
Másolva
|
M5
|
8 mm
|
Kettős működésű, Csillapítatlan
|
25 mm
|
|
10 bar
|
|
0 bar
|
| ||
![]()
ISO-henger, Ø 8 mm, egyenes 50 mm, kettos muködésu
Cikkszám
G435AGSN0050A00
Másolva
|
M5
|
8 mm
|
Kettős működésű, Csillapítatlan
|
50 mm
|
|
10 bar
|
|
0 bar
|
| ||
![]()
ISO-henger, Ø 8 mm, egyenes 80 mm, kettos muködésu
Cikkszám
G435AGSN0080A00
Másolva
|
M5
|
8 mm
|
Kettős működésű, Csillapítatlan
|
80 mm
|
|
10 bar
|
|
0 bar
|
| ||
![]()
ISO-henger, Ø 8 mm, egyenes 100 mm, kettos muködésu
Cikkszám
G435AGSN0100A00
Másolva
|
M5
|
8 mm
|
Kettős működésű, Csillapítatlan
|
100 mm
|
|
10 bar
|
|
0 bar
|
| ||
![]()
ISO-henger, Ø 10 mm, egyenes 25 mm, kettos muködésu
Cikkszám
G435AHSN0025A00
Másolva
|
M5
|
10 mm
|
Kettős működésű, Csillapítatlan
|
25 mm
|
|
10 bar
|
|
0 bar
|
| ||
![]()
ISO-henger, Ø 10 mm, egyenes 50 mm, kettős működésű
Cikkszám
G435AHSN0050A00
Másolva
|
M5
|
10 mm
|
Kettős működésű, Csillapítatlan
|
50 mm
|
|
10 bar
|
|
0 bar
|
| ||
![]()
ISO-henger, Ø 10 mm, egyenes 80 mm, kettős működésű
Cikkszám
G435AHSN0080A00
Másolva
|
M5
|
10 mm
|
Kettős működésű, Csillapítatlan
|
80 mm
|
|
10 bar
|
|
0 bar
|
| ||
![]()
ISO-henger, Ø 10 mm, egyenes 100 mm, kettos muködésu
Cikkszám
G435AHSN0100A00
Másolva
|
M5
|
10 mm
|
Kettős működésű, Csillapítatlan
|
100 mm
|
|
10 bar
|
|
0 bar
|
| ||
![]()
ISO-henger, Ø 12 mm, egyenes 25 mm, kettős működésű
Cikkszám
G435AJSN0025A00
Másolva
|
M5
|
12 mm
|
Kettős működésű, Csillapítatlan
|
25 mm
|
|
|
|
|
| ||
![]()
ISO-henger, Ø 12 mm, egyenes 50 mm, kettos muködésu
Cikkszám
G435AJSN0050A00
Másolva
|
M5
|
12 mm
|
Kettős működésű, Csillapítatlan
|
50 mm
|
|
|
|
|
| ||
![]()
ISO-henger, Ø 12 mm, egyenes 80 mm, kettos muködésu
Cikkszám
G435AJSN0080A00
Másolva
|
M5
|
12 mm
|
Kettős működésű, Csillapítatlan
|
80 mm
|
|
|
|
|
| ||
![]()
ISO-henger, Ø 12 mm, egyenes 100 mm, kettos muködésu
Cikkszám
G435AJSN0100A00
Másolva
|
M5
|
12 mm
|
Kettős működésű, Csillapítatlan
|
100 mm
|
|
|
|
|
| ||
![]()
MUNKAHENGER 435, C16 AS 25-DM
Cikkszám
G435AKSN0025A00
Másolva
|
M5
|
16 mm
|
Kettős működésű, Csillapítatlan
|
25 mm
|
|
|
|
|
| ||
![]()
ISO-henger, Ø 16 mm, egyenes 50 mm, kettős működésű
Cikkszám
G435AKSN0050A00
Másolva
|
M5
|
16 mm
|
Kettős működésű, Csillapítatlan
|
50 mm
|
|
|
|
|
| ||
![]()
ISO-henger, Ø 16 mm, egyenes 80 mm, kettős működésű
Cikkszám
G435AKSN0080A00
Másolva
|
M5
|
16 mm
|
Kettős működésű, Csillapítatlan
|
80 mm
|
|
|
|
|
| ||
![]()
ISO-henger, Ø 16 mm, egyenes 100 mm, kettos muködésu
Cikkszám
G435AKSN0100A00
Másolva
|
M5
|
16 mm
|
Kettős működésű, Csillapítatlan
|
100 mm
|
|
|
|
|
| ||
![]()
Heng. ISO15552, Ø 20, 25 mm-es lökethossz
Cikkszám
G435ALSN0025A00
Másolva
|
G1/8
|
20 mm
|
Kettős működésű, Csillapítatlan
|
25 mm
|
|
10 bar
|
|
0 bar
|
| ||
![]()
ISO-henger, Ø 20 mm, egyenes 25 mm, kettos muködésu
Cikkszám
G435ALSN0025CSH
Másolva
|
G1/8
|
20 mm
|
Kettős működésű, Pneumatikus csillapítás
|
25 mm
|
|
10 bar
|
|
0 bar
|
| ||
![]()
ISO-henger, Ø 20 mm, egyenes 50 mm, kettos muködésu
Cikkszám
G435ALSN0050A00
Másolva
|
G1/8
|
20 mm
|
Kettős működésű, Csillapítatlan
|
50 mm
|
|
10 bar
|
|
0 bar
|
| ||
![]()
ISO-henger, Ø 20 mm, egyenes 50 mm, kettos muködésu
Cikkszám
G435ALSN0050CSH
Másolva
|
G1/8
|
20 mm
|
Kettős működésű, Pneumatikus csillapítás
|
50 mm
|
|
10 bar
|
|
0 bar
|
| ||
![]()
ISO-henger, Ø 20 mm, egyenes 80 mm, kettos muködésu
Cikkszám
G435ALSN0080A00
Másolva
|
G1/8
|
20 mm
|
Kettős működésű, Csillapítatlan
|
80 mm
|
|
10 bar
|
|
0 bar
|
| ||
![]()
ISO-henger, Ø 20 mm, egyenes 80 mm, kettos muködésu
Cikkszám
G435ALSN0080CSH
Másolva
|
G1/8
|
20 mm
|
Kettős működésű, Pneumatikus csillapítás
|
80 mm
|
|
10 bar
|
|
0 bar
|
| ||
![]()
ISO-henger, Ø 20 mm, egyenes 100 mm, kettos muködésu
Cikkszám
G435ALSN0100A00
Másolva
|
G1/8
|
20 mm
|
Kettős működésű, Csillapítatlan
|
100 mm
|
|
10 bar
|
|
0 bar
|
| ||
![]()
ISO-henger, Ø 20 mm, egyenes 100 mm, kettos muködésu
Cikkszám
G435ALSN0100CSH
Másolva
|
G1/8
|
20 mm
|
Kettős működésű, Pneumatikus csillapítás
|
100 mm
|
|
10 bar
|
|
0 bar
|
| ||
![]()
ISO-henger, Ø 25 mm, egyenes 25 mm, kettős működésű
Cikkszám
G435AMSN0025A00
Másolva
|
G1/8
|
25 mm
|
Kettős működésű, Csillapítatlan
|
25 mm
|
|
10 bar
|
|
0 bar
|
| ||
![]()
ISO-henger, Ø 25 mm, egyenes 25 mm, kettos muködésu
Cikkszám
G435AMSN0025CSH
Másolva
|
G1/8
|
25 mm
|
Kettős működésű, Pneumatikus csillapítás
|
25 mm
|
|
10 bar
|
|
0 bar
|
| ||
![]()
ISO-henger, Ø 25 mm, egyenes 50 mm, kettős működésű
Cikkszám
G435AMSN0050A00
Másolva
|
G1/8
|
25 mm
|
Kettős működésű, Csillapítatlan
|
50 mm
|
|
10 bar
|
|
0 bar
|
| ||
![]()
ISO-henger, Ø 25 mm, egyenes 50 mm, kettos muködésu
Cikkszám
G435AMSN0050CSH
Másolva
|
G1/8
|
25 mm
|
Kettős működésű, Pneumatikus csillapítás
|
50 mm
|
|
10 bar
|
|
0 bar
|
| ||
![]()
ISO-henger, Ø 25 mm, egyenes 80 mm, kettos muködésu
Cikkszám
G435AMSN0080A00
Másolva
|
G1/8
|
25 mm
|
Kettős működésű, Csillapítatlan
|
80 mm
|
|
10 bar
|
|
0 bar
|
| ||
![]()
ISO-henger, Ø 25 mm, egyenes 80 mm, kettos muködésu
Cikkszám
G435AMSN0080CSH
Másolva
|
G1/8
|
25 mm
|
Kettős működésű, Pneumatikus csillapítás
|
80 mm
|
|
10 bar
|
|
0 bar
|
| ||
![]()
ISO-henger, Ø 25 mm, egyenes 100 mm, kettős működésű
Cikkszám
G435AMSN0100A00
Másolva
|
G1/8
|
25 mm
|
Kettős működésű, Csillapítatlan
|
100 mm
|
|
10 bar
|
|
0 bar
|
| ||
![]()
ISO-henger, Ø 25 mm, egyenes 100 mm, kettos muködésu
Cikkszám
G435AMSN0100CSH
Másolva
|
G1/8
|
25 mm
|
Kettős működésű, Pneumatikus csillapítás
|
100 mm
|
|
10 bar
|
|
0 bar
|
| ||
![]()
ISO-henger, Ø 25 mm, egyenes 160 mm, kettős működésű
Cikkszám
G435AMSN0160A00
Másolva
|
G1/8
|
25 mm
|
Kettős működésű, Csillapítatlan
|
160 mm
|
|
10 bar
|
|
0 bar
|
| ||
![]()
MUNKAHENGER 435, C25 A 160-DM
Cikkszám
G435AMSN0160CSH
Másolva
|
G1/8
|
25 mm
|
Kettős működésű, Pneumatikus csillapítás
|
160 mm
|
|
10 bar
|
|
0 bar
|
|
Válassza ki az egyik változatot a listából
TÓTH PÉTER