ASCO
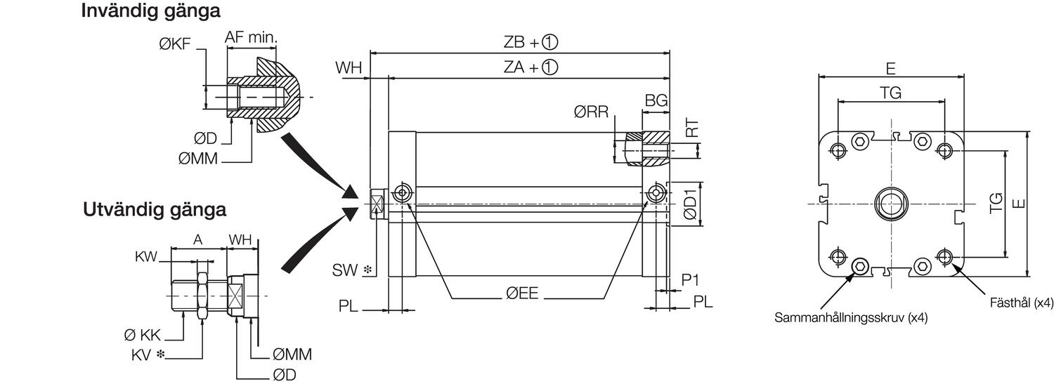
Kompakt hengerünk megfelel az adott hengertípus furatmintázatát és beépítési méreteit egyaránt meghatározó ISO-szabványnak. Ahogy a neve is mutatja, kicsi a beépítési mérete, és a legtöbb olyan felhasználásra kiválóan alkalmas, ahol a dugattyúrúd nem oldalirányban kap terhelést.
A hengerek felülete sima, ami megkönnyíti a tisztítást, és három oldalán T-hornyok vannak a közelítéskapcsolók rugalmas felszerelése érdekében.
A hengercső profilja megegyezik a VDMA hengerünkével. Így mindkét hengertípus esetében hasonló helyzetérzékelők használhatók.
A hengerek alapkivitelben belső menetes dugattyúrúddal rendelkeznek. Ha külső menetre van szükség, akkor a cikkszám (K) nyolcadik karakterét egy M helyettesíti. Vegye figyelembe, hogy a cikkszámok a dugattyúrúdra szerelt villás fogón stb. a külső dugattyúrúdmenettel ellátott hengerre vonatkoznak. Ha belső menetet és menetes rudat kíván használni, ne felejtse el csökkenteni
a konzol méretét. Lásd a méretrajzokat.
Belső alkatrészek anyaga | Alumínium, POM |
---|---|
Biztosított anyag | Alumínium |
Csatlakozás, levegő | M5 |
Dugattyúátmérő | 20 mm |
Dugattyúrúd anyaga | Rozsdamentes acél |
Dugattyúrúd-tömítés anyaga | PUR |
Dugattyútömítés anyaga | PUR |
Felszerelés | Önálló |
Funkció | Egyszeres működésű, Csillapítatlan |
Közegek | Sűrített levegő és semleges gázok |
Löket | 5 mm |
Max. nyomás | 10 bar |
Max. üzemi hőmérséklet | 70 °C |
Max. üzemi nyomás, egyszeres működésű | 10 bar |
Min. üzemi hőmérséklet | -20 °C |
Min. üzemi nyomás, egyszeres működésű | 0 bar |
Rugó anyaga | Rozsdamentes acél |
Szabványok | ISO 21287 |
Test anyaga | Eloxált alumínium |
Kompakt hengerünk megfelel az adott hengertípus furatmintázatát és beépítési méreteit egyaránt meghatározó ISO-szabványnak. Ahogy a neve is mutatja, kicsi a beépítési mérete, és a legtöbb olyan felhasználásra kiválóan alkalmas, ahol a dugattyúrúd nem oldalirányban kap terhelést.
A hengerek felülete sima, ami megkönnyíti a tisztítást, és három oldalán T-hornyok vannak a közelítéskapcsolók rugalmas felszerelése érdekében.
A hengercső profilja megegyezik a VDMA hengerünkével. Így mindkét hengertípus esetében hasonló helyzetérzékelők használhatók.
A hengerek alapkivitelben belső menetes dugattyúrúddal rendelkeznek. Ha külső menetre van szükség, akkor a cikkszám (K) nyolcadik karakterét egy M helyettesíti. Vegye figyelembe, hogy a cikkszámok a dugattyúrúdra szerelt villás fogón stb. a külső dugattyúrúdmenettel ellátott hengerre vonatkoznak. Ha belső menetet és menetes rudat kíván használni, ne felejtse el csökkenteni
a konzol méretét. Lásd a méretrajzokat.
Tapasztald meg az erőt a Wika csúcstechnológiás erőmérési megoldásaival
Optimalizálja a termelést, növelje a megbízhatóságot és csökkentse az üzemeltetési költségeket.
A Jabsco és a Flojet, a vezérelt szivattyúzási technológiák piacvezetői, olyan megoldásokat kínálnak, amelyek minden kritikus folyamatban garantálják a precíz és stabil teljesítményt
Az OEM Automatic Kft. csapata sikeresen részt vett a 2025. május 13–16. között megrendezett IPAR NAPJAI Nemzetközi Ipari Szakkiállításon.
Hatékonyság és egyszerűség – ezt a kombinációt tartalmazza a Brooks Instrument új SLA BIOTECH MFC sorozata.
Az L3 Neo a szint- és nyomásérzékelők új generációja – Nagyobb pontosság.Nagyobb megbízhatóság.Egyszerűbb használat
|
|
|
|
|
||
---|---|---|---|---|---|---|
|
|
|
|
|
||
|
|
|
|
|
||
|
|
|
|
|
||
|
|
|
|
|
||
|
|
|
|
|
||
|
|
|
|
|
Változatok | Belső alkatrészek anyaga | Biztosított anyag | Csatlakozás, levegő | Dugattyúátmérő | Dugattyúrúd anyaga | Dugattyúrúd-tömítés anyaga | Dugattyútömítés anyaga | Felszerelés | Funkció | Közegek | Löket | Max. nyomás | Max. üzemi hőmérséklet | Max. üzemi nyomás, egyszeres működésű | Max. üzemi nyomás, kettős működésű | Min. üzemi hőmérséklet | Min. üzemi nyomás, egyszeres működésű | Min. üzemi nyomás, kettős működésű | Rugó anyaga | Szabványok | Test anyaga | Ár | ||
---|---|---|---|---|---|---|---|---|---|---|---|---|---|---|---|---|---|---|---|---|---|---|---|---|
![]()
Munkahenger, G449, Ø 20, lökethossz: 5 mm
Cikkszám
G449AL1G0005A00
Másolva
|
Alumínium, POM
|
Alumínium
|
M5
|
20 mm
|
Rozsdamentes acél
|
PUR
|
PUR
|
Önálló
|
Egyszeres működésű, Csillapítatlan
|
Sűrített levegő és semleges gázok
|
5 mm
|
10 bar
|
70 °C
|
10 bar
|
|
-20 °C
|
0 bar
|
|
Rozsdamentes acél
|
ISO 21287
|
Eloxált alumínium
|
| ||
![]()
Munkahenger, G449, Ø 20, lökethossz: 5 mm
Cikkszám
G449ALSG0005A00
Másolva
|
Alumínium, POM
|
Alumínium
|
M5
|
20 mm
|
Rozsdamentes acél
|
PUR
|
PUR
|
Önálló
|
Kettős működésű, Csillapítatlan
|
Sűrített levegő és semleges gázok
|
5 mm
|
10 bar
|
70 °C
|
|
10 bar
|
-20 °C
|
|
0 bar
|
|
ISO 21287
|
Eloxált alumínium
|
| ||
![]()
Munkahenger, G449, Ø 20, lökethossz: 10 mm
Cikkszám
G449AL1G0010A00
Másolva
|
Alumínium, POM
|
Alumínium
|
M5
|
20 mm
|
Rozsdamentes acél
|
PUR
|
PUR
|
Önálló
|
Egyszeres működésű, Csillapítatlan
|
Sűrített levegő és semleges gázok
|
10 mm
|
10 bar
|
70 °C
|
10 bar
|
|
-20 °C
|
0 bar
|
|
Rozsdamentes acél
|
ISO 21287
|
Eloxált alumínium
|
| ||
![]()
Munkahenger, G449, Ø 20, lökethossz: 10 mm
Cikkszám
G449ALSG0010A00
Másolva
|
Alumínium, POM
|
Alumínium
|
M5
|
20 mm
|
Rozsdamentes acél
|
PUR
|
PUR
|
Önálló
|
Kettős működésű, Csillapítatlan
|
Sűrített levegő és semleges gázok
|
10 mm
|
10 bar
|
70 °C
|
|
10 bar
|
-20 °C
|
|
0 bar
|
|
ISO 21287
|
Eloxált alumínium
|
| ||
![]()
Munkahenger, G449, Ø 20, lökethossz: 15 mm
Cikkszám
G449AL1G0015A00
Másolva
|
Alumínium, POM
|
Alumínium
|
M5
|
20 mm
|
Rozsdamentes acél
|
PUR
|
PUR
|
Önálló
|
Egyszeres működésű, Csillapítatlan
|
Sűrített levegő és semleges gázok
|
15 mm
|
10 bar
|
70 °C
|
10 bar
|
|
-20 °C
|
0 bar
|
|
Rozsdamentes acél
|
ISO 21287
|
Eloxált alumínium
|
| ||
![]()
Munkahenger, G449, Ø 20, lökethossz: 15 mm
Cikkszám
G449ALSG0015A00
Másolva
|
Alumínium, POM
|
Alumínium
|
M5
|
20 mm
|
Rozsdamentes acél
|
PUR
|
PUR
|
Önálló
|
Kettős működésű, Csillapítatlan
|
Sűrített levegő és semleges gázok
|
15 mm
|
10 bar
|
70 °C
|
|
10 bar
|
-20 °C
|
|
0 bar
|
|
ISO 21287
|
Eloxált alumínium
|
| ||
![]()
Munkahenger, G449, Ø 20, lökethossz: 20 mm
Cikkszám
G449ALSG0020A00
Másolva
|
Alumínium, POM
|
Alumínium
|
M5
|
20 mm
|
Rozsdamentes acél
|
PUR
|
PUR
|
Önálló
|
Kettős működésű, Csillapítatlan
|
Sűrített levegő és semleges gázok
|
20 mm
|
10 bar
|
70 °C
|
|
10 bar
|
-20 °C
|
|
0 bar
|
|
ISO 21287
|
Eloxált alumínium
|
| ||
![]()
Munkahenger, G449, Ø 20, lökethossz: 25 mm
Cikkszám
G449ALSG0025A00
Másolva
|
Alumínium, POM
|
Alumínium
|
M5
|
20 mm
|
Rozsdamentes acél
|
PUR
|
PUR
|
Önálló
|
Kettős működésű, Csillapítatlan
|
Sűrített levegő és semleges gázok
|
25 mm
|
10 bar
|
70 °C
|
|
10 bar
|
-20 °C
|
|
0 bar
|
|
ISO 21287
|
Eloxált alumínium
|
| ||
![]()
Munkahenger, G449, Ø 20, lökethossz: 50 mm
Cikkszám
G449ALSG0050A00
Másolva
|
Alumínium, POM
|
Alumínium
|
M5
|
20 mm
|
Rozsdamentes acél
|
PUR
|
PUR
|
Önálló
|
Kettős működésű, Csillapítatlan
|
Sűrített levegő és semleges gázok
|
50 mm
|
10 bar
|
70 °C
|
|
10 bar
|
-20 °C
|
|
0 bar
|
|
ISO 21287
|
Eloxált alumínium
|
| ||
![]()
Munkahenger, G449, Ø 25, lökethossz: 5 mm. Egyszeres muk.
Cikkszám
G449AM1G0005A00
Másolva
|
Alumínium, POM
|
Alumínium
|
M5
|
25 mm
|
Rozsdamentes acél
|
PUR
|
PUR
|
Önálló
|
Egyszeres működésű, Csillapítatlan
|
Sűrített levegő és semleges gázok
|
5 mm
|
10 bar
|
70 °C
|
10 bar
|
|
-20 °C
|
0 bar
|
|
Rozsdamentes acél
|
ISO 21287
|
Eloxált alumínium
|
| ||
![]()
Munkahenger, G449, Ø 25, lök.h.: 5 mm. Kettos muk.
Cikkszám
G449AMSG0005A00
Másolva
|
Alumínium, POM
|
Alumínium
|
M5
|
25 mm
|
Rozsdamentes acél
|
PUR
|
PUR
|
Önálló
|
Kettős működésű, Csillapítatlan
|
Sűrített levegő és semleges gázok
|
5 mm
|
10 bar
|
70 °C
|
|
10 bar
|
-20 °C
|
|
0 bar
|
|
ISO 21287
|
Eloxált alumínium
|
| ||
![]()
Kompakt munkahenger, Ø 25, lök.h.: 10 mm. Egyszeres muk.
Cikkszám
G449AM1G0010A00
Másolva
|
Alumínium, POM
|
Alumínium
|
M5
|
25 mm
|
Rozsdamentes acél
|
PUR
|
PUR
|
Önálló
|
Egyszeres működésű, Csillapítatlan
|
Sűrített levegő és semleges gázok
|
10 mm
|
10 bar
|
70 °C
|
10 bar
|
|
-20 °C
|
0 bar
|
|
Rozsdamentes acél
|
ISO 21287
|
Eloxált alumínium
|
| ||
![]()
Kompakt munkahenger, Ø 25, lök.h.: 10 mm. Kettos muk.
Cikkszám
G449AMSG0010A00
Másolva
|
Alumínium, POM
|
Alumínium
|
M5
|
25 mm
|
Rozsdamentes acél
|
PUR
|
PUR
|
Önálló
|
Kettős működésű, Csillapítatlan
|
Sűrített levegő és semleges gázok
|
10 mm
|
10 bar
|
70 °C
|
|
10 bar
|
-20 °C
|
|
0 bar
|
|
ISO 21287
|
Eloxált alumínium
|
| ||
![]()
Kompakt munkahenger, Ø 25, lökethossz: 15 mm. Egyszeres muk.
Cikkszám
G449AM1G0015A00
Másolva
|
Alumínium, POM
|
Alumínium
|
M5
|
25 mm
|
Rozsdamentes acél
|
PUR
|
PUR
|
Önálló
|
Egyszeres működésű, Csillapítatlan
|
Sűrített levegő és semleges gázok
|
15 mm
|
10 bar
|
70 °C
|
10 bar
|
|
-20 °C
|
0 bar
|
|
Rozsdamentes acél
|
ISO 21287
|
Eloxált alumínium
|
| ||
![]()
Kompakt munkahenger, Ø 25, lökethossz: 15 mm. Kettos muk.
Cikkszám
G449AMSG0015A00
Másolva
|
Alumínium, POM
|
Alumínium
|
M5
|
25 mm
|
Rozsdamentes acél
|
PUR
|
PUR
|
Önálló
|
Kettős működésű, Csillapítatlan
|
Sűrített levegő és semleges gázok
|
15 mm
|
10 bar
|
70 °C
|
|
10 bar
|
-20 °C
|
|
0 bar
|
|
ISO 21287
|
Eloxált alumínium
|
| ||
![]()
Munkahenger, G449, Ø 25, lökethossz: 20 mm. Egyszeres muk.
Cikkszám
G449AM1G0020A00
Másolva
|
Alumínium, POM
|
Alumínium
|
M5
|
25 mm
|
Rozsdamentes acél
|
PUR
|
PUR
|
Önálló
|
Egyszeres működésű, Csillapítatlan
|
Sűrített levegő és semleges gázok
|
20 mm
|
10 bar
|
70 °C
|
10 bar
|
|
-20 °C
|
0 bar
|
|
Rozsdamentes acél
|
ISO 21287
|
Eloxált alumínium
|
| ||
![]()
Munkahenger, G449, Ø 25, lök.h.: 20 mm. Kettos muk.
Cikkszám
G449AMSG0020A00
Másolva
|
Alumínium, POM
|
Alumínium
|
M5
|
25 mm
|
Rozsdamentes acél
|
PUR
|
PUR
|
Önálló
|
Kettős működésű, Csillapítatlan
|
Sűrített levegő és semleges gázok
|
20 mm
|
10 bar
|
70 °C
|
|
10 bar
|
-20 °C
|
|
0 bar
|
|
ISO 21287
|
Eloxált alumínium
|
| ||
![]()
Munkahenger, G449, Ø 25, lökethossz: 25 mm. Kettos muk.
Cikkszám
G449AMSG0025A00
Másolva
|
Alumínium, POM
|
Alumínium
|
M5
|
25 mm
|
Rozsdamentes acél
|
PUR
|
PUR
|
Önálló
|
Kettős működésű, Csillapítatlan
|
Sűrített levegő és semleges gázok
|
25 mm
|
10 bar
|
70 °C
|
|
10 bar
|
-20 °C
|
|
0 bar
|
|
ISO 21287
|
Eloxált alumínium
|
| ||
![]()
Munkahenger, G449, Ø 25, lökethossz: 50 mm. Kettos muk.
Cikkszám
G449AMSG0050A00
Másolva
|
Alumínium, POM
|
Alumínium
|
M5
|
25 mm
|
Rozsdamentes acél
|
PUR
|
PUR
|
Önálló
|
Kettős működésű, Csillapítatlan
|
Sűrített levegő és semleges gázok
|
50 mm
|
10 bar
|
70 °C
|
|
10 bar
|
-20 °C
|
|
0 bar
|
|
ISO 21287
|
Eloxált alumínium
|
| ||
![]()
Munkahenger, G449, Ø 25, lökethossz: 80 mm. Kettos muk.
Cikkszám
G449AMSG0080A00
Másolva
|
Alumínium, POM
|
Alumínium
|
M5
|
25 mm
|
Rozsdamentes acél
|
PUR
|
PUR
|
Önálló
|
Kettős működésű, Csillapítatlan
|
Sűrített levegő és semleges gázok
|
80 mm
|
10 bar
|
70 °C
|
|
10 bar
|
-20 °C
|
|
0 bar
|
|
ISO 21287
|
Eloxált alumínium
|
| ||
![]()
Munkahenger, G449, Ø 32, lök.h.: 5 mm. Egyszeres muk.
Cikkszám
G449A31K0005A00
Másolva
|
Alumínium, POM
|
Alumínium
|
G1/8
|
32 mm
|
Edzett krómozott acél
|
PUR
|
PUR
|
Önálló
|
Egyszeres működésű, Csillapítatlan
|
Sűrített levegő és semleges gázok
|
5 mm
|
10 bar
|
70 °C
|
10 bar
|
|
-20 °C
|
0 bar
|
|
Rozsdamentes acél
|
ISO 21287
|
Eloxált alumínium
|
| ||
![]()
Munkahenger, G449, Ø 32, lökethossz: 5 mm
Cikkszám
G449A3SK0005A00
Másolva
|
Alumínium, POM
|
Alumínium
|
G1/8
|
32 mm
|
Edzett krómozott acél
|
PUR
|
PUR
|
Önálló
|
Kettős működésű, Csillapítatlan
|
Sűrített levegő és semleges gázok
|
5 mm
|
10 bar
|
70 °C
|
|
10 bar
|
-20 °C
|
|
0 bar
|
|
ISO 21287
|
Eloxált alumínium
|
| ||
![]()
Kompakt munkahenger, Ø 25, lök.h.: 10 mm. Egyszeres muk.
Cikkszám
G449A31K0010A00
Másolva
|
Alumínium, POM
|
Alumínium
|
G1/8
|
32 mm
|
Edzett krómozott acél
|
PUR
|
PUR
|
Önálló
|
Egyszeres működésű, Csillapítatlan
|
Sűrített levegő és semleges gázok
|
10 mm
|
10 bar
|
70 °C
|
10 bar
|
|
-20 °C
|
0 bar
|
|
Rozsdamentes acél
|
ISO 21287
|
Eloxált alumínium
|
| ||
![]()
Munkahenger, G449, Ø 32, lökethossz: 10 mm
Cikkszám
G449A3SK0010A00
Másolva
|
Alumínium, POM
|
Alumínium
|
G1/8
|
32 mm
|
Edzett krómozott acél
|
PUR
|
PUR
|
Önálló
|
Kettős működésű, Csillapítatlan
|
Sűrített levegő és semleges gázok
|
10 mm
|
10 bar
|
70 °C
|
|
10 bar
|
-20 °C
|
|
0 bar
|
|
ISO 21287
|
Eloxált alumínium
|
| ||
![]()
Kompakt munkahenger, Ø 32, lök.h.: 10 mm. Egyszeres muk.
Cikkszám
G449A31K0015A00
Másolva
|
Alumínium, POM
|
Alumínium
|
G1/8
|
32 mm
|
Edzett krómozott acél
|
PUR
|
PUR
|
Önálló
|
Egyszeres működésű, Csillapítatlan
|
Sűrített levegő és semleges gázok
|
15 mm
|
10 bar
|
70 °C
|
10 bar
|
|
-20 °C
|
0 bar
|
|
Rozsdamentes acél
|
ISO 21287
|
Eloxált alumínium
|
| ||
![]()
Munkahenger, G449, Ø 32, lökethossz: 15 mm
Cikkszám
G449A3SK0015A00
Másolva
|
Alumínium, POM
|
Alumínium
|
G1/8
|
32 mm
|
Edzett krómozott acél
|
PUR
|
PUR
|
Önálló
|
Kettős működésű, Csillapítatlan
|
Sűrített levegő és semleges gázok
|
15 mm
|
10 bar
|
70 °C
|
|
10 bar
|
-20 °C
|
|
0 bar
|
|
ISO 21287
|
Eloxált alumínium
|
| ||
![]()
Kompakt munkahenger, Ø 32, lök.h.: 20 mm. Egyszeres muk.
Cikkszám
G449A31K0020A00
Másolva
|
Alumínium, POM
|
Alumínium
|
G1/8
|
32 mm
|
Edzett krómozott acél
|
PUR
|
PUR
|
Önálló
|
Egyszeres működésű, Csillapítatlan
|
Sűrített levegő és semleges gázok
|
20 mm
|
10 bar
|
70 °C
|
10 bar
|
|
-20 °C
|
0 bar
|
|
Rozsdamentes acél
|
ISO 21287
|
Eloxált alumínium
|
| ||
![]()
Munkahenger, G449, Ø 32, lökethossz: 20 mm
Cikkszám
G449A3SK0020A00
Másolva
|
Alumínium, POM
|
Alumínium
|
G1/8
|
32 mm
|
Edzett krómozott acél
|
PUR
|
PUR
|
Önálló
|
Kettős működésű, Csillapítatlan
|
Sűrített levegő és semleges gázok
|
20 mm
|
10 bar
|
70 °C
|
|
10 bar
|
-20 °C
|
|
0 bar
|
|
ISO 21287
|
Eloxált alumínium
|
| ||
![]()
Kompakt munkahenger, Ø 32, lök.h.: 25 mm, Egyszeres muk.
Cikkszám
G449A31K0025A00
Másolva
|
Alumínium, POM
|
Alumínium
|
G1/8
|
32 mm
|
Edzett krómozott acél
|
PUR
|
PUR
|
Önálló
|
Egyszeres működésű, Csillapítatlan
|
Sűrített levegő és semleges gázok
|
25 mm
|
10 bar
|
70 °C
|
10 bar
|
|
-20 °C
|
0 bar
|
|
Rozsdamentes acél
|
ISO 21287
|
Eloxált alumínium
|
| ||
![]()
Munkahenger, G449, Ø 32, lökethossz: 25 mm
Cikkszám
G449A3SK0025A00
Másolva
|
Alumínium, POM
|
Alumínium
|
G1/8
|
32 mm
|
Edzett krómozott acél
|
PUR
|
PUR
|
Önálló
|
Kettős működésű, Csillapítatlan
|
Sűrített levegő és semleges gázok
|
25 mm
|
10 bar
|
70 °C
|
|
10 bar
|
-20 °C
|
|
0 bar
|
|
ISO 21287
|
Eloxált alumínium
|
| ||
![]()
Munkahenger, G449, Ø 32, lökethossz: 50 mm
Cikkszám
G449A3SK0050A00
Másolva
|
Alumínium, POM
|
Alumínium
|
G1/8
|
32 mm
|
Edzett krómozott acél
|
PUR
|
PUR
|
Önálló
|
Kettős működésű, Csillapítatlan
|
Sűrített levegő és semleges gázok
|
50 mm
|
10 bar
|
70 °C
|
|
10 bar
|
-20 °C
|
|
0 bar
|
|
ISO 21287
|
Eloxált alumínium
|
| ||
![]()
Munkahenger, G449, Ø 32, lökethossz: 80 mm
Cikkszám
G449A3SK0080A00
Másolva
|
Alumínium, POM
|
Alumínium
|
G1/8
|
32 mm
|
Edzett krómozott acél
|
PUR
|
PUR
|
Önálló
|
Kettős működésű, Csillapítatlan
|
Sűrített levegő és semleges gázok
|
80 mm
|
10 bar
|
70 °C
|
|
10 bar
|
-20 °C
|
|
0 bar
|
|
ISO 21287
|
Eloxált alumínium
|
| ||
![]()
Munkahenger, G449, Ø 32, lökethossz: 100 mm
Cikkszám
G449A3SK0100A00
Másolva
|
Alumínium, POM
|
Alumínium
|
G1/8
|
32 mm
|
Edzett krómozott acél
|
PUR
|
PUR
|
Önálló
|
Kettős működésű, Csillapítatlan
|
Sűrített levegő és semleges gázok
|
100 mm
|
10 bar
|
70 °C
|
|
10 bar
|
-20 °C
|
|
0 bar
|
|
ISO 21287
|
Eloxált alumínium
|
| ||
![]()
Munkahenger, G449, Ø 32, lökethossz: 125 mm
Cikkszám
G449A3SK0125A00
Másolva
|
Alumínium, POM
|
Alumínium
|
G1/8
|
32 mm
|
Edzett krómozott acél
|
PUR
|
PUR
|
Önálló
|
Kettős működésű, Csillapítatlan
|
Sűrített levegő és semleges gázok
|
125 mm
|
10 bar
|
70 °C
|
|
10 bar
|
-20 °C
|
|
0 bar
|
|
ISO 21287
|
Eloxált alumínium
|
| ||
![]()
Munkahenger, G449, Ø 32, lökethossz: 160 mm
Cikkszám
G449A3SK0160A00
Másolva
|
Alumínium, POM
|
Alumínium
|
G1/8
|
32 mm
|
Edzett krómozott acél
|
PUR
|
PUR
|
Önálló
|
Kettős működésű, Csillapítatlan
|
Sűrített levegő és semleges gázok
|
160 mm
|
10 bar
|
70 °C
|
|
10 bar
|
-20 °C
|
|
0 bar
|
|
ISO 21287
|
Eloxált alumínium
|
| ||
![]()
Munkahenger, G449, Ø 32, lökethossz: 200 mm
Cikkszám
G449A3SK0200A00
Másolva
|
Alumínium, POM
|
Alumínium
|
G1/8
|
32 mm
|
Edzett krómozott acél
|
PUR
|
PUR
|
Önálló
|
Kettős működésű, Csillapítatlan
|
Sűrített levegő és semleges gázok
|
200 mm
|
10 bar
|
70 °C
|
|
10 bar
|
-20 °C
|
|
0 bar
|
|
ISO 21287
|
Eloxált alumínium
|
| ||
![]()
Munkahenger, G449, Ø 32, lökethossz: 250 mm
Cikkszám
G449A3SK0250A00
Másolva
|
Alumínium, POM
|
Alumínium
|
G1/8
|
32 mm
|
Edzett krómozott acél
|
PUR
|
PUR
|
Önálló
|
Kettős működésű, Csillapítatlan
|
Sűrített levegő és semleges gázok
|
250 mm
|
10 bar
|
70 °C
|
|
10 bar
|
-20 °C
|
|
0 bar
|
|
ISO 21287
|
Eloxált alumínium
|
| ||
![]()
Munkahenger, G449, Ø 40, lök.h.: 5 mm. Egyszeres muk.
Cikkszám
G449A41K0005A00
Másolva
|
Alumínium, POM
|
Alumínium
|
G1/8
|
40 mm
|
Edzett krómozott acél
|
PUR
|
PUR
|
Önálló
|
Egyszeres működésű, Csillapítatlan
|
Sűrített levegő és semleges gázok
|
5 mm
|
10 bar
|
70 °C
|
10 bar
|
|
-20 °C
|
0 bar
|
|
Rozsdamentes acél
|
ISO 21287
|
Eloxált alumínium
|
| ||
![]()
Munkahenger, G449, Ø 40, lökethossz: 5 mm
Cikkszám
G449A4SK0005A00
Másolva
|
Alumínium, POM
|
Alumínium
|
G1/8
|
40 mm
|
Edzett krómozott acél
|
PUR
|
PUR
|
Önálló
|
Kettős működésű, Csillapítatlan
|
Sűrített levegő és semleges gázok
|
5 mm
|
10 bar
|
70 °C
|
|
10 bar
|
-20 °C
|
|
0 bar
|
|
ISO 21287
|
Eloxált alumínium
|
| ||
![]()
Munkahenger, G449, Ø 40, lök.h.: 10 mm. Egyszeres muk.
Cikkszám
G449A41K0010A00
Másolva
|
Alumínium, POM
|
Alumínium
|
G1/8
|
40 mm
|
Edzett krómozott acél
|
PUR
|
PUR
|
Önálló
|
Egyszeres működésű, Csillapítatlan
|
Sűrített levegő és semleges gázok
|
10 mm
|
10 bar
|
70 °C
|
10 bar
|
|
-20 °C
|
0 bar
|
|
Rozsdamentes acél
|
ISO 21287
|
Eloxált alumínium
|
| ||
![]()
Munkahenger, G449, Ø 40, lökethossz: 10 mm
Cikkszám
G449A4SK0010A00
Másolva
|
Alumínium, POM
|
Alumínium
|
G1/8
|
40 mm
|
Edzett krómozott acél
|
PUR
|
PUR
|
Önálló
|
Kettős működésű, Csillapítatlan
|
Sűrített levegő és semleges gázok
|
10 mm
|
10 bar
|
70 °C
|
|
10 bar
|
-20 °C
|
|
0 bar
|
|
ISO 21287
|
Eloxált alumínium
|
| ||
![]()
Munkahenger, G449, Ø 40, lök.h.: 15 mm. Egyszeres muk.
Cikkszám
G449A41K0015A00
Másolva
|
Alumínium, POM
|
Alumínium
|
G1/8
|
40 mm
|
Edzett krómozott acél
|
PUR
|
PUR
|
Önálló
|
Egyszeres működésű, Csillapítatlan
|
Sűrített levegő és semleges gázok
|
15 mm
|
10 bar
|
70 °C
|
10 bar
|
|
-20 °C
|
0 bar
|
|
Rozsdamentes acél
|
ISO 21287
|
Eloxált alumínium
|
| ||
![]()
Munkahenger, G449, Ø 40, lökethossz: 15 mm
Cikkszám
G449A4SK0015A00
Másolva
|
Alumínium, POM
|
Alumínium
|
G1/8
|
40 mm
|
Edzett krómozott acél
|
PUR
|
PUR
|
Önálló
|
Kettős működésű, Csillapítatlan
|
Sűrített levegő és semleges gázok
|
15 mm
|
10 bar
|
70 °C
|
|
10 bar
|
-20 °C
|
|
0 bar
|
|
ISO 21287
|
Eloxált alumínium
|
| ||
![]()
Munkahenger, G449, Ø 40, lök.h.: 20 mm. Egyszeres muk.
Cikkszám
G449A41K0020A00
Másolva
|
Alumínium, POM
|
Alumínium
|
G1/8
|
40 mm
|
Edzett krómozott acél
|
PUR
|
PUR
|
Önálló
|
Egyszeres működésű, Csillapítatlan
|
Sűrített levegő és semleges gázok
|
20 mm
|
10 bar
|
70 °C
|
10 bar
|
|
-20 °C
|
0 bar
|
|
Rozsdamentes acél
|
ISO 21287
|
Eloxált alumínium
|
| ||
![]()
Munkahenger, G449, Ø 40, lökethossz: 20 mm
Cikkszám
G449A4SK0020A00
Másolva
|
Alumínium, POM
|
Alumínium
|
G1/8
|
40 mm
|
Edzett krómozott acél
|
PUR
|
PUR
|
Önálló
|
Kettős működésű, Csillapítatlan
|
Sűrített levegő és semleges gázok
|
20 mm
|
10 bar
|
70 °C
|
|
10 bar
|
-20 °C
|
|
0 bar
|
|
ISO 21287
|
Eloxált alumínium
|
| ||
![]()
Munkahenger, G449, Ø 40, lök.h.: 25 mm, Egyszeres muk.
Cikkszám
G449A41K0025A00
Másolva
|
Alumínium, POM
|
Alumínium
|
G1/8
|
40 mm
|
Edzett krómozott acél
|
PUR
|
PUR
|
Önálló
|
Egyszeres működésű, Csillapítatlan
|
Sűrített levegő és semleges gázok
|
25 mm
|
10 bar
|
70 °C
|
10 bar
|
|
-20 °C
|
0 bar
|
|
Rozsdamentes acél
|
ISO 21287
|
Eloxált alumínium
|
| ||
![]()
Munkahenger, G449, Ø 40, lökethossz: 25 mm
Cikkszám
G449A4SK0025A00
Másolva
|
Alumínium, POM
|
Alumínium
|
G1/8
|
40 mm
|
Edzett krómozott acél
|
PUR
|
PUR
|
Önálló
|
Kettős működésű, Csillapítatlan
|
Sűrített levegő és semleges gázok
|
25 mm
|
10 bar
|
70 °C
|
|
10 bar
|
-20 °C
|
|
0 bar
|
|
ISO 21287
|
Eloxált alumínium
|
| ||
![]()
Munkahenger, G449, Ø 40, lökethossz: 50 mm
Cikkszám
G449A4SK0050A00
Másolva
|
Alumínium, POM
|
Alumínium
|
G1/8
|
40 mm
|
Edzett krómozott acél
|
PUR
|
PUR
|
Önálló
|
Kettős működésű, Csillapítatlan
|
Sűrített levegő és semleges gázok
|
50 mm
|
10 bar
|
70 °C
|
|
10 bar
|
-20 °C
|
|
0 bar
|
|
ISO 21287
|
Eloxált alumínium
|
| ||
![]()
Munkahenger, G449, Ø 40, lökethossz: 80 mm
Cikkszám
G449A4SK0080A00
Másolva
|
Alumínium, POM
|
Alumínium
|
G1/8
|
40 mm
|
Edzett krómozott acél
|
PUR
|
PUR
|
Önálló
|
Kettős működésű, Csillapítatlan
|
Sűrített levegő és semleges gázok
|
80 mm
|
10 bar
|
70 °C
|
|
10 bar
|
-20 °C
|
|
0 bar
|
|
ISO 21287
|
Eloxált alumínium
|
| ||
![]()
Munkahenger, G449, Ø 40, lökethossz: 100 mm
Cikkszám
G449A4SK0100A00
Másolva
|
Alumínium, POM
|
Alumínium
|
G1/8
|
40 mm
|
Edzett krómozott acél
|
PUR
|
PUR
|
Önálló
|
Kettős működésű, Csillapítatlan
|
Sűrített levegő és semleges gázok
|
100 mm
|
10 bar
|
70 °C
|
|
10 bar
|
-20 °C
|
|
0 bar
|
|
ISO 21287
|
Eloxált alumínium
|
| ||
![]()
Henger, Ø 40 mm, 125 mm lökethossz
Cikkszám
G449A4SK0125A00
Másolva
|
Alumínium, POM
|
Alumínium
|
G1/8
|
40 mm
|
Edzett krómozott acél
|
PUR
|
PUR
|
Önálló
|
Kettős működésű, Csillapítatlan
|
Sűrített levegő és semleges gázok
|
125 mm
|
10 bar
|
70 °C
|
|
10 bar
|
-20 °C
|
|
0 bar
|
|
ISO 21287
|
Eloxált alumínium
|
| ||
![]()
Henger, Ø 40 mm, 160 mm lökethossz
Cikkszám
G449A4SK0160A00
Másolva
|
Alumínium, POM
|
Alumínium
|
G1/8
|
40 mm
|
Edzett krómozott acél
|
PUR
|
PUR
|
Önálló
|
Kettős működésű, Csillapítatlan
|
Sűrített levegő és semleges gázok
|
160 mm
|
10 bar
|
70 °C
|
|
10 bar
|
-20 °C
|
|
0 bar
|
|
ISO 21287
|
Eloxált alumínium
|
| ||
![]()
Henger, Ø 40 mm, 200 mm lökethossz
Cikkszám
G449A4SK0200A00
Másolva
|
Alumínium, POM
|
Alumínium
|
G1/8
|
40 mm
|
Edzett krómozott acél
|
PUR
|
PUR
|
Önálló
|
Kettős működésű, Csillapítatlan
|
Sűrített levegő és semleges gázok
|
200 mm
|
10 bar
|
70 °C
|
|
10 bar
|
-20 °C
|
|
0 bar
|
|
ISO 21287
|
Eloxált alumínium
|
| ||
![]()
Henger, Ø 40 mm, 250 mm lökethossz
Cikkszám
G449A4SK0250A00
Másolva
|
Alumínium, POM
|
Alumínium
|
G1/8
|
40 mm
|
Edzett krómozott acél
|
PUR
|
PUR
|
Önálló
|
Kettős működésű, Csillapítatlan
|
Sűrített levegő és semleges gázok
|
250 mm
|
10 bar
|
70 °C
|
|
10 bar
|
-20 °C
|
|
0 bar
|
|
ISO 21287
|
Eloxált alumínium
|
| ||
![]()
Henger, Ø 40 mm, 320 mm lökethossz
Cikkszám
G449A4SK0320A00
Másolva
|
Alumínium, POM
|
Alumínium
|
G1/8
|
40 mm
|
Edzett krómozott acél
|
PUR
|
PUR
|
Önálló
|
Kettős működésű, Csillapítatlan
|
Sűrített levegő és semleges gázok
|
320 mm
|
10 bar
|
70 °C
|
|
10 bar
|
-20 °C
|
|
0 bar
|
|
ISO 21287
|
Eloxált alumínium
|
| ||
![]()
Elavult
Cikkszám
G449A4SK0400A00
Másolva
|
Alumínium, POM
|
Alumínium
|
G1/8
|
40 mm
|
Edzett krómozott acél
|
PUR
|
PUR
|
Önálló
|
Kettős működésű, Csillapítatlan
|
Sűrített levegő és semleges gázok
|
400 mm
|
10 bar
|
70 °C
|
|
10 bar
|
-20 °C
|
|
0 bar
|
|
ISO 21287
|
Eloxált alumínium
|
| ||
![]()
Munkahenger, G449, Ø 50, lök.h.: 5 mm. Egyszeres muk.
Cikkszám
G449A51K0005A00
Másolva
|
Alumínium, POM
|
Alumínium
|
G1/8
|
50 mm
|
Edzett krómozott acél
|
PUR
|
PUR
|
Önálló
|
Egyszeres működésű, Csillapítatlan
|
Sűrített levegő és semleges gázok
|
5 mm
|
10 bar
|
70 °C
|
10 bar
|
|
-20 °C
|
0 bar
|
|
Rozsdamentes acél
|
ISO 21287
|
Eloxált alumínium
|
| ||
![]()
Munkahenger, G449, Ø 50, lökethossz: 5 mm
Cikkszám
G449A5SK0005A00
Másolva
|
Alumínium, POM
|
Alumínium
|
G1/8
|
50 mm
|
Edzett krómozott acél
|
PUR
|
PUR
|
Önálló
|
Kettős működésű, Csillapítatlan
|
Sűrített levegő és semleges gázok
|
5 mm
|
10 bar
|
70 °C
|
|
10 bar
|
-20 °C
|
|
0 bar
|
|
ISO 21287
|
Eloxált alumínium
|
| ||
![]()
Munkahenger, G449, Ø 50, lök.h.: 10 mm. Egyszeres muk.
Cikkszám
G449A51K0010A00
Másolva
|
Alumínium, POM
|
Alumínium
|
G1/8
|
50 mm
|
Edzett krómozott acél
|
PUR
|
PUR
|
Önálló
|
Egyszeres működésű, Csillapítatlan
|
Sűrített levegő és semleges gázok
|
10 mm
|
10 bar
|
70 °C
|
10 bar
|
|
-20 °C
|
0 bar
|
|
Rozsdamentes acél
|
ISO 21287
|
Eloxált alumínium
|
| ||
![]()
Munkahenger, G449, Ø 50, lökethossz: 10 mm
Cikkszám
G449A5SK0010A00
Másolva
|
Alumínium, POM
|
Alumínium
|
G1/8
|
50 mm
|
Edzett krómozott acél
|
PUR
|
PUR
|
Önálló
|
Kettős működésű, Csillapítatlan
|
Sűrített levegő és semleges gázok
|
10 mm
|
10 bar
|
70 °C
|
|
10 bar
|
-20 °C
|
|
0 bar
|
|
ISO 21287
|
Eloxált alumínium
|
| ||
![]()
Munkahenger, G449, Ø 50, lök.h.: 15 mm. Egyszeres muk.
Cikkszám
G449A51K0015A00
Másolva
|
Alumínium, POM
|
Alumínium
|
G1/8
|
50 mm
|
Edzett krómozott acél
|
PUR
|
PUR
|
Önálló
|
Egyszeres működésű, Csillapítatlan
|
Sűrített levegő és semleges gázok
|
15 mm
|
10 bar
|
70 °C
|
10 bar
|
|
-20 °C
|
0 bar
|
|
Rozsdamentes acél
|
ISO 21287
|
Eloxált alumínium
|
| ||
![]()
Munkahenger, G449, Ø 50, lökethossz: 15 mm
Cikkszám
G449A5SK0015A00
Másolva
|
Alumínium, POM
|
Alumínium
|
G1/8
|
50 mm
|
Edzett krómozott acél
|
PUR
|
PUR
|
Önálló
|
Kettős működésű, Csillapítatlan
|
Sűrített levegő és semleges gázok
|
15 mm
|
10 bar
|
70 °C
|
|
10 bar
|
-20 °C
|
|
0 bar
|
|
ISO 21287
|
Eloxált alumínium
|
| ||
![]()
Munkahenger, G449, Ø 50, lök.h.: 20 mm. Egyszeres muk.
Cikkszám
G449A51K0020A00
Másolva
|
Alumínium, POM
|
Alumínium
|
G1/8
|
50 mm
|
Edzett krómozott acél
|
PUR
|
PUR
|
Önálló
|
Egyszeres működésű, Csillapítatlan
|
Sűrített levegő és semleges gázok
|
20 mm
|
10 bar
|
70 °C
|
10 bar
|
|
-20 °C
|
0 bar
|
|
Rozsdamentes acél
|
ISO 21287
|
Eloxált alumínium
|
| ||
![]()
Munkahenger, G449, Ø 50, lökethossz: 20 mm
Cikkszám
G449A5SK0020A00
Másolva
|
Alumínium, POM
|
Alumínium
|
G1/8
|
50 mm
|
Edzett krómozott acél
|
PUR
|
PUR
|
Önálló
|
Kettős működésű, Csillapítatlan
|
Sűrített levegő és semleges gázok
|
20 mm
|
10 bar
|
70 °C
|
|
10 bar
|
-20 °C
|
|
0 bar
|
|
ISO 21287
|
Eloxált alumínium
|
| ||
![]()
Munkahenger, G449, Ø 50, lök.h.: 25 mm, Egyszeres muk.
Cikkszám
G449A51K0025A00
Másolva
|
Alumínium, POM
|
Alumínium
|
G1/8
|
50 mm
|
Edzett krómozott acél
|
PUR
|
PUR
|
Önálló
|
Egyszeres működésű, Csillapítatlan
|
Sűrített levegő és semleges gázok
|
25 mm
|
10 bar
|
70 °C
|
10 bar
|
|
-20 °C
|
0 bar
|
|
Rozsdamentes acél
|
ISO 21287
|
Eloxált alumínium
|
| ||
![]()
Munkahenger, G449, Ø 50, lökethossz: 25 mm
Cikkszám
G449A5SK0025A00
Másolva
|
Alumínium, POM
|
Alumínium
|
G1/8
|
50 mm
|
Edzett krómozott acél
|
PUR
|
PUR
|
Önálló
|
Kettős működésű, Csillapítatlan
|
Sűrített levegő és semleges gázok
|
25 mm
|
10 bar
|
70 °C
|
|
10 bar
|
-20 °C
|
|
0 bar
|
|
ISO 21287
|
Eloxált alumínium
|
| ||
![]()
Munkahenger, G449, Ø 50, lökethossz: 50 mm
Cikkszám
G449A5SK0050A00
Másolva
|
Alumínium, POM
|
Alumínium
|
G1/8
|
50 mm
|
Edzett krómozott acél
|
PUR
|
PUR
|
Önálló
|
Kettős működésű, Csillapítatlan
|
Sűrített levegő és semleges gázok
|
50 mm
|
10 bar
|
70 °C
|
|
10 bar
|
-20 °C
|
|
0 bar
|
|
ISO 21287
|
Eloxált alumínium
|
| ||
![]()
Munkahenger, G449, Ø 50, lökethossz: 80 mm
Cikkszám
G449A5SK0080A00
Másolva
|
Alumínium, POM
|
Alumínium
|
G1/8
|
50 mm
|
Edzett krómozott acél
|
PUR
|
PUR
|
Önálló
|
Kettős működésű, Csillapítatlan
|
Sűrített levegő és semleges gázok
|
80 mm
|
10 bar
|
70 °C
|
|
10 bar
|
-20 °C
|
|
0 bar
|
|
ISO 21287
|
Eloxált alumínium
|
| ||
![]()
Munkahenger, G449, Ø 50, lökethossz: 100 mm
Cikkszám
G449A5SK0100A00
Másolva
|
Alumínium, POM
|
Alumínium
|
G1/8
|
50 mm
|
Edzett krómozott acél
|
PUR
|
PUR
|
Önálló
|
Kettős működésű, Csillapítatlan
|
Sűrített levegő és semleges gázok
|
100 mm
|
10 bar
|
70 °C
|
|
10 bar
|
-20 °C
|
|
0 bar
|
|
ISO 21287
|
Eloxált alumínium
|
| ||
![]()
Munkahenger, G449, Ø 50, lökethossz: 125 mm
Cikkszám
G449A5SK0125A00
Másolva
|
Alumínium, POM
|
Alumínium
|
G1/8
|
50 mm
|
Edzett krómozott acél
|
PUR
|
PUR
|
Önálló
|
Kettős működésű, Csillapítatlan
|
Sűrített levegő és semleges gázok
|
125 mm
|
10 bar
|
70 °C
|
|
10 bar
|
-20 °C
|
|
0 bar
|
|
ISO 21287
|
Eloxált alumínium
|
| ||
![]()
Munkahenger, G449, Ø 50, lökethossz: 160 mm
Cikkszám
G449A5SK0160A00
Másolva
|
Alumínium, POM
|
Alumínium
|
G1/8
|
50 mm
|
Edzett krómozott acél
|
PUR
|
PUR
|
Önálló
|
Kettős működésű, Csillapítatlan
|
Sűrített levegő és semleges gázok
|
160 mm
|
10 bar
|
70 °C
|
|
10 bar
|
-20 °C
|
|
0 bar
|
|
ISO 21287
|
Eloxált alumínium
|
| ||
![]()
Munkahenger, G449, Ø 50, lökethossz: 200 mm
Cikkszám
G449A5SK0200A00
Másolva
|
Alumínium, POM
|
Alumínium
|
G1/8
|
50 mm
|
Edzett krómozott acél
|
PUR
|
PUR
|
Önálló
|
Kettős működésű, Csillapítatlan
|
Sűrített levegő és semleges gázok
|
200 mm
|
10 bar
|
70 °C
|
|
10 bar
|
-20 °C
|
|
0 bar
|
|
ISO 21287
|
Eloxált alumínium
|
| ||
![]()
Munkahenger, G449, Ø 50, lökethossz: 250 mm
Cikkszám
G449A5SK0250A00
Másolva
|
Alumínium, POM
|
Alumínium
|
G1/8
|
50 mm
|
Edzett krómozott acél
|
PUR
|
PUR
|
Önálló
|
Kettős működésű, Csillapítatlan
|
Sűrített levegő és semleges gázok
|
250 mm
|
10 bar
|
70 °C
|
|
10 bar
|
-20 °C
|
|
0 bar
|
|
ISO 21287
|
Eloxált alumínium
|
| ||
![]()
Munkahenger, G449, Ø 50, lökethossz: 320 mm
Cikkszám
G449A5SK0320A00
Másolva
|
Alumínium, POM
|
Alumínium
|
G1/8
|
50 mm
|
Edzett krómozott acél
|
PUR
|
PUR
|
Önálló
|
Kettős működésű, Csillapítatlan
|
Sűrített levegő és semleges gázok
|
320 mm
|
10 bar
|
70 °C
|
|
10 bar
|
-20 °C
|
|
0 bar
|
|
ISO 21287
|
Eloxált alumínium
|
| ||
![]()
Munkahenger, G449, Ø 50, lökethossz: 400 mm
Cikkszám
G449A5SK0400A00
Másolva
|
Alumínium, POM
|
Alumínium
|
G1/8
|
50 mm
|
Edzett krómozott acél
|
PUR
|
PUR
|
Önálló
|
Kettős működésű, Csillapítatlan
|
Sűrített levegő és semleges gázok
|
400 mm
|
10 bar
|
70 °C
|
|
10 bar
|
-20 °C
|
|
0 bar
|
|
ISO 21287
|
Eloxált alumínium
|
| ||
![]()
Munkahenger, G449, Ø 63, lök.h.: 5 mm. Egyszeres muk.
Cikkszám
G449A61K0005A00
Másolva
|
Alumínium, POM
|
Alumínium
|
G1/8
|
63 mm
|
Edzett krómozott acél
|
PUR
|
PUR
|
Önálló
|
Egyszeres működésű, Csillapítatlan
|
Sűrített levegő és semleges gázok
|
5 mm
|
10 bar
|
70 °C
|
10 bar
|
|
-20 °C
|
0 bar
|
|
Rozsdamentes acél
|
ISO 21287
|
Eloxált alumínium
|
| ||
![]()
Munkahenger, G449, Ø 63, lökethossz: 5 mm
Cikkszám
G449A6SK0005A00
Másolva
|
Alumínium, POM
|
Alumínium
|
G1/8
|
63 mm
|
Edzett krómozott acél
|
PUR
|
PUR
|
Önálló
|
Kettős működésű, Csillapítatlan
|
Sűrített levegő és semleges gázok
|
5 mm
|
10 bar
|
70 °C
|
|
10 bar
|
-20 °C
|
|
0 bar
|
|
ISO 21287
|
Eloxált alumínium
|
| ||
![]()
Henger, G449, Ø 63 mm, 10 mm lökethossz, egyszeres muködésu
Cikkszám
G449A61K0010A00
Másolva
|
|
|
|
|
|
|
|
|
|
|
|
|
|
|
|
|
|
|
|
|
|
| ||
![]()
Munkahenger, G449, Ø 63, lökethossz: 10 mm
Cikkszám
G449A6SK0010A00
Másolva
|
Alumínium, POM
|
Alumínium
|
G1/8
|
63 mm
|
Edzett krómozott acél
|
PUR
|
PUR
|
Önálló
|
Kettős működésű, Csillapítatlan
|
Sűrített levegő és semleges gázok
|
10 mm
|
10 bar
|
70 °C
|
|
10 bar
|
-20 °C
|
|
0 bar
|
|
ISO 21287
|
Eloxált alumínium
|
| ||
![]()
Henger, G449, Ø 63 mm, 15 mm lökethossz, egyszeres muködésu
Cikkszám
G449A61K0015A00
Másolva
|
|
|
|
|
|
|
|
|
|
|
|
|
|
|
|
|
|
|
|
|
|
| ||
![]()
Munkahenger, G449, Ø 63, lökethossz: 15 mm
Cikkszám
G449A6SK0015A00
Másolva
|
Alumínium, POM
|
Alumínium
|
G1/8
|
63 mm
|
Edzett krómozott acél
|
PUR
|
PUR
|
Önálló
|
Kettős működésű, Csillapítatlan
|
Sűrített levegő és semleges gázok
|
15 mm
|
10 bar
|
70 °C
|
|
10 bar
|
-20 °C
|
|
0 bar
|
|
ISO 21287
|
Eloxált alumínium
|
| ||
![]()
Henger, G449, Ø 63 mm, 20 mm lökethossz, egyszeres muködésu
Cikkszám
G449A61K0020A00
Másolva
|
|
|
|
|
|
|
|
|
|
|
|
|
|
|
|
|
|
|
|
|
|
| ||
![]()
Munkahenger, G449, Ø 63, lökethossz: 20 mm
Cikkszám
G449A6SK0020A00
Másolva
|
Alumínium, POM
|
Alumínium
|
G1/8
|
63 mm
|
Edzett krómozott acél
|
PUR
|
PUR
|
Önálló
|
Kettős működésű, Csillapítatlan
|
Sűrített levegő és semleges gázok
|
20 mm
|
10 bar
|
70 °C
|
|
10 bar
|
-20 °C
|
|
0 bar
|
|
ISO 21287
|
Eloxált alumínium
|
| ||
![]()
Henger, G449, Ø 63 mm, 25 mm lökethossz, egyszeres muködésu
Cikkszám
G449A61K0025A00
Másolva
|
|
|
|
|
|
|
|
|
|
|
|
|
|
|
|
|
|
|
|
|
|
| ||
![]()
Munkahenger, G449, Ø 63, lökethossz: 25 mm
Cikkszám
G449A6SK0025A00
Másolva
|
Alumínium, POM
|
Alumínium
|
G1/8
|
63 mm
|
Edzett krómozott acél
|
PUR
|
PUR
|
Önálló
|
Kettős működésű, Csillapítatlan
|
Sűrített levegő és semleges gázok
|
25 mm
|
10 bar
|
70 °C
|
|
10 bar
|
-20 °C
|
|
0 bar
|
|
ISO 21287
|
Eloxált alumínium
|
| ||
![]()
Munkahenger, G449, Ø 63, lökethossz: 50 mm
Cikkszám
G449A6SK0050A00
Másolva
|
Alumínium, POM
|
Alumínium
|
G1/8
|
63 mm
|
Edzett krómozott acél
|
PUR
|
PUR
|
Önálló
|
Kettős működésű, Csillapítatlan
|
Sűrített levegő és semleges gázok
|
50 mm
|
10 bar
|
70 °C
|
|
10 bar
|
-20 °C
|
|
0 bar
|
|
ISO 21287
|
Eloxált alumínium
|
| ||
![]()
Munkahenger, G449, Ø 63, lökethossz: 80 mm
Cikkszám
G449A6SK0080A00
Másolva
|
Alumínium, POM
|
Alumínium
|
G1/8
|
63 mm
|
Edzett krómozott acél
|
PUR
|
PUR
|
Önálló
|
Kettős működésű, Csillapítatlan
|
Sűrített levegő és semleges gázok
|
80 mm
|
10 bar
|
70 °C
|
|
10 bar
|
-20 °C
|
|
0 bar
|
|
ISO 21287
|
Eloxált alumínium
|
| ||
![]()
Munkahenger, G449, Ø 63, lökethossz: 100 mm
Cikkszám
G449A6SK0100A00
Másolva
|
Alumínium, POM
|
Alumínium
|
G1/8
|
63 mm
|
Edzett krómozott acél
|
PUR
|
PUR
|
Önálló
|
Kettős működésű, Csillapítatlan
|
Sűrített levegő és semleges gázok
|
100 mm
|
10 bar
|
70 °C
|
|
10 bar
|
-20 °C
|
|
0 bar
|
|
ISO 21287
|
Eloxált alumínium
|
| ||
![]()
Munkahenger, G449, Ø 63, lökethossz: 125 mm
Cikkszám
G449A6SK0125A00
Másolva
|
Alumínium, POM
|
Alumínium
|
G1/8
|
63 mm
|
Edzett krómozott acél
|
PUR
|
PUR
|
Önálló
|
Kettős működésű, Csillapítatlan
|
Sűrített levegő és semleges gázok
|
125 mm
|
10 bar
|
70 °C
|
|
10 bar
|
-20 °C
|
|
0 bar
|
|
ISO 21287
|
Eloxált alumínium
|
| ||
![]()
Munkahenger, G449, Ø 63, lökethossz: 160 mm
Cikkszám
G449A6SK0160A00
Másolva
|
Alumínium, POM
|
Alumínium
|
G1/8
|
63 mm
|
Edzett krómozott acél
|
PUR
|
PUR
|
Önálló
|
Kettős működésű, Csillapítatlan
|
Sűrített levegő és semleges gázok
|
160 mm
|
10 bar
|
70 °C
|
|
10 bar
|
-20 °C
|
|
0 bar
|
|
ISO 21287
|
Eloxált alumínium
|
| ||
![]()
Munkahenger, G449, Ø 63, lökethossz: 200 mm
Cikkszám
G449A6SK0200A00
Másolva
|
Alumínium, POM
|
Alumínium
|
G1/8
|
63 mm
|
Edzett krómozott acél
|
PUR
|
PUR
|
Önálló
|
Kettős működésű, Csillapítatlan
|
Sűrített levegő és semleges gázok
|
200 mm
|
10 bar
|
70 °C
|
|
10 bar
|
-20 °C
|
|
0 bar
|
|
ISO 21287
|
Eloxált alumínium
|
| ||
![]()
Munkahenger, G449, Ø 63, lökethossz: 250 mm
Cikkszám
G449A6SK0250A00
Másolva
|
Alumínium, POM
|
Alumínium
|
G1/8
|
63 mm
|
Edzett krómozott acél
|
PUR
|
PUR
|
Önálló
|
Kettős működésű, Csillapítatlan
|
Sűrített levegő és semleges gázok
|
250 mm
|
10 bar
|
70 °C
|
|
10 bar
|
-20 °C
|
|
0 bar
|
|
ISO 21287
|
Eloxált alumínium
|
| ||
![]()
Munkahenger, G449, Ø 63, lökethossz: 320 mm
Cikkszám
G449A6SK0320A00
Másolva
|
Alumínium, POM
|
Alumínium
|
G1/8
|
63 mm
|
Edzett krómozott acél
|
PUR
|
PUR
|
Önálló
|
Kettős működésű, Csillapítatlan
|
Sűrített levegő és semleges gázok
|
320 mm
|
10 bar
|
70 °C
|
|
10 bar
|
-20 °C
|
|
0 bar
|
|
ISO 21287
|
Eloxált alumínium
|
| ||
![]()
Munkahenger, G449, Ø 63, lökethossz: 400 mm
Cikkszám
G449A6SK0400A00
Másolva
|
Alumínium, POM
|
Alumínium
|
G1/8
|
63 mm
|
Edzett krómozott acél
|
PUR
|
PUR
|
Önálló
|
Kettős működésű, Csillapítatlan
|
Sűrített levegő és semleges gázok
|
400 mm
|
10 bar
|
70 °C
|
|
10 bar
|
-20 °C
|
|
0 bar
|
|
ISO 21287
|
Eloxált alumínium
|
| ||
![]()
Munkahenger, G449, Ø 80, lök.h.: 5 mm. Egyszeres muk.
Cikkszám
G449A81K0005A00
Másolva
|
Alumínium, POM
|
Alumínium
|
G1/8
|
80 mm
|
Edzett krómozott acél
|
PUR
|
PUR
|
Önálló
|
Egyszeres működésű, Csillapítatlan
|
Sűrített levegő és semleges gázok
|
5 mm
|
10 bar
|
70 °C
|
10 bar
|
|
-20 °C
|
0 bar
|
|
Rozsdamentes acél
|
ISO 21287
|
Eloxált alumínium
|
| ||
![]()
Munkahenger, G449, Ø 80, lökethossz: 5 mm
Cikkszám
G449A8SK0005A00
Másolva
|
Alumínium, POM
|
Alumínium
|
G1/8
|
80 mm
|
Edzett krómozott acél
|
PUR
|
PUR
|
Önálló
|
Kettős működésű, Csillapítatlan
|
Sűrített levegő és semleges gázok
|
5 mm
|
10 bar
|
70 °C
|
|
10 bar
|
-20 °C
|
|
0 bar
|
|
ISO 21287
|
Eloxált alumínium
|
| ||
![]()
Munkahenger, G449, Ø 80, lök.h.: 10 mm. Egyszeres muk.
Cikkszám
G449A81K0010A00
Másolva
|
Alumínium, POM
|
Alumínium
|
G1/8
|
80 mm
|
Edzett krómozott acél
|
PUR
|
PUR
|
Önálló
|
Egyszeres működésű, Csillapítatlan
|
Sűrített levegő és semleges gázok
|
10 mm
|
10 bar
|
70 °C
|
10 bar
|
|
-20 °C
|
0 bar
|
|
Rozsdamentes acél
|
ISO 21287
|
Eloxált alumínium
|
| ||
![]()
Munkahenger, G449, Ø 80, lökethossz: 10 mm
Cikkszám
G449A8SK0010A00
Másolva
|
Alumínium, POM
|
Alumínium
|
G1/8
|
80 mm
|
Edzett krómozott acél
|
PUR
|
PUR
|
Önálló
|
Kettős működésű, Csillapítatlan
|
Sűrített levegő és semleges gázok
|
10 mm
|
10 bar
|
70 °C
|
|
10 bar
|
-20 °C
|
|
0 bar
|
|
ISO 21287
|
Eloxált alumínium
|
| ||
![]()
Munkahenger, G449, Ø 80, lök.h.: 15 mm. Egyszeres muk.
Cikkszám
G449A81K0015A00
Másolva
|
Alumínium, POM
|
Alumínium
|
G1/8
|
80 mm
|
Edzett krómozott acél
|
PUR
|
PUR
|
Önálló
|
Egyszeres működésű, Csillapítatlan
|
Sűrített levegő és semleges gázok
|
15 mm
|
10 bar
|
70 °C
|
10 bar
|
|
-20 °C
|
0 bar
|
|
Rozsdamentes acél
|
ISO 21287
|
Eloxált alumínium
|
| ||
![]()
Munkahenger, G449, Ø 80, lökethossz: 15 mm
Cikkszám
G449A8SK0015A00
Másolva
|
Alumínium, POM
|
Alumínium
|
G1/8
|
80 mm
|
Edzett krómozott acél
|
PUR
|
PUR
|
Önálló
|
Kettős működésű, Csillapítatlan
|
Sűrített levegő és semleges gázok
|
15 mm
|
10 bar
|
70 °C
|
|
10 bar
|
-20 °C
|
|
0 bar
|
|
ISO 21287
|
Eloxált alumínium
|
| ||
![]()
Henger, G449, Ø 80 mm, 20 mm lökethossz, egyszeres muködésu
Cikkszám
G449A81K0020A00
Másolva
|
|
|
|
|
|
|
|
|
|
|
|
|
|
|
|
|
|
|
|
|
|
| ||
![]()
Munkahenger, G449, Ø 80, lökethossz: 20 mm
Cikkszám
G449A8SK0020A00
Másolva
|
Alumínium, POM
|
Alumínium
|
G1/8
|
80 mm
|
Edzett krómozott acél
|
PUR
|
PUR
|
Önálló
|
Kettős működésű, Csillapítatlan
|
Sűrített levegő és semleges gázok
|
20 mm
|
10 bar
|
70 °C
|
|
10 bar
|
-20 °C
|
|
0 bar
|
|
ISO 21287
|
Eloxált alumínium
|
| ||
![]()
Munkahenger, G449, Ø 80, lök.h.: 25 mm, Egyszeres muk.
Cikkszám
G449A81K0025A00
Másolva
|
Alumínium, POM
|
Alumínium
|
G1/8
|
80 mm
|
Edzett krómozott acél
|
PUR
|
PUR
|
Önálló
|
Egyszeres működésű, Csillapítatlan
|
Sűrített levegő és semleges gázok
|
25 mm
|
10 bar
|
70 °C
|
10 bar
|
|
-20 °C
|
0 bar
|
|
Rozsdamentes acél
|
ISO 21287
|
Eloxált alumínium
|
| ||
![]()
Munkahenger, G449, Ø 80, lökethossz: 25 mm
Cikkszám
G449A8SK0025A00
Másolva
|
Alumínium, POM
|
Alumínium
|
G1/8
|
80 mm
|
Edzett krómozott acél
|
PUR
|
PUR
|
Önálló
|
Kettős működésű, Csillapítatlan
|
Sűrített levegő és semleges gázok
|
25 mm
|
10 bar
|
70 °C
|
|
10 bar
|
-20 °C
|
|
0 bar
|
|
ISO 21287
|
Eloxált alumínium
|
| ||
![]()
Munkahenger, G449, Ø 80, lökethossz: 50 mm
Cikkszám
G449A8SK0050A00
Másolva
|
Alumínium, POM
|
Alumínium
|
G1/8
|
80 mm
|
Edzett krómozott acél
|
PUR
|
PUR
|
Önálló
|
Kettős működésű, Csillapítatlan
|
Sűrített levegő és semleges gázok
|
50 mm
|
10 bar
|
70 °C
|
|
10 bar
|
-20 °C
|
|
0 bar
|
|
ISO 21287
|
Eloxált alumínium
|
| ||
![]()
Munkahenger, G449, Ø 80, lökethossz: 80 mm
Cikkszám
G449A8SK0080A00
Másolva
|
Alumínium, POM
|
Alumínium
|
G1/8
|
80 mm
|
Edzett krómozott acél
|
PUR
|
PUR
|
Önálló
|
Kettős működésű, Csillapítatlan
|
Sűrített levegő és semleges gázok
|
80 mm
|
10 bar
|
70 °C
|
|
10 bar
|
-20 °C
|
|
0 bar
|
|
ISO 21287
|
Eloxált alumínium
|
| ||
![]()
Munkahenger, G449, Ø 80, lökethossz: 100 mm
Cikkszám
G449A8SK0100A00
Másolva
|
Alumínium, POM
|
Alumínium
|
G1/8
|
80 mm
|
Edzett krómozott acél
|
PUR
|
PUR
|
Önálló
|
Kettős működésű, Csillapítatlan
|
Sűrített levegő és semleges gázok
|
100 mm
|
10 bar
|
70 °C
|
|
10 bar
|
-20 °C
|
|
0 bar
|
|
ISO 21287
|
Eloxált alumínium
|
| ||
![]()
Munkahenger, G449, Ø 80, lökethossz: 125 mm
Cikkszám
G449A8SK0125A00
Másolva
|
Alumínium, POM
|
Alumínium
|
G1/8
|
80 mm
|
Edzett krómozott acél
|
PUR
|
PUR
|
Önálló
|
Kettős működésű, Csillapítatlan
|
Sűrített levegő és semleges gázok
|
125 mm
|
10 bar
|
70 °C
|
|
10 bar
|
-20 °C
|
|
0 bar
|
|
ISO 21287
|
Eloxált alumínium
|
| ||
![]()
Munkahenger, G449, Ø 80, lökethossz: 160 mm
Cikkszám
G449A8SK0160A00
Másolva
|
Alumínium, POM
|
Alumínium
|
G1/8
|
80 mm
|
Edzett krómozott acél
|
PUR
|
PUR
|
Önálló
|
Kettős működésű, Csillapítatlan
|
Sűrített levegő és semleges gázok
|
160 mm
|
10 bar
|
70 °C
|
|
10 bar
|
-20 °C
|
|
0 bar
|
|
ISO 21287
|
Eloxált alumínium
|
| ||
![]()
Munkahenger, G449, Ø 80, lökethossz: 200 mm
Cikkszám
G449A8SK0200A00
Másolva
|
Alumínium, POM
|
Alumínium
|
G1/8
|
80 mm
|
Edzett krómozott acél
|
PUR
|
PUR
|
Önálló
|
Kettős működésű, Csillapítatlan
|
Sűrített levegő és semleges gázok
|
200 mm
|
10 bar
|
70 °C
|
|
10 bar
|
-20 °C
|
|
0 bar
|
|
ISO 21287
|
Eloxált alumínium
|
| ||
![]()
Munkahenger, G449, Ø 80, lökethossz: 250 mm
Cikkszám
G449A8SK0250A00
Másolva
|
Alumínium, POM
|
Alumínium
|
G1/8
|
80 mm
|
Edzett krómozott acél
|
PUR
|
PUR
|
Önálló
|
Kettős működésű, Csillapítatlan
|
Sűrített levegő és semleges gázok
|
250 mm
|
10 bar
|
70 °C
|
|
10 bar
|
-20 °C
|
|
0 bar
|
|
ISO 21287
|
Eloxált alumínium
|
| ||
![]()
Munkahenger, G449, Ø 80, lökethossz: 320 mm
Cikkszám
G449A8SK0320A00
Másolva
|
Alumínium, POM
|
Alumínium
|
G1/8
|
80 mm
|
Edzett krómozott acél
|
PUR
|
PUR
|
Önálló
|
Kettős működésű, Csillapítatlan
|
Sűrített levegő és semleges gázok
|
320 mm
|
10 bar
|
70 °C
|
|
10 bar
|
-20 °C
|
|
0 bar
|
|
ISO 21287
|
Eloxált alumínium
|
| ||
![]()
Munkahenger, G449, Ø 80, lökethossz: 400 mm
Cikkszám
G449A8SK0400A00
Másolva
|
Alumínium, POM
|
Alumínium
|
G1/8
|
80 mm
|
Edzett krómozott acél
|
PUR
|
PUR
|
Önálló
|
Kettős működésű, Csillapítatlan
|
Sűrített levegő és semleges gázok
|
400 mm
|
10 bar
|
70 °C
|
|
10 bar
|
-20 °C
|
|
0 bar
|
|
ISO 21287
|
Eloxált alumínium
|
| ||
![]()
Munkahenger, G449, Ø 100, lök.h.: 5 mm. Egyszeres muk.
Cikkszám
G449A11K0005A00
Másolva
|
Alumínium, POM
|
Alumínium
|
G1/8
|
100 mm
|
Edzett krómozott acél
|
PUR
|
PUR
|
Önálló
|
Egyszeres működésű, Csillapítatlan
|
Sűrített levegő és semleges gázok
|
5 mm
|
10 bar
|
70 °C
|
10 bar
|
|
-20 °C
|
0 bar
|
|
Rozsdamentes acél
|
ISO 21287
|
Eloxált alumínium
|
| ||
![]()
Munkahenger, G449, Ø 100, lökethossz: 5 mm
Cikkszám
G449A1SK0005A00
Másolva
|
Alumínium, POM
|
Alumínium
|
G1/8
|
100 mm
|
Edzett krómozott acél
|
PUR
|
PUR
|
Önálló
|
Kettős működésű, Csillapítatlan
|
Sűrített levegő és semleges gázok
|
5 mm
|
10 bar
|
70 °C
|
|
10 bar
|
-20 °C
|
|
0 bar
|
|
ISO 21287
|
Eloxált alumínium
|
| ||
![]()
Munkahenger, G449, Ø 100, lök.h.: 10 mm. Egyszeres muk.
Cikkszám
G449A11K0010A00
Másolva
|
Alumínium, POM
|
Alumínium
|
G1/8
|
100 mm
|
Edzett krómozott acél
|
PUR
|
PUR
|
Önálló
|
Egyszeres működésű, Csillapítatlan
|
Sűrített levegő és semleges gázok
|
10 mm
|
10 bar
|
70 °C
|
10 bar
|
|
-20 °C
|
0 bar
|
|
Rozsdamentes acél
|
ISO 21287
|
Eloxált alumínium
|
| ||
![]()
Munkahenger, G449, Ø 100, lökethossz: 10 mm
Cikkszám
G449A1SK0010A00
Másolva
|
Alumínium, POM
|
Alumínium
|
G1/8
|
100 mm
|
Edzett krómozott acél
|
PUR
|
PUR
|
Önálló
|
Kettős működésű, Csillapítatlan
|
Sűrített levegő és semleges gázok
|
10 mm
|
10 bar
|
70 °C
|
|
10 bar
|
-20 °C
|
|
0 bar
|
|
ISO 21287
|
Eloxált alumínium
|
| ||
![]()
Munkahenger, G449, Ø 100, lök.h.: 15 mm. Egyszeres muk.
Cikkszám
G449A11K0015A00
Másolva
|
Alumínium, POM
|
Alumínium
|
G1/8
|
100 mm
|
Edzett krómozott acél
|
PUR
|
PUR
|
Önálló
|
Egyszeres működésű, Csillapítatlan
|
Sűrített levegő és semleges gázok
|
15 mm
|
10 bar
|
70 °C
|
10 bar
|
|
-20 °C
|
0 bar
|
|
Rozsdamentes acél
|
ISO 21287
|
Eloxált alumínium
|
| ||
![]()
Munkahenger, G449, Ø 100, lök.h.: 15 mm
Cikkszám
G449A1SK0015A00
Másolva
|
Alumínium, POM
|
Alumínium
|
G1/8
|
100 mm
|
Edzett krómozott acél
|
PUR
|
PUR
|
Önálló
|
Kettős működésű, Csillapítatlan
|
Sűrített levegő és semleges gázok
|
15 mm
|
10 bar
|
70 °C
|
|
10 bar
|
-20 °C
|
|
0 bar
|
|
ISO 21287
|
Eloxált alumínium
|
| ||
![]()
Munkahenger, G449, Ø 100, lök.h.: 20 mm. Egyszeres muk.
Cikkszám
G449A11K0020A00
Másolva
|
Alumínium, POM
|
Alumínium
|
G1/8
|
100 mm
|
Edzett krómozott acél
|
PUR
|
PUR
|
Önálló
|
Egyszeres működésű, Csillapítatlan
|
Sűrített levegő és semleges gázok
|
20 mm
|
10 bar
|
70 °C
|
10 bar
|
|
-20 °C
|
0 bar
|
|
Rozsdamentes acél
|
ISO 21287
|
Eloxált alumínium
|
| ||
![]()
Munkahenger, G449, Ø 100, lök.h.: 20 mm
Cikkszám
G449A1SK0020A00
Másolva
|
Alumínium, POM
|
Alumínium
|
G1/8
|
100 mm
|
Edzett krómozott acél
|
PUR
|
PUR
|
Önálló
|
Kettős működésű, Csillapítatlan
|
Sűrített levegő és semleges gázok
|
20 mm
|
10 bar
|
70 °C
|
|
10 bar
|
-20 °C
|
|
0 bar
|
|
ISO 21287
|
Eloxált alumínium
|
| ||
![]()
Munkahenger, G449, Ø 100, lök.h.: 25 mm. Egyszeres muk.
Cikkszám
G449A11K0025A00
Másolva
|
Alumínium, POM
|
Alumínium
|
G1/8
|
100 mm
|
Edzett krómozott acél
|
PUR
|
PUR
|
Önálló
|
Egyszeres működésű, Csillapítatlan
|
Sűrített levegő és semleges gázok
|
25 mm
|
10 bar
|
70 °C
|
10 bar
|
|
-20 °C
|
0 bar
|
|
Rozsdamentes acél
|
ISO 21287
|
Eloxált alumínium
|
| ||
![]()
Munkahenger, G449, Ø 100, lök.h.: 25 mm
Cikkszám
G449A1SK0025A00
Másolva
|
Alumínium, POM
|
Alumínium
|
G1/8
|
100 mm
|
Edzett krómozott acél
|
PUR
|
PUR
|
Önálló
|
Kettős működésű, Csillapítatlan
|
Sűrített levegő és semleges gázok
|
25 mm
|
10 bar
|
70 °C
|
|
10 bar
|
-20 °C
|
|
0 bar
|
|
ISO 21287
|
Eloxált alumínium
|
| ||
![]()
Munkahenger, G449, Ø 100, lökethossz: 50 mm
Cikkszám
G449A1SK0050A00
Másolva
|
Alumínium, POM
|
Alumínium
|
G1/8
|
100 mm
|
Edzett krómozott acél
|
PUR
|
PUR
|
Önálló
|
Kettős működésű, Csillapítatlan
|
Sűrített levegő és semleges gázok
|
50 mm
|
10 bar
|
70 °C
|
|
10 bar
|
-20 °C
|
|
0 bar
|
|
ISO 21287
|
Eloxált alumínium
|
| ||
![]()
Munkahenger, G449, Ø 100, lökethossz: 80 mm
Cikkszám
G449A1SK0080A00
Másolva
|
Alumínium, POM
|
Alumínium
|
G1/8
|
100 mm
|
Edzett krómozott acél
|
PUR
|
PUR
|
Önálló
|
Kettős működésű, Csillapítatlan
|
Sűrített levegő és semleges gázok
|
80 mm
|
10 bar
|
70 °C
|
|
10 bar
|
-20 °C
|
|
0 bar
|
|
ISO 21287
|
Eloxált alumínium
|
| ||
![]()
Munkahenger, G449, Ø 100, lökethossz: 100 mm
Cikkszám
G449A1SK0100A00
Másolva
|
Alumínium, POM
|
Alumínium
|
G1/8
|
100 mm
|
Edzett krómozott acél
|
PUR
|
PUR
|
Önálló
|
Kettős működésű, Csillapítatlan
|
Sűrített levegő és semleges gázok
|
100 mm
|
10 bar
|
70 °C
|
|
10 bar
|
-20 °C
|
|
0 bar
|
|
ISO 21287
|
Eloxált alumínium
|
| ||
![]()
Munkahenger, G449, Ø 100, lökethossz: 125 mm
Cikkszám
G449A1SK0125A00
Másolva
|
Alumínium, POM
|
Alumínium
|
G1/8
|
100 mm
|
Edzett krómozott acél
|
PUR
|
PUR
|
Önálló
|
Kettős működésű, Csillapítatlan
|
Sűrített levegő és semleges gázok
|
125 mm
|
10 bar
|
70 °C
|
|
10 bar
|
-20 °C
|
|
0 bar
|
|
ISO 21287
|
Eloxált alumínium
|
| ||
![]()
Munkahenger, G449, Ø 100, lökethossz: 160 mm
Cikkszám
G449A1SK0160A00
Másolva
|
Alumínium, POM
|
Alumínium
|
G1/8
|
100 mm
|
Edzett krómozott acél
|
PUR
|
PUR
|
Önálló
|
Kettős működésű, Csillapítatlan
|
Sűrített levegő és semleges gázok
|
160 mm
|
10 bar
|
70 °C
|
|
10 bar
|
-20 °C
|
|
0 bar
|
|
ISO 21287
|
Eloxált alumínium
|
| ||
![]()
Munkahenger, G449, Ø 100, lökethossz: 200 mm
Cikkszám
G449A1SK0200A00
Másolva
|
Alumínium, POM
|
Alumínium
|
G1/8
|
100 mm
|
Edzett krómozott acél
|
PUR
|
PUR
|
Önálló
|
Kettős működésű, Csillapítatlan
|
Sűrített levegő és semleges gázok
|
200 mm
|
10 bar
|
70 °C
|
|
10 bar
|
-20 °C
|
|
0 bar
|
|
ISO 21287
|
Eloxált alumínium
|
| ||
![]()
Munkahenger, G449, Ø 100, lökethossz: 250 mm
Cikkszám
G449A1SK0250A00
Másolva
|
Alumínium, POM
|
Alumínium
|
G1/8
|
100 mm
|
Edzett krómozott acél
|
PUR
|
PUR
|
Önálló
|
Kettős működésű, Csillapítatlan
|
Sűrített levegő és semleges gázok
|
250 mm
|
10 bar
|
70 °C
|
|
10 bar
|
-20 °C
|
|
0 bar
|
|
ISO 21287
|
Eloxált alumínium
|
| ||
![]()
Munkahenger, G449, Ø 100, lökethossz: 320 mm
Cikkszám
G449A1SK0320A00
Másolva
|
Alumínium, POM
|
Alumínium
|
G1/8
|
100 mm
|
Edzett krómozott acél
|
PUR
|
PUR
|
Önálló
|
Kettős működésű, Csillapítatlan
|
Sűrített levegő és semleges gázok
|
320 mm
|
10 bar
|
70 °C
|
|
10 bar
|
-20 °C
|
|
0 bar
|
|
ISO 21287
|
Eloxált alumínium
|
| ||
![]()
Munkahenger, G449, Ø 100, lökethossz: 400 mm
Cikkszám
G449A1SK0400A00
Másolva
|
Alumínium, POM
|
Alumínium
|
G1/8
|
100 mm
|
Edzett krómozott acél
|
PUR
|
PUR
|
Önálló
|
Kettős működésű, Csillapítatlan
|
Sűrített levegő és semleges gázok
|
400 mm
|
10 bar
|
70 °C
|
|
10 bar
|
-20 °C
|
|
0 bar
|
|
ISO 21287
|
Eloxált alumínium
|
| ||
![]()
Tömítéskészlet hengerhez G449 Ø 20 mm
Cikkszám
97802870
Másolva
|
|
|
|
|
|
|
|
|
|
|
|
|
|
|
|
|
|
|
|
|
|
| ||
![]()
Tömítéskészlet hengerhez G449 Ø 25 mm
Cikkszám
97802871
Másolva
|
|
|
|
|
|
|
|
|
|
|
|
|
|
|
|
|
|
|
|
|
|
| ||
![]()
Tömítéskészlet hengerhez G449 Ø 32 mm
Cikkszám
97802872
Másolva
|
|
|
|
|
|
|
|
|
|
|
|
|
|
|
|
|
|
|
|
|
|
| ||
![]()
Tömítéskészlet hengerhez G449 Ø 40 mm
Cikkszám
97802873
Másolva
|
|
|
|
|
|
|
|
|
|
|
|
|
|
|
|
|
|
|
|
|
|
| ||
![]()
Tömítéskészlet hengerhez G449 Ø 50 mm
Cikkszám
97802874
Másolva
|
|
|
|
|
|
|
|
|
|
|
|
|
|
|
|
|
|
|
|
|
|
| ||
![]()
Tömítéskészlet hengerhez G449 Ø 63 mm
Cikkszám
97802875
Másolva
|
|
|
|
|
|
|
|
|
|
|
|
|
|
|
|
|
|
|
|
|
|
| ||
![]()
Tömítéskészlet hengerhez G449 Ø 80 mm
Cikkszám
97802876
Másolva
|
|
|
|
|
|
|
|
|
|
|
|
|
|
|
|
|
|
|
|
|
|
| ||
![]()
Tömítéskészlet hengerhez G449 Ø 100 mm
Cikkszám
97802877
Másolva
|
|
|
|
|
|
|
|
|
|
|
|
|
|
|
|
|
|
|
|
|
|
|
Válassza ki az egyik változatot a listából
TÓTH PÉTER