ASCO
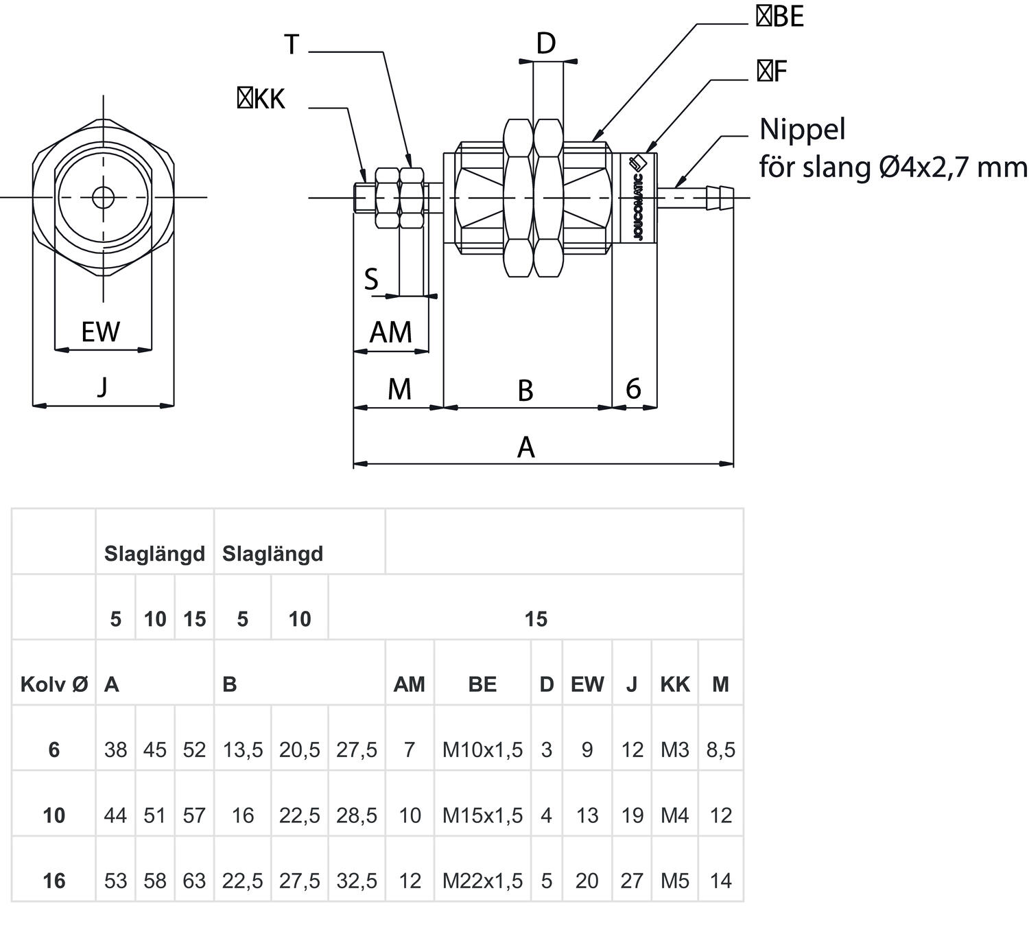
Egyszeres és kettős működésű hengerek a beépítéshez. A menetes testnek köszönhetően a henger helyzete könnyen finomhangolható az összeszerelés során. Minden levegőcsatlakozás a henger hátoldalán Ø 4/2,7 mm-es tömlővel történik. Az egyszeres működésű hengereket csak a plusz mozgás során szabad megterhelni.
| Biztosított anyag | Nikkelezett sárgaréz |
|---|---|
| Csatlakozás, levegő | Push-on önzáró csatlakozó, Ø3 mm |
| Dugattyúátmérő | 6 mm |
| Dugattyúrúd anyaga | Acél |
| Dugattyúrúd-csavaranya anyaga | Nikkelezett sárgaréz |
| Dugattyúrúd-tömítés anyaga | NBR |
| Dugattyútömítés anyaga | NBR |
| Felszerelés | Önálló |
| Funkció | Egyszeres működésű, Csillapítatlan |
| Henger anyaga | Nikkelezett sárgaréz |
| Közegek | Sűrített levegő és semleges gázok |
| Löket | 5 mm |
| Max. nyomás | 10 bar |
| Max. üzemi hőmérséklet | 60 °C |
| Max. üzemi nyomás, egyszeres működésű | 7 bar |
| Min. üzemi hőmérséklet | 5 °C |
| Min. üzemi nyomás, egyszeres működésű | 3 bar |
| Rugó anyaga | Sárgaréz |
| Tömeg | 0,01 kg |
Egyszeres és kettős működésű hengerek a beépítéshez. A menetes testnek köszönhetően a henger helyzete könnyen finomhangolható az összeszerelés során. Minden levegőcsatlakozás a henger hátoldalán Ø 4/2,7 mm-es tömlővel történik. Az egyszeres működésű hengereket csak a plusz mozgás során szabad megterhelni.
Tapasztald meg az erőt a Wika csúcstechnológiás erőmérési megoldásaival
Optimalizálja a termelést, növelje a megbízhatóságot és csökkentse az üzemeltetési költségeket.
A Jabsco és a Flojet, a vezérelt szivattyúzási technológiák piacvezetői, olyan megoldásokat kínálnak, amelyek minden kritikus folyamatban garantálják a precíz és stabil teljesítményt
Az OEM Automatic Kft. csapata sikeresen részt vett a 2025. május 13–16. között megrendezett IPAR NAPJAI Nemzetközi Ipari Szakkiállításon.
Hatékonyság és egyszerűség – ezt a kombinációt tartalmazza a Brooks Instrument új SLA BIOTECH MFC sorozata.
Az L3 Neo a szint- és nyomásérzékelők új generációja – Nagyobb pontosság.Nagyobb megbízhatóság.Egyszerűbb használat
|
|
|
|
|
|
||
|---|---|---|---|---|---|---|
|
|
|
|
|
|
||
|
|
|
|
|
|
||
|
|
|
|
|
|
||
|
|
|
|
|
|
||
|
|
|
|
|
|
||
|
|
|
|
|
|
| Változatok | Dugattyúátmérő | Funkció | Löket | Max. üzemi nyomás, egyszeres működésű | Max. üzemi nyomás, kettős működésű | Min. üzemi nyomás, egyszeres működésű | Min. üzemi nyomás, kettős működésű | Tömeg | Ár | ||
|---|---|---|---|---|---|---|---|---|---|---|---|
|
Panelhenger, Ø 6 mm, egyenes 5 mm. egyszeres működésű
Cikkszám
42900024
Másolva
|
6 mm
|
Egyszeres működésű, Csillapítatlan
|
5 mm
|
7 bar
|
|
3 bar
|
|
0,01 kg
|
| ||
|
Panelhenger, Ø 6 mm, egyenes 5 mm, KETTŐS MŰKÖDÉSŰ
Cikkszám
42900033
Másolva
|
6 mm
|
Kettős működésű, Csillapítatlan
|
5 mm
|
|
7 bar
|
|
1,5 bar
|
0,034 kg
|
| ||
|
Panelhenger, Ø 6 mm, egyenes 10 mm. egyszeres működésű
Cikkszám
42900025
Másolva
|
6 mm
|
Egyszeres működésű, Csillapítatlan
|
10 mm
|
7 bar
|
|
3 bar
|
|
0,015 kg
|
| ||
|
Panelhenger, Ø 6 mm, egyenes 10 mm, KETTŐS MŰKÖDÉSŰ
Cikkszám
42900034
Másolva
|
6 mm
|
Kettős működésű, Csillapítatlan
|
10 mm
|
|
7 bar
|
|
1,5 bar
|
0,042 kg
|
| ||
|
Panelhenger, Ø 6 mm, egyenes 15 mm. egyszeres működésű
Cikkszám
42900026
Másolva
|
6 mm
|
Egyszeres működésű, Csillapítatlan
|
15 mm
|
7 bar
|
|
3 bar
|
|
0,018 kg
|
| ||
|
Panelhenger, Ø 6 mm, egyenes 15 mm, KETTŐS MŰKÖDÉSŰ
Cikkszám
42900035
Másolva
|
6 mm
|
Kettős működésű, Csillapítatlan
|
15 mm
|
|
7 bar
|
|
1,5 bar
|
0,05 kg
|
| ||
|
429 SOROZATÚ MUNKAHENGER, E 10 S 5
Cikkszám
42900027
Másolva
|
10 mm
|
Egyszeres működésű, Csillapítatlan
|
5 mm
|
7 bar
|
|
3 bar
|
|
0,03 kg
|
| ||
|
Panelhenger, Ø 10 mm, egyenes 5 mm, KETTŐS MŰKÖDÉSŰ
Cikkszám
42900036
Másolva
|
10 mm
|
Kettős működésű, Csillapítatlan
|
5 mm
|
|
7 bar
|
|
1,5 bar
|
0,082 kg
|
| ||
|
429 SOROZATÚ MUNKAHENGER, E 10 S 10
Cikkszám
42900028
Másolva
|
10 mm
|
Egyszeres működésű, Csillapítatlan
|
10 mm
|
7 bar
|
|
3 bar
|
|
0,037 kg
|
| ||
|
Panelhenger, Ø 10 mm, egyenes 10 mm, KETTŐS MŰKÖDÉSŰ
Cikkszám
42900037
Másolva
|
10 mm
|
Kettős működésű, Csillapítatlan
|
10 mm
|
|
7 bar
|
|
1,5 bar
|
0,094 kg
|
| ||
|
Panelhenger, Ø 10 mm, egyenes 15 mm. egyszeres működésű
Cikkszám
42900029
Másolva
|
10 mm
|
Egyszeres működésű, Csillapítatlan
|
15 mm
|
7 bar
|
|
3 bar
|
|
0,042 kg
|
| ||
|
Panelhenger, Ø 10 mm, egyenes 15 mm, KETTŐS MŰKÖDÉSŰ
Cikkszám
42900038
Másolva
|
10 mm
|
Kettős működésű, Csillapítatlan
|
15 mm
|
|
7 bar
|
|
1,5 bar
|
0,106 kg
|
| ||
|
429 SOROZATÚ MUNKAHENGER, E 16 S 5
Cikkszám
42900030
Másolva
|
16 mm
|
Egyszeres működésű, Csillapítatlan
|
5 mm
|
7 bar
|
|
3 bar
|
|
0,086 kg
|
| ||
|
Panelhenger, Ø 16 mm, egyenes 5 mm, KETTŐS MŰKÖDÉSŰ
Cikkszám
42900039
Másolva
|
16 mm
|
Kettős működésű, Csillapítatlan
|
5 mm
|
|
7 bar
|
|
1,5 bar
|
0,126 kg
|
| ||
|
429 SOROZATÚ MUNKAHENGER, E 16 S 10
Cikkszám
42900031
Másolva
|
16 mm
|
Egyszeres működésű, Csillapítatlan
|
10 mm
|
7 bar
|
|
3 bar
|
|
0,093 kg
|
| ||
|
Panelhenger, Ø 16 mm, egyenes 10 mm, KETTŐS MŰKÖDÉSŰ
Cikkszám
42900040
Másolva
|
16 mm
|
Kettős működésű, Csillapítatlan
|
10 mm
|
|
7 bar
|
|
1,5 bar
|
0,138 kg
|
| ||
|
429 SOROZATÚ MUNKAHENGER, E 16 S 15
Cikkszám
42900032
Másolva
|
16 mm
|
Egyszeres működésű, Csillapítatlan
|
15 mm
|
7 bar
|
|
3 bar
|
|
0,1 kg
|
| ||
|
Panelhenger, Ø 16 mm, egyenes 15 mm, KETTŐS MŰKÖDÉSŰ
Cikkszám
42900041
Másolva
|
16 mm
|
Kettős működésű, Csillapítatlan
|
15 mm
|
|
7 bar
|
|
1,5 bar
|
0,155 kg
|
|
Válassza ki az egyik változatot a listából
TÓTH PÉTER