TRAFAG

Robbanásbiztos nyomástávadók, ATEX

EXNT 8292 Ex nyomástávadó

Az EXNT EX nyomástávadó a Trafag saját vékonyréteg-acél szenzortechnológiáján alapul, amely kiváló hosszú távú stabilitással rendelkezik, és megbízható és pontos nyomásmérést biztosít széles hőmérsékleti tartományban. A belső biztonsági kivitel az Ex 0, 1, 2 (gáz), 20, 21, 22 (por) és bányászati Ex-zónákban való alkalmazásra van tanúsítva.

 

- 0,4 és 2000 bar közötti nyomástartományok

- ATEX, IECEx, UKEX tanúsítvánnyal

- Választható: hidrogén-kompatibilis érzékelő

- KBA Kraftfahrt-Bundesamt által EC79/2009 szerint tanúsított

Bővebben
  • Pontosság 0,5% FS típus.
  • Gáz (0, 1, 2), por (20, 21, 22) és bányászat esetén
  • A mérési tartomány 0 ... 0,4 - 0 ... 2000 bar
  • ATEX, IECEx, UKEX tanúsítvánnyal
  • KBA Kraftfahrt-Bundesamt által EC79/2009 szerint tanúsított

Kiválasztott változat

izé

Kiválasztott változat

Műszaki adatok

Bemelegedési idő <1,5 s.
Csomagolóanyag FKM
Elektromágneses összeférhetőség/zavarvédelem EN/IEC61000-6-4, 61000-6-2
Elektromos csatlakozás DIN EN 175301-803-A
EX jóváhagyások ATEX
Hosszú idejű stabilitás, jellemző <±0,2% FS
IP-osztály IP65
Jellemző NLH (a BSL-től 0-ig) ±0,3% FS
Jellemző pontosság +25 °C-on ±0,5% FS
Jellemző tartózkodási idő 1 ms (10...90% FS)
Jóváhagyások, tengerészeti GL, KRS
Kimenet 4-20 mA
Közeg által bekapcsolt alkatrészek anyaga, érzékelő Rozsdamentes acél 630
Közeg által érintett alkatrészek anyaga, folyamatkapcsolat Rozsdamentes acél 630
Közeghőmérséklet eddig: 120 °C
Közeghőmérséklet ettől: -40 °C
Lökésszerű nyomás 25 bar
Max. páratartalom 95 % Rh
Max. túlnyomás 1,2 bar
Mechanikus támaszték 50 g / 3 ms
Mérési tartomány 0-0,4 bar
Nyomócsonk G1/4 M
Szerelvény forgatónyomatéka 25 Nm
Tápfeszültség 10-30 VDC
Test anyaga Rozsdamentes acél 304
Tömeg 165 g
Vibráció, rezonancia 10 g (50...2000Hz)
Üzemi hőmérséklet -40...120°C

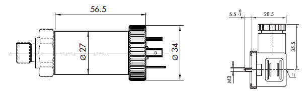
Mérések és kapcsolatok

Műszaki illusztrációk

Termékleírás

Az EXNT EX nyomástávadó a Trafag saját vékonyréteg-acél szenzortechnológiáján alapul, amely kiváló hosszú távú stabilitással rendelkezik, és megbízható és pontos nyomásmérést biztosít széles hőmérsékleti tartományban. A belső biztonsági kivitel az Ex 0, 1, 2 (gáz), 20, 21, 22 (por) és bányászati Ex-zónákban való alkalmazásra van tanúsítva.

 

- 0,4 és 2000 bar közötti nyomástartományok

- ATEX, IECEx, UKEX tanúsítvánnyal

- Választható: hidrogén-kompatibilis érzékelő

- KBA Kraftfahrt-Bundesamt által EC79/2009 szerint tanúsított

Kiegészítők

Változatok Lökésszerű nyomás Max. túlnyomás Mérési tartomány Ár
25 bar
1,2 bar
0-0,4 bar
25 bar
2 bar
0-1 bar
100 bar
5 bar
0-2,5 bar
100 bar
8 bar
0-4 bar
100 bar
12 bar
0-6 bar
200 bar
20 bar
0-10 bar
200 bar
32 bar
0-16 bar
300 bar
50 bar
0-25 bar
300 bar
80 bar
0-40 bar
500 bar
200 bar
0-100 bar

Kiválasztott változat

Válassza ki az egyik változatot a listából

Műszaki tanácsadás

TÓTH PÉTER

+36 20 576 32 33
E-mail küldése
Ügyfélszolgálat
Hívjon minket bátran ha kérdése van.
Segítségre van szüksége?
Logo

Süti beállítások oemautomatic.hu

A Sütik segítenek javítani az Ön élményét velünk, tehát a belépési adatok kezelésében, személyre szabott tartalom megjelenítésében és néhány alapvető funkcióban Sütiket használunk.

Sosem fogjuk az ön információit eladni.

Elfogadhatja az összes Sütit vagy személyre szabhatja a Süti beállításait, ezeket a beállításokat az elérhetőség oldalunkon tudja változtatni.

Szükséges Sütik

Ezek a Sütik szükségesek az oldal működéséhez ezért ezeket nem lehet kikapcsolni a rendszerünkben. Csak az Ön kéréseire/lépéseire adnak választ a szerverünkről például beállítások megadása, belépéskor és adatkitöltéskor.

Analízis és mérési Sütik

Ezek a Sütik engedik, hogy vizsgáljuk az oldal látogatottságát és javítsuk annak teljesítményét. Megmutatják, hogy melyik lapok a többet, illetve kevesebbet látogatottak, illetve miként használják a látogatók az oldalt. Az információ, amit a Sütik gyűjtenek összeadódnak ezért ez teljesen anonim módon történik. Ha nem fogadja el ezeket a Sütiket nem tudjuk járt az oldalon.

Marketing Sütik

Ezeket a Sütiket a partnereink adhatják hozzá. Ezeket a Sütiket arra használhatják, hogy egy önről mintázott profilt képezzenek mellyel személyre szabott információt jeleníthetnek meg Önnek. Önről személyes információt nem tárolunk, kizárólag a böngészőjéről és eszközéről. Ha nem fogadja el ezeket a Sütiket, egy általános tapasztalata lesz, nem személyre szabott.