WIKA
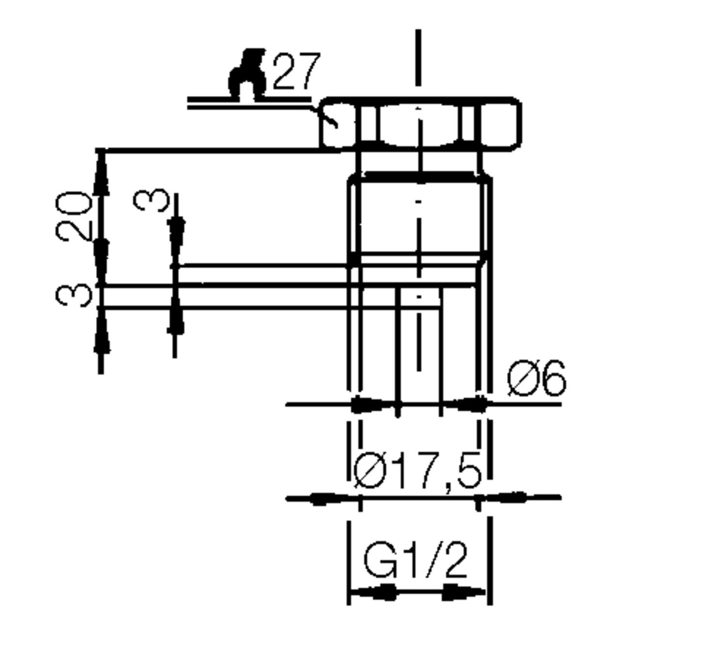
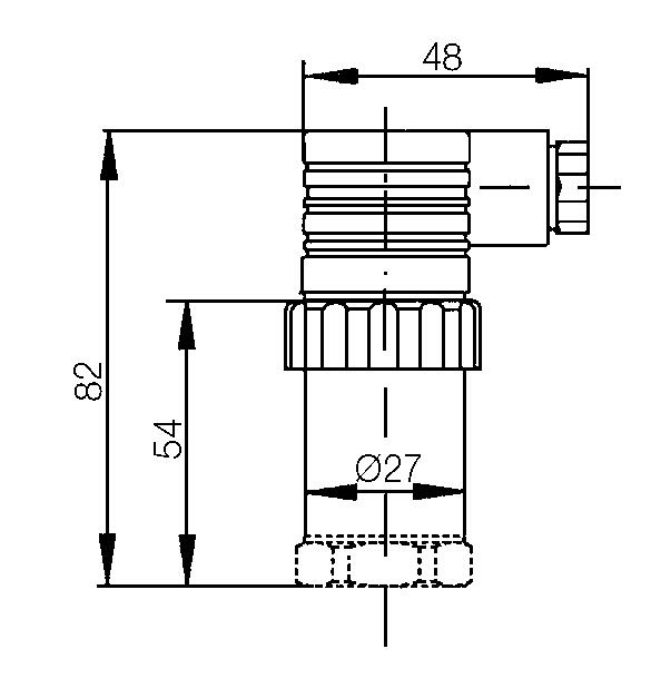
Az S20 modell egy kiváló nyomásérzékelő az általános ipari alkalmazásokhoz. Robusztus, jó pontosságú konstrukcióval rendelkezik. A standard változat DIN-A csatlakozóval rendelkezik.
| Csatlakozás | Külső |
|---|---|
| Csatlakozás | G1/2" |
| IP-osztály | IP65 |
| Jeltípus | 4–20 mA |
| Jóváhagyások | RoHS, UL |
| Material Sensor Body | Rozsdamentes acél |
| Max. tápfeszültség, DC | 35 V DC |
| Max. üzemi hőmérséklet | 100 °C |
| Min. tápfeszültség, DC | 8 V DC |
| Min. üzemi hőmérséklet | -30 °C |
| Nyomástartomány max. értéke | 0 bar |
| Nyomástartomány min. értéke | -1 bar |
| Tömeg | 80 g |
| Vízzel érintkező alkatrészek anyaga | Rozsdamentes acél 316L |
Az S20 modell egy kiváló nyomásérzékelő az általános ipari alkalmazásokhoz. Robusztus, jó pontosságú konstrukcióval rendelkezik. A standard változat DIN-A csatlakozóval rendelkezik.
Tapasztald meg az erőt a Wika csúcstechnológiás erőmérési megoldásaival
Optimalizálja a termelést, növelje a megbízhatóságot és csökkentse az üzemeltetési költségeket.
A Jabsco és a Flojet, a vezérelt szivattyúzási technológiák piacvezetői, olyan megoldásokat kínálnak, amelyek minden kritikus folyamatban garantálják a precíz és stabil teljesítményt
Az OEM Automatic Kft. csapata sikeresen részt vett a 2025. május 13–16. között megrendezett IPAR NAPJAI Nemzetközi Ipari Szakkiállításon.
Hatékonyság és egyszerűség – ezt a kombinációt tartalmazza a Brooks Instrument új SLA BIOTECH MFC sorozata.
Az L3 Neo a szint- és nyomásérzékelők új generációja – Nagyobb pontosság.Nagyobb megbízhatóság.Egyszerűbb használat
|
|
|
|
|
|
||
|---|---|---|---|---|---|---|
|
|
|
|
|
|
||
|
|
|
|
|
|
||
|
|
|
|
|
|
||
|
|
|
|
|
|
||
|
|
|
|
|
|
||
|
|
|
|
|
|
| Változatok | Jeltípus | Min. tápfeszültség, DC | Nyomástartomány max. értéke | Nyomástartomány min. értéke | Ár | ||
|---|---|---|---|---|---|---|---|
|
Nyomástávadó -1..0 bar,4-20mA,G1/2, DINA
Cikkszám
S20-14071123
Másolva
|
4–20 mA
|
8 V DC
|
0 bar
|
-1 bar
|
| ||
|
Cikkszám
S20-14295604
Másolva
|
0–10 V
|
12 V DC
|
0,6 bar
|
-1 bar
|
| ||
|
Cikkszám
S20-43934421
Másolva
|
4–20 mA
|
8 V DC
|
1,5 bar
|
-1 bar
|
| ||
|
-1..5 bar, 4-20mA, G1/2, DIN-A
Cikkszám
S20-30716683
Másolva
|
4–20 mA
|
8 V DC
|
5 bar
|
-1 bar
|
| ||
|
Cikkszám
S20-14112487
Másolva
|
4–20 mA
|
8 V DC
|
0 bar
|
-0,6 bar
|
| ||
|
Cikkszám
S20-14071126
Másolva
|
4–20 mA
|
8 V DC
|
0,4 bar
|
0 bar
|
| ||
|
Cikkszám
S20-14071128
Másolva
|
4–20 mA
|
8 V DC
|
0,6 bar
|
0 bar
|
| ||
|
Cikkszám
S20-14071133
Másolva
|
4–20 mA
|
8 V DC
|
1 bar
|
0 bar
|
| ||
|
Cikkszám
S20-45729529
Másolva
|
4–20 mA
|
8 V DC
|
1 bar
|
0 bar
|
| ||
|
Cikkszám
S20-14071134
Másolva
|
4–20 mA
|
8 V DC
|
1,6 bar
|
0 bar
|
| ||
|
Cikkszám
S20-45729344
Másolva
|
4–20 mA
|
8 V DC
|
1,6 bar
|
0 bar
|
| ||
|
Cikkszám
S20-48644405
Másolva
|
4–20 mA
|
8 V DC
|
10 bar
|
0 bar
|
| ||
|
Cikkszám
S20-14071203
Másolva
|
0–10 V
|
12 V DC
|
10 bar
|
0 bar
|
| ||
|
Cikkszám
S20-14071141
Másolva
|
4–20 mA
|
8 V DC
|
10 bar
|
0 bar
|
| ||
|
Cikkszám
S20-14071208
Másolva
|
0–10 V
|
12 V DC
|
100 bar
|
0 bar
|
| ||
|
Cikkszám
S20-14071148
Másolva
|
4–20 mA
|
8 V DC
|
100 bar
|
0 bar
|
| ||
|
Cikkszám
S20-14071157
Másolva
|
4–20 mA
|
8 V DC
|
1000 bar
|
0 bar
|
| ||
|
Cikkszám
S20-14071204
Másolva
|
0–10 V
|
12 V DC
|
16 bar
|
0 bar
|
| ||
|
Cikkszám
S20-14071142
Másolva
|
4–20 mA
|
8 V DC
|
16 bar
|
0 bar
|
| ||
|
Cikkszám
S20-14071209
Másolva
|
0–10 V
|
12 V DC
|
160 bar
|
0 bar
|
| ||
|
Cikkszám
S20-14071149
Másolva
|
4–20 mA
|
8 V DC
|
160 bar
|
0 bar
|
| ||
|
0..1600 bar, 0-10V, G1/2, DIN-A
Cikkszám
S20-14088716
Másolva
|
0–10 V
|
12 V DC
|
1600 bar
|
0 bar
|
| ||
|
0..1600 bar, 4-20mA, G1/2, DIN-A
Cikkszám
S20-14085666
Másolva
|
4–20 mA
|
8 V DC
|
1600 bar
|
0 bar
|
| ||
|
Cikkszám
S20-14071135
Másolva
|
4–20 mA
|
8 V DC
|
2,5 bar
|
0 bar
|
| ||
|
Cikkszám
S20-14071144
Másolva
|
4–20 mA
|
8 V DC
|
25 bar
|
0 bar
|
| ||
|
Cikkszám
S20-14071210
Másolva
|
0–10 V
|
12 V DC
|
250 bar
|
0 bar
|
| ||
|
Cikkszám
S20-14071151
Másolva
|
4–20 mA
|
8 V DC
|
250 bar
|
0 bar
|
| ||
|
Cikkszám
S20-74064622
Másolva
|
4–20 mA
|
8 V DC
|
250 bar
|
0 bar
|
| ||
|
Cikkszám
S20-68101597
Másolva
|
4–20 mA
|
8 V DC
|
4 bar
|
0 bar
|
| ||
|
Cikkszám
S20-14071137
Másolva
|
4–20 mA
|
8 V DC
|
4 bar
|
0 bar
|
| ||
|
Nyomástávadó 0..40 bar,4-20mA,G1/2,DIN-A
Cikkszám
S20-14071145
Másolva
|
4–20 mA
|
8 V DC
|
40 bar
|
0 bar
|
| ||
|
Cikkszám
S20-45745476
Másolva
|
0–10 V
|
12 V DC
|
6 bar
|
0 bar
|
| ||
|
Cikkszám
S20-14071139
Másolva
|
4–20 mA
|
8 V DC
|
6 bar
|
0 bar
|
| ||
|
Cikkszám
S20-14071146
Másolva
|
4–20 mA
|
8 V DC
|
60 bar
|
0 bar
|
| ||
|
0..600 bar, 4-20mA, G1/2, DIN-A
Cikkszám
S20-14071155
Másolva
|
4–20 mA
|
8 V DC
|
600 bar
|
0 bar
|
|
Válassza ki az egyik változatot a listából
TÓTH PÉTER