| Anyag | Alumínium |
|---|---|
| Áramerősség-beállítási tartomány | -0,6...3,4 bar |
| Csomagolóanyag | HNBR (nitrilgumi) |
| Elektromos csatlakozás | DIN EN175301-803-A, PA |
| Érintkezők | Skiftekontakt SPDT |
| Érzékelő anyaga | Bronz |
| Hiszterézis | 0,2 ±0,1 bar |
| IP-osztály | IP65 |
| Jellemző ismétlési pontosság | ±0,5% FS |
| Jóváhagyások, tengerészeti | ABS, BV, CCS, DNV, GL, KRS, LRS, Rina, RMRS |
| Közeghőmérséklet eddig: | 125 °C |
| Közeghőmérséklet ettől: | -25 °C |
| Max. páratartalom | 95 % Rh |
|---|---|
| Max. tárolási hőmérséklet | 125 °C |
| Max. túlnyomás | 12 bar |
| Mechanikus támaszték | 50 g / 11 ms |
| Min. tárolási hőmérséklet | -30 °C |
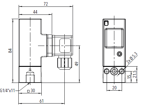
| Nyomócsonk | G1/4 F |
| Szerelvény forgatónyomatéka | 32-40 Nm |
| Type Pressure Switch | Marine |
| Tömeg | 160 g |
| Vibráció, rezonancia | ±0,75 mm (10...59Hz), 5 g (60...500Hz) |
| Üzemi hőmérséklet | -25...125°C |
Tapasztald meg az erőt a Wika csúcstechnológiás erőmérési megoldásaival
Optimalizálja a termelést, növelje a megbízhatóságot és csökkentse az üzemeltetési költségeket.
A Jabsco és a Flojet, a vezérelt szivattyúzási technológiák piacvezetői, olyan megoldásokat kínálnak, amelyek minden kritikus folyamatban garantálják a precíz és stabil teljesítményt
Az OEM Automatic Kft. csapata sikeresen részt vett a 2025. május 13–16. között megrendezett IPAR NAPJAI Nemzetközi Ipari Szakkiállításon.
Hatékonyság és egyszerűség – ezt a kombinációt tartalmazza a Brooks Instrument új SLA BIOTECH MFC sorozata.
Az L3 Neo a szint- és nyomásérzékelők új generációja – Nagyobb pontosság.Nagyobb megbízhatóság.Egyszerűbb használat
|
|
|
|
|
|
||
|---|---|---|---|---|---|---|
|
|
|
|
|
|
||
|
|
|
|
|
|
||
|
|
|
|
|
|
||
|
|
|
|
|
|
||
|
|
|
|
|
|
||
|
|
|
|
|
|
| Változatok | Áramerősség-beállítási tartomány | Hiszterézis | Max. túlnyomás | Nyomócsonk | Szerelvény forgatónyomatéka | Ár | ||
|---|---|---|---|---|---|---|---|---|
Nyomáskapcsoló -0,6+3,4 bar G¼F, DIN csatlakozóval
Cikkszám
PST4B3.44
Másolva
|
-0,6...3,4 bar
|
0,2 ±0,1 bar
|
12 bar
|
G1/4 F
|
32-40 Nm
|
| ||
Nyomáskapcsoló 0-6 bar G¼F, DIN csatlakozóval
Cikkszám
PST4B64
Másolva
|
0...6 bar
|
0,2 ±0,1 bar
|
12 bar
|
G1/4 F
|
32-40 Nm
|
| ||
Nyomáskapcsoló 1-16 bar, G¼F, DIN csatlakozóval
Cikkszám
PST4B164
Másolva
|
1...16 bar
|
0,4 ±0,2 bar
|
24 bar
|
G1/4 F
|
32-40 Nm
|
| ||
Nyomáskapcsoló 2-25 bar, G¼F, DIN csatlakozóval
Cikkszám
PST4B254
Másolva
|
2...25 bar
|
1 ±0,6 bar
|
40 bar
|
G1/4 F
|
32-40 Nm
|
| ||
Nyomáskapcsoló 4-40 bar, G¼F, DIN csatlakozóval
Cikkszám
PST4B404
Másolva
|
4...40 bar
|
1,2 ±0,8 bar
|
50 bar
|
G1/4 F
|
32-40 Nm
|
| ||
Nyomáskapcsoló -0,6+3,4 bar karimás, DIN csatlakozóval
Cikkszám
PST4B3.4F4
Másolva
|
-0,6...3,4 bar
|
0,2 ±0,1 bar
|
12 bar
|
Flange
|
|
| ||
Nyomáskapcsoló 0-6 bar karima, DIN csatlakozóval
Cikkszám
PST4B6F4
Másolva
|
0...6 bar
|
0,2 ±0,1 bar
|
12 bar
|
Flange
|
|
| ||
Nyomáskapcsoló 1-16 bar karima, DIN csatlakozóval
Cikkszám
PST4B16F4
Másolva
|
1...16 bar
|
0,4 ±0,2 bar
|
24 bar
|
Flange
|
|
| ||
Nyomáskapcsoló 2-25 bar karima, DIN csatlakozóval
Cikkszám
PST4B25F4
Másolva
|
2...25 bar
|
1 ±0,6 bar
|
40 bar
|
Flange
|
|
| ||
Nyomáskapcsoló 4-40 bar karimás, DIN csatlakozóval
Cikkszám
PST4B40F4
Másolva
|
4...40 bar
|
1,2 ±0,8 bar
|
50 bar
|
Flange
|
|
|
Válassza ki az egyik változatot a listából
TÓTH PÉTER