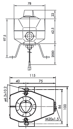
| Áramerősség-beállítási tartomány | 0...35°C |
|---|---|
| Elektromos csatlakozás | Skrueterminaler |
| Érintkező | Temperaturkompenseret skiftekontakt af bimetal |
| Érintkezők | Skiftekontakt |
| Érzékelő anyaga | Réz |
| Hiszterézis | 0,7...10°C (justérbar) |
| IP-osztály | IP65 |
| Ismétlő érzékelő | ±0,5% FS typ. |
| Közeghőmérséklet eddig: | 60 °C |
| Max. páratartalom | 95 % Rh |
| Max. tárolási hőmérséklet | 50 °C |
| Mechanikus támaszték | 50 g / 11 ms |
| Mikrokapcsoló élettartama | 20 mio. cykler |
| Min. tárolási hőmérséklet | -30 °C |
| Skála pontossága | ±2% FS typ. |
| Test anyaga | Alumínium |
| Tömeg | 950 g |
| Vibráció, rezonancia | ±1,6 mm (5...25Hz), 4 g (25...100Hz) |
| Üzemi hőmérséklet | -30...50°C |
Tapasztald meg az erőt a Wika csúcstechnológiás erőmérési megoldásaival
Optimalizálja a termelést, növelje a megbízhatóságot és csökkentse az üzemeltetési költségeket.
A Jabsco és a Flojet, a vezérelt szivattyúzási technológiák piacvezetői, olyan megoldásokat kínálnak, amelyek minden kritikus folyamatban garantálják a precíz és stabil teljesítményt
Az OEM Automatic Kft. csapata sikeresen részt vett a 2025. május 13–16. között megrendezett IPAR NAPJAI Nemzetközi Ipari Szakkiállításon.
Hatékonyság és egyszerűség – ezt a kombinációt tartalmazza a Brooks Instrument új SLA BIOTECH MFC sorozata.
Az L3 Neo a szint- és nyomásérzékelők új generációja – Nagyobb pontosság.Nagyobb megbízhatóság.Egyszerűbb használat
|
|
|
|
|
|
||
|---|---|---|---|---|---|---|
|
|
|
|
|
|
||
|
|
|
|
|
|
||
|
|
|
|
|
|
||
|
|
|
|
|
|
||
|
|
|
|
|
|
||
|
|
|
|
|
|
| Változatok | Áramerősség-beállítási tartomány | Érzékelő anyaga | Hiszterézis | Közeghőmérséklet eddig: | Max. tárolási hőmérséklet | Üzemi hőmérséklet | Ár | ||
|---|---|---|---|---|---|---|---|---|---|
Termosztát 0-35°C 2m-es kábel, kültéri beállítási pont
Cikkszám
I35
Másolva
|
0...35°C
|
Réz
|
0,7...10°C (justérbar)
|
60 °C
|
50 °C
|
-30...50°C
|
| ||
Termosztát 5-95°C 2m kábel, kültéri beállítási pont
Cikkszám
I95
Másolva
|
5...95°C
|
Réz
|
2...12°C (justérbar)
|
105 °C
|
85 °C
|
-30...70°C
|
| ||
Termosztát 20-150°C 2m kábel, kültéri beállítási pont
Cikkszám
I150
Másolva
|
20...150°C
|
Réz
|
2,5...16°C (justérbar)
|
165 °C
|
85 °C
|
-30...70°C
|
| ||
Termosztát 20-230°C 2m kábel, kültéri beállítási pont
Cikkszám
I230S
Másolva
|
20...230°C
|
Rozsdamentes acél 316L
|
3...32°C (justérbar)
|
250 °C
|
85 °C
|
-30...70°C
|
| ||
Termosztát 70-350°C 2m kábel, kültéri beállítási pont
Cikkszám
I350S
Másolva
|
70...350°C
|
Rozsdamentes acél 316L
|
4...40°C (justérbar)
|
380 °C
|
85 °C
|
-10...70°C
|
| ||
Termosztát 0-35°C 2m kábel, beltéri beállítási pont.
Cikkszám
IS35
Másolva
|
0...35°C
|
Réz
|
0,7...10°C (justérbar)
|
60 °C
|
50 °C
|
-30...50°C
|
| ||
Termosztát 5-95°C 2m kábel, beltéri beállítási pont.
Cikkszám
IS95
Másolva
|
5...95°C
|
Réz
|
2...12°C (justérbar)
|
105 °C
|
85 °C
|
-30...70°C
|
| ||
Termosztát 20-150°C 2m kábel, beltéri beállítási pont.
Cikkszám
IS150
Másolva
|
20...150°C
|
Réz
|
2,5...16°C (justérbar)
|
165 °C
|
85 °C
|
-30...70°C
|
| ||
Termosztát 20-230°C 2m kábel, beltéri beállítási pont.
Cikkszám
IS230S
Másolva
|
20...230°C
|
Rozsdamentes acél 316L
|
3...32°C (justérbar)
|
250 °C
|
85 °C
|
-30...70°C
|
| ||
Termosztát 70-350°C 2m kábel, beltéri beállítási pont.
Cikkszám
IS350S
Másolva
|
70...350°C
|
Rozsdamentes acél 316L
|
4...40°C (justérbar)
|
380 °C
|
85 °C
|
-10...70°C
|
| ||
Termosztát 5-95°C 2m kábel
Cikkszám
IS95R
Másolva
|
5...95°C
|
Réz
|
6°C
|
105 °C
|
85 °C
|
-30...70°C
|
| ||
Termosztát 20-150°C 2m kábel
Cikkszám
IS150R
Másolva
|
20...150°C
|
Réz
|
7,5°C
|
165 °C
|
85 °C
|
-30...70°C
|
| ||
Termosztát 20-230°C 2m kábel, RS
Cikkszám
IS230SR
Másolva
|
20...230°C
|
Rozsdamentes acél 316L
|
9°C
|
250 °C
|
85 °C
|
-30...70°C
|
| ||
Termosztát 70-350°C 2m kábel, RS
Cikkszám
IS350SR
Másolva
|
70...350°C
|
Rozsdamentes acél 316L
|
12°C
|
380 °C
|
85 °C
|
-10...70°C
|
|
Válassza ki az egyik változatot a listából
TÓTH PÉTER