WIKA
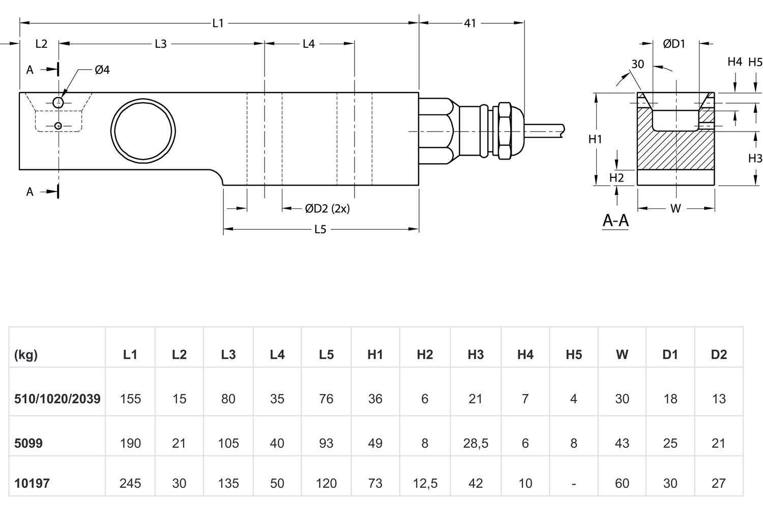
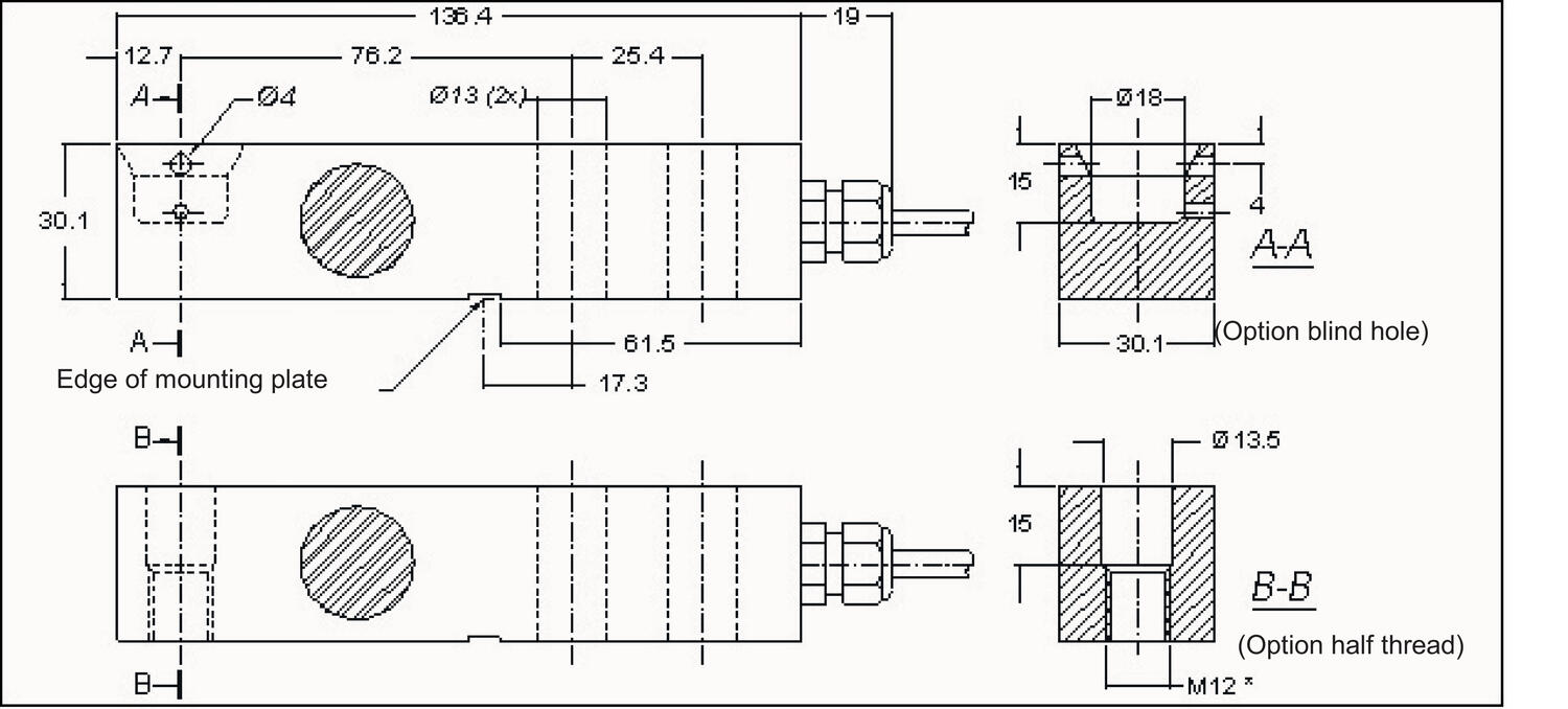
Egy robusztus, nagy pontosságú, nagy terheléshez igazított erőmérő cella. Az F4221–F4225 modellekhez, például a silókhoz és a tartályokhoz képest kissé nagyobb terhelések mérésére alkalmas. Egyszerűen alkalmazható a jelenlegi állapotában, egyéb esetben olyan tartozékcsomagokat kell használni, mint a csuklós lábtámasz vagy a túlterhelés elleni védelemmel ellátott, teljes szerelőlap.
Anyag | Rozsdamentes acél |
---|---|
Elektromos csatlakozás | Kábel 3 m, 4 eres árnyékolt |
Erőtartomány | 0-91 kg |
IP-osztály | IP68 |
Jelkimenetek | 2 mV/V |
Max. eltérés | 0,04% |
Max. tápfeszültség, DC | 10 V DC |
Max. tárolási hőmérséklet | 80 °C |
Max. üzemi hőmérséklet | 40 °C |
Méréstechnológia | Huzalfeszítő technika |
Min. tápfeszültség, DC | 5 V DC |
Min. tárolási hőmérséklet | -40 °C |
Min. üzemi hőmérséklet | -10 °C |
Névleges üzemi | 0,6 mm |
Túlterhelés | N.L. 200%-a megengedett |
Egy robusztus, nagy pontosságú, nagy terheléshez igazított erőmérő cella. Az F4221–F4225 modellekhez, például a silókhoz és a tartályokhoz képest kissé nagyobb terhelések mérésére alkalmas. Egyszerűen alkalmazható a jelenlegi állapotában, egyéb esetben olyan tartozékcsomagokat kell használni, mint a csuklós lábtámasz vagy a túlterhelés elleni védelemmel ellátott, teljes szerelőlap.
Tapasztald meg az erőt a Wika csúcstechnológiás erőmérési megoldásaival
Optimalizálja a termelést, növelje a megbízhatóságot és csökkentse az üzemeltetési költségeket.
A Jabsco és a Flojet, a vezérelt szivattyúzási technológiák piacvezetői, olyan megoldásokat kínálnak, amelyek minden kritikus folyamatban garantálják a precíz és stabil teljesítményt
Az OEM Automatic Kft. csapata sikeresen részt vett a 2025. május 13–16. között megrendezett IPAR NAPJAI Nemzetközi Ipari Szakkiállításon.
Hatékonyság és egyszerűség – ezt a kombinációt tartalmazza a Brooks Instrument új SLA BIOTECH MFC sorozata.
Az L3 Neo a szint- és nyomásérzékelők új generációja – Nagyobb pontosság.Nagyobb megbízhatóság.Egyszerűbb használat
|
|
|
|
|
||
---|---|---|---|---|---|---|
|
|
|
|
|
||
|
|
|
|
|
||
|
|
|
|
|
||
|
|
|
|
|
||
|
|
|
|
|
||
|
|
|
|
|
Változatok | Erőtartomány | Max. eltérés | Ár | ||
---|---|---|---|---|---|
![]()
Erőmérő cella 0–91 kg, platformhoz, félig menetes, 2 mV/V, 3 m kábel
Cikkszám
F32703001401
Másolva
|
0-91 kg
|
0,04%
|
| ||
![]()
Erőmérő cella 0–227 kg, platformhoz, félig menetes, 2 mV/V, 3 m kábel
Cikkszám
F23703002402
Másolva
|
0-227 kg
|
0,04%
|
| ||
![]()
Erőmérő cella 0–454 kg, platformhoz, félig menetes, 2 mV/V, 3 m kábel
Cikkszám
F32703003403
Másolva
|
0-454 kg
|
0,04%
|
| ||
![]()
Erőmérő cella 0–1134 kg, platformhoz, félig menetes, 2 mV/V, 3 m kábel
Cikkszám
F32703006404
Másolva
|
0-1134 kg
|
0,04%
|
| ||
![]()
Erőmérő cella 0–2268 kg, platformhoz, félig menetes, 2 mV/V, 3 m kábel
Cikkszám
F32703008405
Másolva
|
0-2268 kg
|
0,04%
|
| ||
![]()
Erőmérő cella 0–91 kg, platformhoz, félig menetes, 2 mV/V, 3 m kábel
Cikkszám
F32703001411
Másolva
|
0-91 kg
|
0,02%
|
| ||
![]()
Erőmérő cella 0–227 kg, platformhoz, félig menetes, 2 mV/V, 3 m kábel
Cikkszám
F32703002412
Másolva
|
0-227 kg
|
0,02%
|
| ||
![]()
Erőmérő cella 0–454 kg, platformhoz, félig menetes, 2 mV/V, 3 m kábel
Cikkszám
F32703003413
Másolva
|
0-454 kg
|
0,02%
|
| ||
![]()
Erőmérő cella 0–1134 kg, platformhoz, félig menetes, 2 mV/V, 3 m kábel
Cikkszám
F32703006414
Másolva
|
0-1134 kg
|
0,02%
|
| ||
![]()
Erőmérő cella 0–2268 kg, platformhoz, félig menetes, 2 mV/V, 3 m kábel
Cikkszám
F32703008415
Másolva
|
0-2268 kg
|
0,02%
|
| ||
![]()
Erőmérő cella 0–91 kg, platformhoz, félig menetes, 2 mV/V, 3 m kábel
Cikkszám
F32703001416
Másolva
|
0-91 kg
|
0,02%
|
| ||
![]()
Erőmérő cella 0–91 kg, platformhoz, vakfurat, 2 mV/V, 3 m kábel
Cikkszám
F32703001406
Másolva
|
0-91 kg
|
0,04%
|
| ||
![]()
Erőmérő cella 0–227 kg, platformhoz, vakfurat, 2 mV/V, 3 m kábel
Cikkszám
F32703002417
Másolva
|
0-227 kg
|
0,02%
|
| ||
![]()
Erőmérő cella 0–227 kg, platformhoz, vakfurat, 2 mV/V, 3 m kábel
Cikkszám
F32703002407
Másolva
|
0-227 kg
|
0,04%
|
| ||
![]()
Erőmérő cella 0–454 kg, platformhoz, vakfurat, 2 mV/V, 3 m kábel
Cikkszám
F32703003418
Másolva
|
0-454 kg
|
0,02%
|
| ||
![]()
Erőmérő cella 0–454 kg, platformhoz, vakfurat, 2 mV/V, 3 m kábel
Cikkszám
F32703003408
Másolva
|
0-454 kg
|
0,04%
|
| ||
![]()
Erőmérő cella 0–1134 kg, platformhoz, vakfurat, 2 mV/V, 3 m kábel
Cikkszám
F32703006419
Másolva
|
0-1134 kg
|
0,02%
|
| ||
![]()
Erőmérő cella 0–1134 kg, platformhoz, vakfurat, 2 mV/V, 3 m kábel
Cikkszám
F32703006409
Másolva
|
0-1134 kg
|
4.0000000000000002E-4
|
| ||
![]()
Erőmérő cella 0–2268 kg, platformhoz, vakfurat, 2 mV/V, 3 m kábel
Cikkszám
F32703008420
Másolva
|
0-2268 kg
|
0,02%
|
| ||
![]()
Erőmérő cella 0–2268 kg, platformhoz, vakfurat, 2 mV/V, 3 m kábel
Cikkszám
F32703008410
Másolva
|
0-2268 kg
|
0,04%
|
| ||
![]()
Erőmérő cella 0–227 kg, platformhoz, vakfurat, 2 mV/V, 3 m kábel
Cikkszám
F32723002426
Másolva
|
0-227 kg
|
0,02%
|
| ||
![]()
Erőmérő cella 0–454 kg, platformhoz, vakfurat, 2 mV/V, 3 m kábel
Cikkszám
F32723003427
Másolva
|
0-454 kg
|
0,02%
|
| ||
![]()
Erőmérő cella 0–1134 kg, platformhoz, vakfurat, 2 mV/V, 3 m kábel
Cikkszám
F32723006428
Másolva
|
0-1134 kg
|
0,02%
|
| ||
![]()
Erőmérő cella 0–2268 kg, platformhoz, vakfurat, 2 mV/V, 3 m kábel
Cikkszám
F32723008429
Másolva
|
0-2268 kg
|
0,02%
|
| ||
![]()
Erőmérő cella 0–4536 kg, platformhoz, vakfurat, 2 m V/V, 3 m kábel
Cikkszám
F32723009430
Másolva
|
0-4536 kg
|
0,02%
|
| ||
![]()
Erőmérő cella 0–227 kg, platformhoz, vakfurat, 2 mV/V, 3 m kábel
Cikkszám
F32723002406
Másolva
|
0-227 kg
|
0,04%
|
| ||
![]()
Erőmérő cella 0–454 kg, platformhoz, vakfurat, 2 mV/V, 3 m kábel
Cikkszám
F32723003407
Másolva
|
0-454 kg
|
0,04%
|
| ||
![]()
Erőmérő cella 0–1134 kg, platformhoz, vakfurat, 2 mV/V, 3 m kábel
Cikkszám
F32723006408
Másolva
|
0-1134 kg
|
0,04%
|
| ||
![]()
Erőmérő cella 0–2268 kg, platformhoz, vakfurat, 2 mV/V, 3 m kábel
Cikkszám
F32723008409
Másolva
|
0-2268 kg
|
0,04%
|
| ||
![]()
Erőmérő cella 0–4536 kg, platformhoz, vakfurat, 2 m V/V, 3 m kábel
Cikkszám
F32723009410
Másolva
|
0-4536 kg
|
0,04%
|
|
Válassza ki az egyik változatot a listából
TÓTH PÉTER