WIKA

Erőmérő cella, analóg jelátalakítóval 200kN-ig

F5301 Sorozat

Kompakt erőmérő, amelyet arra terveztek, hogy lehetővé tegye a csavarok és a tengelycsapok cseréjét, valamint biztosítsa a terhelések és erők folyamatos mérését az alkalmazásban. A terhelőcsap 4–20 mA-es vagy 0–10 V-os beépített erősített kimeneti jelet kap. Állítható váltópontokkal is kapható. A robusztus vékonyrétegű technológiával ellátott mérőcella hosszú élettartamot, hosszú távú stabilitást és jó ütés- és rezgésállóságot biztosít. Standard M12-es elektromos csatlakozás a könnyű szereléshez. Tengelycsapként történő felhasználásra pl. gépekben, járművekben, rakodógépekben, emelőberendezésekben, darukon és felvonókban. Az erőmérő rozsdamentes acélból készül, aminek köszönhetően rendkívül erős, és ellenáll a maró és korrozív környezet hatásainak. Az erőmérő cella megfelel az IP67 védelmi osztálynak.

  

 

Speciális kivitel

 

  • CANopen kivitel
  • SIL3-jóváhagyott 2 csatornás PC-vezérléssel
  • 2 átváltós kimeneti jel, PNP alt. NPN
  • Alternatív méretek és rögzítések
  • Redundáns rendszer a fokozott biztonság érdekében
  • Alternatív elektromos csatlakozások, kimeneti jelek és pontosság
  • EX-minősítésű kivitel
Bővebben
  • A nyomás tartománya 0 ... 5 és 0 ... 50 kN
  • Rozsdamentes acél
  • Pontosság 2% vagy 1%
  • Analóg kimeneti jel
  • ATEX kialakítás

Kiválasztott változat

izé

Kiválasztott változat

Műszaki adatok

Anyag Rozsdamentes acél
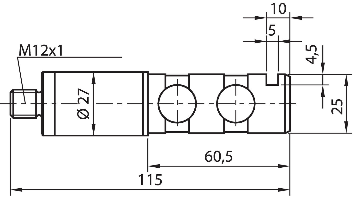
Elektromos csatlakozás M12x1 4 pólusú
Frekvenciaterhelés N.L. ±50%-a a DIN 50100-nak megfelelően
Hiszterézis 0,2 %
Hőmérséklet-eltérés ±0,2%/10 K a nullaponthoz és mérőfeszültséghez
IP-osztály IP67
Jelkimenetek 4–20 mA
Max. eltérés <2%
Max. tápfeszültség, DC 30 V DC
Max. tárolási hőmérséklet 85 °C
Max. üzemi hőmérséklet 80 °C
Méréstechnológia Vékony rétegű mérőcella
Min. tápfeszültség, DC 10 V DC
Min. tárolási hőmérséklet -40 °C
Min. üzemi hőmérséklet -40 °C
Tartósfolyás N.L. ≤0,1%-a 30 perc után
Teljesítménytartomány max. értéke 10 kN
Teljesítménytartomány min. értéke 0
Túlterhelés N.L. 150%-a megengedett
Válaszidő 1 ms

Letöltések

Mérések és kapcsolatok

Termékleírás

Kompakt erőmérő, amelyet arra terveztek, hogy lehetővé tegye a csavarok és a tengelycsapok cseréjét, valamint biztosítsa a terhelések és erők folyamatos mérését az alkalmazásban. A terhelőcsap 4–20 mA-es vagy 0–10 V-os beépített erősített kimeneti jelet kap. Állítható váltópontokkal is kapható. A robusztus vékonyrétegű technológiával ellátott mérőcella hosszú élettartamot, hosszú távú stabilitást és jó ütés- és rezgésállóságot biztosít. Standard M12-es elektromos csatlakozás a könnyű szereléshez. Tengelycsapként történő felhasználásra pl. gépekben, járművekben, rakodógépekben, emelőberendezésekben, darukon és felvonókban. Az erőmérő rozsdamentes acélból készül, aminek köszönhetően rendkívül erős, és ellenáll a maró és korrozív környezet hatásainak. Az erőmérő cella megfelel az IP67 védelmi osztálynak.

  

 

Speciális kivitel

 

  • CANopen kivitel
  • SIL3-jóváhagyott 2 csatornás PC-vezérléssel
  • 2 átváltós kimeneti jel, PNP alt. NPN
  • Alternatív méretek és rögzítések
  • Redundáns rendszer a fokozott biztonság érdekében
  • Alternatív elektromos csatlakozások, kimeneti jelek és pontosság
  • EX-minősítésű kivitel

Kiegészítők

Változatok Jelkimenetek Max. eltérés Min. tápfeszültség, DC Teljesítménytartomány max. értéke Ár
4–20 mA
<1%
10 V DC
5 kN
4–20 mA
<2%
10 V DC
5 kN
0–10 V
<2%
14 V DC
5 kN
0–10 V
<1%
14 V DC
5 kN
4–20 mA
<2%
10 V DC
10 kN
4–20 mA
<1%
10 V DC
10 kN
0–10 V
<1%
14 V DC
10 kN
0–10 V
<2%
14 V DC
10 kN
4–20 mA
<2%
10 V DC
20 kN
4–20 mA
<1%
10 V DC
20 kN
0–10 V
<1%
14 V DC
20 kN
0–10 V
<2%
14 V DC
20 kN
4–20 mA
<2%
10 V DC
30 kN
0–10 V
<2%
14 V DC
30 kN
0–10 V
<1%
14 V DC
30 kN
4–20 mA
<1%
10 V DC
30 kN
0–10 V
<2%
14 V DC
50 kN
0–10 V
<1%
14 V DC
50 kN
4–20 mA
<2%
10 V DC
50 kN
4–20 mA
<1%
10 V DC
50 kN
0–10 V
<2%
14 V DC
100 kN
4–20 mA
<1%
10 V DC
100 kN
0–10 V
<1%
14 V DC
100 kN
4–20 mA
<2%
10 V DC
100 kN
0–10 V
<1%
14 V DC
200 kN
0–10 V
<1%
14 V DC
200 kN
4–20 mA
<1%
10 V DC
200 kN
4–20 mA
<2%
10 V DC
200 kN

Kiválasztott változat

Válassza ki az egyik változatot a listából

Műszaki tanácsadás

TÓTH PÉTER

+36 20 576 32 33
E-mail küldése
Ügyfélszolgálat
Hívjon minket bátran ha kérdése van.
Segítségre van szüksége?