SENSECA

OMNI-F Széria Áramlásmérő

Kalorimetrikus

Az Omni-F modell egy kalorimetrikus áramlásérzékelő analóg kimeneti jellel (4–20 mA) és két határértékkel (PNP-0,3 A). LCD-kijelzővel rendelkezik, amely mutatja az aktuális áramlást (0–100%), a határértékeket és a hiszterézist. Az elülső gyűrűt levéve vagy 180°-kal elfordítva az érzékelő könnyen lezárható. Ezzel elkerülhető a módosítás kockázata.

 

 

 

Bővebben
  • Folyadékokhoz 200 bar-ig
  • Nincs mozgó alkatrész
  • Közeggel érintkező alkatrészek rozsdamentes acélból
  • Kimeneti jel a 4-20mA, 0-10V, P, F jelben
  • Max 200 Bar nyomásig

Kiválasztott változat

izé

Kiválasztott változat

Műszaki adatok

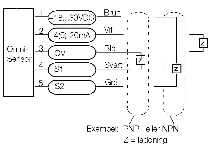
Csatlakozás típusa Külső menet, G ¼"
Elektromos csatlakozás M12x1 mm, 5 pólusú
Felvett teljesítmény 80 mA
Funkció Kalorimetrikus
Hiszterézis 1–99%, programozható
IP-osztály IP67
Jelkimenetek 4 (0)–20 mA vagy 0(2)–10 V, programozható
Kijelző anyaga Edzett kristályüveg
Közeghőmérséklet eddig: 70 °C
Közeghőmérséklet ettől: 0 °C
Lánc anyaga POM
Max. feszültség, DC 24 V
Max. szállítási távolság 150 cm/s
Max. terhelés 300 mA
Max. viszkozitás 1 cSt
Megismételhetőség 1 %
Min. szállítási távolság 1 cm/s
Nyomástartomány max. értéke 200 bar
Pontosság Teljes skálaérték ± 10%-a
Test anyaga Rozsdamentes acél 303
Type of flow component Flow Measuring
Tömeg 0,25 kg
Vízzel érintkező alkatrészek anyaga Rozsdamentes acél 316Ti

Mérések és kapcsolatok

Termékleírás

Az Omni-F modell egy kalorimetrikus áramlásérzékelő analóg kimeneti jellel (4–20 mA) és két határértékkel (PNP-0,3 A). LCD-kijelzővel rendelkezik, amely mutatja az aktuális áramlást (0–100%), a határértékeket és a hiszterézist. Az elülső gyűrűt levéve vagy 180°-kal elfordítva az érzékelő könnyen lezárható. Ezzel elkerülhető a módosítás kockázata.

 

 

 

Kiegészítők

Változatok Csatlakozás típusa Ár
Külső menet, G ¼"
Külső menet, G ½"

Kiválasztott változat

Válassza ki az egyik változatot a listából

Műszaki tanácsadás

TÓTH PÉTER

+36 20 576 32 33
E-mail küldése
Ügyfélszolgálat
Hívjon minket bátran ha kérdése van.
Segítségre van szüksége?
Logo

Süti beállítások oemautomatic.hu

A Sütik segítenek javítani az Ön élményét velünk, tehát a belépési adatok kezelésében, személyre szabott tartalom megjelenítésében és néhány alapvető funkcióban Sütiket használunk.

Sosem fogjuk az ön információit eladni.

Elfogadhatja az összes Sütit vagy személyre szabhatja a Süti beállításait, ezeket a beállításokat az elérhetőség oldalunkon tudja változtatni.

Szükséges Sütik

Ezek a Sütik szükségesek az oldal működéséhez ezért ezeket nem lehet kikapcsolni a rendszerünkben. Csak az Ön kéréseire/lépéseire adnak választ a szerverünkről például beállítások megadása, belépéskor és adatkitöltéskor.

Analízis és mérési Sütik

Ezek a Sütik engedik, hogy vizsgáljuk az oldal látogatottságát és javítsuk annak teljesítményét. Megmutatják, hogy melyik lapok a többet, illetve kevesebbet látogatottak, illetve miként használják a látogatók az oldalt. Az információ, amit a Sütik gyűjtenek összeadódnak ezért ez teljesen anonim módon történik. Ha nem fogadja el ezeket a Sütiket nem tudjuk járt az oldalon.

Marketing Sütik

Ezeket a Sütiket a partnereink adhatják hozzá. Ezeket a Sütiket arra használhatják, hogy egy önről mintázott profilt képezzenek mellyel személyre szabott információt jeleníthetnek meg Önnek. Önről személyes információt nem tárolunk, kizárólag a böngészőjéről és eszközéről. Ha nem fogadja el ezeket a Sütiket, egy általános tapasztalata lesz, nem személyre szabott.