SENSECA
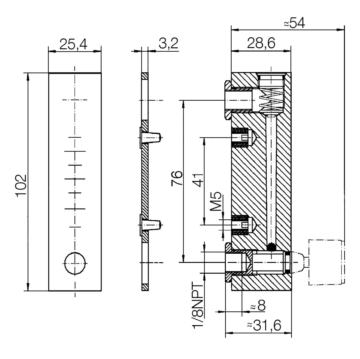
Az UK modell úszós típusú áramlásmérő. Kétféle kivitelben létezik, tűs szeleppel vagy anélkül. A folyadékok és gázok különböző formáinak mérésére szolgál.
|
| Csatlakozás típusa | Belső menet, NPT 1/8" |
|---|---|
| Csatlakozó anyaga | Sárgaréz |
| Felfüggesztés anyaga | Üveg |
| Funkció | Áramlásjelző, úszó |
| Közeghőmérséklet eddig: | 65 °C |
| Max. szállítási távolság | 0,5 Nl/min |
| Min. szállítási távolság | 0,04 Nl/min |
| Nyomáscsökkenés | Kb. 0,1 bar max. áramlás mellett |
| Nyomástartomány max. értéke | 6 bar |
| Pontosság | Teljes skálaérték ± 5%-a |
| Test anyaga | Akril |
| Type of flow component | Flowmeter |
| Tömeg | 0,13 kg |
| Tömítések anyaga | NBR |
Az UK modell úszós típusú áramlásmérő. Kétféle kivitelben létezik, tűs szeleppel vagy anélkül. A folyadékok és gázok különböző formáinak mérésére szolgál.
|
Tapasztald meg az erőt a Wika csúcstechnológiás erőmérési megoldásaival
Optimalizálja a termelést, növelje a megbízhatóságot és csökkentse az üzemeltetési költségeket.
A Jabsco és a Flojet, a vezérelt szivattyúzási technológiák piacvezetői, olyan megoldásokat kínálnak, amelyek minden kritikus folyamatban garantálják a precíz és stabil teljesítményt
Az OEM Automatic Kft. csapata sikeresen részt vett a 2025. május 13–16. között megrendezett IPAR NAPJAI Nemzetközi Ipari Szakkiállításon.
Hatékonyság és egyszerűség – ezt a kombinációt tartalmazza a Brooks Instrument új SLA BIOTECH MFC sorozata.
Az L3 Neo a szint- és nyomásérzékelők új generációja – Nagyobb pontosság.Nagyobb megbízhatóság.Egyszerűbb használat
|
|
|
|
|
|
||
|---|---|---|---|---|---|---|
|
|
|
|
|
|
||
|
|
|
|
|
|
||
|
|
|
|
|
|
||
|
|
|
|
|
|
||
|
|
|
|
|
|
||
|
|
|
|
|
|
| Változatok | Funkció | Max. szállítás | Max. szállítási távolság | Max. szállítási távolság | Min. szállítási távolság | Min. szállítási távolság | Pontosság | Tömeg | Ár | ||
|---|---|---|---|---|---|---|---|---|---|---|---|
|
Áramlásmérő, 1/8", 0,04–0,5 Nl/min, levegő
Cikkszám
UK-020GML0000
Másolva
|
Áramlásjelző, úszó
|
|
0,5 Nl/min
|
|
0,04 Nl/min
|
|
Teljes skálaérték ± 5%-a
|
0,13 kg
|
| ||
|
Áramlásmérő, 1/8", szelepes, 0,04–0,5 Nl/min
Cikkszám
UKV-020GML0000
Másolva
|
Áramlásjelző, úszó
|
|
0,5 Nl/min
|
|
0,04 Nl/min
|
|
Teljes skálaérték ± 5%-a
|
0,13 kg
|
| ||
|
Áramlásmérő, 1/8", 0,1–1 Nl/min, levegő
Cikkszám
UK-020GML0001
Másolva
|
Áramlásjelző, úszó
|
|
1 Nl/min
|
|
0,1 Nl/min
|
|
Teljes skálaérték ± 5%-a
|
0,13 kg
|
| ||
|
Áramlásmérő, 1/8", szelepes, 0,1–1 Nl/min
Cikkszám
UKV-020GML0001
Másolva
|
Áramlásjelző, úszó, tűszeleppel
|
|
1 Nl/min
|
|
0,1 Nl/min
|
|
Teljes skálaérték ± 5%-a
|
0,13 kg
|
| ||
|
Áramlásmérő, 1/8", 0,2–3,0 l/h, víz
Cikkszám
UK-020GMW0003
Másolva
|
Áramlásjelző, úszó
|
0,1 l/min
|
|
0,05 l/min
|
|
0,003 l/min
|
Teljes skálaérték ± 5%-a
|
0,13 kg
|
| ||
|
Áramlásmérő, 1/8", szelepes, 0,2–3,0 l/h
Cikkszám
UKV-020GMW0003
Másolva
|
Áramlásjelző, úszó, tűszeleppel
|
0,1 l/min
|
|
0,05 l/min
|
|
0,003 l/min
|
Teljes skálaérték ± 5%-a
|
0,13 kg
|
| ||
|
Áramlásmérő, 1/8", 0,5–6,0 l/h, víz
Cikkszám
UK-020GMW0006
Másolva
|
Áramlásjelző, úszó
|
0,1 l/min
|
|
0,1 l/min
|
|
0,008 l/min
|
Teljes skálaérték ± 5%-a
|
0,13 kg
|
| ||
|
Áramlásmérő, 1/8", szelepes, 0,5–6,0 l/h
Cikkszám
UKV-020GMW0006
Másolva
|
Áramlásjelző, úszó, tűszeleppel
|
0,1 l/min
|
|
0,1 l/min
|
|
0,008 l/min
|
Teljes skálaérték ± 5%-a
|
0,13 kg
|
| ||
|
Áramlásmérő, 1/8", 1,0–10 Nl/min
Cikkszám
UK-040GML0010
Másolva
|
Áramlásjelző, úszó
|
|
10 Nl/min
|
|
1 Nl/min
|
|
Teljes skálaérték ± 3%-a
|
0,24 kg
|
| ||
|
Áramlásmérő, 1/8", szelepes, 1,0–10 Nl/min
Cikkszám
UKV-040GML0010
Másolva
|
Áramlásjelző, úszó, tűszeleppel
|
|
10 Nl/min
|
|
1 Nl/min
|
|
Teljes skálaérték ± 3%-a
|
0,24 kg
|
| ||
|
Áramlásmérő, 1/8", 4,0–50 Nl/min
Cikkszám
UK-040GML0050
Másolva
|
Áramlásjelző, úszó
|
|
50 Nl/min
|
|
4 Nl/min
|
|
Teljes skálaérték ± 3%-a
|
0,24 kg
|
| ||
|
Áramlásmérő, 1/8", szelepes, 4,0–50 Nl/min
Cikkszám
UKV-040GML0050
Másolva
|
Áramlásjelző, úszó, tűszeleppel
|
|
50 Nl/min
|
|
4 Nl/min
|
|
Teljes skálaérték ± 3%-a
|
0,24 kg
|
| ||
|
Áramlásmérő, 1/8", 10–100 Nl/min
Cikkszám
UK-040GML0100
Másolva
|
Áramlásjelző, úszó
|
|
100 Nl/min
|
|
10 Nl/min
|
|
Teljes skálaérték ± 3%-a
|
0,24 kg
|
| ||
|
Áramlásmérő, 1/8", szelepes, 10–100 Nl/min
Cikkszám
UKV-040GML0100
Másolva
|
Áramlásjelző, úszó, tűszeleppel
|
|
100 Nl/min
|
|
10 Nl/min
|
|
Teljes skálaérték ± 3%-a
|
0,24 kg
|
| ||
|
Áramlásmérő, 1/8", 4,0–40 l/h
Cikkszám
UK-040GMW0040
Másolva
|
Áramlásjelző, úszó
|
6 l/min
|
|
0,66 l/min
|
|
0,066 l/min
|
Teljes skálaérték ± 3%-a
|
0,24 kg
|
| ||
|
Áramlásmérő, 1/8", szelepes, 4,0–40 l/h
Cikkszám
UKV-040GMW0040
Másolva
|
Áramlásjelző, úszó, tűszeleppel
|
6 l/min
|
|
0,66 l/min
|
|
0,066 l/min
|
Teljes skálaérték ± 3%-a
|
0,24 kg
|
| ||
|
Áramlásmérő, 1/8", 8,0–80 l/h
Cikkszám
UK-040GMW0080
Másolva
|
Áramlásjelző, úszó
|
6 l/min
|
|
1,33 l/min
|
|
0,13 l/min
|
Teljes skálaérték ± 3%-a
|
0,24 kg
|
| ||
|
Áramlásmérő, 1/8", szelepes, 8,0–80 l/h
Cikkszám
UKV-040GMW0080
Másolva
|
Áramlásjelző, úszó, tűszeleppel
|
6 l/min
|
|
1,33 l/min
|
|
0,13 l/min
|
Teljes skálaérték ± 3%-a
|
0,24 kg
|
| ||
|
Áramlásmérő, 1/8", 20–220 l/h
Cikkszám
UK-040GMW0220
Másolva
|
Áramlásjelző, úszó
|
6 l/min
|
|
3,66 l/min
|
|
0,33 l/min
|
Teljes skálaérték ± 3%-a
|
0,24 kg
|
| ||
|
Áramlásmérő, 1/8", szelepes, 20–220 l/h
Cikkszám
UKV-040GMW0220
Másolva
|
Áramlásjelző, úszó, tűszeleppel
|
6 l/min
|
|
3,66 l/min
|
|
0,33 l/min
|
Teljes skálaérték ± 3%-a
|
0,24 kg
|
|
Válassza ki az egyik változatot a listából
TÓTH PÉTER