SENSECA

Szintkapcsoló

RWI, RW Sorozat

Az RW modell egy rozsdamentes acélból vagy műanyagból készült, oldalsó szerelésű szintfigyelő, amely folyadékok szintjének kijelzésére szolgál.

 

Speciális kivitel

  • műanyag kivitel RWI-..i PVDF
  • 2000 mm hosszú öntött kábel
Bővebben
  • NO vagy NC
  • Anyag PP, PVDF, rozsdamentes acél
  • Hőmérséklet -20 és 130 ° C között

Kiválasztott változat

izé

Kiválasztott változat

Műszaki adatok

Anyag Rozsdamentes acél
Csatlakozás típusa Külső menet, G ½"
Csatlakozó anyaga Rozsdamentes acél 304
Elektromos csatlakozás DIN 43650-C szerinti csatlakozó
Érintkező max. teljesítménye 25 VA
Felszerelés Side-mounted
Funkció A telepítéstől függően úszó, záró vagy megszakító reedkapcsoló
IP-osztály IP65
Közeghőmérséklet eddig: 120 °C
Max. feszültség, AC 50 V
Nyomástartomány max. értéke 5 bar
Sűrűségi tartomány min. értéke 0,75 g/cm³
Type level meter Side-mounted
Tömeg 0,11 kg
Úszó anyaga Rozsdamentes acél 316L

Letöltések

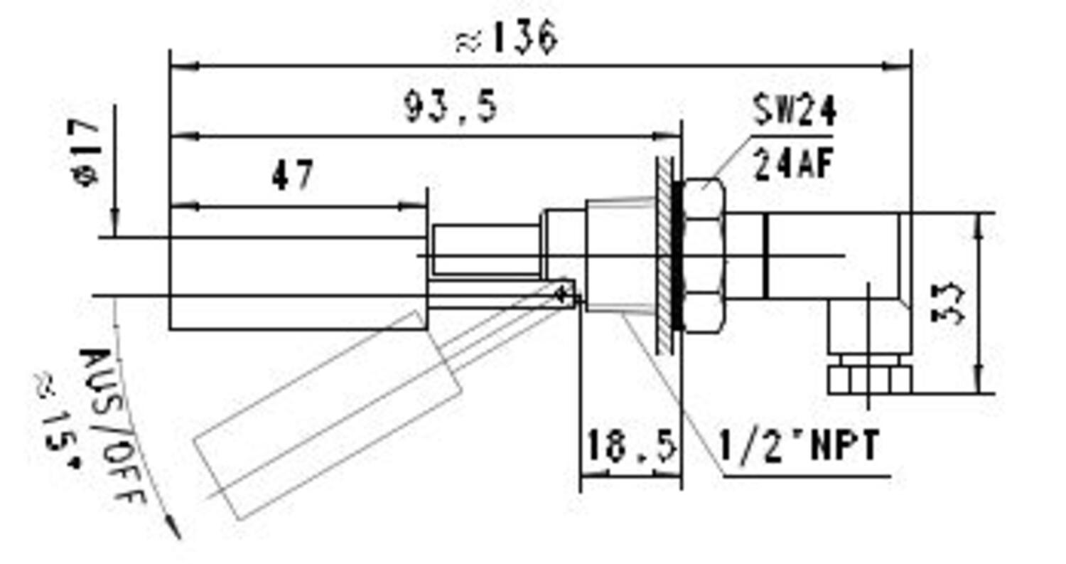
Mérések és kapcsolatok

Termékleírás

Az RW modell egy rozsdamentes acélból vagy műanyagból készült, oldalsó szerelésű szintfigyelő, amely folyadékok szintjének kijelzésére szolgál.

 

Speciális kivitel

  • műanyag kivitel RWI-..i PVDF
  • 2000 mm hosszú öntött kábel

Kiegészítők

Változatok Anyag Csatlakozás típusa Csatlakozó anyaga Elektromos csatlakozás Érintkező max. teljesítménye Közeghőmérséklet eddig: Max. feszültség, AC Nyomástartomány max. értéke Sűrűségi tartomány min. értéke Tömeg Úszó anyaga Vízzel érintkező alkatrészek anyaga Ár
Rozsdamentes acél
Külső menet, G ½"
Rozsdamentes acél 304
DIN 43650-C szerinti csatlakozó
25 VA
120 °C
50 V
5 bar
0,75 g/cm³
0,11 kg
Rozsdamentes acél 316L
Polipropilén
Külső menet, M16x1,5 mm
Polipropilén
0,5 m kábel
50 VA
90 °C
250 V
3 bar
0,6 g/cm³
0,075 kg
Polipropilén
Polipropilén

Kiválasztott változat

Válassza ki az egyik változatot a listából

Műszaki tanácsadás

TÓTH PÉTER

+36 20 576 32 33
E-mail küldése
Ügyfélszolgálat
Hívjon minket bátran ha kérdése van.
Segítségre van szüksége?
Logo

Süti beállítások oemautomatic.hu

A Sütik segítenek javítani az Ön élményét velünk, tehát a belépési adatok kezelésében, személyre szabott tartalom megjelenítésében és néhány alapvető funkcióban Sütiket használunk.

Sosem fogjuk az ön információit eladni.

Elfogadhatja az összes Sütit vagy személyre szabhatja a Süti beállításait, ezeket a beállításokat az elérhetőség oldalunkon tudja változtatni.

Szükséges Sütik

Ezek a Sütik szükségesek az oldal működéséhez ezért ezeket nem lehet kikapcsolni a rendszerünkben. Csak az Ön kéréseire/lépéseire adnak választ a szerverünkről például beállítások megadása, belépéskor és adatkitöltéskor.

Analízis és mérési Sütik

Ezek a Sütik engedik, hogy vizsgáljuk az oldal látogatottságát és javítsuk annak teljesítményét. Megmutatják, hogy melyik lapok a többet, illetve kevesebbet látogatottak, illetve miként használják a látogatók az oldalt. Az információ, amit a Sütik gyűjtenek összeadódnak ezért ez teljesen anonim módon történik. Ha nem fogadja el ezeket a Sütiket nem tudjuk járt az oldalon.

Marketing Sütik

Ezeket a Sütiket a partnereink adhatják hozzá. Ezeket a Sütiket arra használhatják, hogy egy önről mintázott profilt képezzenek mellyel személyre szabott információt jeleníthetnek meg Önnek. Önről személyes információt nem tárolunk, kizárólag a böngészőjéről és eszközéről. Ha nem fogadja el ezeket a Sütiket, egy általános tapasztalata lesz, nem személyre szabott.