ELECTROMEN

EM-243C DC motor 2Q vezérlő 12-48 V dc, 50 A

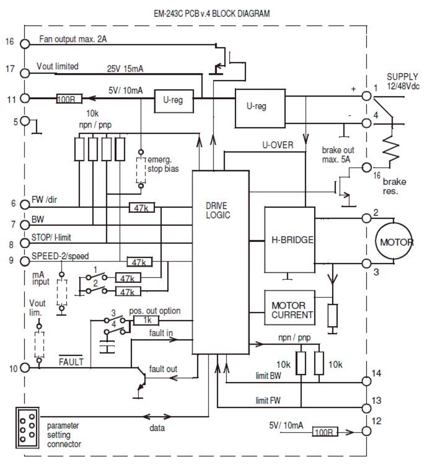
Az EM-243C számos funkcióval rendelkezik, mint amilyen a külön rámpa és az áramkorlát előre/hátra. 2 külön sebesség vagy egy sebesség, amelyet 0–5 V-os jel szabályoz. Az EM-243C külső határhelyzet-kapcsolókat is képes kezelni. Az összes paraméter könnyen beállítható az EM-236 vagy az EM-328 programozóegységeken keresztül. Az egységek néhány érték kiolvasására is használhatók: például áram, sebesség, óraszámláló és indítási számláló. Különféle, bővített funkciókat tartalmazó szoftververziókkal érhető el. ilyen például a pozicionálás vagy a vezérlés analóg joystickkal.

 

* Az áramerősség értékeit a pwm = 2kHz jelzi.

Bővebben
  • 12-48 V/DC, 50A folyamatos, 100A csúcs
  • Sebesség, irány , áramfelvétel, lágyindítás/megállítás és auto-fordítás vezérlés
  • Határkapcsoló bemenet végállásra
  • Kompakt, DIN sínre rögzíthető

Kiválasztott változat

Electromen-EM-243C-motor.jpg

Egyenáramú (DC) motor, 2Q meghajtás, 12–42 V DC, 50 A

Cikkszám

Kiválasztott változat

Műszaki adatok

2053_Current limit (A) 1-100
2421_Peak current (A) (5s) *100
Áramerősség-beállítási tartomány 1-100 A
Brake output Igen
Change direction of rotation (CW/CCW) Igen
Current limit adjustable Igen
Currenttrip autoreveice Igen
Felszerelés DIN sín
Impulse/continuous mode Igen
Impulzusszélesség-moduláció (PWM) frekvenciája 2kHz/16kHz
Joystick analog input Igen
Parallel driver four motors Nem
Parallel driver two motors Nem
Position with potentiometer Nem
Positioning Nem
Potentiometer adjustable speed Igen
RS232 Nem
RS485/Modbus Nem
Softstart/stop Igen
Speed settings Igen
Speedregulator Igen
Stop at limit position Igen
Suitable engine DC
Supplier Electromen
Szabályozás típusa Sebesség, Irány, Forgatónyomaték, Fokozatos indítás/leállítás
Tápfeszültség 12-48 V DC
Tömeg 190 g
Üzemi hőmérséklet -40°C...+60°C

Termékleírás

Az EM-243C számos funkcióval rendelkezik, mint amilyen a külön rámpa és az áramkorlát előre/hátra. 2 külön sebesség vagy egy sebesség, amelyet 0–5 V-os jel szabályoz. Az EM-243C külső határhelyzet-kapcsolókat is képes kezelni. Az összes paraméter könnyen beállítható az EM-236 vagy az EM-328 programozóegységeken keresztül. Az egységek néhány érték kiolvasására is használhatók: például áram, sebesség, óraszámláló és indítási számláló. Különféle, bővített funkciókat tartalmazó szoftververziókkal érhető el. ilyen például a pozicionálás vagy a vezérlés analóg joystickkal.

 

* Az áramerősség értékeit a pwm = 2kHz jelzi.

Kiegészítők

Kapcsolódó termékek

Inxpect Radar

Inxpect Radar

Az Inxpect Safety Studio egy hatékonyabb módot kínál a biztonsági radarok konfigurálására és kezelésére. Ez a szoftver gyorsabbá és intuitívabbá teszi a munkát, miközben csökkenti a tervezéstől a kész telepítésig eltelt időt – függetlenül attól, hogy már használod az Inxpect megoldásait, vagy egy új projekt előtt állsz.

Flexa vedelem

FLEXA Kábelvédelem járművekben

A járműipar folyamatos fejlődésen megy keresztül, ahol a járművek egyre inkább a kábelezéstől és gyakran összetett elektromos rendszerektől függenek.

Sustain3HU

Fenntarthatósági munkánk

Az OEM Automaticnál azt akarjuk tenni, ami helyes, és ez a fenntartható fejlődésre való törekvés. Fenntarthatósági munkánk középpontjában a pénzügyi stabilitás megteremtése a nyereséges növekedéssel, a negatív környezeti hatások csökkentése, a magas üzleti etika fenntartása, valamint a vonzó és egészséges munkahely megteremtése áll.

Brooksi

Precíz áramlászabályozás a tisztább jövőért

A Brooks Instrument a folyadék- és gázáramlás-mérés egyik legelismertebb gyártója. Termékeit évtizedek óta a legigényesebb ipari, gyártási és analitikai folyamatokban alkalmazzák világszerte.

VasutheadHU

Megbízható partner a vasúti szegmensben

A Vasút divízió már régóta nem csupán a klasszikus vonatokat foglalja magába. Ide soroljuk a villamosokat, autóbuszokat és más közlekedési eszközöket is, amelyeket naponta emberek milliói használnak világszerte.

z
Termékhírek

A világ legkisebb biztonsági lézerszkennere a Hokuyo-tól

Az UAM-05 a világ legkisebb biztonsági lézerszkennere. A világ legintelligensebbje is. Mindössze 80x80x95 mm-es az építési mérete és kézfejtől a testpáncélig választható felbontással (30, 40, 50, 70 és 150 mm) rendelkezik.

Ügyfélszolgálat
Hívjon minket bátran ha kérdése van.
Segítségre van szüksége?